РЕЛЕ ПРОВЕРКА БЕЗ СНЯТИЯ С АВТОМОБИЛЯ

ПОРЯДОК ВЫПОЛНЕНИЯ


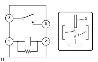
  1. ПРОВЕРЬТЕ РЕЛЕ ФАР


    1. A01PIWON01

      Проверьте сопротивление.


      1. Измерьте сопротивление в соответствии со значениями, приведенными в таблице ниже.

        Номинальное сопротивление
        Контакты для подключения диагностического прибора Условие Заданные условия
        3 - 5 Напряжение аккумуляторной батареи не подается на контакты 1 и 2 10 кОм или более
        Напряжение аккумуляторной батареи подается на контакты 1 и 2 Менее 1 Ом

        Если результат проверки не отвечает требованиям, замените реле фар.

  2. ПРОВЕРЬТЕ РЕЛЕ ПЕРЕКЛЮЧАТЕЛЯ СВЕТА ФАР


    1. A01PIWON01

      Проверьте сопротивление.


      1. Измерьте сопротивление в соответствии со значениями, приведенными в таблице ниже.

        Номинальное сопротивление
        Подключение диагностического прибора Условие Номинальное значение
        3 - 5 Напряжение аккумуляторной батареи не подается на контакты 1 и 2 10 кОм или более
        Напряжение аккумуляторной батареи подается на контакты 1 и 2 Менее 1 Ом
  3. ПРОВЕРЬТЕ РЕЛЕ ПРОТИВОТУМАННЫХ ФАР


    1. A01PK0TN01

      Проверьте сопротивление.


      1. Измерьте сопротивление в соответствии со значениями, приведенными в таблице ниже.

        Номинальное сопротивление
        Подключение диагностического прибора Условие Заданные условия
        3 - 5 Напряжение аккумуляторной батареи не подается на контакты 1 и 2 10 кОм или более
        Напряжение аккумуляторной батареи подается на контакты 1 и 2 Менее 1 Ом

        Если результат проверки не отвечает требованиям, замените реле противотуманных фар.

  4. ПРОВЕРЬТЕ РЕЛЕ СИСТЕМЫ ПОДФАРНИКОВ, ВКЛЮЧАЕМЫХ ПРИ ДВИЖЕНИИ В СВЕТЛОЕ ВРЕМЯ СУТОК


    1. A01PK0TN01

      Проверьте сопротивление.


      1. Измерьте сопротивление в соответствии со значениями, приведенными в таблице ниже.

        Номинальное сопротивление
        Подключение диагностического прибора Условие Заданные условия
        3 - 5 Напряжение аккумуляторной батареи не подается на контакты 1 и 2 10 кОм или более
        Напряжение аккумуляторной батареи подается на контакты 1 и 2 Менее 1 Ом

        Если результат проверки не отвечает требованиям, замените реле подфарников, включаемых при движении в светлое время суток.

  5. ПРОВЕРЬТЕ РЕЛЕ ЗАДНИХ ПРОТИВОТУМАННЫХ ФОНАРЕЙ


    1. A01PK0TN01

      Проверьте сопротивление.


      1. Измерьте сопротивление в соответствии со значениями, приведенными в таблице ниже.

        Номинальное сопротивление
        Подключение диагностического прибора Условие Заданные условия
        3 - 5 Напряжение аккумуляторной батареи не подается на контакты 1 и 2 10 кОм или более
        Напряжение аккумуляторной батареи подается на контакты 1 и 2 Менее 1 Ом

        Если результат проверки не отвечает требованиям, замените реле задних противотуманных фонарей.