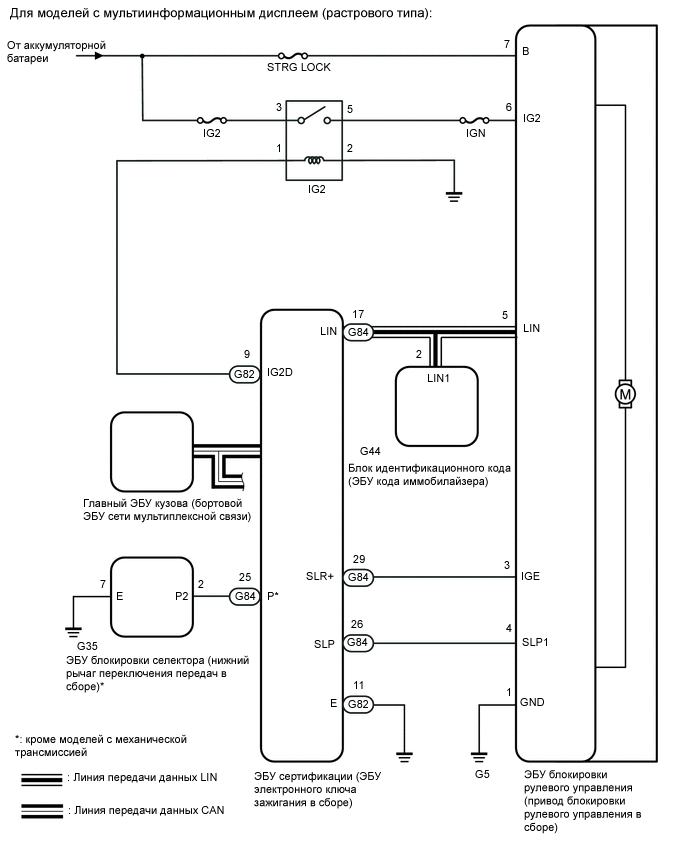
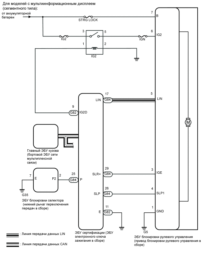
СИСТЕМА БЛОКИРОВКИ РУЛЕВОГО УПРАВЛЕНИЯ СХЕМА СИСТЕМЫ

A00YUDDE01
A00YR3XE01
Описание цепи
Устройство Описание
ЭБУ блокировки рулевого управления (привод блокировки рулевого управления в сборе)

Рулевое управление блокируется и разблокируется посредством обмена данными с ЭБУ сертификации (ЭБУ электронного ключа зажигания) и блоком идентификационного кода (ЭБУ кода иммобилайзера)*1 по шине LIN.

Разблокировка рулевого управления возможна при выполнении следующих условий.


  • Согласованы коды (L) блока идентификационного кода (ЭБУ кода иммобилайзера) и блокировки рулевого управления.*1

  • Согласованы коды (L) ЭБУ сертификации (ЭБУ электронного ключа зажигания в сборе) и блокировки рулевого управления.*2

  • Согласованы коды (S) блока идентификационного кода (ЭБУ кода иммобилайзера) и ЭБУ сертификации (ЭБУ электронного ключа зажигания).*1

  • Согласованы коды ЭБУ сертификации (ЭБУ электронного ключа зажигания) и идентификатора ключа.

ЭБУ сертификации (ЭБУ электронного ключа зажигания в сборе)

Идентификационный код ключа, который имеет при себе пользователь, передается в антенну электронного ключа.

ЭБУ сертификации (ЭБУ электронного ключа зажигания) сравнивает идентификационный код ключа, полученный от антенны электронного ключа, с собственным идентификационным кодом. Если они совпадают, ЭБУ сертификации (ЭБУ электронного ключа зажигания) разрешает ЭБУ блокировки рулевого управления включать зажигание, запускать двигатель и разблокировать/блокировать рулевое управление.

Формирует команду подачи питания на электродвигатель блокировки рулевого управления в соответствии с режимом источника питания, положением рычага переключения передач и сигналом скорости автомобиля.

Блок идентификационного кода (ЭБУ кода иммобилайзера)*1
  • Принимает команды на включение и выключение иммобилайзера от ЭБУ сертификации (ЭБУ электронного ключа зажигания в сборе) по шине LIN и передает их в ECM.

  • Регистрирует коды для проверки функции посадки.

*1: для моделей с мультиинформационным дисплеем (растрового типа)
*2: Для моделей с мультиинформационным дисплеем (сегментного типа)