СИСТЕМА БЛОКИРОВКИ РУЛЕВОГО УПРАВЛЕНИЯ Не удается блокировать рулевое колесо

ОПИСАНИЕ

Привод блокировки рулевого управления приводит в действие электродвигатель блокировки рулевого управления и вводит запорный штифт в рулевую колонку, чтобы заблокировать рулевое управление.

Замок рулевой колонки не сможет обеспечить блокировку рулевого управления, если запорный штифт не совмещен с отверстием замка рулевой колонки. В этом случае блокировка рулевого управления может быть произведена путем поворота рулевого колеса на небольшой угол, как в автомобиле с механическим ключом, для изменения положения отверстия замка.

Связанные параметры режимов Data List и Active Test
Признаки неисправностей Параметр Data List Параметр Active Test
Не удается заблокировать рулевое колесо

    Entry&Start (посадка и запуск)

  • Все параметры

    Click here


    Main Body

  • FR Door Courtesy SW

  • FL Door Courtesy SW

-

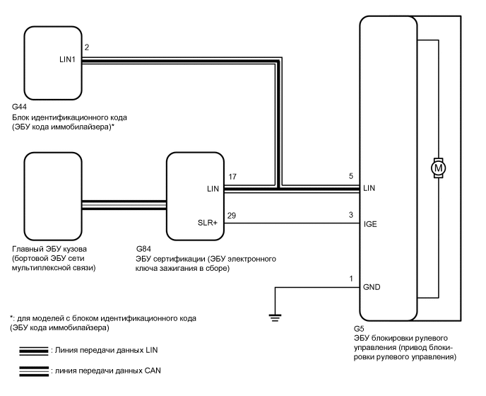
СХЕМА СОЕДИНЕНИЙ

A01QQUUE06

ПРЕДОСТЕРЕЖЕНИЕ / ПРИМЕЧАНИЕ / УКАЗАНИЕ

Note


  • При использовании GTS для диагностики с выключенным зажиганием:

    Подключите GTS к DLC3 и с 1,5-секундным интервалом включайте и выключайте освещение дверного проема до тех пор, пока не установится связь между GTS и автомобилем.

  • Выполните одну из следующих операций, чтобы заблокировать/разблокировать рулевое управление:


    • Чтобы разблокировать рулевое управление, возьмите ключ и включите зажигание ((ACC) или (IG)), когда рычаг переключения передач установлен в положение P (кроме моделей с механической трансмиссией).

    • Чтобы заблокировать рулевое управление, выключите зажигание с рычагом переключения передач в положении P* (кроме моделей с механической трансмиссией), а затем откройте дверь

  • Убедитесь в том, что коды DTC не выводятся. Если выводятся какие-либо DTC, обратитесь к таблице диагностических кодов неисправностей.

    Нажмите здесь Click here

  • Система блокировки рулевого управления использует для передачи данных шину LIN. Прежде чем приступать к диагностике, проверьте работу системы передачи данных в соответствии с указаниями раздела "Порядок поиска неисправностей" и убедитесь, что эта система исправна.

    Нажмите здесь Click here

  • В случае замены ЭБУ блокировки рулевого управления (привода блокировки рулевого управления в сборе), ЭБУ сертификации (ЭБУ электронного ключа зажигания в сборе) или блока идентификационного кода (ЭБУ кода иммобилайзера) необходимо выполнить регистрацию (см. бюллетень технического обслуживания).

  • По окончании ремонта убедитесь, что неисправность не проявляется вновь.

ПОРЯДОК ВЫПОЛНЕНИЯ


  1. ПРОВЕРЬТЕ, ВЫВОДЯТСЯ ЛИ DTC (ВСЕ)


    1. С помощью GTS проверьте выводимые DTC для всех систем.

      OK
      Коды DTC не выводятся.

      Note


      • При использовании GTS для диагностики с выключенным зажиганием:

        Подключите GTS к DLC3 и с 1,5-секундным интервалом включайте и выключайте освещение дверного проема до тех пор, пока не установится связь между GTS и автомобилем.

      • Убедитесь в том, что коды DTC не выводятся. Если выводятся какие-либо DTC, обратитесь к таблице диагностических кодов неисправностей.

      Результат
      Следующий шаг
      OK
      NG

    NG
    OK
  2. СНИМИТЕ ПОКАЗАНИЯ GTS (LOCK REQUEST RECEIVE)


    1. В режиме Data List проверьте работу блокировки рулевого управления.


      Body Electrical > Entry&Start > Data List
      Информация на дисплее прибора Измеряемая величина Диапазон Нормальное состояние Замечание по диагностике
      Lock Request Receive

      Состояние приема команды блокировки рулевого управления в ЭБУ сертификации (ЭБУ электронного ключа зажигания в сборе), который затем передает ее в блок идентификационного кода (ЭБУ кода иммобилайзера)*1

      Состояние получения сигнала запроса блокировки рулевого управления ЭБУ сертификации (ЭБУ электронного ключа зажигания в сборе)*2

      Tech Tips


      • Состояние приема сохраняется в течение 10 с.

      • Через 10 с или более после приема сигнала значение параметра изменяется на "NG".

      OK или NG

      ОК: Сигнал запроса блокировки принимается в течение 10 после открывания любой двери, когда рычаг переключения передач находится в положении P (кроме моделей с механической трансмиссией), и зажигание выключено.

      NG: За исключением указанного выше

      Если значение OK не отображается, даже если выполняются условия блокировки рулевого управления, возможно, неисправен ЭБУ сертификации (ЭБУ электронного ключа зажигания в сборе).

      • *1: для моделей с блоком идентификационного кода (ЭБУ кода иммобилайзера)

      • *2: для моделей без блока идентификационного кода (ЭБУ кода иммобилайзера)


      Body Electrical > Entry&Start > Data List
      Информация на дисплее прибора
      Lock Request Receive
      OK
      ЭБУ сертификации (ЭБУ электронного ключа зажигания в сборе) получает сигнал запроса блокировки в течение 10 после переключения выключателя зажигания из положения ON (ВКЛ) (IG) в положение OFF (ВЫКЛ) и открывания двери с рычагом переключения передач в положении P (кроме моделей с механической трансмиссией), и на экране GTS отображается OK.
      Результат
      Следующий шаг
      OK
      NG

    NG
    OK
  3. ПРОВЕРЬТЕ ЖГУТ ПРОВОДОВ И РАЗЪЕМ (МАССА)


    1. Проверьте, не ослаблены ли фиксирующая и соединительная части разъема.

    2. Отсоедините разъем G5 ЭБУ блокировки рулевого управления.

    3. A01QUGUC26
      *a

      Вид спереди разъема со стороны жгута проводов:

      (к ЭБУ блокировки рулевого управления (приводу блокировки рулевого управления в сборе))

      Измерьте сопротивление в соответствии со значениями, приведенными в таблице ниже.

      Номинальное сопротивление
      Подключение диагностического прибора Условие Заданные условия
      G5-1 (GND) - масса Всегда Менее 1 Ом
      Результат
      Следующий шаг
      OK
      NG

    NG
    OK
  4. ПРОВЕРИТЬ ЭБУ БЛОКИРОВКИ РУЛЕВОГО УПРАВЛЕНИЯ (СИГНАЛ ВКЛЮЧЕНИЯ ЭЛЕКТРОДВИГАТЕЛЯ)


    1. Подсоедините разъем G5 ЭБУ блокировки рулевого управления.

    2. Выключите зажигание, убедитесь, что рулевое управление разблокировано, и переведите рычаг переключения передач в положение P (кроме моделей с механической трансмиссией).

    3. A01QOOHC17
      *a

      Устройство с подсоединенным жгутом проводов

      (ЭБУ блокировки рулевого управления (привод блокировки рулевого управления в сборе))

      *b Электродвигатель блокировки рулевого управления не работает
      *c Электродвигатель блокировки рулевого управления работает

      Проверьте форму сигнала в соответствии с условиями, указанными в таблице ниже.

      Номинальная частота
      Параметр / Устройство Описание
      Подключение диагностического прибора G5-3 (IGE) - G5-1 (GND)
      Настройки прибора 2 В / дел., 200 мс/ дел.
      Состояние автомобиля Электродвигатель блокировки рулевого управления не работает → электродвигатель блокировки рулевого управления работает → электродвигатель блокировки рулевого управления не работает

      Tech Tips


      • При проведении измерений, когда двигатель блокировки не работает, не требуется выполнять никаких действий.

      • Чтобы провести измерения во время работы двигателя блокировки, выполните одно из следующих действий:


        • Чтобы разблокировать рулевое управление, возьмите ключ и включите зажигание ((ACC) или (IG)), когда рычаг переключения передач установлен в положение P (кроме моделей с механической трансмиссией).

        • Чтобы заблокировать рулевое управление, выключите зажигание с рычагом переключения передач в положении P* (кроме моделей с механической трансмиссией), а затем откройте дверь

      Результат
      Следующий шаг
      OK
      NG

    NG
    OK
  5. ПРОВЕРЬТЕ ЖГУТ ПРОВОДОВ И РАЗЪЕМ (ЭБУ БЛОКИРОВКИ РУЛЕВОГО УПРАВЛЕНИЯ - ЭБУ СЕРТИФИКАЦИИ (ЭБУ ЭЛЕКТРОННОГО КЛЮЧА ЗАЖИГАНИЯ В СБОРЕ))


    1. Проверьте, не ослаблены ли фиксирующая и соединительная части разъема.

    2. Отсоедините разъем G5 ЭБУ блокировки рулевого управления.

    3. Отсоедините разъем G84 ЭБУ сертификации (ЭБУ электронного ключа зажигания в сборе).

    4. Проверьте корпус и контакты разъема на наличии деформации и коррозии.

      OK
      Отсутствуют деформация и коррозия корпуса и контактов разъема.
    5. Измерьте сопротивление в соответствии со значениями, приведенными в таблице ниже.

      Номинальное сопротивление
      Подключение диагностического прибора Условие Заданные условия
      G5-3 (IGE) - G84-29 (SLR+) Всегда Менее 1 Ом
      G5-3 (IGE) - масса 10 кОм или более
      G84-29 (SLR+) - масса
      Результат
      Следующий шаг
      OK
      NG

    OK
    NG
  6. СНИМИТЕ ПОКАЗАНИЯ GTS (ВЫКЛЮЧАТЕЛЬ ОСВЕЩЕНИЯ ПРОЕМА ДВЕРИ)


    1. С помощью GTS проверьте следующий параметр Data List главного ЭБУ кузова, открывая и закрывая дверь водителя, чтобы подтвердить состояние выключателя освещения проема передней двери.


      Body Electrical > Main Body > Data List
      Информация на дисплее прибора Измеряемая величина Диапазон Нормальное состояние Замечание по диагностике
      FR Door Courtesy SW Выключатель освещения проема двери передней правой двери ON (ВКЛ) или OFF (ВЫКЛ)

      OFF (ВЫКЛ): Правая передняя дверь закрыта

      ON (ВКЛ): Правая передняя дверь открыта

      Если значение этого параметра не изменяется в соответствии с фактическим состоянием двери водителя, выключатель освещения проема двери или связанная деталь неисправны.
      FL Door Courtesy SW Выключатель освещения дверного проема передней левой двери ON (ВКЛ) или OFF (ВЫКЛ)

      OFF (ВЫКЛ): Левая передняя дверь закрыта

      ON (ВКЛ): Левая передняя дверь открыта

      Если значение этого параметра не изменяется в соответствии с фактическим состоянием двери водителя, выключатель освещения проема двери или связанная деталь неисправны.

      Body Electrical > Main Body > Data List
      Информация на дисплее прибора
      FR Door Courtesy SW
      FL Door Courtesy SW
      OK
      Значение параметра Data List изменяется в соответствии с открыванием и закрыванием двери водителя.
      Результат
      Следующий шаг
      OK (для моделей с блоком идентификационного кода (ЭБУ кода иммобилайзера))
      OK (для моделей без блока идентификационного кода (ЭБУ кода иммобилайзера))
      NG

    OK (для моделей без блока идентификационного кода (ЭБУ кода иммобилайзера))
    NG
    OK (для моделей с блоком идентификационного кода (ЭБУ кода иммобилайзера))
  7. СНИМИТЕ ПОКАЗАНИЯ GTS (S CODE CHECK)


    1. Проверьте в режиме Data List, что сертификация кода S работает надлежащим образом.


      Body Electrical > Entry&Start > Data List
      Информация на дисплее прибора Измеряемая величина Диапазон Нормальное состояние Замечание по диагностике
      S Code Check Результат проверки подлинности между ЭБУ сертификации (ЭБУ электронного ключа зажигания в сборе) и блоком идентификационного кода (ЭБУ кода иммобилайзера) OK или NG

      ОК: нормальный результат верификации

      NG: ненормальный результат верификации

      Когда отображается NG:


      • Идентификационный код для ЭБУ сертификации (ЭБУ электронного ключа зажигания) или блока идентификационного кода (ЭБУ кода иммобилайзера) не зарегистрирован, либо ЭБУ сертификации (ЭБУ электронного ключа зажигания) или блок идентификационного кода (ЭБУ кода иммобилайзера) неисправен.

      • Рулевое управление не блокируется.

      • Рулевое управление не разблокируется (невозможно запустить двигатель).


      Body Electrical > Entry&Start > Data List
      Информация на дисплее прибора
      S Code Check
      OK
      На экране GTS отображается ОК.

      Tech Tips

      Причины сбоя верификации:


      • Неисправен ЭБУ сертификации (ЭБУ электронного ключа зажигания в сборе) или блок идентификационного кода (ЭБУ кода иммобилайзера).

      • Нарушение связи между ЭБУ.

      • ЭБУ был заменен, но не был зарегистрирован.

      • ЭБУ заменен блоком, в котором уже сохранен код.

      Результат
      Следующий шаг
      OK
      NG

    NG
    OK
  8. СНИМИТЕ ПОКАЗАНИЯ GTS (L CODE CHECK)


    1. Проверьте в режиме Data List, что сертификация кода L работает надлежащим образом.


      Body Electrical > Entry&Start > Data List
      Информация на дисплее прибора Измеряемая величина Диапазон Нормальное состояние Замечание по диагностике
      L Code Check Результат проверки подлинности между блоком идентификационного кода (ЭБУ кода иммобилайзера) и ЭБУ блокировки рулевого управления (привод блокировки рулевого управления в сборе) OK или NG

      ОК: нормальный результат верификации

      NG: ненормальный результат верификации

      Когда отображается NG:


      • Идентификационный код для блока идентификационного кода (ЭБУ кода иммобилайзера) или ЭБУ блокировки рулевого управления (привода блокировки рулевого управления в сборе) не зарегистрирован, либо ЭБУ сертификации (ЭБУ электронного ключа зажигания в сборе) или ЭБУ блокировки рулевого управления (привод блокировки рулевого управления в сборе) неисправен.

      • Рулевое управление не блокируется.

      • Рулевое управление не разблокируется (невозможно запустить двигатель).


      Body Electrical > Entry&Start > Data List
      Информация на дисплее прибора
      L Code Check
      OK
      На экране GTS отображается ОК.

      Tech Tips

      Причины сбоя верификации:


      • ЭБУ блокировки рулевого управления (привод блокировки рулевого управления в сборе) или блок идентификационного кода (ЭБУ кода иммобилайзера) неисправен.

      • Нарушение связи между ЭБУ.

      • ЭБУ был заменен, но не был зарегистрирован.

      • ЭБУ заменен блоком, в котором уже сохранен код.

      Результат
      Следующий шаг
      OK
      NG

    NG
    OK
  9. ЗАМЕНИТЕ ЭБУ БЛОКИРОВКИ РУЛЕВОГО УПРАВЛЕНИЯ (ПРИВОД БЛОКИРОВКИ РУЛЕВОГО УПРАВЛЕНИЯ В СБОРЕ)


    1. Замените ЭБУ блокировки рулевого управления в сборе (привод блокировки рулевого управления) новым.

      Нажмите здесь Click here

    2. Выполните процедуры регистрации (см. бюллетень технического обслуживания).

    3. Включите зажигание (IG).

    4. Поверните рулевое колесо, чтобы проверить состояние рулевой колонки.

      OK
      Рулевое управление разблокировано.
      Результат
      Следующий шаг
      OK
      NG

    OK
    NG
  10. ЗАМЕНИТЕ ЭБУ СЕРТИФИКАЦИИ (ЭБУ ЭЛЕКТРОННОГО КЛЮЧА ЗАЖИГАНИЯ В СБОРЕ)


    1. Замените ЭБУ сертификации (ЭБУ электронного ключа зажигания в сборе) новым блоком (см. бюллетень технического обслуживания).

    2. Выполните процедуры регистрации (см. бюллетень технического обслуживания).

    3. Используя режим Data List, снова убедитесь, что сертификация кода S работает надлежащим образом.


      Body Electrical > Entry&Start > Data List
      Информация на дисплее прибора Измеряемая величина Диапазон Нормальное состояние Замечание по диагностике
      S Code Check Результат проверки подлинности между ЭБУ сертификации (ЭБУ электронного ключа зажигания в сборе) и блоком идентификационного кода (ЭБУ кода иммобилайзера) OK или NG

      ОК: нормальный результат верификации

      NG: ненормальный результат верификации

      Когда отображается NG:


      • Идентификационный код для ЭБУ сертификации (ЭБУ электронного ключа зажигания) или блока идентификационного кода (ЭБУ кода иммобилайзера) не зарегистрирован, либо ЭБУ сертификации (ЭБУ электронного ключа зажигания) или блок идентификационного кода (ЭБУ кода иммобилайзера) неисправен.

      • Рулевое управление не блокируется.

      • Рулевое управление не разблокируется (невозможно запустить двигатель).


      Body Electrical > Entry&Start > Data List
      Информация на дисплее прибора
      S Code Check
      OK
      На экране GTS отображается ОК.
      Результат
      Следующий шаг
      OK
      NG

    OK
    NG
  11. ЗАМЕНИТЕ ЭБУ БЛОКИРОВКИ РУЛЕВОГО УПРАВЛЕНИЯ (ПРИВОД БЛОКИРОВКИ РУЛЕВОГО УПРАВЛЕНИЯ В СБОРЕ)


    1. Замените ЭБУ блокировки рулевого управления в сборе (привод блокировки рулевого управления) новым.

      Нажмите здесь Click here

    2. Выполните процедуры регистрации (см. бюллетень технического обслуживания).

    3. Используя режим Data List, снова убедитесь, что сертификация кода L работает надлежащим образом.


      Body Electrical > Entry&Start > Data List
      Информация на дисплее прибора Измеряемая величина Диапазон Нормальное состояние Замечание по диагностике
      L Code Check Результат проверки подлинности между блоком идентификационного кода (ЭБУ кода иммобилайзера) и ЭБУ блокировки рулевого управления (привод блокировки рулевого управления в сборе) OK или NG

      ОК: нормальный результат верификации

      NG: ненормальный результат верификации

      Когда отображается NG:


      • Идентификационный код для блока идентификационного кода (ЭБУ кода иммобилайзера) или ЭБУ блокировки рулевого управления (привода блокировки рулевого управления в сборе) не зарегистрирован, либо ЭБУ сертификации (ЭБУ электронного ключа зажигания в сборе) или ЭБУ блокировки рулевого управления (привод блокировки рулевого управления в сборе) неисправен.

      • Рулевое управление не блокируется.

      • Рулевое управление не разблокируется (невозможно запустить двигатель).


      Body Electrical > Entry&Start > Data List
      Информация на дисплее прибора
      L Code Check
      OK
      На экране GTS отображается ОК.
      Результат
      Следующий шаг
      OK
      NG

    OK
    NG
  12. СНИМИТЕ ПОКАЗАНИЯ GTS (L CODE CHECK)


    1. Проверьте в режиме Data List, что сертификация кода L работает надлежащим образом.


      Body Electrical > Entry&Start > Data List
      Информация на дисплее прибора Измеряемая величина Диапазон Нормальное состояние Замечание по диагностике
      L Code Check Результат проверки подлинности между ЭБУ сертификации (ЭБУ электронного ключа зажигания) и ЭБУ блокировки рулевого управления (привод блокировки рулевого управления в сборе) OK или NG

      ОК: нормальный результат верификации

      NG: ненормальный результат верификации

      Когда отображается NG:


      • Идентификационный код для ЭБУ сертификации (ЭБУ электронного ключа зажигания в сборе) или ЭБУ блокировки рулевого управления (привода блокировки рулевого управления в сборе) не зарегистрирован, либо ЭБУ сертификации (ЭБУ электронного ключа зажигания в сборе) или ЭБУ блокировки рулевого управления (привод блокировки рулевого управления в сборе) неисправен.

      • Рулевое управление не блокируется.

      • Рулевое управление не разблокируется (невозможно запустить двигатель).


      Body Electrical > Entry&Start > Data List
      Информация на дисплее прибора
      L Code Check
      OK
      На экране GTS отображается ОК.

      Tech Tips

      Причины сбоя верификации:


      • Неисправен ЭБУ блокировки рулевого управления или ЭБУ сертификации (ЭБУ электронного ключа зажигания в сборе)

      • Нарушение связи между ЭБУ.

      • ЭБУ был заменен, но не был зарегистрирован.

      • ЭБУ заменен блоком, в котором уже сохранен код.

      Результат
      Следующий шаг
      OK
      NG

    NG
    OK
  13. ЗАМЕНИТЕ ЭБУ БЛОКИРОВКИ РУЛЕВОГО УПРАВЛЕНИЯ (ПРИВОД БЛОКИРОВКИ РУЛЕВОГО УПРАВЛЕНИЯ В СБОРЕ)


    1. Замените ЭБУ блокировки рулевого управления в сборе (привод блокировки рулевого управления) новым.

      Нажмите здесь Click here

    2. Выполните регистрацию (см. бюллетень технического обслуживания).

    3. Включите зажигание (IG).

    4. Поверните рулевое колесо, чтобы проверить состояние рулевой колонки.

      OK
      Рулевое управление разблокировано.
      Результат
      Перейти к
      OK
      NG

    OK
    NG
  14. ЗАМЕНИТЕ ЭБУ СЕРТИФИКАЦИИ (ЭБУ ЭЛЕКТРОННОГО КЛЮЧА ЗАЖИГАНИЯ В СБОРЕ)


    1. Замените ЭБУ сертификации (ЭБУ электронного ключа зажигания в сборе) новым блоком (см. бюллетень технического обслуживания).

    2. Выполните регистрацию (см. бюллетень технического обслуживания).

    3. Используя режим Data List, снова убедитесь, что сертификация кода L работает надлежащим образом.


      Body Electrical > Entry&Start > Data List
      Информация на дисплее прибора Измеряемая величина Диапазон Нормальное состояние Замечание по диагностике
      L Code Check Результат проверки подлинности между ЭБУ сертификации (ЭБУ электронного ключа зажигания) и ЭБУ блокировки рулевого управления (привод блокировки рулевого управления в сборе) OK или NG

      ОК: нормальный результат верификации

      NG: ненормальный результат верификации

      Когда отображается NG:


      • Идентификационный код для ЭБУ сертификации (ЭБУ электронного ключа зажигания в сборе) или ЭБУ блокировки рулевого управления (привода блокировки рулевого управления в сборе) не зарегистрирован, либо ЭБУ сертификации (ЭБУ электронного ключа зажигания в сборе) или ЭБУ блокировки рулевого управления (привод блокировки рулевого управления в сборе) неисправен.

      • Рулевое управление не блокируется.

      • Рулевое управление не разблокируется (невозможно запустить двигатель).


      Body Electrical > Entry&Start > Data List
      Информация на дисплее прибора
      L Code Check
      OK
      На экране GTS отображается ОК.
      Результат
      Перейти к
      OK
      NG

    OK
    NG