СИСТЕМА БЛОКИРОВКИ РУЛЕВОГО УПРАВЛЕНИЯ, Diagnostic DTC:B2788

Код DTC Наименование DTC
B2788 Неисправность в цепи сигнала IG2

ОПИСАНИЕ

Данный DTC сохраняется, когда ЭБУ блокировки рулевого управления обнаруживает неисправность в цепи питания IG2.

Tech Tips

ЭБУ блокировки рулевого управления не подключен к системе передачи данных CAN. Однако ЭБУ блокировки рулевого управления соединен с ЭБУ сертификации (ЭБУ электронного ключа зажигания в сборе) по шине LIN и обменивается данными с другими узлами по шине CAN через ЭБУ сертификации (ЭБУ электронного ключа зажигания в сборе).

№ DTC Неисправность Условие обнаружения DTC Неисправный участок DTC выводится
B2788 Неисправность в цепи сигнала IG2 Несоответствие входных сигналов IG2 в ЭБУ блокировки рулевого управления, получаемых по шине LIN и по прямому соединению (логика диагностирования за 1 поездку*).
  • Предохранитель IGN

  • ЭБУ блокировки рулевого управления (привод блокировки рулевого управления)

  • Жгут или разъем

Операция подтверждения не требуется (контроль производится непрерывно).

Состояние автомобиля и аварийный режим при обнаружении неисправности
Состояние автомобиля при обнаружении неисправности Аварийный режим при обнаружении неисправности
Невозможна блокировка или разблокировка рулевого управления. Поэтому двигатель не запускается. -
Связанные параметры режимов Data List и Active Test
№ DTC Параметр Data List Параметр Active Test
B2788 - -

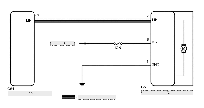
СХЕМА ЭЛЕКТРИЧЕСКИХ СОЕДИНЕНИЙ

A01QTUAE18
*a От реле IG2
*b ЭБУ сертификации (ЭБУ электронного ключа зажигания в сборе)
*c ЭБУ блокировки рулевого управления (привод блокировки рулевого управления в сборе)
*d Линия передачи данных LIN

ПРЕДОСТЕРЕЖЕНИЕ / ПРИМЕЧАНИЕ / УКАЗАНИЕ

Note


  • При использовании GTS для диагностики с выключенным зажиганием:

    Подключите GTS к DLC3 и с 1,5-секундным интервалом включайте и выключайте освещение дверного проема до тех пор, пока не установится связь между GTS и автомобилем.

  • Система блокировки рулевого управления использует для передачи данных шину LIN. Прежде чем приступать к диагностике, проверьте работу системы передачи данных в соответствии с указаниями раздела "Порядок поиска неисправностей" и убедитесь, что эта система исправна.

    Нажмите здесь Click here

  • Перед выполнением следующей процедуры проверки проверьте предохранители цепей, относящихся к данной системе.

  • После ремонта убедитесь, что коды DTC не выводятся снова.

    Нажмите здесь Click here

  • При замене ЭБУ блокировки рулевого управления (привода блокировки рулевого управления в сборе) необходимо выполнить регистрацию (см. бюллетень технического обслуживания).

ПОРЯДОК ВЫПОЛНЕНИЯ


  1. ПРОВЕРЬТЕ ЭБУ БЛОКИРОВКИ РУЛЕВОГО УПРАВЛЕНИЯ (СИГНАЛ РЕЖИМА ИСТОЧНИКА ПИТАНИЯ)


    1. Проверьте, не ослаблены ли фиксирующая и соединительная части разъема.

    2. Отсоедините разъем G5 ЭБУ блокировки рулевого управления.

    3. Измерьте сопротивление в соответствии со значениями, приведенными в таблице ниже.

      Номинальное сопротивление
      Подключение диагностического прибора Условие Заданные условия
      G5-1 (GND) - масса Всегда Менее 1 Ом
    4. Подсоедините разъем G5 ЭБУ блокировки рулевого управления.

    5. A01QSENC12
      *a

      Устройство с подсоединенным жгутом проводов

      (ЭБУ блокировки рулевого управления (привод блокировки рулевого управления в сборе))

      Измерьте напряжение в соответствии со значениями, приведенными в таблице.

      Номинальное напряжение
      Подключение диагностического прибора Положение переключателя Заданные условия
      G5-6 (IG2) - G5-1 (GND) Зажигание включено (IG) 11 - 14 В
      G5-6 (IG2) - G5-1 (GND) Зажигание выключено Менее 1 В
      Результат
      Перейти к
      OK
      NG

    OK
    NG