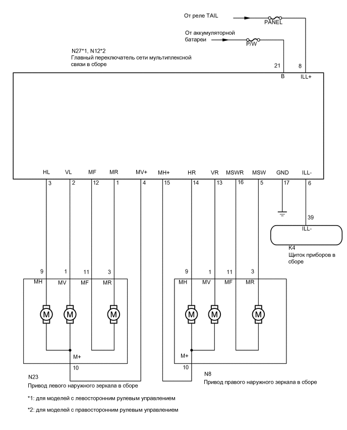
СИСТЕМА ЗЕРКАЛ С ЭЛЕКТРОПРИВОДОМ (для моделей без механизма автоматического отвода зеркал) СХЕМА СИСТЕМЫ


  1. ФУНКЦИЯ ДИСТАНЦИОННОГО УПРАВЛЕНИЯ ЭЛЕКТРОПРИВОДОМ ЗЕРКАЛА

    A01MU4DE02
  2. ФУНКЦИЯ ОБОГРЕВА ЗЕРКАЛ

    A01MY7SE07
    Таблица обмена данными
    Передатчик Приемник Сигнал Метод передачи данных
    Блок управления системой кондиционирования в сборе Блок управления системой кондиционирования в сборе Сигнал выключателя обогревателей зеркал (выключателя обогревателя заднего стекла) LIN