СИСТЕМА ПОДУШЕК БЕЗОПАСНОСТИ, Diagnostic DTC:B1985/92, B1986/92, B1987/92, B1988/92

Код DTC Наименование DTC
B1985/92 Короткое замыкание в цепи левого пиропатрона активного капота
B1986/92 Обрыв в цепи левого пиропатрона активного капота
B1987/92 Короткое замыкание на GND в цепи левого пиропатрона активного капота
B1988/92 Короткое замыкание на В+ в цепи левого пиропатрона активного капота

ОПИСАНИЕ

Цепь левого пиропатрона активного капота включает в себя центральный блок управления системы SRS и левый подъемник активного капота в сборе.

Данная цепь используется центральным блоком управления системы SRS для активации активного капота при выполнении условий активации.

Данные коды DTC регистрируются при обнаружении неисправности в цепи левого пиропатрона активного капота.

№ DTC Неисправность Условие обнаружения DTC Неисправный участок Режим диагностики / режим проверки
B1985/92 Короткое замыкание в цепи левого пиропатрона активного капота
  • Центральный блок управления системы SRS обнаруживает сигнал короткого замыкания в цепи левого пиропатрона активного капота в ходе выполнения первичной проверки.

  • Неисправность левого пиропатрона активного капота

  • Неисправность блока управления системы SRS


  • Напольный провод № 2

  • Основной жгут проводов моторного отсека

  • Левый пиропатрон активного капота (левый подъемник активного капота в сборе)

  • Блок управления системы SRS

Относится к режиму проверки
B1986/92 Обрыв в цепи левого пиропатрона активного капота
  • Центральный блок управления системы SRS обнаруживает сигнал обрыва в цепи левого пиропатрона активного капота.

  • Неисправность левого пиропатрона активного капота

  • Неисправность блока управления системы SRS


  • Напольный провод № 2

  • Основной жгут проводов моторного отсека

  • Левый пиропатрон активного капота (левый подъемник активного капота в сборе)

  • Блок управления системы SRS

Относится к режиму проверки
B1987/92 Короткое замыкание на GND в цепи левого пиропатрона активного капота
  • Центральный блок управления системы SRS обнаруживает сигнал короткого замыкания на массу в цепи левого пиропатрона активного капота.

  • Неисправность левого пиропатрона активного капота

  • Неисправность блока управления системы SRS


  • Напольный провод № 2

  • Основной жгут проводов моторного отсека

  • Левый пиропатрон активного капота (левый подъемник активного капота в сборе)

  • Блок управления системы SRS

Относится к режиму проверки
B1988/92 Короткое замыкание на В+ в цепи левого пиропатрона активного капота
  • Центральный блок управления системы SRS обнаруживает сигнал короткого замыкания на В+ в цепи левого пиропатрона активного капота.

  • Неисправность левого пиропатрона активного капота

  • Неисправность блока управления системы SRS


  • Напольный провод № 2

  • Основной жгут проводов моторного отсека

  • Левый пиропатрон активного капота (левый подъемник активного капота в сборе)

  • Блок управления системы SRS

Относится к режиму проверки

СХЕМА ЭЛЕКТРИЧЕСКИХ СОЕДИНЕНИЙ

A01MYM8E04

ПРЕДОСТЕРЕЖЕНИЕ / ПРИМЕЧАНИЕ / УКАЗАНИЕ

Note

После выключения зажигания следует подождать некоторое время, прежде чем отсоединять провод от отрицательного (-) вывода аккумуляторной батареи. Поэтому, прежде чем приступать к этой работе, обязательно ознакомьтесь с примечанием относительно отсоединения провода от отрицательного (-) вывода аккумуляторной батареи.

Нажмите здесь Click here

Tech Tips


  • Выполните проверку с имитацией условий возникновения неисправности, выбрав на GTS режим проверки (Signal Check).

    Нажмите здесь Click here

  • Выбрав режим проверки (Signal Check), выполните проверку с имитацией условий возникновения неисправности, пошевелив каждый разъем системы подушек безопасности или совершив поездку по городским дорогам или дорогам без покрытия

    Нажмите здесь Click here

ПОРЯДОК ВЫПОЛНЕНИЯ


  1. ПРОВЕРЬТЕ РАЗЪЕМЫ


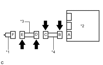
    1. A01MVNUC01
      *1 Левый подъемник активного капота в сборе
      *2 Блок управления системы SRS
      *3 Главный жгут проводов моторного отсека
      *4 Напольный провод № 2

      Выключите зажигание.

    2. Отсоедините провод от отрицательного (-) вывода аккумуляторной батареи.

      CAUTION:

      После отсоединения провода от отрицательного (-) вывода аккумуляторной батареи подождите не менее 90 с, чтобы предотвратить срабатывание системы SRS.

    3. Проверьте правильность подсоединения разъемов к левому подъемнику активного капота в сборе и центральному блоку управления системы SRS. Кроме того, убедитесь в надежности подключения разъемов, соединяющих напольный провод № 2 и основной жгут проводов моторного отсека.

      OK
      Разъемы подсоединены должным образом.

      Tech Tips

      Если разъемы подсоединены ненадежно, подсоедините их и перейдите к следующей проверке.

    4. Отсоедините разъемы от левого подъемника активного капота в сборе и центрального блока управления системы SRS. Кроме того, отсоедините напольный провод № 2 от основного жгута проводов моторного отсека.

    5. Убедитесь, что контакты разъемов не повреждены.

      OK
      Контакты не деформированы и не повреждены.
    6. Убедитесь, что короткие пружины для напольного провода № 2 и основного жгута проводов моторного отсека с механизмом предотвращения срабатывания не деформированы и не повреждены.

      OK
      Короткие пружины не деформированы и не повреждены.
      Результат
      Следующий шаг
      OK
      NG

    NG
    OK
  2. ПРОВЕРЬТЕ ЛЕВЫЙ ПОДЪЕМНИК АКТИВНОГО КАПОТА В СБОРЕ


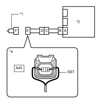
    1. A01MVGEC01
      *1 Левый подъемник активного капота в сборе
      *2 Блок управления системы SRS
      *a

      Вид спереди разъема со стороны жгута проводов:

      (к левому подъемнику активного капота в сборе)

      Подсоедините напольный провод № 2 к основному жгуту проводов моторного отсека и к центральному блоку управления системы SRS.

    2. Подсоедините SST (сопротивление 2,1 Ом) к разъему Е.

      CAUTION:

      Никогда не подключайте для измерения диагностический прибор к левому подъемнику активного капота в сборе, так как это может привести к серьезной травме вследствие срабатывания активного капота.

      Note


      • При подсоединении не следует вставлять SST в контакты разъема с усилием.

      • Вставляйте SST в контакты разъема по прямой.

      SST
      09843-18061
    3. Подсоедините провод к отрицательному (-) выводу аккумуляторной батареи.

    4. Удалите коды DTC, сохраненные в памяти.

      Нажмите здесь Click here


      Body Electrical > SRS Airbag > Clear DTCs
    5. Выключите зажигание.

    6. Включите зажигание (IG) и подождите не менее 60 с.

    7. Проверьте наличие кодов DTC.

      Нажмите здесь Click here


      Body Electrical > SRS Airbag > Trouble Codes
      OK
      Код DTC B1985/92, B1986/92, B1987/92 или B1988/92 не выводится.

      Tech Tips

      На этом этапе могут выводиться коды, отличные от кодов DTC B1985/92, B1986/92, B1987/92 и B1988/92, однако они не связаны с данной проверкой.

    8. Выключите зажигание.

    9. Отсоедините провод от отрицательного (-) вывода аккумуляторной батареи.

      CAUTION:

      После отсоединения провода от отрицательного (-) вывода аккумуляторной батареи подождите не менее 90 с, чтобы предотвратить срабатывание системы SRS.

    10. Отсоедините SST от разъема Е.

      Результат
      Следующий шаг
      OK
      NG

    OK
    NG
  3. ПРОВЕРЬТЕ ЖГУТ ПРОВОДОВ


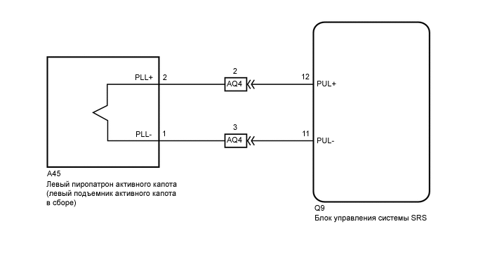
    1. A01MVG0C02
      *1 Левый подъемник активного капота в сборе
      *2 Блок управления системы SRS
      *a

      Вид спереди разъема со стороны жгута проводов:

      (к левому подъемнику активного капота в сборе)

      Отсоедините напольный провод № 2 от центрального блока управления системы SRS.

    2. Проверьте, нет ли в цепи короткого замыкания на B+.


      1. Подсоедините провод к отрицательному (-) выводу аккумуляторной батареи.

      2. Включите зажигание (IG).

      3. Измерьте напряжение в соответствии со значениями, приведенными в таблице.

        Номинальное напряжение
        Подключение диагностического прибора Условие Заданные условия
        A45-2 (PLL+) - масса Зажигание включено (IG) Менее 1 В
        A45-1 (PLL-) - масса Зажигание включено (IG) Менее 1 В
      4. Выключите зажигание.

      5. Отсоедините провод от отрицательного (-) вывода аккумуляторной батареи.

        CAUTION:

        После отсоединения провода от отрицательного (-) вывода аккумуляторной батареи подождите не менее 90 с, чтобы предотвратить срабатывание системы SRS.

    3. Проверьте, нет ли в цепи обрыва.


      1. Измерьте сопротивление в соответствии со значениями, приведенными в таблице ниже.

        Номинальное сопротивление
        Подключение диагностического прибора Условие Заданные условия
        A45-2 (PLL+) - A45-1 (PLL-) Всегда Менее 1 Ом
    4. Проверьте, нет ли в цепи короткого замыкания на массу.


      1. Измерьте сопротивление в соответствии со значениями, приведенными в таблице ниже.

        Номинальное сопротивление
        Подключение диагностического прибора Условие Заданные условия
        A45-2 (PLL+) - масса Всегда 1 МОм или более
        A45-1 (PLL-) - масса Всегда 1 МОм или более
    5. Проверьте, нет ли в цепи короткого замыкания.


      1. Разомкните механизм предотвращения срабатывания, встроенный в разъем B.

        Нажмите здесь Click here

      2. Измерьте сопротивление в соответствии со значениями, приведенными в таблице ниже.

        Номинальное сопротивление
        Подключение диагностического прибора Условие Заданные условия
        A45-2 (PLL+) - A45-1 (PLL-) Всегда 1 МОм или более
      3. Верните механизм предотвращения срабатывания разъема B в исходное состояние.

      Результат
      Следующий шаг
      OK
      NG

    NG
    OK
  4. ПРОВЕРЬТЕ DTC


    1. A01MY1QC03
      *1 Левый подъемник активного капота в сборе
      *2 Блок управления системы SRS

      Подсоедините разъемы к левому подъемнику активного капота в сборе и центральному блоку управления системы SRS.

    2. Подсоедините провод к отрицательному (-) выводу аккумуляторной батареи.

    3. Удалите коды DTC, сохраненные в памяти.

      Нажмите здесь Click here


      Body Electrical > SRS Airbag > Clear DTCs
    4. Выключите зажигание.

    5. Включите зажигание (IG) и подождите не менее 60 с.

    6. Проверьте наличие кодов DTC.

      Нажмите здесь Click here


      Body Electrical > SRS Airbag > Trouble Codes
      OK
      Код DTC B1985/92, B1986/92, B1987/92 или B1988/92 не выводится.

      Tech Tips

      На этом этапе могут выводиться коды, отличные от кодов DTC B1985/92, B1986/92, B1987/92 и B1988/92, однако они не связаны с данной проверкой.

      Результат
      Перейти к
      OK
      NG

    OK
    NG
  5. ПРОВЕРЬТЕ НАПОЛЬНЫЙ ПРОВОД № 2


    1. A01MVY6C02
      *1 Левый подъемник активного капота в сборе
      *2 Блок управления системы SRS
      *3 Главный жгут проводов моторного отсека
      *4 Напольный провод № 2
      *a

      Вид спереди разъема со стороны жгута проводов:

      (к главному кабелю моторного отсека)

      Отсоедините основной жгут проводов моторного отсека от напольного провода № 2.

    2. Проверьте, нет ли в цепи короткого замыкания на B+.


      1. Подсоедините провод к отрицательному (-) выводу аккумуляторной батареи.

      2. Включите зажигание (IG).

      3. Измерьте напряжение в соответствии со значениями, приведенными в таблице.

        Номинальное напряжение
        Подключение диагностического прибора Условие Заданные условия
        AQ4-2 (PUL+) - масса Зажигание включено (IG) Менее 1 В
        AQ4-3 (PUL-) - масса Зажигание включено (IG) Менее 1 В
      4. Выключите зажигание.

      5. Отсоедините провод от отрицательного (-) вывода аккумуляторной батареи.

        CAUTION:

        После отсоединения провода от отрицательного (-) вывода аккумуляторной батареи подождите не менее 90 с, чтобы предотвратить срабатывание системы SRS.

    3. Проверьте, нет ли в цепи обрыва.


      1. Измерьте сопротивление в соответствии со значениями, приведенными в таблице ниже.

        Номинальное сопротивление
        Подключение диагностического прибора Условие Заданные условия
        AQ4-2 (PUL+) - AQ4-3 (PUL-) Всегда Менее 1 Ом
    4. Проверьте, нет ли в цепи короткого замыкания на массу.


      1. Измерьте сопротивление в соответствии со значениями, приведенными в таблице ниже.

        Номинальное сопротивление
        Подключение диагностического прибора Условие Заданные условия
        AQ4-2 (PUL+) - масса Всегда 1 МОм или более
        AQ4-3 (PUL-) - масса Всегда 1 МОм или более
    5. Проверьте, нет ли в цепи короткого замыкания.


      1. Разомкните механизм предотвращения срабатывания, встроенный в разъем B.

        Нажмите здесь Click here

      2. Измерьте сопротивление в соответствии со значениями, приведенными в таблице ниже.

        Номинальное сопротивление
        Подключение диагностического прибора Условие Заданные условия
        AQ4-2 (PUL+) - AQ4-3 (PUL-) Всегда 1 МОм или более
      3. Верните механизм предотвращения срабатывания разъема B в исходное состояние.

      Результат
      Перейти к
      OK
      NG

    NG
    OK
  6. ПРОВЕРЬТЕ ГЛАВНЫЙ КАБЕЛЬ МОТОРНОГО ОТСЕКА


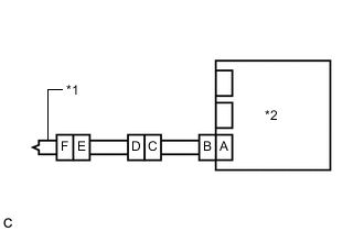
    1. A01MXVKC02
      *1 Левый подъемник активного капота в сборе
      *2 Блок управления системы SRS
      *3 Главный жгут проводов моторного отсека
      *4 Напольный провод № 2
      *a

      Вид спереди разъема со стороны жгута проводов:

      (к левому подъемнику активного капота в сборе)

      Проверьте, нет ли в цепи короткого замыкания на B+.


      1. Подсоедините провод к отрицательному (-) выводу аккумуляторной батареи.

      2. Включите зажигание (IG).

      3. Измерьте напряжение в соответствии со значениями, приведенными в таблице.

        Номинальное напряжение
        Подключение диагностического прибора Условие Заданные условия
        A45-2 (PLL+) - масса Зажигание включено (IG) Менее 1 В
        A45-1 (PLL-) - масса Зажигание включено (IG) Менее 1 В
      4. Выключите зажигание.

      5. Отсоедините провод от отрицательного (-) вывода аккумуляторной батареи.

        CAUTION:

        После отсоединения провода от отрицательного (-) вывода аккумуляторной батареи подождите не менее 90 с, чтобы предотвратить срабатывание системы SRS.

    2. Проверьте, нет ли в цепи обрыва.


      1. Измерьте сопротивление в соответствии со значениями, приведенными в таблице ниже.

        Номинальное сопротивление
        Подключение диагностического прибора Условие Заданные условия
        A45-2 (PLL+) - A45-1 (PLL-) Всегда Менее 1 Ом
    3. Проверьте, нет ли в цепи короткого замыкания на массу.


      1. Измерьте сопротивление в соответствии со значениями, приведенными в таблице ниже.

        Номинальное сопротивление
        Подключение диагностического прибора Условие Заданные условия
        A45-2 (PLL+) - масса Всегда 1 МОм или более
        A45-1 (PLL-) - масса Всегда 1 МОм или более
    4. Проверьте, нет ли в цепи короткого замыкания.


      1. Разомкните механизм предотвращения срабатывания, встроенный в разъем D.

        Нажмите здесь Click here

      2. Измерьте сопротивление в соответствии со значениями, приведенными в таблице ниже.

        Номинальное сопротивление
        Подключение диагностического прибора Условие Заданные условия
        A45-2 (PLL+) - A45-1 (PLL-) Всегда 1 МОм или более
      3. Верните механизм предотвращения срабатывания разъема D в исходное состояние.

      Результат
      Следующий шаг
      OK
      NG

    OK
    NG