СИСТЕМА ПОДУШЕК БЕЗОПАСНОСТИ, Diagnostic DTC:B1815/54, B1816/54, B1817/54, B1818/54

Код DTC Наименование DTC
B1815/54 Короткое замыкание в цепи пиропатрона 2-ой ступени со стороны переднего пассажира
B1816/54 Обрыв в цепи пиропатрона 2-ой ступени со стороны переднего пассажира
B1817/54 Короткое замыкание на GND в цепи пиропатрона 2-ой ступени со стороны переднего пассажира
B1818/54 Короткое замыкание на B+ в цепи пиропатрона 2-ой ступени со стороны переднего пассажира

ОПИСАНИЕ

Цепь пиропатрона 2-й ступени со стороны переднего пассажира включает центральный блок управления системы SRS и переднюю подушку безопасности пассажира.

Центральный блок управления системы SRS использует эту цепь для развертывания подушки безопасности, когда выполняются условия развертывания.

Данные коды DTC регистрируются при обнаружении неисправности в цепи пиропатрона 2-ой ступени со стороны переднего пассажира.

№ DTC Неисправность Условие обнаружения DTC Неисправный участок Режим диагностики / режим проверки
B1815/54 Короткое замыкание в цепи пиропатрона 2-ой ступени со стороны переднего пассажира
  • Центральный блок управления системы SRS обнаруживает сигнал короткого замыкания в цепи пиропатрона 2-ой ступени со стороны переднего пассажира в ходе выполнения первичной проверки.

  • Неисправность пиропатрона 2-ой ступени со стороны переднего пассажира

  • Неисправность блока управления системы SRS


  • Жгут проводов панели приборов

  • Жгут проводов панели приборов № 2

  • Пиропатрон 2-ой ступени со стороны переднего пассажира (передняя подушка безопасности пассажира в сборе)

  • Блок управления системы SRS

Относится к режиму проверки
B1816/54 Обрыв в цепи пиропатрона 2-ой ступени со стороны переднего пассажира
  • Центральный блок управления системы SRS обнаруживает сигнал обрыва в цепи пиропатрона 2-ой ступени со стороны переднего пассажира.

  • Неисправность пиропатрона 2-ой ступени со стороны переднего пассажира

  • Неисправность блока управления системы SRS


  • Жгут проводов панели приборов

  • Жгут проводов панели приборов № 2

  • Пиропатрон 2-ой ступени со стороны переднего пассажира (передняя подушка безопасности пассажира в сборе)

  • Блок управления системы SRS

Относится к режиму проверки
B1817/54 Короткое замыкание на GND в цепи пиропатрона 2-ой ступени со стороны переднего пассажира
  • Центральный блок управления системы SRS обнаруживает сигнал короткого замыкания на массу в цепи пиропатрона 2-ой ступени со стороны переднего пассажира.

  • Неисправность пиропатрона 2-ой ступени со стороны переднего пассажира

  • Неисправность блока управления системы SRS


  • Жгут проводов панели приборов

  • Жгут проводов панели приборов № 2

  • Пиропатрон 2-ой ступени со стороны переднего пассажира (передняя подушка безопасности пассажира в сборе)

  • Блок управления системы SRS

Относится к режиму проверки
B1818/54 Короткое замыкание на B+ в цепи пиропатрона 2-ой ступени со стороны переднего пассажира
  • Центральный блок управления системы SRS обнаруживает сигнал короткого замыкания на В+ в цепи пиропатрона 2-ой ступени со стороны переднего пассажира.

  • Неисправность пиропатрона 2-ой ступени со стороны переднего пассажира

  • Неисправность блока управления системы SRS


  • Жгут проводов панели приборов

  • Жгут проводов панели приборов № 2

  • Пиропатрон 2-ой ступени со стороны переднего пассажира (передняя подушка безопасности пассажира в сборе)

  • Блок управления системы SRS

Относится к режиму проверки

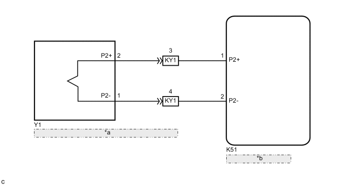
СХЕМА ЭЛЕКТРИЧЕСКИХ СОЕДИНЕНИЙ

A01MX2BE49
*a Пиропатрон 2-ой ступени со стороны переднего пассажира (передняя подушка безопасности пассажира в сборе)
*b Блок управления системы SRS

ПРЕДОСТЕРЕЖЕНИЕ / ПРИМЕЧАНИЕ / УКАЗАНИЕ

Note

После выключения зажигания следует подождать некоторое время, прежде чем отсоединять провод от отрицательного (-) вывода аккумуляторной батареи. Поэтому, прежде чем приступать к этой работе, обязательно ознакомьтесь с примечанием относительно отсоединения провода от отрицательного (-) вывода аккумуляторной батареи.

Нажмите здесь Click here

Tech Tips


  • Выполните проверку с имитацией условий возникновения неисправности, выбрав на GTS режим проверки (Signal Check).

    Нажмите здесь Click here

  • Выбрав режим проверки (Signal Check), выполните проверку с имитацией условий возникновения неисправности, пошевелив каждый разъем системы подушек безопасности или совершив поездку по городским дорогам или дорогам без покрытия

    Нажмите здесь Click here

ПОРЯДОК ВЫПОЛНЕНИЯ


  1. ПРОВЕРЬТЕ РАЗЪЕМЫ


    1. A01MV71C01
      *1 Фронтальная подушка безопасности переднего пассажира в сборе
      *2 Блок управления системы SRS
      *3 Жгут проводов панели приборов № 2
      *4 Жгут проводов панели приборов

      Выключите зажигание.

    2. Отсоедините провод от отрицательного (-) вывода аккумуляторной батареи.

      CAUTION:

      После отсоединения провода от отрицательного (-) вывода аккумуляторной батареи подождите не менее 90 с, чтобы предотвратить срабатывание системы SRS.

    3. Проверьте правильность подключения разъемов к передней подушке безопасности пассажира и центральному блоку управления системы SRS. Кроме того, убедитесь в надежности подключения разъемов, соединяющих жгут проводов панели приборов и жгут проводов панели приборов № 2.

      OK
      Разъемы подсоединены должным образом.

      Tech Tips

      Если разъемы подсоединены ненадежно, подсоедините их и перейдите к следующей проверке.

    4. Отсоедините разъемы от передней подушки безопасности пассажира и центрального блока управления системы SRS. Также отсоедините жгут проводов панели приборов от жгута проводов панели приборов № 2.

    5. Убедитесь, что контакты разъемов не повреждены.

      OK
      Контакты не деформированы и не повреждены.
    6. Убедитесь, что разъем жгута проводов панели приборов № 2 (со стороны передней подушки безопасности пассажира) не поврежден.

      OK
      Кнопка блокировки разъема не освобождена либо защелка замка не деформирована и не повреждена.
    7. Убедитесь, что короткие пружины для жгута проводов панели приборов и жгута проводов панели приборов № 2 с механизмом предотвращения срабатывания не деформированы и не повреждены.

      OK
      Короткие пружины не деформированы и не повреждены.
      Результат
      Следующий шаг
      OK
      NG

    NG
    OK
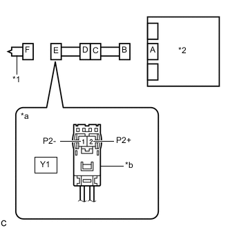
  2. ПРОВЕРЬТЕ ПЕРЕДНЮЮ ПОДУШКУ БЕЗОПАСНОСТИ ПАССАЖИРА В СБОРЕ


    1. A01MYJYC02
      *1 Фронтальная подушка безопасности переднего пассажира в сборе
      *2 Блок управления системы SRS
      *a

      Вид спереди разъема со стороны жгута проводов:

      (к передней подушке безопасности пассажира в сборе)

      *b Цвет: Черный

      Подсоедините жгут проводов панели приборов к жгуту проводов панели приборов № 2 и к центральному блоку управления системы SRS.

    2. Подсоедините SST (сопротивление 2,1 Ом) к разъему Е (черный разъем).

      CAUTION:

      Никогда не подключайте для измерения диагностический прибор к передней подушке безопасности пассажира в сборе, так как это может привести к серьезной травме вследствие срабатывания подушки безопасности.

      Note


      • При подсоединении не следует вставлять SST в контакты разъема с усилием.

      • Вставляйте SST в контакты разъема по прямой.

      SST
      09843-18061
    3. Подсоедините провод к отрицательному (-) выводу аккумуляторной батареи.

    4. Удалите коды DTC, сохраненные в памяти.

      Нажмите здесь Click here


      Body Electrical > SRS Airbag > Clear DTCs
    5. Выключите зажигание.

    6. Включите зажигание (IG) и подождите не менее 60 с.

    7. Проверьте наличие кодов DTC.

      Нажмите здесь Click here


      Body Electrical > SRS Airbag > Trouble Codes
      OK
      Код DTC B1815/54, B1816/54, B1817/54 или B1818/54 не выводится.

      Tech Tips

      На этом этапе могут выводиться коды, отличные от кодов DTC B1815/54, B1816/54, B1817/54 и B1818/54, однако они не связаны с данной проверкой.

    8. Выключите зажигание.

    9. Отсоедините провод от отрицательного (-) вывода аккумуляторной батареи.

      CAUTION:

      После отсоединения провода от отрицательного (-) вывода аккумуляторной батареи подождите не менее 90 с, чтобы предотвратить срабатывание системы SRS.

    10. Отсоедините SST от разъема Е.

      Результат
      Следующий шаг
      OK
      NG

    OK
    NG
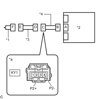
  3. ПРОВЕРЬТЕ ЦЕПЬ ПИРОПАТРОНА 2-ОЙ СТУПЕНИ СО СТОРОНЫ ПЕРЕДНЕГО ПАССАЖИРА


    1. A01MX7OC02
      *1 Фронтальная подушка безопасности переднего пассажира в сборе
      *2 Блок управления системы SRS
      *a

      Вид спереди разъема со стороны жгута проводов:

      (к передней подушке безопасности пассажира в сборе)

      *b Цвет: Черный

      Отсоедините жгут проводов панели приборов от центрального блока управления системы SRS.

    2. Проверьте, нет ли в цепи короткого замыкания на B+.


      1. Подсоедините провод к отрицательному (-) выводу аккумуляторной батареи.

      2. Включите зажигание (IG).

      3. Измерьте напряжение в соответствии со значениями, приведенными в таблице.

        Номинальное напряжение
        Подключение диагностического прибора Условие Заданные условия
        Y1-2 (P2+) - масса Зажигание включено (IG) Менее 1 В
        Y1-1 (P2-) - масса Зажигание включено (IG) Менее 1 В
      4. Выключите зажигание.

      5. Отсоедините провод от отрицательного (-) вывода аккумуляторной батареи.

        CAUTION:

        После отсоединения провода от отрицательного (-) вывода аккумуляторной батареи подождите не менее 90 с, чтобы предотвратить срабатывание системы SRS.

    3. Проверьте, нет ли в цепи обрыва.


      1. Измерьте сопротивление в соответствии со значениями, приведенными в таблице ниже.

        Номинальное сопротивление
        Подключение диагностического прибора Условие Заданные условия
        Y1-2 (P2+) - Y1-1 (P2-) Всегда Менее 1 Ом
    4. Проверьте, нет ли в цепи короткого замыкания на массу.


      1. Измерьте сопротивление в соответствии со значениями, приведенными в таблице ниже.

        Номинальное сопротивление
        Подключение диагностического прибора Условие Заданные условия
        Y1-2 (P2+) - масса Всегда 1 МОм или более
        Y1-1 (P2-) - масса Всегда 1 МОм или более
    5. Проверьте, нет ли в цепи короткого замыкания.


      1. Разомкните механизм предотвращения срабатывания, встроенный в разъем B.

        Нажмите здесь Click here

      2. Измерьте сопротивление в соответствии со значениями, приведенными в таблице ниже.

        Номинальное сопротивление
        Подключение диагностического прибора Условие Заданные условия
        Y1-2 (P2+) - Y1-1 (P2-) Всегда 1 МОм или более
      3. Верните механизм предотвращения срабатывания разъема B в исходное состояние.

      Результат
      Следующий шаг
      OK
      NG

    NG
    OK
  4. ПРОВЕРЬТЕ DTC


    1. A01MWA4C07
      *1 Фронтальная подушка безопасности переднего пассажира в сборе
      *2 Блок управления системы SRS

      Подсоедините разъемы к передней подушке безопасности пассажира и центральному блоку управления системы SRS.

    2. Подсоедините провод к отрицательному (-) выводу аккумуляторной батареи.

    3. Удалите коды DTC, сохраненные в памяти.

      Нажмите здесь Click here


      Body Electrical > SRS Airbag > Clear DTCs
    4. Выключите зажигание.

    5. Включите зажигание (IG) и подождите не менее 60 с.

    6. Проверьте наличие кодов DTC.

      Нажмите здесь Click here


      Body Electrical > SRS Airbag > Trouble Codes
      OK
      Код DTC B1815/54, B1816/54, B1817/54 или B1818/54 не выводится.

      Tech Tips

      На этом этапе могут выводиться коды, отличные от кодов DTC B1815/54, B1816/54, B1817/54 и B1818/54, однако они не связаны с данной проверкой.

      Результат
      Перейти к
      OK
      NG

    OK
    NG
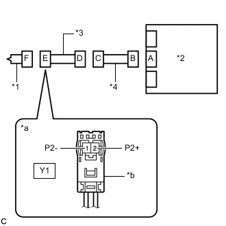
  5. ПРОВЕРЬТЕ ЖГУТ ПРОВОДОВ ПАНЕЛИ ПРИБОРОВ


    1. A01MXL0C04
      *1 Фронтальная подушка безопасности переднего пассажира в сборе
      *2 Блок управления системы SRS
      *3 Жгут проводов панели приборов № 2
      *4 Жгут проводов панели приборов
      *a

      Вид спереди разъема со стороны жгута проводов:

      (к жгуту проводов панели приборов № 2)

      Отсоедините разъем жгута проводов панели приборов № 2 от жгута проводов панели приборов.

    2. Проверьте, нет ли в цепи короткого замыкания на B+.


      1. Подсоедините провод к отрицательному (-) выводу аккумуляторной батареи.

      2. Включите зажигание (IG).

      3. Измерьте напряжение в соответствии со значениями, приведенными в таблице.

        Номинальное напряжение
        Подключение диагностического прибора Условие Заданные условия
        KY1-3 (P2+) - масса Зажигание включено (IG) Менее 1 В
        KY1-4 (P2-) - масса Зажигание включено (IG) Менее 1 В
      4. Выключите зажигание.

      5. Отсоедините провод от отрицательного (-) вывода аккумуляторной батареи.

        CAUTION:

        После отсоединения провода от отрицательного (-) вывода аккумуляторной батареи подождите не менее 90 с, чтобы предотвратить срабатывание системы SRS.

    3. Проверьте, нет ли в цепи обрыва.


      1. Измерьте сопротивление в соответствии со значениями, приведенными в таблице ниже.

        Номинальное сопротивление
        Подключение диагностического прибора Условие Заданные условия
        KY1-3 (P2+) - KY1-4 (P2-) Всегда Менее 1 Ом
    4. Проверьте, нет ли в цепи короткого замыкания на массу.


      1. Измерьте сопротивление в соответствии со значениями, приведенными в таблице ниже.

        Номинальное сопротивление
        Подключение диагностического прибора Условие Заданные условия
        KY1-3 (P2+) - масса Всегда 1 МОм или более
        KY1-4 (P2-) - масса Всегда 1 МОм или более
    5. Проверьте, нет ли в цепи короткого замыкания.


      1. Разомкните механизм предотвращения срабатывания, встроенный в разъем B.

        Нажмите здесь Click here

      2. Измерьте сопротивление в соответствии со значениями, приведенными в таблице ниже.

        Номинальное сопротивление
        Подключение диагностического прибора Условие Заданные условия
        KY1-3 (P2+) - KY1-4 (P2-) Всегда 1 МОм или более
      3. Верните механизм предотвращения срабатывания разъема B в исходное состояние.

      Результат
      Перейти к
      OK
      NG

    NG
    OK
  6. ПРОВЕРЬТЕ ЖГУТ ПРОВОДОВ ПАНЕЛИ ПРИБОРОВ № 2


    1. A01MXFYC02
      *1 Фронтальная подушка безопасности переднего пассажира в сборе
      *2 Блок управления системы SRS
      *3 Жгут проводов панели приборов № 2
      *4 Жгут проводов панели приборов
      *a

      Вид спереди разъема со стороны жгута проводов:

      (к передней подушке безопасности пассажира в сборе)

      *b Цвет: Черный

      Проверьте, нет ли в цепи короткого замыкания на B+.


      1. Подсоедините провод к отрицательному (-) выводу аккумуляторной батареи.

      2. Включите зажигание (IG).

      3. Измерьте напряжение в соответствии со значениями, приведенными в таблице.

        Номинальное напряжение
        Подключение диагностического прибора Условие Заданные условия
        Y1-2 (P2+) - масса Зажигание включено (IG) Менее 1 В
        Y1-1 (P2-) - масса Зажигание включено (IG) Менее 1 В
      4. Выключите зажигание.

      5. Отсоедините провод от отрицательного (-) вывода аккумуляторной батареи.

        CAUTION:

        После отсоединения провода от отрицательного (-) вывода аккумуляторной батареи подождите не менее 90 с, чтобы предотвратить срабатывание системы SRS.

    2. Проверьте, нет ли в цепи обрыва.


      1. Измерьте сопротивление в соответствии со значениями, приведенными в таблице ниже.

        Номинальное сопротивление
        Подключение диагностического прибора Условие Заданные условия
        Y1-2 (P2+) - Y1-1 (P2-) Всегда Менее 1 Ом
    3. Проверьте, нет ли в цепи короткого замыкания на массу.


      1. Измерьте сопротивление в соответствии со значениями, приведенными в таблице ниже.

        Номинальное сопротивление
        Подключение диагностического прибора Условие Заданные условия
        Y1-2 (P2+) - масса Всегда 1 МОм или более
        Y1-1 (P2-) - масса Всегда 1 МОм или более
    4. Проверьте, нет ли в цепи короткого замыкания.


      1. Разомкните механизм предотвращения срабатывания, встроенный в разъем D.

        Нажмите здесь Click here

      2. Измерьте сопротивление в соответствии со значениями, приведенными в таблице ниже.

        Номинальное сопротивление
        Подключение диагностического прибора Условие Заданные условия
        Y1-2 (P2+) - Y1-1 (P2-) Всегда 1 МОм или более
      3. Верните механизм предотвращения срабатывания разъема D в исходное состояние.

      Результат
      Следующий шаг
      OK
      NG

    OK
    NG