СИСТЕМА ПОДУШЕК БЕЗОПАСНОСТИ, Diagnostic DTC:B1800/51, B1801/51, B1802/51, B1803/51

Код DTC Наименование DTC
B1800/51 Короткое замыкание в цепи пиропатрона со стороны водителя
B1801/51 Обрыв в цепи пиропатрона со стороны водителя
B1802/51 Короткое замыкание на GND в цепи пиропатрона со стороны водителя
B1803/51 Короткое замыкание на B+ в цепи пиропатрона со стороны водителя

ОПИСАНИЕ

Цепь пиропатрона со стороны водителя включает в себя блок управления системы SRS в сборе, витой кабель в сборе и кнопку звукового сигнала в сборе.

Центральный блок управления системы SRS использует эту цепь для развертывания подушки безопасности, когда выполняются условия развертывания.

Данные коды DTC регистрируются при обнаружении неисправности в цепи пиропатрона со стороны водителя.

№ DTC Неисправность Условие обнаружения DTC Неисправный участок Режим диагностики / режим проверки
B1800/51 Короткое замыкание в цепи пиропатрона со стороны водителя
  • Блок управления системы SRS обнаруживает короткое замыкание в цепи пиропатрона подушки безопасности со стороны водителя в ходе выполнения первичной проверки.

  • Неисправность витого кабеля в сборе

  • Неисправность пиропатрона со стороны водителя

  • Неисправность блока управления системы SRS


  • Жгут проводов панели приборов

  • Витой кабель в сборе

  • Пиропатрон со стороны водителя (кнопка звукового сигнала в сборе)

  • Блок управления системы SRS

Относится к режиму проверки
B1801/51 Обрыв в цепи пиропатрона со стороны водителя
  • Блок управления системы SRS обнаруживает обрыв в цепи пиропатрона со стороны водителя.

  • Неисправность витого кабеля в сборе

  • Неисправность пиропатрона со стороны водителя

  • Неисправность блока управления системы SRS


  • Жгут проводов панели приборов

  • Витой кабель в сборе

  • Пиропатрон со стороны водителя (кнопка звукового сигнала в сборе)

  • Блок управления системы SRS

Относится к режиму проверки
B1802/51 Короткое замыкание на GND в цепи пиропатрона со стороны водителя
  • Блок управления системы SRS обнаруживает короткое замыкание на массу в цепи пиропатрона подушки безопасности со стороны водителя.

  • Неисправность витого кабеля в сборе

  • Неисправность пиропатрона со стороны водителя

  • Неисправность блока управления системы SRS


  • Жгут проводов панели приборов

  • Витой кабель в сборе

  • Пиропатрон со стороны водителя (кнопка звукового сигнала в сборе)

  • Блок управления системы SRS

Относится к режиму проверки
B1803/51 Короткое замыкание на B+ в цепи пиропатрона со стороны водителя
  • Блок управления системы SRS обнаруживает короткое замыкание на B+ в цепи пиропатрона подушки безопасности со стороны водителя.

  • Неисправность витого кабеля в сборе

  • Неисправность пиропатрона со стороны водителя

  • Неисправность блока управления системы SRS


  • Жгут проводов панели приборов

  • Витой кабель в сборе

  • Пиропатрон со стороны водителя (кнопка звукового сигнала в сборе)

  • Блок управления системы SRS

Относится к режиму проверки

СХЕМА ЭЛЕКТРИЧЕСКИХ СОЕДИНЕНИЙ

A01MZ2HE30

ПРЕДОСТЕРЕЖЕНИЕ / ПРИМЕЧАНИЕ / УКАЗАНИЕ

Note

После выключения зажигания следует подождать некоторое время, прежде чем отсоединять провод от отрицательного (-) вывода аккумуляторной батареи. Поэтому, прежде чем приступать к этой работе, обязательно ознакомьтесь с примечанием относительно отсоединения провода от отрицательного (-) вывода аккумуляторной батареи.

Нажмите здесь Click here

Tech Tips


  • Выполните проверку с имитацией условий возникновения неисправности, выбрав на GTS режим проверки (Signal Check).

    Нажмите здесь Click here

  • Выбрав режим проверки (Signal Check), выполните проверку с имитацией условий возникновения неисправности, пошевелив каждый разъем системы подушек безопасности или совершив поездку по городским дорогам или дорогам без покрытия

    Нажмите здесь Click here

ПОРЯДОК ВЫПОЛНЕНИЯ


  1. ПРОВЕРЬТЕ РАЗЪЕМЫ


    1. A01MYUOC01
      *1 Кнопка звукового сигнала в сборе
      *2 Витой кабель в сборе
      *3 Блок управления системы SRS
      *4 Жгут проводов панели приборов

      Выключите зажигание.

    2. Отсоедините провод от отрицательного (-) вывода аккумуляторной батареи.

      CAUTION:

      После отсоединения провода от отрицательного (-) вывода аккумуляторной батареи подождите не менее 90 с, чтобы предотвратить срабатывание системы SRS.

    3. Проверьте правильность подключения разъемов к кнопке звукового сигнала в сборе, витому кабелю в сборе и блоку управления системы SRS в сборе.

      OK
      Разъемы подсоединены должным образом.

      Tech Tips

      Если разъемы подсоединены ненадежно, подсоедините их и перейдите к следующей проверке.

    4. Отсоедините разъемы от кнопки звукового сигнала в сборе, витого кабеля в сборе и блока управления системы SRS в сборе.

    5. Убедитесь, что контакты разъемов не повреждены.

      OK
      Контакты не деформированы и не повреждены.
    6. Убедитесь, что разъем витого кабеля (со стороны кнопки звукового сигнала в сборе) не поврежден.

      OK
      Кнопка блокировки разъема не освобождена либо защелка замка не деформирована и не повреждена.
    7. Убедитесь, что короткие пружины для жгута проводов панели приборов и витого кабеля с механизмом предотвращения срабатывания не деформированы и не повреждены.

      OK
      Короткие пружины не деформированы и не повреждены.
      Результат
      Следующий шаг
      OK
      NG

    NG
    OK
  2. ПРОВЕРЬТЕ КНОПКУ ЗВУКОВОГО СИГНАЛА В СБОРЕ


    1. A01MXB2C03
      *1 Кнопка звукового сигнала в сборе
      *2 Витой кабель в сборе
      *3 Блок управления системы SRS
      *a

      Вид спереди разъема со стороны жгута проводов:

      (к кнопке звукового сигнала в сборе)

      *b Цвет: Оранжевый

      Подсоедините жгут проводов панели приборов к блоку управления системы SRS в сборе и витому кабелю в сборе.

    2. Подсоедините специальный инструмент (сопротивление 2,1 Ом) к разъему Е (оранжевый разъем).

      CAUTION:

      Никогда не подключайте для измерения диагностический прибор к кнопке звукового сигнала, так как это может привести к серьезной травме вследствие срабатывания подушки безопасности.

      Note


      • При подсоединении не следует вставлять SST в контакты разъема с усилием.

      • Вставляйте SST в контакты разъема по прямой.

      SST
      09843-18061
    3. Подсоедините провод к отрицательному (-) выводу аккумуляторной батареи.

    4. Удалите коды DTC, сохраненные в памяти.

      Нажмите здесь Click here


      Body Electrical > SRS Airbag > Clear DTCs
    5. Выключите зажигание.

    6. Включите зажигание (IG) и подождите не менее 60 с.

    7. Проверьте наличие кодов DTC.

      Нажмите здесь Click here


      Body Electrical > SRS Airbag > Trouble Codes
      OK
      Код DTC B1800/51, B1801/51, B1802/51 или B1803/51 не выводится.

      Tech Tips

      На этом этапе могут выводиться коды, отличные от кодов DTC B1800/51, B1801/51, B1802/51 и B1803/51, однако они не связаны с данной проверкой.

    8. Выключите зажигание.

    9. Отсоедините провод от отрицательного (-) вывода аккумуляторной батареи.

      CAUTION:

      После отсоединения провода от отрицательного (-) вывода аккумуляторной батареи подождите не менее 90 с, чтобы предотвратить срабатывание системы SRS.

    10. Отсоедините SST от разъема Е.

      Результат
      Следующий шаг
      OK
      NG

    OK
    NG
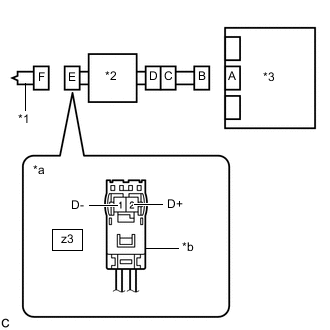
  3. ПРОВЕРЬТЕ ЦЕПЬ ПИРОПАТРОНА СО СТОРОНЫ ВОДИТЕЛЯ


    1. A01MYELC07
      *1 Кнопка звукового сигнала в сборе
      *2 Витой кабель в сборе
      *3 Блок управления системы SRS
      *a

      Вид спереди разъема со стороны жгута проводов:

      (к кнопке звукового сигнала в сборе)

      *b Цвет: Оранжевый

      Отсоедините жгут проводов панели приборов от центрального блока управления системы SRS.

    2. Проверьте, нет ли в цепи короткого замыкания на B+.


      1. Подсоедините провод к отрицательному (-) выводу аккумуляторной батареи.

      2. Включите зажигание (IG).

      3. Измерьте напряжение в соответствии со значениями, приведенными в таблице.

        Номинальное напряжение
        Подключение диагностического прибора Условие Заданные условия
        z3-2 (D+) - масса Зажигание включено (IG) Менее 1 В
        z3-1 (D-) - масса Зажигание включено (IG) Менее 1 В
      4. Выключите зажигание.

      5. Отсоедините провод от отрицательного (-) вывода аккумуляторной батареи.

        CAUTION:

        После отсоединения провода от отрицательного (-) вывода аккумуляторной батареи подождите не менее 90 с, чтобы предотвратить срабатывание системы SRS.

    3. Проверьте, нет ли в цепи обрыва.


      1. Измерьте сопротивление в соответствии со значениями, приведенными в таблице ниже.

        Номинальное сопротивление
        Подключение диагностического прибора Условие Заданные условия
        z3-2 (D+) - z3-1 (D-) Всегда Менее 1 Ом
    4. Проверьте, нет ли в цепи короткого замыкания на массу.


      1. Измерьте сопротивление в соответствии со значениями, приведенными в таблице ниже.

        Номинальное сопротивление
        Подключение диагностического прибора Условие Заданные условия
        z3-2 (D+) - масса Всегда 1 МОм или более
        z3-1 (D-) - масса Всегда 1 МОм или более
    5. Проверьте, нет ли в цепи короткого замыкания.


      1. Разомкните механизм предотвращения срабатывания, встроенный в разъем B.

        Нажмите здесь Click here

      2. Измерьте сопротивление в соответствии со значениями, приведенными в таблице ниже.

        Номинальное сопротивление
        Подключение диагностического прибора Условие Заданные условия
        z3-2 (D+) - z3-1 (D-) Всегда 1 МОм или более
      3. Верните механизм предотвращения срабатывания разъема B в исходное состояние.

      Результат
      Следующий шаг
      OK
      NG

    NG
    OK
  4. ПРОВЕРЬТЕ DTC


    1. A01MY3OC01
      *1 Кнопка звукового сигнала в сборе
      *2 Витой кабель в сборе
      *3 Блок управления системы SRS

      Подсоедините разъемы к кнопке звукового сигнала в сборе и центральному блоку управления системы SRS в сборе.

    2. Подсоедините провод к отрицательному (-) выводу аккумуляторной батареи.

    3. Удалите коды DTC, сохраненные в памяти.

      Нажмите здесь Click here


      Body Electrical > SRS Airbag > Clear DTCs
    4. Выключите зажигание.

    5. Включите зажигание (IG) и подождите не менее 60 с.

    6. Проверьте наличие кодов DTC.

      Нажмите здесь Click here


      Body Electrical > SRS Airbag > Trouble Codes
      OK
      Код DTC B1800/51, B1801/51, B1802/51 или B1803/51 не выводится.

      Tech Tips

      На этом этапе могут выводиться коды, отличные от кодов DTC B1800/51, B1801/51, B1802/51 и B1803/51, однако они не связаны с данной проверкой.

      Результат
      Перейти к
      OK
      NG

    OK
    NG
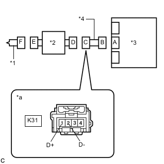
  5. ПРОВЕРЬТЕ ЖГУТ ПРОВОДОВ ПАНЕЛИ ПРИБОРОВ


    1. A01MW7QC09
      *1 Кнопка звукового сигнала в сборе
      *2 Витой кабель в сборе
      *3 Блок управления системы SRS
      *4 Жгут проводов панели приборов
      *a

      Вид спереди разъема со стороны жгута проводов:

      (к витому кабелю в сборе)

      Отсоедините жгут проводов панели приборов от витого кабеля.

    2. Проверьте, нет ли в цепи короткого замыкания на B+.


      1. Подсоедините провод к отрицательному (-) выводу аккумуляторной батареи.

      2. Включите зажигание (IG).

      3. Измерьте напряжение в соответствии со значениями, приведенными в таблице.

        Номинальное напряжение
        Подключение диагностического прибора Условие Заданные условия
        K31-1 (D+) - масса Зажигание включено (IG) Менее 1 В
        K31-2 (D-) - масса Зажигание включено (IG) Менее 1 В
      4. Выключите зажигание.

      5. Отсоедините провод от отрицательного (-) вывода аккумуляторной батареи.

        CAUTION:

        После отсоединения провода от отрицательного (-) вывода аккумуляторной батареи подождите не менее 90 с, чтобы предотвратить срабатывание системы SRS.

    3. Проверьте, нет ли в цепи обрыва.


      1. Измерьте сопротивление в соответствии со значениями, приведенными в таблице ниже.

        Номинальное сопротивление
        Подключение диагностического прибора Условие Заданные условия
        K31-1 (D+) - K31-2 (D-) Всегда Менее 1 Ом
    4. Проверьте, нет ли в цепи короткого замыкания на массу.


      1. Измерьте сопротивление в соответствии со значениями, приведенными в таблице ниже.

        Номинальное сопротивление
        Подключение диагностического прибора Условие Заданные условия
        K31-1 (D+) - масса Всегда 1 МОм или более
        K31-2 (D-) - масса Всегда 1 МОм или более
    5. Проверьте, нет ли в цепи короткого замыкания.


      1. Разомкните механизм предотвращения срабатывания, встроенный в разъем B.

        Нажмите здесь Click here

      2. Измерьте сопротивление в соответствии со значениями, приведенными в таблице ниже.

        Номинальное сопротивление
        Подключение диагностического прибора Условие Заданные условия
        K31-1 (D+) - K31-2 (D-) Всегда 1 МОм или более
      3. Верните механизм предотвращения срабатывания разъема B в исходное состояние.

      Результат
      Перейти к
      OK
      NG

    NG
    OK
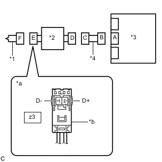
  6. ПРОВЕРЬТЕ ВИТОЙ КАБЕЛЬ В СБОРЕ


    1. A01MU7TC07
      *1 Кнопка звукового сигнала в сборе
      *2 Витой кабель в сборе
      *3 Блок управления системы SRS
      *4 Жгут проводов панели приборов
      *a

      Вид спереди разъема со стороны жгута проводов:

      (к кнопке звукового сигнала в сборе)

      *b Цвет: Оранжевый

      Проверьте, нет ли в цепи короткого замыкания на B+.


      1. Подсоедините провод к отрицательному (-) выводу аккумуляторной батареи.

      2. Включите зажигание (IG).

      3. Измерьте напряжение в соответствии со значениями, приведенными в таблице.

        Номинальное напряжение
        Подключение диагностического прибора Условие Заданные условия
        z3-2 (D+) - масса Зажигание включено (IG) Менее 1 В
        z3-1 (D-) - масса Зажигание включено (IG) Менее 1 В
      4. Выключите зажигание.

      5. Отсоедините провод от отрицательного (-) вывода аккумуляторной батареи.

        CAUTION:

        После отсоединения провода от отрицательного (-) вывода аккумуляторной батареи подождите не менее 90 с, чтобы предотвратить срабатывание системы SRS.

    2. Проверьте, нет ли в цепи обрыва.


      1. Измерьте сопротивление в соответствии со значениями, приведенными в таблице ниже.

        Номинальное сопротивление
        Подключение диагностического прибора Условие Заданные условия
        z3-2 (D+) - z3-1 (D-) Всегда Менее 1 Ом
    3. Проверьте, нет ли в цепи короткого замыкания на массу.


      1. Измерьте сопротивление в соответствии со значениями, приведенными в таблице ниже.

        Номинальное сопротивление
        Подключение диагностического прибора Условие Заданные условия
        z3-2 (D+) - масса Всегда 1 МОм или более
        z3-1 (D-) - масса Всегда 1 МОм или более
    4. Проверьте, нет ли в цепи короткого замыкания.


      1. Разомкните механизм предотвращения срабатывания, встроенный в разъем D.

        Нажмите здесь Click here

      2. Измерьте сопротивление в соответствии со значениями, приведенными в таблице ниже.

        Номинальное сопротивление
        Подключение диагностического прибора Условие Заданные условия
        z3-2 (D+) - z3-1 (D-) Всегда 1 МОм или более
      3. Верните механизм предотвращения срабатывания разъема D в исходное состояние.

      Результат
      Следующий шаг
      OK
      NG

    OK
    NG