СИСТЕМА ПОДУШЕК БЕЗОПАСНОСТИ, Diagnostic DTC:B16A7/97, B16A8/97

Код DTC Наименование DTC
B16A7/97 Нарушение связи с шиной левого датчика обнаружения пешеходов
B16A8/97 Не завершена инициализация шины левого датчика обнаружения пешеходов

ОПИСАНИЕ

Цепь левого датчика обнаружения пешеходов включает в себя центральный блок управления системы SRS и левый датчик обнаружения пешеходов.

Левый датчик системы защиты пешеходов обнаруживает удар автомобиля при столкновении и посылает сигналы в центральный блок управления системы SRS, который определяет необходимость активации активного капота.

Эти коды DTC регистрируются при обнаружении неисправности в цепи левого датчика обнаружения пешеходов.

№ DTC Неисправность Условие обнаружения DTC Неисправный участок Режим диагностики / режим проверки
B16A7/97 Нарушение связи с шиной левого датчика обнаружения пешеходов
  • Центральный блок управления системы SRS обнаруживает короткое замыкание, короткое замыкание на массу или на B+ или обрыв в цепи левого датчика обнаружения пешеходов.

  • Неисправность левого датчика системы защиты пешеходов

  • Неисправность блока управления системы SRS


  • Напольный провод № 2

  • Основной жгут проводов моторного отсека

  • Левый датчик системы защиты пешеходов

  • Блок управления системы SRS

Не относится к режиму диагностики/проверки
B16A8/97 Не завершена инициализация шины левого датчика обнаружения пешеходов
  • Центральный блок управления системы SRS обнаруживает короткое замыкание, короткое замыкание на массу или на B+ или обрыв в цепи левого датчика обнаружения пешеходов.

  • Неисправность левого датчика системы защиты пешеходов

  • Неисправность блока управления системы SRS


  • Напольный провод № 2

  • Основной жгут проводов моторного отсека

  • Левый датчик системы защиты пешеходов

  • Блок управления системы SRS

Не относится к режиму диагностики/проверки

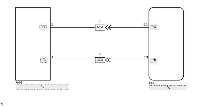
СХЕМА СОЕДИНЕНИЙ

A01MX4ZE28
*a PSL+
*b PSL-
*c Левый датчик системы защиты пешеходов
*d Блок управления системы SRS

ПРЕДОСТЕРЕЖЕНИЕ / ПРИМЕЧАНИЕ / УКАЗАНИЕ

Note

После выключения зажигания следует подождать некоторое время, прежде чем отсоединять провод от отрицательного (-) вывода аккумуляторной батареи. Поэтому, прежде чем приступать к этой работе, обязательно ознакомьтесь с примечанием относительно отсоединения провода от отрицательного (-) вывода аккумуляторной батареи.

Нажмите здесь Click here

ПОРЯДОК ВЫПОЛНЕНИЯ


  1. ПРОВЕРЬТЕ РАЗЪЕМЫ


    1. Выключите зажигание.

    2. Отсоедините провод от отрицательного (-) вывода аккумуляторной батареи.

      CAUTION:

      После отсоединения провода от отрицательного (-) вывода аккумуляторной батареи подождите не менее 90 с, чтобы предотвратить срабатывание системы SRS.

    3. Проверьте правильность подключения разъемов к центральному блоку управления системы SRS и левому датчику системы защиты пешеходов. Также убедитесь в надежности подключения разъемов, соединяющих основной жгут проводов моторного отсека и напольный провод № 2.

      OK
      Разъемы подсоединены должным образом.

      Tech Tips

      Если разъемы подсоединены ненадежно, подсоедините их и перейдите к следующей проверке.

    4. Отсоедините разъемы от центрального блока управления системы SRS и левого датчика системы защиты пешеходов. Также разъедините разъемы, соединяющие основной жгут проводов моторного отсека и напольный провод № 2.

    5. Убедитесь, что контакты разъемов не повреждены.

      OK
      Контакты не деформированы и не повреждены.
      Результат
      Перейти к
      OK
      NG

    NG
    OK
  2. ПРОВЕРЬТЕ ЖГУТ ПРОВОДОВ (НА ОБРЫВ)


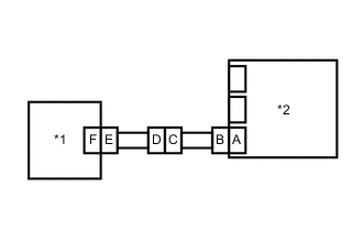
    1. A01MWODC01
      *1 Левый датчик системы защиты пешеходов
      *2 Блок управления системы SRS
      *3 Технологический провод
      *a

      Вид спереди разъема со стороны жгута проводов:

      (блок управления системы SRS)

      *b

      Вид спереди разъема со стороны жгута проводов:

      (к левому датчику системы защиты пешеходов)

      Подсоедините разъемы, соединяющие основной жгут проводов моторного отсека и напольный провод № 2.

    2. С помощью технологического провода соедините контакты 20 (PSL+) и 19 (PSL-) разъема В.

      Note

      Технологический провод следует вставлять в контакты разъема без усилия.

    3. Измерьте сопротивление в соответствии со значениями, приведенными в таблице ниже.

      Номинальное сопротивление
      Подключение диагностического прибора Условие Заданные условия
      A44-2 (PSL+) - A44-1 (PSL-) Всегда Менее 1 Ом
      Результат
      Перейти к
      OK
      NG

    NG
    OK
  3. ПРОВЕРЬТЕ ЖГУТ ПРОВОДОВ (НА КОРОТКОЕ ЗАМЫКАНИЕ)


    1. A01MX6MC02
      *1 Левый датчик системы защиты пешеходов
      *2 Блок управления системы SRS
      *a

      Вид спереди разъема со стороны жгута проводов:

      (к левому датчику системы защиты пешеходов)

      Отсоедините технологический провод от разъема В.

    2. Измерьте сопротивление в соответствии со значениями, приведенными в таблице ниже.

      Номинальное сопротивление
      Подключение диагностического прибора Значение Заданные условия
      A44-2 (PSL+) - A44-1 (PSL-) Всегда 1 МОм или более
      Результат
      Следующий шаг
      OK
      NG

    NG
    OK
  4. ПРОВЕРЬТЕ ЖГУТ ПРОВОДОВ (НА КОРОТКОЕ ЗАМЫКАНИЕ НА B+)


    1. A01MX6MC02
      *1 Левый датчик системы защиты пешеходов
      *2 Блок управления системы SRS
      *a

      Вид спереди разъема со стороны жгута проводов:

      (к левому датчику системы защиты пешеходов)

      Подсоедините провод к отрицательному (-) выводу аккумуляторной батареи.

    2. Включите зажигание (IG).

    3. Измерьте напряжение в соответствии со значениями, приведенными в таблице.

      Номинальное напряжение
      Подключение диагностического прибора Условие Заданные условия
      A44-2 (PSL+) - масса Выключатель зажигания в состоянии ON (ВКЛ) (IG) Менее 1 В
      A44-1 (PSL-) - масса Выключатель зажигания в состоянии ON (ВКЛ) (IG) Менее 1 В
    4. Выключите зажигание.

    5. Отсоедините провод от отрицательного (-) вывода аккумуляторной батареи.

      CAUTION:

      После отсоединения провода от отрицательного (-) вывода аккумуляторной батареи подождите не менее 90 с, чтобы предотвратить срабатывание системы SRS.

      Результат
      Следующий шаг
      OK
      NG

    NG
    OK
  5. ПРОВЕРЬТЕ ЖГУТ ПРОВОДОВ (НА КОРОТКОЕ ЗАМЫКАНИЕ НА МАССУ)


    1. A01MX6MC02
      *1 Левый датчик системы защиты пешеходов
      *2 Блок управления системы SRS
      *a

      Вид спереди разъема со стороны жгута проводов:

      (к левому датчику системы защиты пешеходов)

      Измерьте сопротивление в соответствии со значениями, приведенными в таблице ниже.

      Номинальное сопротивление
      Подключение диагностического прибора Условие Заданные условия
      A44-2 (PSL+) - масса Всегда 1 МОм или более
      A44-1 (PSL-) - масса Всегда 1 МОм или более
      Результат
      Следующий шаг
      OK
      NG

    NG
    OK
  6. ПРОВЕРЬТЕ ЛЕВЫЙ ДАТЧИК СИСТЕМЫ ЗАЩИТЫ ПЕШЕХОДОВ


    1. A01MYO5C02
      *1 Правый датчик системы защиты пешеходов
      *2 Блок управления системы SRS

      Подсоедините разъем к блоку управления системы SRS.

    2. Поменяйте местами левый и правый датчики системы защиты пешеходов и подсоедините к ним разъемы.

    3. Подсоедините провод к отрицательному (-) выводу аккумуляторной батареи.

    4. Удалите коды DTC, сохраненные в памяти.

      Нажмите здесь Click here


      Body Electrical > SRS Airbag > Clear DTCs
    5. Выключите зажигание.

    6. Включите зажигание (IG) и подождите не менее 60 с.

    7. Проверьте наличие кодов DTC.

      Нажмите здесь Click here


      Body Electrical > SRS Airbag > Trouble Codes

      Tech Tips

      На этом этапе могут выводиться коды помимо B16A2/87, B16A3/87, B16A7/97 и B16A8/97, однако они не связаны с данной проверкой.

      Результат
      Результат Перейти К
      DTCs B16A2/87, B16A3/87, B16A7/97 и B16A8/97, не выводятся. А
      DTC B16A2/87 или B16A3/87 выводится. B
      DTC B16A7/97 или B16A8/97 выводится. C
    8. Выключите зажигание.

    9. Отсоедините провод от отрицательного (-) вывода аккумуляторной батареи.

      CAUTION:

      После отсоединения провода от отрицательного (-) вывода аккумуляторной батареи подождите не менее 90 с, чтобы предотвратить срабатывание системы SRS.

    10. Установите на место левый и правый датчики системы защиты пешеходов и подсоедините к ним разъемы.


    А
    B
    C
  7. ПРОВЕРЬТЕ НАПОЛЬНЫЙ ПРОВОД № 2 (НА КОРОТКОЕ ЗАМЫКАНИЕ НА МАССУ)


    1. A01MUGCC03
      *1 Левый датчик системы защиты пешеходов
      *2 Блок управления системы SRS
      *3 Главный жгут проводов моторного отсека
      *4 Напольный провод № 2
      *a

      Вид спереди разъема со стороны жгута проводов:

      (к главному кабелю моторного отсека)

      Отсоедините разъем напольного провода № 2 от основного жгута проводов моторного отсека.

    2. Измерьте сопротивление в соответствии со значениями, приведенными в таблице ниже.

      Номинальное сопротивление
      Подключение диагностического прибора Условие Заданные условия
      AQ4-1 (PSL+) - масса Всегда 1 МОм или более
      AQ4-4 (PSL-) - масса Всегда 1 МОм или более
      Результат
      Следующий шаг
      OK
      NG

    OK
    NG
  8. ПРОВЕРЬТЕ НАПОЛЬНЫЙ ПРОВОД № 2 (НА КОРОТКОЕ ЗАМЫКАНИЕ НА B+)


    1. A01MUGCC03
      *1 Левый датчик системы защиты пешеходов
      *2 Блок управления системы SRS
      *3 Главный жгут проводов моторного отсека
      *4 Напольный провод № 2
      *a

      Вид спереди разъема со стороны жгута проводов:

      (к главному кабелю моторного отсека)

      Отсоедините разъем напольного провода № 2 от основного жгута проводов моторного отсека.

    2. Подсоедините провод к отрицательному (-) выводу аккумуляторной батареи.

    3. Включите зажигание (IG).

    4. Измерьте напряжение в соответствии со значениями, приведенными в таблице.

      Номинальное напряжение
      Подключение диагностического прибора Условие Заданные условия
      AQ4-1 (PSL+) - масса Зажигание включено (IG) Менее 1 В
      AQ4-4 (PSL-) - масса Зажигание включено (IG) Менее 1 В
      Результат
      Перейти к
      OK
      NG

    OK
    NG
  9. ПРОВЕРЬТЕ НАПОЛЬНЫЙ ПРОВОД № 2 (НА КОРОТКОЕ ЗАМЫКАНИЕ)


    1. A01MUGCC03
      *1 Левый датчик системы защиты пешеходов
      *2 Блок управления системы SRS
      *3 Главный жгут проводов моторного отсека
      *4 Напольный провод № 2
      *a

      Вид спереди разъема со стороны жгута проводов:

      (к главному кабелю моторного отсека)

      Отсоедините разъем напольного провода № 2 от основного жгута проводов моторного отсека.

    2. Измерьте сопротивление в соответствии со значениями, приведенными в таблице ниже.

      Номинальное сопротивление
      Контакты для подключения диагностического прибора Условие Заданные условия
      AQ4-1 (PSL+) - AQ4-4 (PSL-) Всегда 1 МОм или более
      Результат
      Перейти к
      OK
      NG

    OK
    NG
  10. ПРОВЕРЬТЕ НАПОЛЬНЫЙ ПРОВОД № 2 (НА ОБРЫВ)


    1. A01MUMPC01
      *1 Левый датчик системы защиты пешеходов
      *2 Блок управления системы SRS
      *3 Главный жгут проводов моторного отсека
      *4 Напольный провод № 2
      *5 Технологический провод
      *a

      Вид спереди разъема со стороны жгута проводов:

      (блок управления системы SRS)

      *b

      Вид спереди разъема со стороны жгута проводов:

      (к главному кабелю моторного отсека)

      Отсоедините разъем напольного провода № 2 от основного жгута проводов моторного отсека.

      Tech Tips

      Технологический провод уже вставлен в разъем "B".

    2. Измерьте сопротивление в соответствии со значениями, приведенными в таблице ниже.

      Номинальное сопротивление
      Подключение диагностического прибора Условие Заданные условия
      AQ4-1 (PSL+) - AQ4-4 (PSL-) Всегда Менее 1 Ом
    3. Отсоедините технологический провод от разъема В.

      Результат
      Перейти к
      OK
      NG

    OK
    NG