СИСТЕМА ПОДУШЕК БЕЗОПАСНОСТИ, Diagnostic DTC:B1850/62, B1851/62, B1852/62, B1853/62

Код DTC Наименование DTC
B1850/62 Короткое замыкание в цепи правого заднего бокового пиропатрона
B1851/62 Обрыв цепи правого заднего бокового пиропатрона
B1852/62 Короткое замыкание на GND в цепи правого заднего бокового пиропатрона
B1853/62 Короткое замыкание на B+ в цепи правого заднего бокового пиропатрона

ОПИСАНИЕ

Цепь правого заднего бокового пиропатрона включает блок управления системы SRS и боковую подушку безопасности правого заднего сиденья.

Центральный блок управления системы SRS использует эту цепь для развертывания подушки безопасности, когда выполняются условия развертывания.

Данные коды DTC регистрируются при обнаружении неисправности в цепи правого заднего бокового пиропатрона.

№ DTC Неисправность Условие обнаружения DTC Неисправный участок Режим диагностики / режим проверки
B1850/62 Короткое замыкание в цепи правого заднего бокового пиропатрона
  • Блок управления системы SRS обнаруживает короткое замыкание в цепи пиропатрона правой задней боковой подушки безопасности в ходе выполнения первичной проверки.

  • Неисправность правого заднего бокового пиропатрона

  • Неисправность блока управления системы SRS


  • Напольный провод

  • Правый задний боковой пиропатрон (правая подушка безопасности задних сидений в сборе)

  • Блок управления системы SRS

Относится к режиму проверки
B1851/62 Обрыв цепи правого заднего бокового пиропатрона
  • Блок управления системы SRS обнаруживает обрыв в цепи пиропатрона правой задней боковой подушки безопасности.

  • Неисправность правого заднего бокового пиропатрона

  • Неисправность блока управления системы SRS


  • Напольный провод

  • Правый задний боковой пиропатрон (правая подушка безопасности задних сидений в сборе)

  • Блок управления системы SRS

Относится к режиму проверки
B1852/62 Короткое замыкание на GND в цепи правого заднего бокового пиропатрона
  • Блок управления системы SRS обнаруживает короткое замыкание на массу в цепи пиропатрона правой задней боковой подушки безопасности.

  • Неисправность правого заднего бокового пиропатрона

  • Неисправность блока управления системы SRS


  • Напольный провод

  • Правый задний боковой пиропатрон (правая подушка безопасности задних сидений в сборе)

  • Блок управления системы SRS

Относится к режиму проверки
B1853/62 Короткое замыкание на B+ в цепи правого заднего бокового пиропатрона
  • Блок управления системы SRS обнаруживает короткое замыкание на B+ в цепи пиропатрона правой задней боковой подушки безопасности.

  • Неисправность правого заднего бокового пиропатрона

  • Неисправность блока управления системы SRS


  • Напольный провод

  • Правый задний боковой пиропатрон (правая подушка безопасности задних сидений в сборе)

  • Блок управления системы SRS

Относится к режиму проверки

СХЕМА ЭЛЕКТРИЧЕСКИХ СОЕДИНЕНИЙ

A01MYJPE10
*a Правый задний боковой пиропатрон (правая подушка безопасности задних сидений в сборе)
*b Блок управления системы SRS

ПРЕДОСТЕРЕЖЕНИЕ / ПРИМЕЧАНИЕ / УКАЗАНИЕ

Note

После выключения зажигания следует подождать некоторое время, прежде чем отсоединять провод от отрицательного (-) вывода аккумуляторной батареи. Поэтому, прежде чем приступать к этой работе, обязательно ознакомьтесь с примечанием относительно отсоединения провода от отрицательного (-) вывода аккумуляторной батареи.

Нажмите здесь Click here

Tech Tips


  • Выполните проверку с имитацией условий возникновения неисправности, выбрав на GTS режим проверки (Signal Check).

    Нажмите здесь Click here

  • Выбрав режим проверки (Signal Check), выполните проверку с имитацией условий возникновения неисправности, пошевелив каждый разъем системы подушек безопасности или совершив поездку по городским дорогам или дорогам без покрытия

    Нажмите здесь Click here

  • Правая подушка безопасности задних сидений в сборе встроена в правую боковую спинку заднего сиденья в сборе.

ПОРЯДОК ВЫПОЛНЕНИЯ


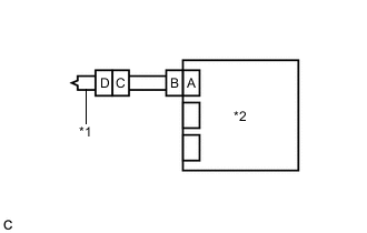
  1. ПРОВЕРЬТЕ РАЗЪЕМЫ


    1. A01MU6BC01
      *1 Правая подушка безопасности задних сидений в сборе
      *2 Блок управления системы SRS
      *3 Напольный провод

      Выключите зажигание.

    2. Отсоедините провод от отрицательного (-) вывода аккумуляторной батареи.

      CAUTION:

      После отсоединения провода от отрицательного (-) вывода аккумуляторной батареи подождите не менее 90 с, чтобы предотвратить срабатывание системы SRS.

    3. Проверьте правильность подключения разъемов к правой подушке безопасности заднего сиденья в сборе и блоку управления системы SRS в сборе.

      OK
      Разъемы подсоединены должным образом.

      Tech Tips

      Если разъемы подсоединены ненадежно, подсоедините их и перейдите к следующей проверке.

    4. Отсоедините разъемы от правой подушки безопасности заднего сиденья в сборе и блока управления системы SRS в сборе.

    5. Убедитесь, что контакты разъемов не повреждены.

      OK
      Контакты не деформированы и не повреждены.
    6. Убедитесь, что короткая пружина для напольного провода с механизмом предотвращения срабатывания не деформирована и не повреждена.

      OK
      Короткая пружина не деформирована и не повреждена.
      Результат
      Следующий шаг
      OK
      NG

    NG
    OK
  2. ПРОВЕРЬТЕ ПРАВУЮ ПОДУШКУ БЕЗОПАСНОСТИ ЗАДНИХ СИДЕНИЙ В СБОРЕ


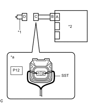
    1. A01MXJSC04
      *1 Правая подушка безопасности задних сидений в сборе
      *2 Блок управления системы SRS
      *a

      Вид спереди разъема со стороны жгута проводов:

      (к правой подушке безопасности задних сидений в сборе)

      Подсоедините разъем к блоку управления системы SRS.

    2. Подсоедините SST (сопротивление 2,1 Ом) к разъему С.

      CAUTION:

      Никогда не подключайте для измерения диагностический прибор к правой подушке безопасности задних сидений в сборе, так как это может привести к серьезной травме вследствие срабатывания подушки безопасности.

      Note


      • При подсоединении не следует вставлять SST в контакты разъема с усилием.

      • Вставляйте SST в контакты разъема по прямой.

      SST
      09843-18061
    3. Подсоедините провод к отрицательному (-) выводу аккумуляторной батареи.

    4. Удалите коды DTC, сохраненные в памяти.

      Нажмите здесь Click here


      Body Electrical > SRS Airbag > Clear DTCs
    5. Выключите зажигание.

    6. Включите зажигание (IG) и подождите не менее 60 с.

    7. Проверьте наличие кодов DTC.

      Нажмите здесь Click here


      Body Electrical > SRS Airbag > Trouble Codes
      OK
      Код DTC B1850/62, B1851/62, B1852/62 или B1853/62 не выводится.

      Tech Tips

      На этом этапе могут выводиться коды, отличные от кодов DTC B1850/62, B1851/62, B1852/62 и B1853/62, однако они не связаны с данной проверкой.

    8. Выключите зажигание.

    9. Отсоедините провод от отрицательного (-) вывода аккумуляторной батареи.

      CAUTION:

      После отсоединения провода от отрицательного (-) вывода аккумуляторной батареи подождите не менее 90 с, чтобы предотвратить срабатывание системы SRS.

    10. Отсоедините SST от разъема С.

      Результат
      Следующий шаг
      OK
      NG

    OK
    NG
  3. ПРОВЕРЬТЕ НАПОЛЬНЫЙ ПРОВОД


    1. A01MVL6C10
      *1 Правая подушка безопасности задних сидений в сборе
      *2 Блок управления системы SRS
      *3 Напольный провод
      *a

      Вид спереди разъема со стороны жгута проводов:

      (к правой подушке безопасности задних сидений в сборе)

      Отсоедините напольный провод от центрального блока управления системы SRS.

    2. Проверьте, нет ли в цепи короткого замыкания на B+.


      1. Подсоедините провод к отрицательному (-) выводу аккумуляторной батареи.

      2. Включите зажигание (IG).

      3. Измерьте напряжение в соответствии со значениями, приведенными в таблице.

        Номинальное напряжение
        Подключение диагностического прибора Условие Заданные условия
        P12-1 (SRR+) - масса Зажигание включено (IG) Менее 1 В
        P12-2 (SRR-) - масса Зажигание включено (IG) Менее 1 В
      4. Выключите зажигание.

      5. Отсоедините провод от отрицательного (-) вывода аккумуляторной батареи.

        CAUTION:

        После отсоединения провода от отрицательного (-) вывода аккумуляторной батареи подождите не менее 90 с, чтобы предотвратить срабатывание системы SRS.

    3. Проверьте, нет ли в цепи обрыва.


      1. Измерьте сопротивление в соответствии со значениями, приведенными в таблице ниже.

        Номинальное сопротивление
        Подключение диагностического прибора Условие Заданные условия
        P12-1 (SRR+) - P12-2 (SRR-) Всегда Менее 1 Ом
    4. Проверьте, нет ли в цепи короткого замыкания на массу.


      1. Измерьте сопротивление в соответствии со значениями, приведенными в таблице ниже.

        Номинальное сопротивление
        Подключение диагностического прибора Условие Заданные условия
        P12-1 (SRR+) - масса Всегда 1 МОм или более
        P12-2 (SRR-) - масса Всегда 1 МОм или более
    5. Проверьте, нет ли в цепи короткого замыкания.


      1. Разомкните механизм предотвращения срабатывания, встроенный в разъем B.

        Нажмите здесь Click here

      2. Измерьте сопротивление в соответствии со значениями, приведенными в таблице ниже.

        Номинальное сопротивление
        Подключение диагностического прибора Условие Заданные условия
        P12-1 (SRR+) - P12-2 (SRR-) Всегда 1 МОм или более
      3. Верните механизм предотвращения срабатывания разъема B в исходное состояние.

      Результат
      Следующий шаг
      OK
      NG

    NG
    OK
  4. ПРОВЕРЬТЕ DTC


    1. A01MYIRC01
      *1 Правая подушка безопасности задних сидений в сборе
      *2 Блок управления системы SRS

      Подсоедините разъемы к правой подушке безопасности задних сидений и центральному блоку управления системы SRS.

    2. Подсоедините провод к отрицательному (-) выводу аккумуляторной батареи.

    3. Удалите коды DTC, сохраненные в памяти.

      Нажмите здесь Click here


      Body Electrical > SRS Airbag > Clear DTCs
    4. Выключите зажигание.

    5. Включите зажигание (IG) и подождите не менее 60 с.

    6. Проверьте наличие кодов DTC.

      Нажмите здесь Click here


      Body Electrical > SRS Airbag > Trouble Codes
      OK
      Код DTC B1850/62, B1851/62, B1852/62 или B1853/62 не выводится.

      Tech Tips

      На этом этапе могут выводиться коды, отличные от кодов DTC B1850/62, B1851/62, B1852/62 и B1853/62, однако они не связаны с данной проверкой.

      Результат
      Следующий шаг
      OK
      NG

    OK
    NG