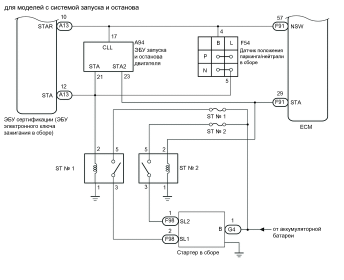
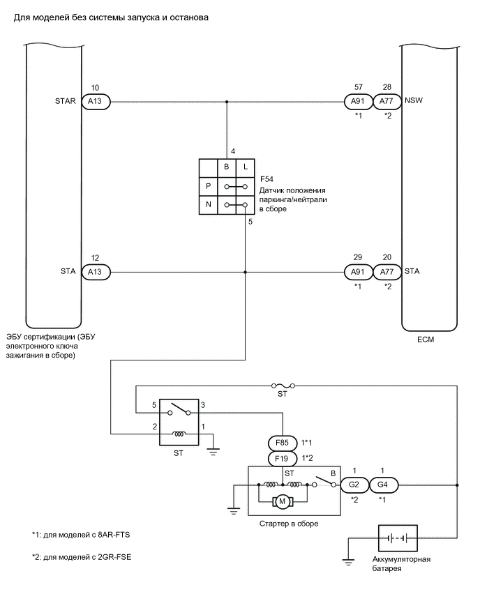
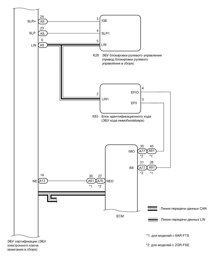
СИСТЕМА ПОСАДКИ И ЗАПУСКА (для функции запуска) СХЕМА СИСТЕМЫ

A01MX2HE02
A01MUY2E03
A01MXQSE01
A01MVHEE02
Устройство Описание

Выключатель зажигания


  • Усилитель электронного ключа зажигания


  • Включает питание и запускает двигатель.

  • Содержит встроенный усилитель электронного ключа зажигания, который обеспечивает запуск двигателя, когда передатчик электронного ключа не функционирует надлежащим образом из-за разряженной батареи или действия помех.

ЭБУ сертификации (ЭБУ электронного ключа зажигания в сборе)
  • Изменяет режим источника питания, управляя реле ACC и IG.

  • Управляет запуском с помощью реле стартера.

  • Выполняет проверку ключа.

  • Управляет антеннами электронного ключа (наружными), антеннами электронного ключа (внутренними) и датчиками блокировки/разблокировки дверей.

  • Выдает команды на блокировку/разблокировку дверей системой посадки.

  • Выдает управляющие сигналы на блокировку/разблокировку в ЭБУ блокировки рулевого управления (привод блокировки рулевого управления в сборе).

  • Выдает команды на включение/выключение иммобилайзера.

  • Формирует область обнаружения системы посадки и запуска.

Блок идентификационного кода (ЭБУ кода иммобилайзера)
  • Получает команды от ЭБУ сертификации (ЭБУ электронного ключа зажигания) и передает команды на включение/выключение иммобилайзера в ECM.

  • Регистрирует коды для интеллектуальной проверки.

ECM Передает в ЭБУ сертификации (ЭБУ электронного ключа зажигания в сборе) сигнал, указывающий на успешный запуск двигателя, при запуске двигателя.
ЭБУ блокировки рулевого управления (привод блокировки рулевого управления)
  • Получает управляющие сигналы от ЭБУ сертификации (ЭБУ электронного ключа зажигания в сборе) и приводит в действие ЭБУ блокировки рулевого управления (привод блокировки рулевого управления в сборе).

  • Регистрирует коды для интеллектуальной проверки.

Щиток приборов в сборе
  • Отображает различные предупреждения (сообщения на мультиинформационном дисплее) в зависимости от управляющих сигналов от ЭБУ сертификации (ЭБУ электронного ключа зажигания в сборе).

  • Передает сигнал скорости автомобиля в различные ЭБУ.

Реле IG, ACC Включается/выключается под управлением ЭБУ сертификации (ЭБУ электронного ключа зажигания в сборе) и обеспечивает подачу питания в каждую систему.
Выключатель стоп-сигналов в сборе Регистрирует нажатие педали тормоза (переход выключателя во включенное состояние) и передает соответствующий сигнал в ЭБУ сертификации (ЭБУ электронного ключа зажигания в сборе).

  • Внутренняя антенна электронного ключа № 2 в сборе (в переднем полу)

  • Внутренняя антенна электронного ключа (в заднем полу)

Передает код запроса от ЭБУ сертификации (ЭБУ электронного ключа зажигания) и формирует область обнаружения в салоне автомобиля.
Приемник системы блокировки дверей Получает код системы посадки и запуска / код системы дистанционного управления, передаваемый передатчиком электронного ключа в сборе, и направляет его в ЭБУ сертификации (ЭБУ электронного ключа зажигания в сборе).
Передатчик электронного ключа в сборе Передает идентификационный код при получении сигнала запроса.