РЕГУЛИРУЕМАЯ АДАПТИВНАЯ ПОДВЕСКА, Diagnostic DTC:C1731, C1732, C1733, C1734

Код DTC Наименование DTC
C1731 Неисправность в цепи правого переднего привода регулировки демпфирующего усилия
C1732 Неисправность в цепи левого переднего привода регулировки демпфирующего усилия
C1733 Неисправность в цепи правого заднего привода регулировки демпфирующего усилия
C1734 Неисправность в цепи левого заднего привода регулировки демпфирующего усилия

ОПИСАНИЕ

Привод амортизатора изменяет демпфирующее усилие в зависимости от сигналов ЭБУ амортизатора.

№ DTC Неисправность Условие обнаружения DTC Неисправный участок Индикация предупреждения Примечание
C1731 Неисправность в цепи правого переднего привода регулировки демпфирующего усилия

Выполняется любое из следующих условий:


  • В привод правого переднего амортизатора не поступает питание, а между приводом правого переднего амортизатора и ЭБУ амортизатора в течение 1 с или дольше регистрируется обрыв с помощью цепи регистрации обрыва.

  • Питание поступает в привод правого переднего амортизатора, а между приводом правого переднего амортизатора и ЭБУ амортизатора 8 раз подряд регистрируется короткое замыкание.*


  • Привод правого переднего амортизатора

  • Жгут или разъем

  • ЭБУ амортизатора

Не загорается -
C1732 Неисправность в цепи левого переднего привода регулировки демпфирующего усилия

Выполняется любое из следующих условий:


  • В привод левого переднего амортизатора не поступает питание, а между приводом левого переднего амортизатора и ЭБУ амортизатора в течение 1 с или дольше регистрируется обрыв с помощью цепи регистрации обрыва.

  • Питание поступает в привод левого переднего амортизатора, а между приводом левого переднего амортизатора и ЭБУ амортизатора 8 раз подряд регистрируется короткое замыкание.*


  • Привод левого переднего амортизатора

  • Жгут или разъем

  • ЭБУ амортизатора

Не загорается -
C1733 Неисправность в цепи правого заднего привода регулировки демпфирующего усилия

Выполняется любое из следующих условий:


  • В привод правого заднего амортизатора не поступает питание, а между приводом правого заднего амортизатора и ЭБУ амортизатора в течение 1 с или дольше регистрируется обрыв с помощью цепи регистрации обрыва.

  • Питание поступает в привод правого заднего амортизатора, а между приводом правого заднего амортизатора и ЭБУ амортизатора 8 раз подряд регистрируется короткое замыкание.*


  • Привод правого заднего амортизатора

  • Жгут или разъем

  • ЭБУ амортизатора

Не загорается -
C1734 Неисправность в цепи левого заднего привода регулировки демпфирующего усилия

Выполняется любое из следующих условий:


  • В привод левого заднего амортизатора не поступает питание, а между приводом левого заднего амортизатора и ЭБУ амортизатора в течение 1 с или дольше регистрируется обрыв с помощью цепи регистрации обрыва.

  • Питание поступает в привод левого заднего амортизатора, а между приводом левого заднего амортизатора и ЭБУ амортизатора 8 раз подряд регистрируется короткое замыкание.*


  • Привод левого переднего амортизатора

  • Жгут или разъем

  • ЭБУ амортизатора

Не загорается -

*: Когда регистрируется короткое замыкание в цепи, работа привода амортизатора немедленно прекращается, а по истечении некоторого времени возобновляется. Если во время подачи питания в привод амортизатора 8 раз подряд обнаруживается короткое замыкание, регистрируется неисправность.

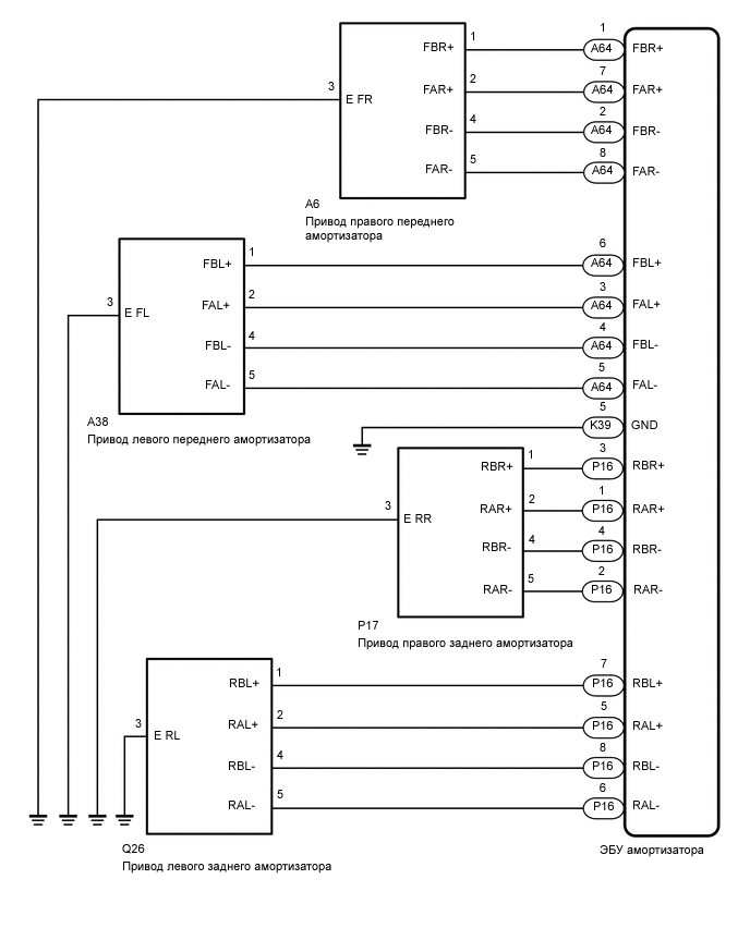
СХЕМА СОЕДИНЕНИЙ

A01MX40E03

ПРЕДОСТЕРЕЖЕНИЕ / ПРИМЕЧАНИЕ / УКАЗАНИЕ

Note


  • Прежде чем приступать к поиску неисправностей, проверьте разъемы рассматриваемых цепей.

  • Если в это же время выдается код DTC C1782 (ненормальное напряжение питания), выполните поиск неисправностей для C1782.

    Нажмите здесь Click here

  • Прежде чем заменять ЭБУ амортизатора, снова выполните все перечисленные процедуры: 1) имитацию условий возникновения неисправности ; 2) проверку DTC; 3) проверку с использованием GTS (в режиме Data List или активной диагностики ЭБУ Click here). Если на других участках нет неисправностей, замените ЭБУ амортизатора.

  • В случае замены ЭБУ амортизатора переключитесь в режим активной диагностики и убедитесь, что все DTC режима активной диагностика удаляются, когда выполняются соответствующие условия для удаления.

    Нажмите здесь Click here

ПОРЯДОК ВЫПОЛНЕНИЯ


  1. УДАЛИТЕ DTC


    1. Удалите коды DTC.

      Нажмите здесь Click here

      Результат
      Следующий шаг
      ДАЛЕЕ

    ДАЛЕЕ
  2. ВЫПОЛНИТЕ АКТИВНУЮ ДИАГНОСТИКУ С ПОМОЩЬЮ GTS (DAMPER STEP)


    1. Выключите зажигание.

    2. Подключите GTS к DLC3.

    3. Включите зажигание (IG).

    4. Включите GTS.

    5. Войдите в следующие меню: Chassis / Air suspension / Active Test.


      Chassis > Air suspension > Active Test
      Информация на дисплее прибора Измеряемая величина Диапазон регулирования Замечание по диагностике
      Damper Step FR Изменение шага демпфирования (правого переднего амортизатора) Шаги с 1 по 17 По мере увеличения шага демпфирования жесткость амортизатора повышается.
      Damper Step FL Изменение шага демпфирования (левого переднего амортизатора) Шаги с 1 по 17 По мере увеличения шага демпфирования жесткость амортизатора повышается.
      Damper Step RR Изменение шага демпфирования (правого заднего амортизатора) Шаги с 1 по 17 По мере увеличения шага демпфирования жесткость амортизатора повышается.
      Damper Step RL Изменение шага демпфирования (левого заднего амортизатора) Шаги с 1 по 17 По мере увеличения шага демпфирования жесткость амортизатора повышается.

      Chassis > Air suspension > Active Test
      Информация на дисплее прибора
      Damper Step FR

      Chassis > Air suspension > Active Test
      Информация на дисплее прибора
      Damper Step FL

      Chassis > Air suspension > Active Test
      Информация на дисплее прибора
      Damper Step RR

      Chassis > Air suspension > Active Test
      Информация на дисплее прибора
      Damper Step RL
    6. Убедитесь в том, что привод амортизатора посредством GTS повышает жесткость подвески

      OK
      Привод амортизатора приводится в действие.
      Результат
      Следующий шаг
      OK
      NG

    NG
    OK
  3. СНОВА ПРОВЕРЬТЕ DTC


    1. Убедитесь, что выводится тот же DTC.

      Нажмите здесь Click here


      Chassis > Air suspension > Trouble Codes
      Результат
      Результат Следующий шаг
      DTC выводится А
      DTC не выводится B

    B
    А
  4. ПРОВЕРЬТЕ ПРИВОД АМОРТИЗАТОРА ПРОВЕРЯЕМОГО КОЛЕСА


    1. Выключите зажигание.

    2. Снимите привод амортизатора для передней стороны или задней стороны Click here.

    3. Установите привод амортизатора для передней стороны или задней стороны Click here.

      Результат
      Результат Следующий шаг
      OK А
      Неисправность привода правого переднего амортизатора B
      Неисправность привода левого переднего амортизатора C
      Неисправность привода правого заднего амортизатора D
      Неисправность привода левого заднего амортизатора E

    B
    C
    D
    E
    А
  5. ПРОВЕРЬТЕ ЖГУТ ПРОВОДОВ И РАЗЪЕМ (ПРИВОД АМОРТИЗАТОРА - ЭБУ АМОРТИЗАТОРА)


    1. A01MVCHC03
      *A Для правой передней двери
      *B Для левой передней двери
      *a

      Вид спереди разъема со стороны жгута проводов:

      (к ЭБУ амортизатора)

      Проверьте разъем и жгут проводов привода переднего амортизатора.


      1. Подсоедините разъем A6 и/или A38 привода переднего амортизатора.

      2. Отсоедините разъем A64 ЭБУ амортизатора.

      3. Измерьте сопротивление в соответствии со значениями, приведенными в таблице ниже.

        Номинальное сопротивление
        Для правого переднего (для DTC C1731)
        Подключение диагностического прибора Условие Заданные условия
        A64-1 (FBR+) - масса Всегда 12,0 - 12,8 Ом
        A64-2 (FBR-) - масса Всегда 12,0 - 12,8 Ом
        A64-7 (FAR+) - масса Всегда 12,0 - 12,8 Ом
        A64-8 (FAR-) - масса Всегда 12,0 - 12,8 Ом
        Для левого переднего (для DTC C1732)
        Подключение диагностического прибора Условие Заданные условия
        A64-3 (FAL+) - масса Всегда 12,0 - 12,8 Ом
        A64-5 (FAL-) - масса Всегда 12,0 - 12,8 Ом
        A64-6 (FBL+) - масса Всегда 12,0 - 12,8 Ом
        A64-4 (FBL-) - масса Всегда 12,0 - 12,8 Ом
    2. A01MWX9C03
      *A Для правой задней двери
      *B Для левой задней двери
      *a

      Вид спереди разъема со стороны жгута проводов:

      (к ЭБУ амортизатора)

      Проверьте разъем и жгут проводов привода заднего амортизатора.


      1. Подсоедините разъем P17 и/или Q26 привода заднего амортизатора.

      2. Отсоедините разъем P16 ЭБУ амортизатора.

      3. Измерьте сопротивление в соответствии со значениями, приведенными в таблице ниже.

        Номинальное сопротивление
        Для правого заднего (для DTC C1733)
        Подключение диагностического прибора Условие Заданные условия
        P16-1 (RAR+) - масса Всегда 12,0 - 12,8 Ом
        P16-2 (RAR-) - масса Всегда 12,0 - 12,8 Ом
        P16-3 (RBR+) - масса Всегда 12,0 - 12,8 Ом
        P16-4 (RBR-) - масса Всегда 12,0 - 12,8 Ом
        Для левого заднего (для DTC C1734)
        Подключение диагностического прибора Условие Заданные условия
        P16-5 (RAL+) - масса Всегда 12,0 - 12,8 Ом
        P16-6 (RAL-) - масса Всегда 12,0 - 12,8 Ом
        P16-7 (RBL+) - масса Всегда 12,0 - 12,8 Ом
        P16-8 (RBL-) - масса Всегда 12,0 - 12,8 Ом
      Результат
      Следующий шаг
      OK
      NG

    OK
    NG