БЛОК АВТОМАТИЧЕСКОЙ ТРАНСМИССИИ (для моделей с 2GR-FSE) ПРОВЕРКА

ПОРЯДОК ВЫПОЛНЕНИЯ


  1. ПРОВЕРЬТЕ ТОРМОЗНОЙ ДИСК № 1


    1. A01GFY9

      Убедитесь в отсутствии износа и подгорания поверхностей трения тормозных дисков № 1, тормозных пластин № 1 и фланца тормоза № 1.

      При необходимости замените их.

      Note


      • Если фрикционные накладки тормозных дисков № 1 отслоились или выцвели, или стерлась хотя бы часть проштампованных номеров, замените все тормозные диски № 1.

      • Перед установкой новых тормозных дисков № 1 опустите их в трансмиссионную жидкость, как минимум, на 2 часа.

  2. ПРОВЕРЬТЕ ПЕРЕДНЮЮ ПЛАНЕТАРНУЮ ПЕРЕДАЧУ В СБОРЕ


    1. A01MWNV

      С помощью комплекта плоских щупов измерьте осевой зазор ведущей шестерни передней планетарной передачи.

      Номинальный зазор
      0,2 - 0,6 мм (0,0079 - 0,0236 дюйма)

      • Если внутренний диаметр превышает номинальный, замените заднюю планетарную передачу в сборе.

  3. ПРОВЕРЬТЕ ЗАЗОР УПЛОТНЕНИЯ ТОРМОЗА № 1


    1. A01MX90N01

      С помощью штангенциркуля измерьте расстояние A (от уступа на установочной поверхности масляного насоса на картере автоматической трансмиссии до уступа на установочной поверхности фланца тормоза № 1), показанное на рисунке, и вычислите среднюю величину.

      Tech Tips

      Размер A = 59,77 - 60,03 мм (2,3532 - 2,3633 дюйма)

    2. A01MWOVN01

      С помощью штангенциркуля измерьте расстояние B (от поверхности фланца масляного насоса в сборе до конца поршня тормозного цилиндра № 1), показанное на рисунке, и вычислите среднюю величину.

      Tech Tips

      Размер B = 34,636 - 34,964 мм (1,3637 - 1,3765 дюйма)

    3. A01MUONC01
      *1 Фланец тормоза № 1
      *2 Тормозной диск № 1
      *3 Тормозная пластина № 1

      С помощью штангенциркуля соберите вместе 4 тормозных пластины № 1, 4 тормозных диска № 1 и фланец тормоза № 1 и измерьте расстояние C, показанное на рисунке, и вычислите среднюю величину.

      Tech Tips


      • Размер C = 19,41 - 21,11 мм (0,7642 - 0,8311 дюйма)


      • Зазор уплотнения = Размер A - Размер B - Размер C

      Зазор уплотнения
      0,75 - 1,05 мм (0,0296 - 0,0413 дюйма)
    4. Если зазор уплотнения не попадает в номинальный диапазон, выберите и установите фланец тормоза № 1, который обеспечивает отвечающий требованиям зазор уплотнения.

      Tech Tips

      Для регулировки зазора уплотнения можно использовать фланцы тормоза № 1 9 типов. Выбирайте фланец с наиболее приемлемой толщиной.

      Толщина фланца
      № детали Метка Толщина
      35676-50070 0 4,45 - 4,55 мм (0,1752 - 0,1791 дюйма)
      35676-50080 1 4,55 - 4,65 мм (0,1791 - 0,1831 дюйма)
      35676-50090 2 4,65 - 4,75 мм (0,1831 - 0,1870 дюйма)
      35676-50100 3 4,75 - 4,85 мм (0,1870 - 0,1909 дюйма)
      35676-50110 4 4,85 - 4,95 мм (0,1909 - 0,1949 дюйма)
      35676-50120 5 4,95 - 5,05 мм (0,1949 - 0,1988 дюйма)
      35676-50130 6 5,05 - 5,15 мм (0,1988 - 0,2028 дюйма)
      35676-50140 7 5,15 - 5,25 мм (0,2028 - 0,2067 дюйма)
      35676-50150 8 5,25 - 5,35 мм (0,2067 - 0,2106 дюйма)
  4. ПРОВЕРЬТЕ ВЕДОМЫЙ ДИСК СЦЕПЛЕНИЯ № 3

    A01GFDZ

    1. Убедитесь в отсутствии износа и подгорания поверхностей скольжения ведомых дисков сцепления № 3, дисков сцепления № 3 и фланца муфты № 3.

      При необходимости замените их.

      Note

      Перед установкой новых дисков муфты № 3 опустите их в трансмиссионную жидкость, как минимум, на 2 часа.

  5. ПРОВЕРЬТЕ ЗАЗОР УПЛОТНЕНИЯ МУФТЫ № 3


    1. Подавая сжатый воздух (под давлением 196 кПа, 2,0 кгс/см2, 28 фунтов на кв. дюйм) из отверстия для масла, как показано на рисунке, с помощью индикатора часового типа измерьте расстояние перемещения (расстояние A) фланца муфты № 3 на противоположных сторонах диаметра и рассчитайте среднее значение.

      A01MYJ0C01
      *a Смазочное отверстие *b Расстояние A
      *c Отверстие для датчика частоты вращения - -
      Зазор уплотнения
      0,4 - 0,7 мм (0,0158 - 0,0275 дюйма)
    2. Если зазор уплотнения выходит за пределы номинального диапазона, выберите и установите фланец муфты № 3, который обеспечивает отвечающий требованиям зазор уплотнения.

      Tech Tips

      Для регулировки зазора уплотнения можно использовать фланцы муфты № 3 7 типов. Выбирайте фланец с наиболее приемлемой толщиной.

      Толщина фланца
      Каталожный номер Метка Толщина
      34615-50060 0 3,95 - 4,05 мм (0,1555 - 0,1594 дюйма)
      34615-50070 1 4,05 - 4,15 мм (0,1594 - 0,1634 дюйма)
      34615-50080 2 4,15 - 4,25 мм (0,1634 - 0,1673 дюйма)
      34615-50090 3 4,25 - 4,35 мм (0,1673 - 0,1713 дюйма)
      34615-50100 4 4,35 - 4,45 мм (0,1713 - 0,1752 дюйма)
      34615-50110 5 4,45 - 4,55 мм (0,1752 - 0,1791 дюйма)
      34615-50120 6 4,55 - 4,65 мм (0,1791 - 0,1831 дюйма)
  6. ПРОВЕРЬТЕ ДИСК МУФТЫ ЗАДНЕГО ХОДА


    1. A01MYX6

      Проверьте, нет ли износа и подгорания поверхностей трения дисков, пластин и фланца муфты заднего хода.

      При необходимости замените их.

      Note


      • Если фрикционные накладки дисков муфты заднего хода отслоились или выцвели, или стерлась хотя бы часть проштампованных номеров, замените все диски муфты заднего хода.

      • Перед установкой новых дисков муфты заднего хода опустите их в трансмиссионную жидкость, как минимум, на 2 часа.

  7. ПРОВЕРЬТЕ СТЯЖНУЮ ПРУЖИНУ МУФТЫ ЗАДНЕГО ХОДА В СБОРЕ


    1. A01MVUN

      С помощью штангенциркуля измерьте длину пружины с седлом в свободном состоянии.

      Номинальная длина в свободном состоянии
      22,21 мм (0,8744 дюйма)

      • Если длина в свободном состоянии меньше номинальной, замените стяжную пружину муфты заднего хода в сборе.

  8. ПРОВЕРЬТЕ ЗАЗОР УПЛОТНЕНИЯ МУФТЫ ЗАДНЕГО ХОДА


    1. Подавая сжатый воздух (под давлением 196 кПа, 2,0 кгс/см2, 28 фунтов на кв. дюйм) из отверстия для масла, как показано на рисунке, с помощью индикатора часового типа измерьте расстояние перемещения (расстояние A) фланца муфты заднего хода на противоположных сторонах диаметра и рассчитайте среднее значение.

      A01MVVNC01
      *a Смазочное отверстие *b Расстояние A
      *c Отверстие для датчика частоты вращения - -
      Зазор уплотнения
      0,5 - 0,8 мм (0,0197 - 0,0314 дюйма)
    2. Если зазор уплотнения выходит за пределы номинального диапазона, выберите и установите фланец муфты заднего хода, который обеспечивает отвечающий требованиям зазор уплотнения.

      Tech Tips

      Для регулировки зазора уплотнения можно использовать фланцы муфты заднего хода 9 типов. Выбирайте фланец с наиболее приемлемой толщиной.

      Толщина фланца
      Каталожный номер Метка Толщина
      35649-50080 0 2,95 - 3,05 мм (0,1161 - 0,1201 дюйма)
      35649-50090 1 3,05 - 3,15 мм (0,1201 - 0,1240 дюйма)
      35649-50100 2 3,15 - 3,25 мм (0,1240 - 0,1280 дюйма)
      35649-50110 3 3,25 - 3,35 мм (0,1280 - 0,1319 дюйма)
      35649-50120 4 3,35 - 3,45 мм (0,1319 - 0,1358 дюйма)
      35649-50130 5 3,45 - 3,55 мм (0,1358 - 0,1398 дюйма)
      35649-50140 6 3,55 - 3,65 мм (0,1398 - 0,1437 дюйма)
      35649-50150 7 3,65 - 3,75 мм (0,1437 - 0,1476 дюйма)
      35649-50160 8 3,75 - 3,85 мм (0,1476 - 0,1516 дюйма)
  9. ПРОВЕРЬТЕ СТЯЖНУЮ ПРУЖИНУ МУФТЫ ПОВЫШАЮЩЕЙ ПЕРЕДАЧИ В СБОРЕ


    1. A01MYH2

      С помощью штангенциркуля измерьте длину пружины с седлом в свободном состоянии.

      Номинальная длина в свободном состоянии
      21,09 мм (0,8303 дюйма)

      • Если длина в свободном состоянии меньше номинальной, замените стяжную пружину муфты повышающей передачи в сборе.

  10. ПРОВЕРЬТЕ БАРАБАН МУФТЫ ПРЯМОЙ ПОВЫШАЮЩЕЙ ПЕРЕДАЧИ В СБОРЕ


    1. A01MVRY

      С помощью индикатора часового типа для отверстий измерьте внутренний диаметр втулки барабана муфты прямой повышающей передачи в сборе.

      Номинальный внутренний диаметр спереди
      67,40 - 67,44 мм (2,6536 - 2,6551 дюйма)
      Номинальный внутренний диаметр сзади
      55,62-55,64 мм (2,1898-2,1905 дюйма)

      • Если внутренний диаметр не удовлетворяет требованиям, замените барабан муфты прямой повышающей передачи в сборе.

  11. ПРОВЕРЬТЕ ДИСК МНОГОДИСКОВОЙ МУФТЫ ПЕРЕДНЕГО ХОДА


    1. A01MWHC

      Проверьте, нет ли износа и подгорания поверхностей скольжения дисков, пластин и фланца муфты переднего хода.

      При необходимости замените их.

      Note


      • Если фрикционные накладки дисков многодисковой муфты переднего хода отслоились или выцвели, или стерлась хотя бы часть проштампованных номеров, замените все диски многодисковой муфты переднего хода.

      • Перед сборкой новых дисков многодисковой муфты переднего хода опустите их в трансмиссионную жидкость, как минимум, на 2 часа.

  12. ПРОВЕРЬТЕ СТЯЖНУЮ ПРУЖИНУ МУФТЫ ПЕРЕДНЕГО ХОДА В СБОРЕ


    1. A01MWOI

      С помощью штангенциркуля измерьте длину пружины с седлом в свободном состоянии.

      Номинальная длина в свободном состоянии
      20,82 мм (0,8197 дюйма)

      • Если длина в свободном состоянии меньше номинальной, замените стяжную пружину муфты переднего хода в сборе.

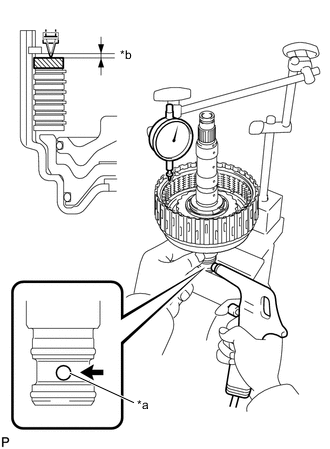
  13. ПРОВЕРЬТЕ ЗАЗОР УПЛОТНЕНИЯ МНОГОДИСКОВОЙ МУФТЫ ПЕРЕДНЕГО ХОДА


    1. Временно соберите переднюю планетарную передачу в сборе на барабане муфты переднего хода в сборе.

    2. A01MXOBC02
      *a Смазочное отверстие
      *b Расстояние A

      Подавая сжатый воздух (под давлением 196 кПа, 2,0 кгс/см2, 28 фунтов на кв. дюйм) из отверстия для масла, как показано на рисунке, с помощью индикатора часового типа измерьте расстояние перемещения (расстояние A) фланца муфты переднего хода на противоположных сторонах диаметра и рассчитайте среднее значение.

      Зазор уплотнения
      0,90 - 1,20 мм (0,0355 - 0,0472 дюйма)
    3. Если зазор уплотнения выходит за пределы номинального диапазона, выберите и установите фланец муфты переднего хода, который обеспечивает отвечающий требованиям зазор уплотнения.

      Tech Tips

      Для регулировки зазора уплотнения можно использовать фланцы муфты переднего хода 9 типов. Выбирайте фланец с наиболее приемлемой толщиной.

      Толщина фланца
      Каталожный номер Метка Толщина
      35635-50090 0 4,35 - 4,45 мм (0,1713 - 0,1752 дюйма)
      35635-50100 1 4,45 - 4,55 мм (0,1752 - 0,1791 дюйма)
      35635-50110 2 4,55 - 4,65 мм (0,1791 - 0,1831 дюйма)
      35635-50120 3 4,65 - 4,75 мм (0,1831 - 0,1870 дюйма)
      35635-50130 4 4,75 - 4,85 мм (0,1870 - 0,1909 дюйма)
      35635-50140 5 4,85 - 4,95 мм (0,1909 - 0,1949 дюйма)
      35635-50150 6 4,95 - 5,05 мм (0,1949 - 0,1988 дюйма)
      35635-50160 7 5,05 - 5,15 мм (0,1988 - 0,2029 дюйма)
      35635-50170 8 5,15 - 5,25 мм (0,2029 - 0,2067 дюйма)
    4. Снимите переднюю планетарную передачу в сборе.

  14. ПРОВЕРЬТЕ БАРАБАН МУФТЫ ПЕРЕДНЕГО ХОДА В СБОРЕ


    1. A01MWJK

      С помощью индикатора часового типа для отверстий измерьте внутренний диаметр втулки барабана муфты переднего хода.

      Номинальный внутренний диаметр
      33,200 - 33,225 мм (1,3071 - 1,3080 дюйма)

      • Если внутренний диаметр не удовлетворяет требованиям, замените барабан муфты переднего хода в сборе.

  15. ПРОВЕРЬТЕ ПЕРВИЧНЫЙ БАРАБАН СОЛНЕЧНОЙ ШЕСТЕРНИ В СБОРЕ


    1. A01MWF2

      С помощью индикатора часового типа для отверстий измерьте внутренний диаметр втулки первичного барабана солнечной шестерни.

      Номинальный внутренний диаметр
      45.075 - 45,100 мм (1,7747 - 1,7755 дюйма)

      • Если внутренний диаметр не удовлетворяет требованиям, замените первичный барабан солнечной шестерни в сборе.

  16. ПРОВЕРЬТЕ СОЛНЕЧНУЮ ШЕСТЕРНЮ ЗАДНЕЙ ПЛАНЕТАРНОЙ ПЕРЕДАЧИ В СБОРЕ


    1. A01MYO6

      С помощью индикатора часового типа для отверстий измерьте внутренний диаметр втулки солнечной шестерни задней планетарной передачи.

      Номинальный внутренний диаметр
      28,700 - 28,721 мм (1,1300 - 1,1307 дюйма)

      • Если внутренний диаметр не удовлетворяет требованиям, замените солнечную шестерню задней планетарной передачи в сборе.

  17. ПРОВЕРЬТЕ ЗАДНЮЮ ПЛАНЕТАРНУЮ ПЕРЕДАЧУ В СБОРЕ


    1. A01MY0L

      С помощью комплекта плоских щупов измерьте осевой зазор ведущей шестерни задней планетарной передачи в узкой и широкой частях.

      Номинальный зазор
      0,2 - 0,6 мм (0,0079 - 0,0236 дюйма)

      • Если зазор не удовлетворяет требованиям, замените заднюю планетарную передачу в сборе.

    2. A01MVGY

      С помощью индикатора часового типа для отверстий измерьте внутренний диаметр втулки задней планетарной передачи.

      Номинальный внутренний диаметр спереди
      71,60 - 71,63 мм (2,8189 - 2,8200 дюйма)
      Номинальный внутренний диаметр сзади
      28,700 - 28,721 мм (1,1300 - 1,1307 дюйма)

      • Если внутренний диаметр не удовлетворяет требованиям, замените заднюю планетарную передачу в сборе.

  18. ПРОВЕРЬТЕ МУФТУ СВОБОДНОГО ХОДА № 1

    A01GFSB

    1. Установите муфту свободного хода на заднюю планетарную передачу в сборе.

    2. Удерживая заднюю планетарную передачу в сборе, проверьте вращение муфты свободного хода.

    3. Убедитесь в том, что муфта свободного хода свободно вращается против часовой стрелки и блокируется при вращении по часовой стрелке.


      • Если работа муфты свободного хода нарушена, замените ее.

  19. ПРОВЕРЬТЕ ТОРМОЗНОЙ ДИСК № 2


    1. A01MYP2

      Убедитесь в отсутствии износа и подгорания поверхностей скольжения тормозных дисков № 2, тормозных пластин № 2, фланца тормоза № 2 и тормозной пластины.

      При необходимости замените их.

      Note


      • Если фрикционные накладки тормозных дисков № 2 отслоились или выцвели, или стерлась хотя бы часть проштампованных номеров, замените все тормозные диски № 2.

      • Перед установкой новых дисков опустите их в трансмиссионную жидкость, как минимум, на 2 часа.

  20. ПРОВЕРЬТЕ ВЕДОМЫЙ ДИСК СЦЕПЛЕНИЯ № 2


    1. A01GFZK

      Убедитесь в отсутствии износа и подгорания поверхностей скольжения ведомых дисков сцепления № 2, дисков сцепления № 2 и фланца муфты № 2.

      При необходимости замените их.

      Note

      Перед установкой новых дисков муфты № 2 опустите их в трансмиссионную жидкость, как минимум, на 2 часа.

  21. ПРОВЕРЬТЕ СТЯЖНУЮ ПРУЖИНУ МУФТЫ ПРЯМОЙ ПЕРЕДАЧИ В СБОРЕ


    1. A01MWVA

      С помощью штангенциркуля измерьте длину пружины с седлом в свободном состоянии.

      Номинальная длина в свободном состоянии
      20,76 мм (0,8173 дюйма)

      • Если длина в свободном состоянии меньше номинальной, замените стяжную пружину муфты прямой передачи в сборе.

  22. ПРОВЕРЬТЕ ЗАЗОР УПЛОТНЕНИЯ ТОРМОЗА № 2


    1. A01MWZDN01

      С помощью штангенциркуля измерьте расстояние А (между торцом поршня тормозного цилиндра № 2 и уступом на картере автоматической трансмиссии в сборе), показанное на рисунке, и рассчитайте среднее значение.

      Tech Tips

      Размер A = 14,77 - 15,37 мм (0,5815 - 0,6051 дюйма)

    2. A01MZ0UC02
      *a Груз
      *1 Фланец тормоза № 2
      *2 Тормозная пластина № 2
      *3 Тормозной диск № 2

      С помощью штангенциркуля соберите 4 тормозных диска № 2, 3 тормозных пластины № 2 и фланец тормоза № 2, как показано на рисунке. Затем поместите на фланец груз массой не более 500 г (17,64 унции), измерьте расстояние B и вычислите среднюю величину.

      Tech Tips


      • Размер B = 13,16 - 14,76 мм (0,5182 - 0,5811 дюйма)


      • Зазор уплотнения = Размер A - Размер B

      Зазор уплотнения
      0,52 - 0,82 мм (0,0205 - 0,0322 дюйма)
    3. Если зазор уплотнения не попадает в номинальный диапазон, выберите и установите фланец тормоза № 2, который обеспечивает отвечающий требованиям зазор уплотнения.

      Tech Tips

      Для регулировки зазора уплотнения можно использовать фланцы тормоза № 2 9 типов. Выбирайте фланец с наиболее приемлемой толщиной.

      Толщина фланца
      Каталожный номер Метка Толщина
      35678-50010 0 1,95-2,05 мм (0,0768-0,0807 дюйма)
      35678-50020 1 2,05-2,15 мм (0,0807-0,0846 дюйма)
      35678-50030 2 2,15-2,25 мм (0,0846-0,0886 дюйма)
      35678-50040 3 2,25-2,35 мм (0,0886-0,0925 дюйма)
      35678-50050 4 2,35-2,45 мм (0,0925-0,0965 дюйма)
      35678-50060 5 2,45 - 2,55 мм (0,0965 - 0,1004 дюйма)
      35678-50070 6 2,55 - 2,65 мм (0,1004 - 0,1043 дюйма)
      35678-50080 7 2,65 - 2,75 мм (0,1043 - 0,1083 дюйма)
      35678-50090 8 2,75 - 2,85 мм (0,1083 - 0,1122 дюйма)
  23. ПРОВЕРЬТЕ ЗАЗОР УПЛОТНЕНИЯ МУФТЫ № 2


    1. A01MVLUC02
      *a Смазочное отверстие
      *b Расстояние A

      Подавая сжатый воздух (под давлением 196 кПа, 2,0 кгс/см2, 28 фунтов на кв. дюйм) из отверстия для масла, как показано на рисунке, с помощью индикатора часового типа измерьте расстояние перемещения (расстояние A) фланца муфты № 2 на противоположных сторонах диаметра и рассчитайте среднее значение.

      Зазор уплотнения
      0,90 - 1,20 мм (0,0354 - 0,0472 дюйма)
    2. Если зазор уплотнения выходит за пределы номинального диапазона, выберите и установите фланец муфты № 2, который обеспечивает отвечающий требованиям зазор уплотнения.

      Tech Tips

      Для регулировки зазора уплотнения можно использовать фланцы муфты № 2 9 типов. Выбирайте фланец с наиболее приемлемой толщиной.

      Толщина фланца
      Каталожный номер Метка Толщина
      35635-50181 40 3,95 - 4,05 мм (0,1555 - 0,1594 дюйма)
      35635-50191 41 4,05 - 4,15 мм (0,1594 - 0,1634 дюйма)
      35635-50201 42 4,15 - 4,25 мм (0,1634 - 0,1673 дюйма)
      35635-50211 43 4,25 - 4,35 мм (0,1673 - 0,1713 дюйма)
      35635-50221 44 4,35 - 4,45 мм (0,1713 - 0,1752 дюйма)
      35635-50231 45 4,45 - 4,55 мм (0,1752 - 0,1791 дюйма)
      35635-50241 46 4,55 - 4,65 мм (0,1791 - 0,1831 дюйма)
      35635-50251 47 4,65 - 4,75 мм (0,1831 - 0,1870 дюйма)
      35635-50261 48 4,75 - 4,85 мм (0,1870 - 0,1909 дюйма)
  24. ПРОВЕРЬТЕ СТЯЖНУЮ ПРУЖИНУ ПОРШНЯ ТОРМОЗНОГО ЦИЛИНДРА 2-Й ПЕРЕДАЧИ В СБОРЕ


    1. A01GFC0

      С помощью штангенциркуля измерьте длину пружины с седлом в свободном состоянии.

      Номинальная длина в свободном состоянии
      23,36 мм (0,9197 дюйма)

      • Если длина в свободном состоянии меньше номинальной, замените стяжную пружину поршня тормозного цилиндра 2-й передачи в сборе.

  25. ПРОВЕРЬТЕ РАБОТУ КАЖДОГО ПОРШНЯ


    1. A01MVMIC01
      *1 Многодисковая муфта переднего хода
      *2 Муфта № 2
      *3 Муфта № 3
      *4 Муфта заднего хода
      *5 Тормоз № 1
      *6 Тормоз № 2 (впуск)
      *7 Тормоз № 2 (выпуск)

      Подавая сжатый воздух в отверстия для заливки масла, показанные на рисунке, проверьте наличие звука срабатывания.

  26. ПРОВЕРЬТЕ КАРТЕР АВТОМАТИЧЕСКОЙ ТРАНСМИССИИ В СБОРЕ


    1. A01MX82

      С помощью индикатора часового типа для отверстий измерьте внутренний диаметр вкладыша картера автоматической трансмиссии.

      Номинальная длина в свободном состоянии
      49,070 - 49,155 мм (1,9319 - 1,9352 дюйма)

      • Если внутренний диаметр не удовлетворяет требованиям, замените картер автоматической трансмиссии в сборе.