СИСТЕМА АВТОМАТИЧЕСКОЙ ТРАНСМИССИИ (для моделей с 2GR-FSE), Diagnostic DTC:P0617

Код DTC Наименование DTC
P0617 Высокий уровень сигнала в цепи реле стартера

ОПИСАНИЕ

При прокручивании коленчатого вала двигателя стартером на контакт STA блока TCM подается напряжение аккумуляторной батареи.

Если TCM обнаруживает сигнал управления стартером (STA) во время движения автомобиля, он регистрирует неисправность в цепи STA. TCM включает контрольную лампу MIL и регистрирует данный код DTC.

Данная функция контроля включается при движении автомобиля со скоростью 20 км/час (12,4 мили в час) или выше в течение более 20 с.

№ DTC Неисправность Условие обнаружения DTC Неисправный участок MIL Память
P0617 Высокий уровень сигнала в цепи реле стартера

При выполнении условий (a), (b) и (c) в течение 20 секунд на TCM подается напряжение (+B) аккумуляторной батареи величиной не менее 10,5 В (логика диагностирования за 1 поездку)

(а) Скорость автомобиля превышает 20 км/час (12,4 мили в час)

(b) Частота вращения коленчатого вала двигателя превышает 1000 об/мин

(c) Включен сигнал STA


  • Датчик положения паркинга/нейтрали в сборе

  • Цепь реле стартера

  • Цепь функции полуавтоматического запуска двигателя

  • Жгут проводов и разъем

  • TCM

Загорается Код DTC сохраняется

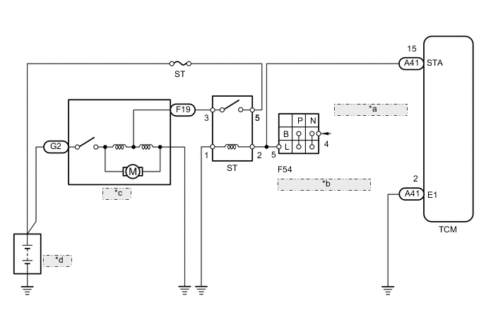
СХЕМА ЭЛЕКТРИЧЕСКИХ СОЕДИНЕНИЙ

A01MWOPE03
*a от ЭБУ сертификации (ЭБУ электронного ключа зажигания в сборе)
*b Датчик положения паркинга/нейтрали
*c Стартер
*d Аккумуляторная батарея

ПРЕДОСТЕРЕЖЕНИЕ / ПРИМЕЧАНИЕ / УКАЗАНИЕ

Note

В случае замены деталей, связанных с автоматической трансмиссией, выполните регистрацию и/или инициализацию.

Нажмите здесь Click here

ПОРЯДОК ВЫПОЛНЕНИЯ


  1. СНИМИТЕ ПОКАЗАНИЯ GTS (STARTER SIGNAL)


    1. Подключите GTS к DLC3.

    2. Включите зажигание (IG).

    3. Включите GTS.

    4. Войдите в следующие меню: Powertrain / ECT / Data List / Starter Signal.


      Powertrain > ECT > Data List
      Информация на дисплее прибора Измеряемая величина Диапазон Нормальное состояние Замечание по диагностике
      Starter Signal Сигнал стартера ON (ВКЛ) или OFF (ВЫКЛ)
      • ON (ВКЛ): Коленчатый вал двигателя прокручивается стартером

      • OFF (ВЫКЛ): Зажигание включено (IG)

      -

      Powertrain > ECT > Data List
      Информация на дисплее прибора
      Starter Signal
    5. Запустите прокручивание коленчатого вала двигателя стартером.

    6. Считайте значение, отображаемое на GTS.

      OK
      Информация на дисплее прибора Условие Номинальное значение/Номинальный режим
      Starter Signal Выключатель зажигания в состоянии ON (ВКЛ) (IG) OFF (ВЫКЛ)
      Starter Signal Коленчатый вал двигателя прокручивается стартером ON (ВКЛ)
      Результат
      Следующий шаг
      OK
      NG

    OK
    NG
  2. ПРОВЕРЬТЕ ДАТЧИК ПОЛОЖЕНИЯ ПАРКИНГА/НЕЙТРАЛИ В СБОРЕ


    1. A01MWWXC44
      *a

      Устройство с неподсоединенным жгутом проводов

      (датчик положения паркинга/нейтрали в сборе)

      Отсоедините разъем датчика положения паркинга/нейтрали в сборе.

    2. Измерьте сопротивление датчика положения паркинга / нейтрали в каждом из указанных положений рычага переключения передач.

      Номинальное сопротивление
      Подключение диагностического прибора Положение рычага переключения передач Заданные условия
      4 (B) - 5 (L) P Менее 1 Ом
      N Менее 1 Ом
      Кроме P и N 10 кОм или более
      2 (RB) - 5 (L) P 10 кОм или более
      R 10 кОм или более
      N 10 кОм или более
      D 10 кОм или более
      Результат
      Следующий шаг
      OK
      NG

    NG
    OK
  3. ПРОВЕРЬТЕ ЖГУТ ПРОВОДОВ И РАЗЪЕМ (ТСМ - ДАТЧИК ПОЛОЖЕНИЯ ПАРКИНГА/НЕЙТРАЛИ В СБОРЕ)


    1. A01MUIYC08
      *a

      Вид сзади разъема со стороны жгута проводов

      (к TCM)

      Отсоедините разъем А41 TCM.

    2. Извлеките интегрированное реле ST из блока реле моторного отсека.

    3. Отсоедините разъем датчика положения паркинга/нейтрали в сборе.

    4. Измерьте напряжение в соответствии со значениями, приведенными в таблице.

      Номинальное напряжение
      Подключение диагностического прибора Условие Заданные условия
      A41-15 (STA) - масса Зажигание включено (IG) Менее 2 В
      Результат
      Следующий шаг
      OK
      NG

    NG
    OK
  4. СБРОСЬТЕ DTC И ВЫПОЛНИТЕ ИСПЫТАНИЕ


    1. Подключите GTS к DLC3.

    2. Запустите двигатель и включите GTS.

    3. Войдите в следующие меню: Powertrain / ECT / Trouble Codes.


      Powertrain > ECT > Clear DTCs
    4. Сбросьте коды DTC.

      Tech Tips

      Запишите все текущие коды, прежде чем удалять DTC.

    5. Выполните контрольную поездку.

      Нажмите здесь Click here

    6. Войдите в следующие меню: Powertrain / ECT / Trouble Codes.


      Powertrain > ECT > Trouble Codes
    7. С помощью GTS считайте коды DTC.

      Результат
      Следующий шаг
      OK
      NG

    OK
    NG
  5. ЗАМЕНИТЕ TCM


    1. Замените TCM.

      Нажмите здесь Click here

      Результат
      Следующий шаг
      ДАЛЕЕ

    ДАЛЕЕ