СИСТЕМА АВТОМАТИЧЕСКОЙ ТРАНСМИССИИ (для моделей с 2GR-FSE), Diagnostic DTC:P0560

Код DTC Наименование DTC
P0560 Напряжение бортовой сети

ОПИСАНИЕ

Питание от аккумуляторной батареи подается в TCM, даже когда зажигание выключено. Это позволяет TCM сохранять такие данные, как архив DTC и данные фиксированного набора параметров. Когда напряжение аккумуляторной батареи опускается ниже минимально допустимого уровня, хранящиеся в TCM данные удаляются, и TCM регистрирует неисправность в цепи питания. При следующем запуске двигателя TCM включает контрольную лампу MIL и сохраняет данный DTC.

№ DTC Неисправность Условие обнаружения DTC Неисправный участок MIL Память
P0560 Напряжение бортовой сети Низкое напряжение в цепи вспомогательного источника питания TCM (логика диагностирования за 1 поездку)
  • Цепь вспомогательного источника питания

  • TCM

Загорается Код DTC сохраняется

Tech Tips

При регистрации кода DTC P0560 TCM не сохраняет другие DTC.

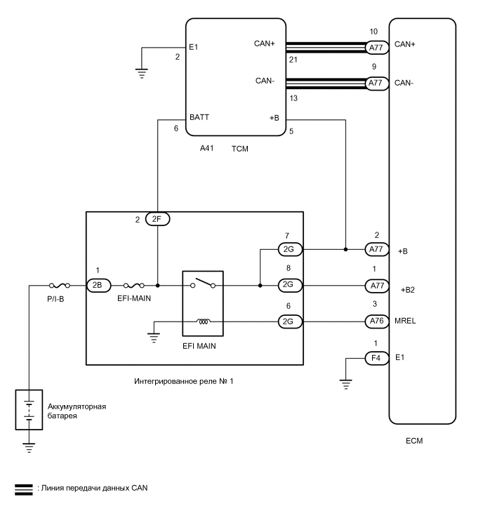
СХЕМА ЭЛЕКТРИЧЕСКИХ СОЕДИНЕНИЙ

A01MXC3E07

ПРЕДОСТЕРЕЖЕНИЕ / ПРИМЕЧАНИЕ / УКАЗАНИЕ

Note

В случае замены деталей, связанных с автоматической трансмиссией, выполните регистрацию и/или инициализацию.

Нажмите здесь Click here

ПОРЯДОК ВЫПОЛНЕНИЯ


  1. ПРОВЕРЬТЕ TCM (ПИТАНИЕ, МАССУ)


    1. A01MUIYC07
      *a

      Вид сзади разъема со стороны жгута проводов

      (к TCM)

      Отсоедините разъем А41 TCM.

    2. Измерьте напряжение в соответствии со значениями, приведенными в таблице.

      Номинальное напряжение
      Контакты для подключения диагностического прибора Условие Заданные условия
      A41-6 (BATT) - A41-2 (E1) Всегда 11–14 В
    3. Измерьте сопротивление в соответствии со значениями, приведенными в таблице ниже.

      Номинальное сопротивление
      Контакты для подключения диагностического прибора Условие Заданные условия
      A41-2 (E1) - масса Всегда Менее 1 Ом
      Результат
      Следующий шаг
      OK
      NG

    NG
    OK
  2. ЗАМЕНИТЕ TCM


    1. Замените TCM.

      Нажмите здесь Click here

      Результат
      Следующий шаг
      ДАЛЕЕ

    ДАЛЕЕ