СИСТЕМА АВТОМАТИЧЕСКОЙ ТРАНСМИССИИ (для моделей с 2GR-FSE), Diagnostic DTC:P0872

Код DTC Наименование DTC
P0872 Низкий уровень сигнала в цепи переключателя / датчика давления трансмиссионной жидкости "C"

ОПИСАНИЕ

Контактный датчик давления масла встроен в корпус клапанов и определяет давление жидкости в рабочем контуре SL1.

№ DTC Неисправность Условие обнаружения DTC Неисправный участок MIL Память
P0872 Низкий уровень сигнала в цепи переключателя / датчика давления трансмиссионной жидкости "C"
  1. Условие диагностики


    • Температура ECT – не ниже 40°C (104°F), температура ATF – не ниже -10°C (14°F), автомобиль находится в движении, и рычаг переключения передач установлен в положение D (в электромагнитных клапанах переключения передач SL1, 2, 3, 4 и 5, SR, датчиках частоты вращения трансмиссии (NT, NC3, SP2), датчике температуры охлаждающей жидкости, датчике температуры масла, датчике детонации, электронной системе управления дроссельной заслонкой и CAN2 неисправностей не обнаружено)

  2. Состояние неисправности


    • Несмотря на то, что фактически включена какая-либо передача с 1-й по 5-ю, контактный датчик давления масла находится в выключенном состоянии

  3. Момент регистрации неисправности


    • Состояние неисправности регистрируется 2 раза (за 1 поездку)

  4. Прочее


    • Логика диагностирования за 2 поездки


  • Контактный датчик давления масла

  • Жгут электропроводки трансмиссии

  • Жгут проводов и разъем

  • TCM

Загорается Код DTC сохраняется

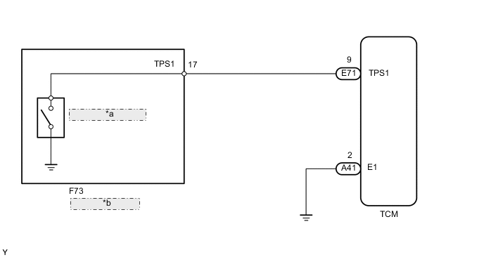
СХЕМА ЭЛЕКТРИЧЕСКИХ СОЕДИНЕНИЙ

A01MWNAE05
*a Контактный датчик давления масла
*b Жгут электропроводки трансмиссии

ПРЕДОСТЕРЕЖЕНИЕ / ПРИМЕЧАНИЕ / УКАЗАНИЕ

Note

В случае замены деталей, связанных с автоматической трансмиссией, выполните регистрацию и/или инициализацию.

Нажмите здесь Click here

ПОРЯДОК ВЫПОЛНЕНИЯ


  1. СНИМИТЕ ПОКАЗАНИЯ GTS (СИГНАЛ TPS 1 SWITCH)


    1. Подключите GTS к DLC3.

    2. Включите зажигание (IG).

    3. Включите GTS.

    4. Войдите в следующие меню: Powertrain / ECT / Active Test / Control the Shift Position / Data List / TPS 1 Switch.


      Powertrain > ECT > Active Test
      Информация на дисплее прибора Измеряемая величина Диапазон регулирования Замечание по диагностике
      Control the Shift Position Управление электромагнитными клапанами переключения передач для выбора передач
      • Нажатие кнопки "→": переключение на более высокую передачу

      • Нажатие кнопки "←": переключение на более низкую передачу

      Можно проверить работу электромагнитных клапанов переключения передач

      [Состояние автомобиля]


      • 50 км/час (31 миль в час) или ниже


      Powertrain > ECT > Data List
      Информация на дисплее прибора Измеряемая величина Диапазон Нормальное состояние Замечание по диагностике
      TPS 1 Switch Состояние контактного датчика давления масла ON (ВКЛ) или OFF (ВЫКЛ)
      • ON (ВКЛ): Передача из диапазона с 1-й по 5-ю

      • OFF (ВЫКЛ): Передача из диапазона с 6-й по 8-ю; либо рычаг переключения передач в положении P, N или R

      -

      Powertrain > ECT > Active Test
      Экран активной диагностики
      Control the Shift Position
      Экран Data List
      TPS 1 Switch
      Результат
      Результат Следующий шаг
      Когда автомобиль движется на передаче с 1-й по 5-ю, в режиме Data List для параметра TPS 1 Switch отображается значение ON. А
      Когда автомобиль движется на передаче с 1-й по 5-ю, в режиме Data List для параметра TPS 1 Switch отображается значение OFF. B

    B
    А
  2. ЗАМЕНИТЕ TCM


    1. Замените TCM.

      Нажмите здесь Click here

      Результат
      Следующий шаг
      ДАЛЕЕ

    ДАЛЕЕ
  3. ПРОВЕРЬТЕ ЖГУТ ПРОВОДОВ И РАЗЪЕМ (ЖГУТ ЭЛЕКТРОПРОВОДКИ ТРАНСМИССИИ – TCM)


    1. Отсоедините разъем F73 жгута электропроводки трансмиссии.

    2. Отсоедините разъем F71 TCM.

    3. Измерьте сопротивление в соответствии со значениями, приведенными в таблице ниже.

      Номинальное сопротивление
      Подключение диагностического прибора Условие Заданные условия
      F73-17 (TPS1) - F71-9 (TPS1) Всегда Менее 1 Ом
      F73-17 (TPS1) или F71-9 (TPS1) - масса Всегда 10 кОм или более
      Результат
      Перейти к
      OK
      NG

    NG
    OK
  4. ПРОВЕРЬТЕ ЖГУТ ЭЛЕКТРОПРОВОДКИ ТРАНСМИССИИ (КОНТАКТНЫЙ ДАТЧИК ДАВЛЕНИЯ МАСЛА)


    1. A01MXP9C02
      *a

      Вид спереди разъема со стороны жгута проводов:

      (к разъему контактного датчика давления масла)

      *b

      Устройство с отсоединенным жгутом проводов

      (жгут электропроводки трансмиссии)

      *c Корпус

      Отсоедините разъем контактного датчика давления масла.

      Нажмите здесь Click here

    2. Отсоедините разъем жгута электропроводки трансмиссии.

    3. Измерьте сопротивление в соответствии со значениями, приведенными в таблице ниже.

      Номинальное сопротивление
      Подключение диагностического прибора Условие Заданные условия
      Разъем контактного датчика давления масла - 17 (TPS1) Всегда Менее 1 Ом
      Разъем контактного датчика давления масла или 17 (TPS1) - масса Всегда 10 кОм или более
      Результат
      Перейти к
      OK
      NG

    OK
    NG