СИСТЕМА АВТОМАТИЧЕСКОЙ ТРАНСМИССИИ (для моделей с 8AR-FTS), Diagnostic DTC:P070513, P070562

Код DTC Наименование DTC
P070513 Датчик диапазона трансмиссии "A", цепь — обрыв
P070562 Датчик диапазона трансмиссии "А" — сбой сравнения сигналов

ОПИСАНИЕ

Датчик положения паркинга/нейтрали определяет положение рычага переключения передач и передает соответствующий сигнал в ECM.

№ DTC Неисправность Условие обнаружения DTC Неисправный участок MIL Память Примечание
P070513 Датчик диапазона трансмиссии "A", цепь — обрыв

1. Условие диагностики 2. Состояние неисправности 3. Продолжительность неисправности 4. Прочее


  1. Зажигание включено (IG) и напряжение аккумуляторной батареи не ниже 10,5 В.

  2. Все следующие сигналы находятся в выключенном состоянии одновременно:


    • Входной сигнал NSW

    • Входной сигнал P

    • Входной сигнал R

    • Входной сигнал N

    • Входной сигнал D

  3. 60 с

  4. Логика диагностирования за 2 поездки


  • Датчик положения паркинга/нейтрали в сборе

  • Обрыв в цепи датчика положения паркинга/нейтрали в сборе

  • ECM

Загорается Код DTC сохраняется

Код SAE:

P0705

P070562 Датчик диапазона трансмиссии "А" — сбой сравнения сигналов

1. Условие диагностики 2. Состояние неисправности 3. Продолжительность неисправности 4. Прочее


  1. Зажигание включено (IG) и напряжение аккумуляторной батареи не ниже 10,5 В.

  2. Одновременно включены не менее 2 из следующих сигналов:


    • Входной сигнал (NSW, P или N)

    • Входной сигнал R

    • Входной сигнал D

  3. 2 с

  4. Логика диагностирования за 2 поездки


  • Датчик положения паркинга/нейтрали в сборе

  • Короткое замыкание в цепи датчика положения паркинга/нейтрали в сборе

  • ECM

Загорается Код DTC сохраняется

Код SAE:

P0705

ОПИСАНИЕ РАБОТЫ СИСТЕМЫ КОНТРОЛЯ

Этот DTC указывает на неисправность датчика положения паркинга/нейтрали в сборе или жгута проводов цепи датчика положения паркинга/нейтрали в сборе.

Датчик положения паркинга/нейтрали определяет положение рычага переключения передач и передает соответствующий сигнал в ECM.

В целях безопасности датчик определяет положение рычага переключения передач с тем, чтобы двигатель мог быть включен только при нахождении рычага переключения в положении P или N.

Сигнал, передаваемый датчиком положения паркинга/нейтрали в ECM, соответствует положению рычага переключения передач (P, N, R, D или M).

При одновременном поступлении более чем 1-го сигнала положения ECM регистрирует наличие неисправности в датчике или связанных с ним устройствах. При этом ЕСМ включает контрольную лампу неисправности и сохраняет код DTC.

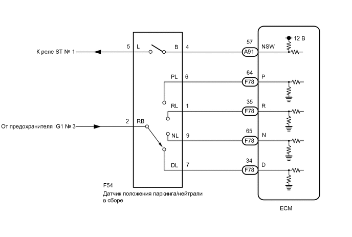
СХЕМА СОЕДИНЕНИЙ

A01MXARE06

ПРЕДОСТЕРЕЖЕНИЕ / ПРИМЕЧАНИЕ / УКАЗАНИЕ

Note


  • Перед выполнением последующей процедуры проверки проверьте плавкие предохранители цепей, относящихся к данной системе.

  • В случае замены деталей, связанных с автоматической трансмиссией, выполните регистрацию и/или инициализацию.

    Нажмите здесь Click here

Tech Tips

После выполнения ремонта удалите коды DTC и выполните описанные ниже действия, чтобы убедиться, что DTC не выводятся.


  1. Убедитесь, что напряжение аккумуляторной батареи составляет не менее 10,5 В.

  2. Включите зажигание (IG).

  3. Переместите рычаг переключения передач во все положения (P, R, N и D) и подождите не менее 60 с для каждого положения.

  4. Выключите зажигание.

  5. Повторите шаги (1)–(3).

  6. Вновь проверьте коды DTC.

    Нажмите здесь Click here

ПОРЯДОК ВЫПОЛНЕНИЯ


  1. ПРОВЕРЬТЕ ДАТЧИК ПОЛОЖЕНИЯ ПАРКИНГА/НЕЙТРАЛИ В СБОРЕ (ПИТАНИЕ)


    1. A01MW8LC09
      *a

      Вид спереди разъема со стороны жгута проводов:

      (к датчику положения паркинга/нейтрали в сборе)

      Отсоедините разъем F54 датчика положения паркинга/нейтрали.

    2. Измерьте напряжение в соответствии со значениями, приведенными в таблице.

      Номинальное напряжение
      Подключение диагностического прибора Условие Заданные условия
      F54-2 (RB) - масса Зажигание включено (IG) 11-14 В
      F54-2 (RB) - масса Зажигание выключено Менее 1 В
      Результат
      Следующий шаг
      OK
      NG

    NG
    OK
  2. ПРОВЕРЬТЕ ДАТЧИК ПОЛОЖЕНИЯ ПАРКИНГА/НЕЙТРАЛИ В СБОРЕ (ПИТАНИЕ)


    1. A01MW8LC08
      *a

      Вид спереди разъема со стороны жгута проводов:

      (к датчику положения паркинга/нейтрали в сборе)

      Отсоедините разъем F54 датчика положения паркинга/нейтрали.

    2. Измерьте напряжение в соответствии со значениями, приведенными в таблице.

      Номинальное напряжение
      Подключение диагностического прибора Условие Заданные условия
      F54-4 (B) - масса Зажигание включено (IG) 11-14 В
      F54-4 (B) - масса Зажигание выключено Менее 1 В
      Результат
      Следующий шаг
      OK
      NG

    NG
    OK
  3. ПРОВЕРЬТЕ ДАТЧИК ПОЛОЖЕНИЯ ПАРКИНГА/НЕЙТРАЛИ В СБОРЕ


    1. A01MWWXC90
      *a

      Устройство с неподсоединенным жгутом проводов

      (датчик положения паркинга/нейтрали в сборе)

      Отсоедините разъем F54 датчика положения паркинга/нейтрали.

    2. Измерьте сопротивление в соответствии со значениями, приведенными в таблице ниже.

      Номинальное сопротивление
      Подключение диагностического прибора Условие Заданные условия
      4 (B) - 5 (L) Рычаг переключения передач в положении P или N Менее 1 Ом
      6 (PL) - 2 (RB) Рычаг переключения передач в положении Р Менее 1 Ом
      1 (RL) - 2 (RB) Рычаг переключения передач в положении R Менее 1 Ом
      9 (NL) - 2 (RB) Рычаг переключения передач в положении N Менее 1 Ом
      7 (DL) - 2 (RB) Рычаг переключения передач в положении D или M Менее 1 Ом
      4 (B) - 5 (L) Рычаг переключения передач не в положении P или N 10 кОм или более
      6 (PL) - 2 (RB) Рычаг переключения передач не в положении Р 10 кОм или более
      1 (RL) - 2 (RB) Рычаг переключения передач не в положении R 10 кОм или более
      9 (NL) - 2 (RB) Рычаг переключения передач не в положении N 10 кОм или более
      7 (DL) - 2 (RB) Рычаг переключения передач не в положении D или M 10 кОм или более
      Результат
      Перейти к
      OK
      NG

    NG
    OK
  4. ПРОВЕРЬТЕ ЖГУТ ПРОВОДОВ И РАЗЪЕМ (ДАТЧИК ПОЛОЖЕНИЯ ПАРКИНГА/НЕЙТРАЛИ В СБОРЕ – ECM)


    1. Отсоедините разъем F78 ЕСМ.

    2. Включите зажигание (IG).

    3. Измерьте напряжение в соответствии со значениями, приведенными в таблице.

      Номинальное напряжение
      Подключение диагностического прибора Условие Заданные условия
      F78-64 (P) - масса
      • Выключатель зажигания в состоянии ON (ВКЛ) (IG)

      • Рычаг переключения передач в положении Р

      11 - 14 В
      F78-35 (R) - масса
      • Выключатель зажигания в состоянии ON (ВКЛ) (IG)

      • Рычаг переключения передач в положении R

      11–14 В*
      F78-65 (N) - масса
      • Выключатель зажигания в состоянии ON (ВКЛ) (IG)

      • Рычаг переключения передач в положении N

      11 - 14 В
      F78-34 (D) - масса
      • Выключатель зажигания в состоянии ON (ВКЛ) (IG)

      • Рычаг переключения передач в положении D или M

      11 - 14 В
      F78-64 (P) - масса
      • Выключатель зажигания в состоянии ON (ВКЛ) (IG)

      • Рычаг переключения передач не в положении Р

      Менее 1 В
      F78-35 (R) - масса
      • Выключатель зажигания в состоянии ON (ВКЛ) (IG)

      • Рычаг переключения передач не в положении R

      Менее 1 В
      F78-65 (N) - масса
      • Выключатель зажигания в состоянии ON (ВКЛ) (IG)

      • Рычаг переключения передач не в положении N

      Менее 1 В
      F78-34 (D) - масса
      • Выключатель зажигания в состоянии ON (ВКЛ) (IG)

      • Рычаг переключения передач не в положении D или M

      Менее 1 В

      Tech Tips

      *: напряжение незначительно падает из-за включения фонаря заднего хода.

      Результат
      Перейти К
      OK
      NG

    NG
    OK
  5. ЗАМЕНИТЕ ECM


    1. Замените ECM.

      Нажмите здесь Click here

      Результат
      Перейти к
      ДАЛЕЕ

    ДАЛЕЕ
  6. ПРОВЕРЬТЕ ЖГУТ ПРОВОДОВ И РАЗЪЕМ (ДАТЧИК ПОЛОЖЕНИЯ ПАРКИНГА/НЕЙТРАЛИ – ECM)


    1. Отсоедините разъем F54 датчика положения паркинга/нейтрали.

    2. Отсоедините разъем А91 ECM.

    3. Измерьте сопротивление в соответствии со значениями, приведенными в таблице ниже.

      Номинальное сопротивление
      Подключение диагностического прибора Условие Заданные условия
      F54-4 (B) - A91-57 (NSW) Всегда Менее 1 Ом
      F54-4 (B) или A91-57 (NSW) - масса и другие контакты Всегда 10 кОм или более
      Результат
      Перейти к
      OK
      NG

    NG
    OK
  7. ЗАМЕНИТЕ ECM


    1. Замените ECM.

      Нажмите здесь Click here

      Результат
      Перейти к
      ДАЛЕЕ

    СЛЕДУЮЩЕЕ -