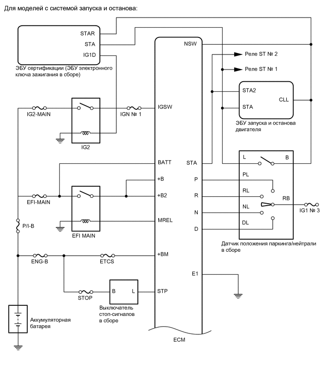
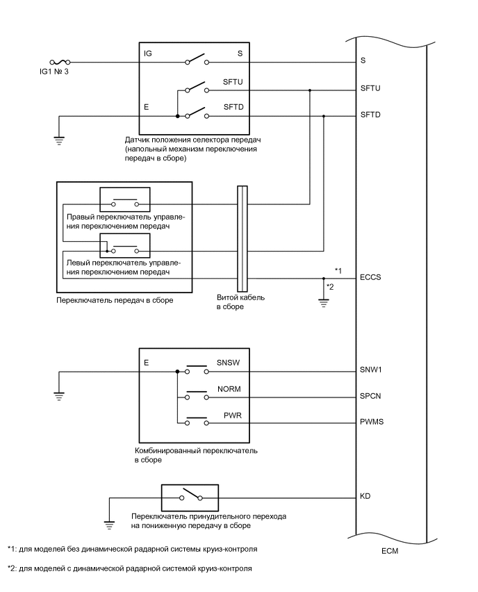
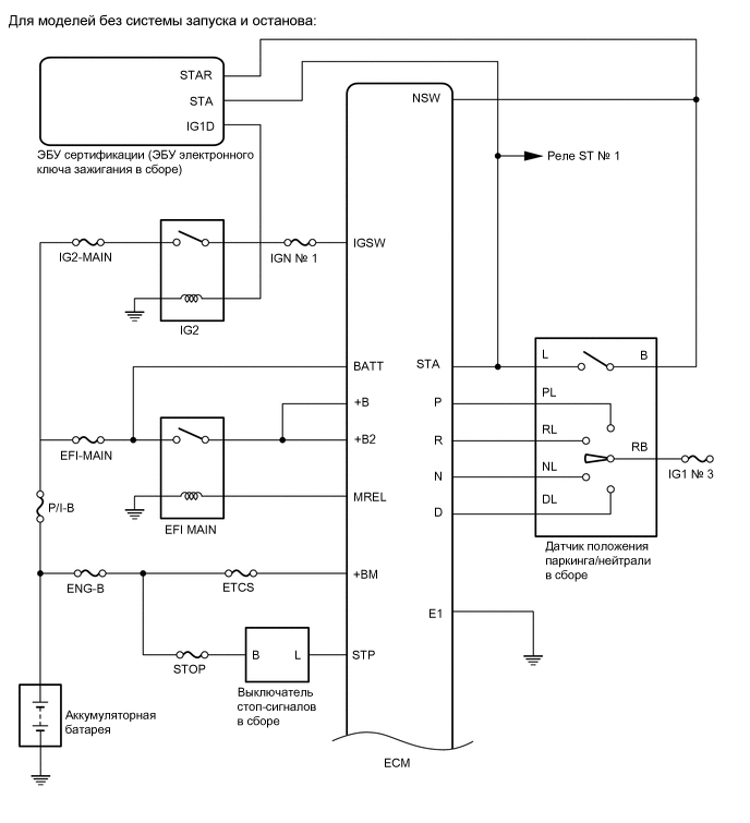
СИСТЕМА АВТОМАТИЧЕСКОЙ ТРАНСМИССИИ (для моделей с 8AR-FTS) СХЕМА СИСТЕМЫ

A01MWTPE01
A01MZ18E02
A01MUMQE02
A01MV1ME02