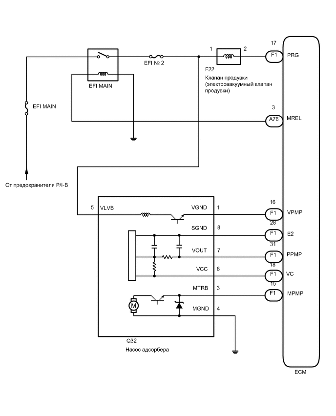
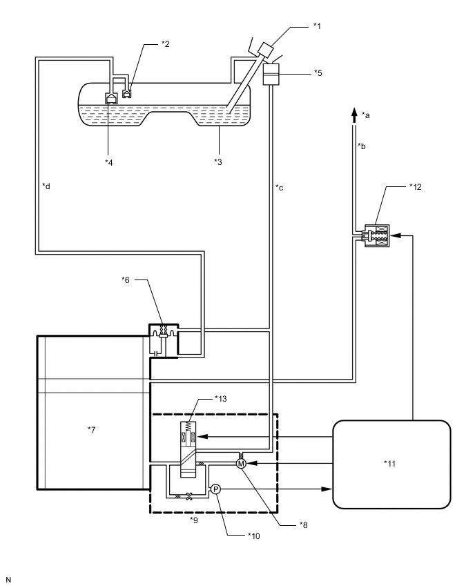
СИСТЕМА СНИЖЕНИЯ ТОКСИЧНОСТИ ОТРАБОТАВШИХ ГАЗОВ (для моделей с модулем насоса адсорбера) СХЕМА СИСТЕМЫ

A01MX8OC02
*1 Пробка наливной горловины топливного бака *2 Клапан отсечки подачи топлива
*3 Топливный бак в сборе *4 Заправочный топливный обратный клапан
*5 Фильтр адсорбера *6 Топливозаправочный клапан
*7 Адсорбер (угольный адсорбер в сборе) *8 Электродвигатель насоса (насоса обнаружения утечки)
*9 Насос адсорбера *10 Датчик давления в адсорбере (насос обнаружения утечки)
*11 ECM *12 Клапан продувки (электровакуумный клапан продувки)
*13 Вентиляционный клапан (насос обнаружения утечки) - -
*a К впускному коллектору *b Линия продувки
*c Воздуховод *d Вентиляционная линия
A01MY64E04