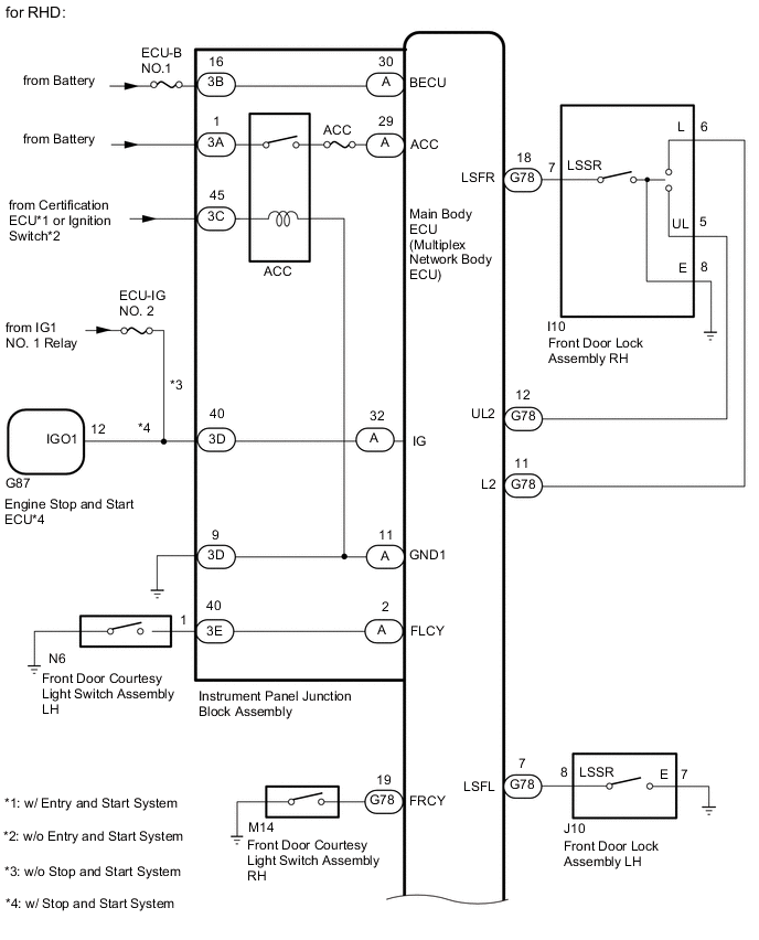
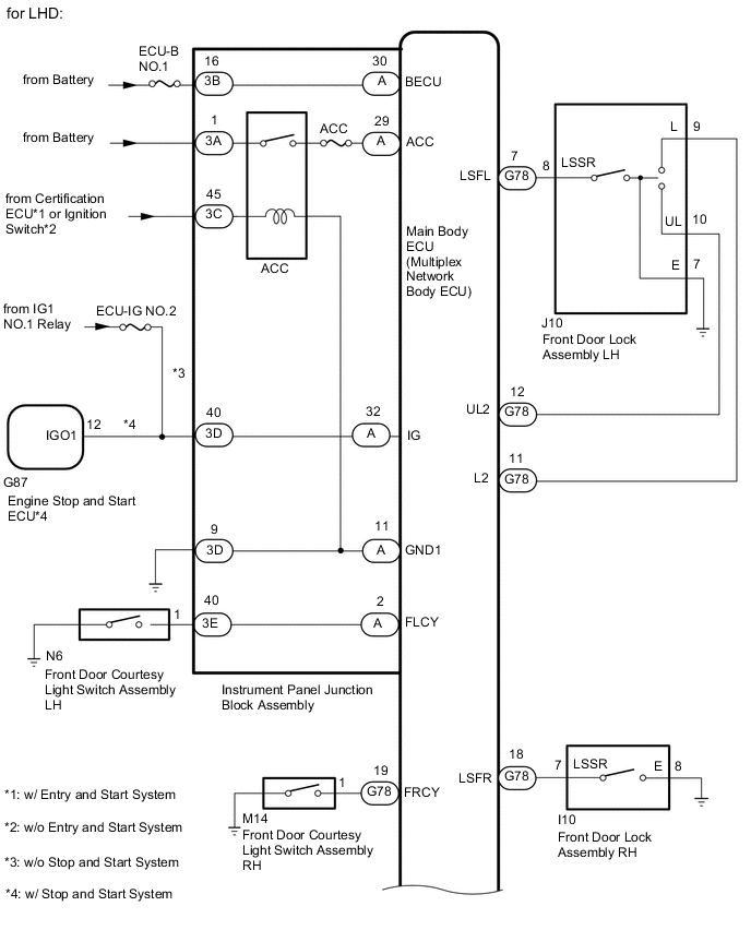
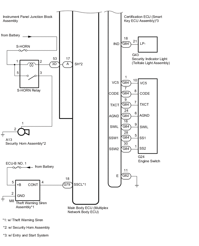
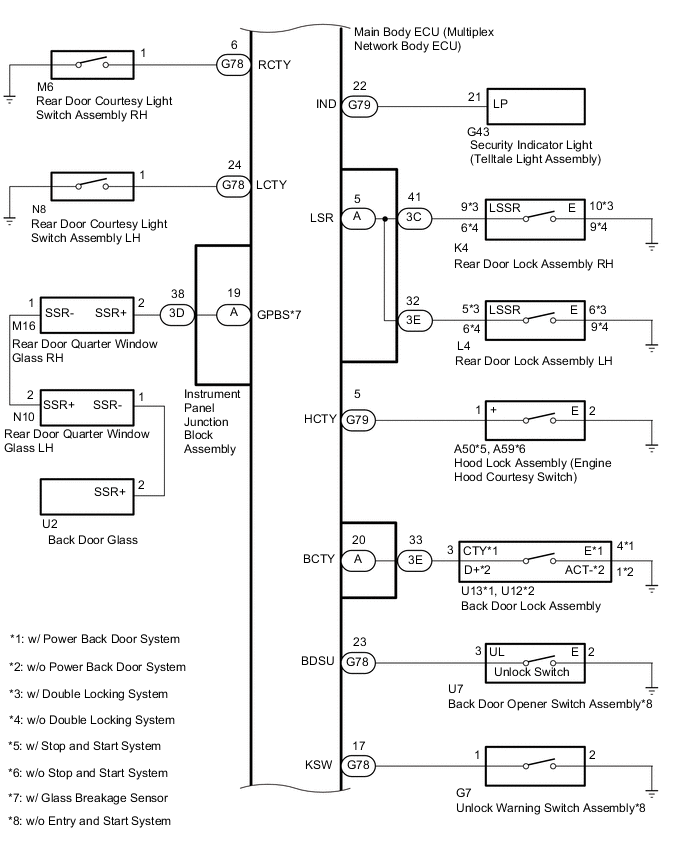
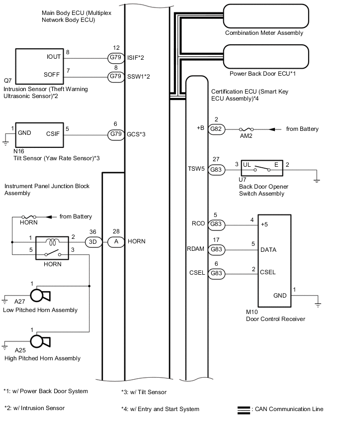
THEFT DETERRENT SYSTEM SYSTEM DIAGRAM

A01KC3GE01
A01KC3GE03
A01KCWDE02
A01KBOYE02
A01KBM9E01