ENTRY AND START SYSTEM(for Start Function), Diagnostic DTC:B2271

DTC Code DTC Name
B2271 Ignition Hold Monitor Malfunction

DESCRIPTION

This DTC is stored when a malfunction in the IG1 circuit, IG2 circuit or IG hold circuit in the certification ECU (smart key ECU assembly) is detected.

Tech Tips

When the cable is disconnected and reconnected to the negative (-) battery terminal, the power source mode returns to the state it was in before the cable was disconnected.

DTC No. Detection Item DTC Detection Condition Trouble Area DTC Output from
B2271 Ignition Hold Monitor Malfunction

    When either of the following conditions is met (1-trip detection logic*):

  • The IG1 or IG2 circuit in the certification ECU (smart key ECU assembly) is malfunctioning.

  • The IG hold circuit in the certification ECU (smart key ECU assembly) is malfunctioning.


  • AM2 fuse

  • Certification ECU (smart key ECU assembly)

  • Wire harness or connector

IG ON

*: Only detected while a malfunction is present and the engine switch is on (IG)

Tech Tips


  • The IG1 and IG2 circuits activate the IG1 and IG2 relays.

  • After the IG1 and IG2 circuits turn on, even if the CPU operates incorrectly, the IG hold circuit maintains the power source mode in on (IG).

Vehicle Condition and Fail-safe Function when Malfunction Detected
Vehicle Condition when Malfunction Detected Fail-safe Function when Malfunction Detected
The engine switch cannot be turned on (IG) (the engine cannot be started). The power source mode cannot be changed to on (IG).

Tech Tips

Related Data List and Active Test Items

DTC Data List Item Active Test Item
B2271

    Power Source Control:

  • IG1 Relay Monitor(Inside)

  • IG2 Relay Monitor(Inside)

  • Latch Circuit


    Starting Control:

  • Ignition

-

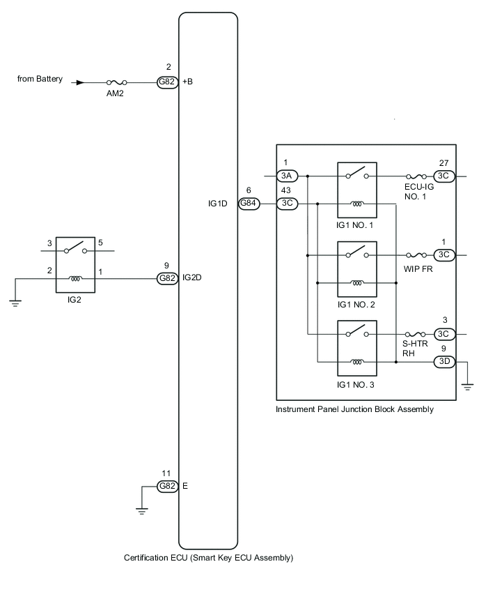
WIRING DIAGRAM

A01KC2LE01

CAUTION / NOTICE / HINT

Note


  • When using the GTS with the engine switch off to troubleshoot:

    Connect the GTS to the DLC3 and turn a courtesy light switch on and off at 1.5 second intervals until communication between the GTS and vehicle begins.

  • The entry and start system (for Start Function) uses a multiplex communication system (LIN communication system) and the CAN communication system. Inspect the communication function by following How to Proceed with Troubleshooting Click here. Troubleshoot the entry and start system (for Start Function) after confirming that the communication systems are functioning properly.

  • Before replacing the certification ECU (smart key ECU assembly), refer to the entry and start system (for Start Function) precaution.

    Click here

  • Inspect the fuses of circuits related to this system before performing the following inspection procedure.

  • After performing repairs, perform the operation that fulfills the DTC output confirmation operation, and then confirm that no DTCs are output again.

PROCEDURE


  1. CHECK HARNESS AND CONNECTOR (POWER SOURCE)


    1. A01KDEKC36
      *a

      Rear view of wire harness connector

      (to Certification ECU (Smart Key ECU Assembly))

      Disconnect the G82 certification ECU (smart key ECU assembly) connector.

    2. Measure the voltage according to the value(s) in the table below.

      Standard Voltage
      Tester Connection Condition Specified Condition
      G82-2 (+B) - Body ground Always 11 to 14 V
      Result
      Proceed to
      OK
      NG

    NG
    OK
  2. CHECK HARNESS AND CONNECTOR (GROUND)


    1. A01KDEKC38
      *a

      Rear view of wire harness connector

      (to Certification ECU (Smart Key ECU Assembly))

      Disconnect the G82 certification ECU (smart key ECU assembly) connector.

    2. Measure the resistance according to the value(s) in the table below.

      Standard Resistance
      Tester Connection Condition Specified Condition
      G82-11 (E) - Body ground Always Below 1 Ω
      Result
      Proceed to
      OK
      NG

    NG
    OK
  3. CHECK CERTIFICATION ECU (SMART KEY ECU ASSEMBLY)


    1. Reconnect the G82 certification ECU (smart key ECU assembly) connector.

      A01KCEOC38
      *a

      Component with harness connected

      (Certification ECU (Smart Key ECU Assembly))

      - -
    2. Measure the voltage according to the value(s) in the table below.

      Standard Voltage
      Tester Connection Switch Condition Specified Condition
      G82-9 (IG2D) - Body ground Engine switch on (ACC) → Engine switch on (IG) 1 V or less → 9 V or higher
      G84-6 (IG1D) - Body ground
      Result
      Proceed to
      OK
      NG

    OK
    NG