ENTRY AND START SYSTEM(for Entry Function) SYSTEM DESCRIPTION


  1. SYSTEM DESCRIPTION

    The following pattern will be used: "Operation" indicates user operation using the entry and start system. "Expected operation of the vehicle" indicates how a known good vehicle will react in accordance with each operation. "Suspected Area/Diagnosis" indicates suspected malfunctioning areas and tips for each diagnosis if the vehicle did not react as expected.


    1. Example: Operation No.

      Operation -
      Expected operation of the vehicle -
      Waveform or Output Value -
      Suspected Area Diagnosis
      - -
  2. BASIC PRECAUTIONS


    1. DTC numbers and ECU Data Lists of the entry and start system can be checked using the GTS.

    2. Check for DTCs using the following procedure. If any DTCs are output, diagnose those DTCs first.


      1. Connect the GTS to the DLC3.

      2. Turn the engine switch on (IG).

      3. Enter the following menus: Body Electrical / Entry&Start, Power Source Control or Starting Control / Trouble Codes.

    3. When using the GTS with the vehicle engine switch off, connect the GTS to the vehicle and turn a courtesy light switch on and off at intervals of 1.5 seconds or less until communication between the GTS and the vehicle begins. Then select the Model Code "KEY REGIST" under manual mode and enter the following menus: Body Electrical / Entry&Start. While using the GTS, periodically turn a courtesy light switch on and off at intervals of 1.5 seconds or less to maintain communication between the GTS and the vehicle.

    4. If cancel is selected for the entry and start system customize setting, cancel the smart key cancel setting.

      Click here

  3. DIAGRAM OF ENTRY AND START SYSTEM

    A01CYROE03
    A01CWKFE01
    A01CWQ6E10
  4. MULTI CHANNEL FUNCTION


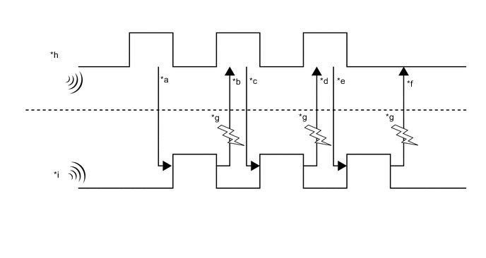
    1. The electrical key transmitter sub-assembly and door control receiver can operate on two different RF channels. When an electrical key transmitter sub-assembly is brought within an exterior detection area, key verification begins. If key verification fails due to wave interference, the channel will be switched and key verification will be performed again.

      The multi channel system begins verification using the channel on which the last verification was successfully performed. When verification fails, the system switches to the other channel.

      A01CWX7C20
      *a Exterior detection areas are created using LF waves (emitted from the vehicle at intervals of 0.25 seconds) to receive a response from the electrical key transmitter. *b When the electrical key transmitter is brought into an exterior detection area, it receives LF waves from the vehicle. Using RF waves, the electrical key transmitter responds to the vehicle.
      *c Upon receiving the response from the electrical key transmitter, the certification ECU (smart key ECU assembly) activates the electrical key antennas (outside) one by one. Using LF waves, the certification ECU (smart key ECU assembly) determines which exterior detection area the electrical key transmitter is in. *d The electrical key transmitter receives the LF waves from the vehicle and responds using RF waves. (The certification ECU [smart key ECU assembly] recognizes which exterior detection area the electrical key transmitter is in.)
      *e The certification ECU (smart key ECU assembly) sends registered key ID information to the electrical key transmitter using LF waves. (Up to 7 key IDs can be registered.) *f The electrical key transmitter sends the key ID information using RF waves. When the certification ECU (smart key ECU assembly) receives it, verification completes.
      *g Wave interference (Channel switching) *h LF band (from vehicle)
      *i RF band (from electrical key transmitter sub-assembly) - -

      The multi channel system changes the channels when the RF band (*b, *d and *f) is interrupted by wave interference. Refer to the table below to confirm when the system changes the channels.

      *b or *d is NG *f is NG
      Condition RF waves cannot be received RF waves cannot be received properly RF waves cannot be received RF waves cannot be received properly
      Channel switching The channels will not be switched. The channels will be switched. The channels will not be switched. The channels will be switched*.

      • *: The channels are not switched during vehicle interior verification after an entry lock operation is performed.

  5. DIAGNOSIS IN ACCORDANCE WITH USER OPERATION


    1. Operation 1

      Operation

      Turn the engine switch off and lock all the doors, then take the electrical key transmitter sub-assembly approximately 3 m (9.84 ft.) or more away from the vehicle.

      Tech Tips

      The detection area of each electrical key antenna (outside) is formed by emitting a periodic LF band request signal every 0.25 seconds. The detection area formed by each front door outside handle assembly (electrical key antenna) has a detection range of approximately 0.7 m (2.30 ft.).

      Waveform or Output Value Pulse generation (G84-12 [CLG1] - G82-11 [E]*)

    2. Operation 2

      Operation

      Bring the electrical key transmitter sub-assembly within 0.7 m (2.30 ft.) of the driver door.

      Tech Tips

      The system is in unlock standby mode when the electrical key transmitter sub-assembly is in the detection area and the key ID code sent by the electrical key transmitter sub-assembly matches the key ID code stored by the certification ECU (smart key ECU assembly). The door unlocks if the unlock sensor is touched by hand with the system in unlock standby mode.

      Signal transmission: Certification ECU (smart key ECU assembly) → Front door outside handle assembly (electrical key antenna) → Electrical key transmitter sub-assembly → Door control receiver → Certification ECU (smart key ECU assembly) → Main body ECU (multiplex network body ECU)

      Expected operation of the vehicle The electrical key transmitter sub-assembly LED starts blinking. If it does not, any of the parts listed in the table below may be malfunctioning.
      Waveform or Output Value
      • Pulse generation (G84-12 [CLG1] - G82-11 [E]*)

      • Pulse generation (G83-5 [RCO] - G82-11 [E]*)

      • Pulse generation (G83-17 [RDAM] - G82-11 [E]*)

      • Pulse generation (G83-6 [CSEL] - G82-11 [E]*)


      Suspected Area Diagnosis
      Electrical key transmitter sub-assembly
      • The key ID code sent by the electrical key transmitter sub-assembly does not match the key ID code stored in the certification ECU (smart key ECU assembly). Use another electrical key transmitter sub-assembly to check the operation.

      • If the LED of the electrical key transmitter sub-assembly does not blink when it is brought within 0.7 m (2.30 ft.) of the driver door, perform the following procedure.

        Press the lock and unlock buttons of the electrical key transmitter sub-assembly to check the operation. If the doors can be locked and unlocked, that means the detection area has not been formed. Parts other than the electrical key transmitter sub-assemblies and front door outside handle assemblies may be malfunctioning.

      • If the electrical key transmitter sub-assembly malfunctions, the engine cannot be started and the engine switch cannot be turned on (ACC or IG). Under normal operation, the entry warning light in the combination meter assembly blinks in green slowly*1 or "POWER ON" is displayed on the multi-information display in the combination meter assembly*2 when the engine switch is pressed with the electrical key transmitter sub-assembly in the driver seat area, the shift lever in P*3 and the brake pedal*3 or clutch pedal*4 released. If the door cannot be opened, use the mechanical key installed in the electrical key transmitter sub-assembly to open the door.

      Tech Tips


      • If the door cannot be opened, use the mechanical key installed in the electrical key transmitter sub-assembly to open the door.

      • Before replacing the electrical key transmitter sub-assembly, check if the transmitter battery is depleted.

      Transmitter battery is depleted
      • Press and hold the lock switch of the electrical key transmitter sub-assembly for 5 seconds and check the number of times that the transmitter LED blinks. If the transmitter LED does not blink or blinks only once or twice, the transmitter battery may be depleted. If the transmitter LED does not blink at all, the electrical key transmitter sub-assembly may be malfunctioning.

      • If the transmitter battery voltage at the time the electrical key transmitter sub-assembly sends a signal drops to 2.1 V or less, "Yes" is displayed for "Key Low Battery" in the Data List.

      • If the transmitter battery voltage drops to 2.0 V or less, operation cannot be assured.

        Tech Tips

        The output of the electrical key transmitter sub-assembly will decrease if it is in low temperatures.

      • When the transmitter battery is depleted, the engine cannot be started and the engine switch cannot be turned on (ACC or IG). If the electrical key transmitter sub-assembly is held near the engine switch the engine can be started.

      • Make sure that the transmitter battery type and installation direction are correct.

      Wave Interference
      • If the problem occurs in certain locations or times of day, the possibility of wave interference is high.

      • When the electrical key transmitter sub-assembly is malfunctioning, the transmitter battery is depleted, an electrical key transmitter sub-assembly from another vehicle has been used or wave interference is suspected. "Yes" may be displayed for any of the following Data List items: "Unmatch Code or Form", "No Response", "ID Code Difference" or "Unmatched Vehicle-ID"

      Certification ECU (smart key ECU assembly) -
      Front door outside handle assembly

      Vehicle exterior detection area is not formed properly.


      • If the electrical key transmitter sub-assembly LED does not blink within 0.7 m (2.30 ft.) of the front door outside handle assembly of the driver door, but blinks within 0.7 m (2.30 ft.) of the front passenger door, the front door outside handle assembly of the driver door may be malfunctioning.

      • Even if the vehicle exterior detection area is not formed properly, the engine switch can be turned on (ACC) and the engine can be started.

      • Formation of the vehicle exterior detection area can be confirmed by using the GTS.

        Click here

      • Even if the vehicle exterior detection area is not formed properly, the doors can be unlocked by pressing the unlock button of the electrical key transmitter sub-assembly.

      Door Control Receiver
      • If the door control receiver is malfunctioning, it is not possible to unlock the front passenger door.

      • If the door control receiver is malfunctioning, it is not possible to unlock the doors by a wireless unlock operation.

      • If the door control receiver is malfunctioning, the engine cannot be started and the engine switch cannot be turned on (ACC or IG) unless in an emergency.

      • Formation of the vehicle exterior detection area can be confirmed by using the GTS.

        Click here

      Vehicle Battery is discharged It may be possible to tell whether the vehicle battery is discharged by operating the horn.
      Others
      • If the entry and start system function has been canceled through the customize function, the detection area cannot be formed, therefore the electrical key transmitter sub-assembly LED will not blink even if the electrical key transmitter sub-assembly is brought near a front door outside handle assembly.

      • If the electrical key transmitter sub-assembly is in battery saving mode, even if it receives LF waves from the vehicle, it does not respond using RF waves, therefore the electrical key transmitter sub-assembly LED does not blink.

      • In the entry and start system, if the electrical key transmitter sub-assembly is constantly in the exterior detection area of one of the doors, the transmitter battery could be drained. For this reason, if this state continues for more than 10 minutes, the entry and start system automatically deactivates the exterior detection area that the electrical key transmitter sub-assembly is in.

      • If the electrical key transmitter sub-assembly is left in the vehicle and the doors are locked using another electrical key transmitter sub-assembly, the electrical key transmitter sub-assembly LED will not blink even if it is brought near a front door outside handle assembly.


      • *1: w/ Multi-information Display (Segment Display Type)

      • *2: w/ Multi-information Display (Dot Display Type)

      • *3: except Manual Transaxle

      • *4: for Manual Transaxle

    3. Operation 3

      Operation Touch the unlock sensor of the driver door with the electrical key transmitter sub-assembly in the exterior detection area.
      Expected operation of the vehicle While the doors are unlocked, the answer back is performed at the same time. If they do not, any of the parts listed in the table below may be malfunctioning.
      Waveform or Output Value
      • Pulse generation (G84-22 [SEN1] - G82-11 [E]*)

      • Tester Connection main body ECU (multiplex network body ECU), instrument panel junction block assembly (ACT-)*


      Suspected Area Diagnosis
      The suspected parts below overlap with the parts covered in operation 2 for when the electrical key transmitter sub-assembly LED does not blink. -
      Front door outside handle assembly (unlock sensor)
      • If the doors can be unlocked by touching the unlock sensor of the front passenger door while carrying the electrical key transmitter sub-assembly, the unlock sensor of the driver door may be malfunctioning.

      • Under normal operation, "ON" is displayed for the Data List item "D-Door Touch Sensor" when the unlock sensor is touched.

      Door lock/unlock mechanism If a door cannot be locked/unlocked by operating the door control switch on the door in the cabin, the door lock mechanism is malfunctioning.
    4. Operation 4

      Operation After getting into the vehicle while carrying the electrical key transmitter sub-assembly, close the door and press the engine switch once with the shift lever in P*3 while not depressing the brake pedal*3 or clutch pedal*4.
      Expected operation of the vehicle
      • The entry warning light in the combination meter assembly blinks in green slowly*1 or "POWER ON"*2 is displayed, and the engine switch is turned on (ACC).

      • The blinking security indicator light goes off, and then the set immobiliser function cancels, allowing the vehicle to be driven.

      • The steering wheel is unlocked.

      If it does not, the parts listed below may be malfunctioning.

      Tech Tips

      When the engine switch is pressed, the indoor electrical key antenna forms a key detection area inside the vehicle and detects the electrical key transmitter sub-assembly in the cabin. The electrical key transmitter sub-assembly sends a key ID code upon receiving a request signal and the electrical key transmitter sub-assembly LED illuminates for a short time. After pressing the engine switch, if the key ID code sent by the electrical key transmitter sub-assembly matches the key ID code stored by the certification ECU (smart key ECU assembly), the ACC relay turns on and the entry warning light in the combination meter assembly blinks in green slowly*1 or "POWER ON" is displayed on the multi-information display in the combination meter assembly*2. After the power source mode has changed, and L code and S code*2 verification has been completed, the steering wheel will be unlocked and the immobiliser will be inactive. The Data List status of "Immobiliser" will then be changed from "Set" to "Unset".

      Signal transmission: Certification ECU (smart key ECU assembly) → Indoor electrical key antenna → Electrical key transmitter sub-assembly → Certification ECU (smart key ECU assembly)

      Tech Tips

      The interior detection area is formed when any of the following conditions are met:


      • Door is opened.

      • Within approximately 30 seconds after any of the doors have been opened and closed.

      • The brake pedal is depressed.

      • Within approximately 30 seconds after the brake pedal has been depressed.

      • Right after the engine switch is pressed.

      Waveform or Output Value
      • Pulse generation (G83-17 [RDAM] - G82-11 [E]*5)

      • Pulse generation (G84-3 [CLG5] - G82-11 [E]*5)


      • *1: w/ Multi-information Display (Segment Display Type)

      • *2: w/ Multi-information Display (Dot Display Type)

      • *3: except Manual Transaxle

      • *4: for Manual Transaxle

      • *5: Click here

      Suspected Area Diagnosis
      Certification ECU (smart key ECU assembly) -
      Wave Interference
      • If malfunctions occur at a specific location/time, wave interference may be the cause.

      • If wave interference is suspected in the cabin, disconnect all the connectors of electronic devices besides standard equipment, or remove the electronic devices and check for noise.

      Indoor electrical key antenna assemblies that form the interior detection areas.
      • If the interior detection areas are not formed properly, the engine cannot be started and the engine switch cannot be turned on (ACC or IG). If the electrical key transmitter sub-assembly is held near the engine switch in an emergency, the engine can be started.

      • Using the GTS, enter the key diagnostic mode to forcibly form the interior detection area. If the electrical key transmitter sub-assembly is brought near the area, short beeps are emitted.

        Click here

      Engine switch Under normal operation, after the engine switch is pressed, "ON" is displayed for the Data List items "Start Switch1" and "Start Switch2".
      ID code box (immobiliser code ECU)*1 In order to unlock the steering wheel, it is necessary for "S Code Check" in the Data List to display "OK". If "S Code Check" displays "OK", the certification ECU (smart key ECU assembly) code and ID code box (immobiliser code ECU) code match.
      Park/neutral position switch assembly*3 Under normal conditions, "Neutral SW/ Clutch SW" in the Data List displays "ON" when the shift lever is moved to P.
      Steering lock ECU (steering lock actuator assembly)
      • If "OK" is displayed for the Data List item "L Code Check" and "S Code Check" when the engine switch is turned on (ACC), power will be supplied to the steering motor for approximately 10 seconds. Then the ECU sends an unlock signal to the steering motor and the Data List item "Unlock Request Receive" temporarily changes from "NG" to "OK". After the steering unlocks the ECU receives the unlocked signal from the steering motor and the Data List item "Steering Unlock" changes from "Unset" to "Set".

      • In order to unlock the steering wheel, it is necessary that "OK" is displayed for the Data List item "L Code Check" (the ID code stored in the steering lock ECU [steering lock actuator assembly] matches that of the ID code box [immobiliser code ECU]).*1

      • In order to unlock the steering wheel, it is necessary that "OK" is displayed for the Data List item "L Code Check" (the ID code stored in the steering lock ECU [steering lock actuator assembly] matches that of the certification ECU [smart key ECU assembly])*2


      • *1: w/ Multi-information Display (Dot Display Type)

      • *2: w/ Multi-information Display (Segment Display Type)

      • *3: except Manual Transaxle

      Tech Tips

      The electrical key transmitter sub-assembly, the transmitter battery and the vehicle battery have already been inspected in the previous operation steps. However, if they have not been inspected, inspect them.

    5. Operation 5

      Operation Depress the brake pedal*1 or clutch pedal*2 with the shift lever in P*1 while carrying an electrical key transmitter sub-assembly.
      Expected operation of the vehicle The entry warning light in the combination meter assembly blinks in green*3 or appears on the multi information display*4. If it does not, the parts listed below may be malfunctioning.

      • *1: except Manual Transaxle

      • *2: for Manual Transaxle

      • *3: w/ Multi-information Display (Segment Display Type)

      • *4: w/ Multi-information Display (Dot Display Type)

      Suspected Area Diagnosis
      Stop light switch assembly*1 If the brake pedal is depressed, "ON" is displayed for the Data List item "Stop Light Switch1".
      Clutch start switch assembly*2 If the clutch pedal is depressed, "ON" is displayed for the Data List item "Neutral SW/ Clutch SW".
      Certification ECU (smart key ECU assembly)

      Start function-Terminals of ECU

      Click here


      • *1: except Manual Transaxle

      • *2: for Manual Transaxle

    6. Operation 6

      Operation After getting into the vehicle while carrying the electrical key transmitter sub-assembly, press the engine switch with the shift lever in P*1 while depressing the brake pedal*1 or clutch pedal*2.
      Expected operation of the vehicle The engine starts. If it does not, the parts listed below may be malfunctioning.
      Suspected Area Diagnosis
      Steering lock system Under normal operation, the steering wheel will be unlocked and "ON" is displayed for the Data List item "Steering Unlock Switch".
      Vehicle Battery is discharged Whether the vehicle battery is discharged or not can be checked easily by operating the horn.
    7. Operation 7

      Operation Press the engine switch.
      Expected operation of the vehicle The engine stops, the entry warning light illuminates and then goes off and the security indicator light changes from off to blinking.
    8. Operation 8

      Operation Open any of the doors with the engine switch off.
      Expected operation of the vehicle The steering wheel locks. If it does not, the parts listed below may be malfunctioning.
      Suspected Area Diagnosis
      Steering lock system -
      Door courtesy light switch assembly When any of the doors are opened, "ON" is displayed for the Data List item "FL Door Courtesy SW".
    9. Operation 9

      Operation Touch the lock sensor of the driver door outside handle while carrying the electrical key transmitter sub-assembly.
      Expected operation of the vehicle Answer back is performed at the same time when the doors are locked.
  6. VEHICLE BATTERY SAVING FUNCTION


    1. When the entry and start system is operating, the vehicle performs key detection operations every 0.25 seconds. Therefore, if the vehicle is left as is for a long period of time, the vehicle battery may become fully discharged. The following controls help reduce the rate at which the vehicle battery is discharged.


      1. If the entry and start system is not operated for 5 days or more, periodic signal transmission from the electrical key antennas stops. However, the doors can still be unlocked by touching the unlock sensor of a front door outside handle assembly.

      2. If the entry and start system is not operated for 14 days or more, the lock and unlock sensors of the front passenger door outside handle assembly are disabled. Therefore, only the unlock sensor of the front door outside handle assembly of the driver door can be used to unlock the doors.

      3. If 10 minutes or more elapse while the electrical key transmitter sub-assembly is in an exterior detection area, the front door outside handle assembly (electrical key antenna) detecting the electrical key transmitter sub-assembly will stop operating.

    2. To restore operation of the entry and start system, perform any of the following operations.


      1. While carrying the electrical key transmitter sub-assembly, touch the lock or unlock sensor of the front door outside handle assembly of the driver side door and perform a door lock or unlock operation.

      2. Lock or unlock the doors with the wireless operation.

      3. Insert the mechanical key into the door key cylinder of the driver door and lock or unlock the doors.

  7. WIRELESS DOOR LOCK BUZZER VOLUME ADJUSTMENT FUNCTION


    1. The volume of the wireless door lock buzzer can be changed through the customize function.

      Tech Tips

      The volume of the following wireless door lock buzzer operations cannot be adjusted.


      • Warning function buzzer operations

      • Customize function buzzer operations

      • Buzzer operations for key diagnostic mode using the GTS

      • Key registration buzzer operations

  8. WARNING FUNCTION


    1. Warning


      1. When any of the situations below occur, the entry and start system causes the certification ECU (smart key ECU assembly) to sound the wireless door lock buzzer and a buzzer in the combination meter assembly, a message to appear on the multi-information display*1, and the entry warning light in the combination meter assembly*2 to illuminate in order to alert the driver.


        • *1: w/ Multi-information Display (Dot Display Type)

        • *2: w/ Multi-information Display (Segment Display Type)

      2. Situation: The engine is left running and the shift lever is in a position other than P when the driver gets out of the vehicle. (except Manual Transaxle)


        • There are 2 patterns for this situation.


          • Pattern 1:

            When the engine is left running and the shift lever is in a position other than P, the driver opens the door and attempts to get out of the vehicle.

            In this situation, the following control is performed:

            Reason for warning Sudden vehicle start, vehicle theft, vehicle roll-away

            Warning Start Condition

            (All conditions are met)


            • The engine switch is on (ACC) or on (IG).

            • The shift lever is in a position other than P.

            • The driver door is opened.

            • The vehicle speed is 0 km/h (0 mph).

            Warning description
            • The buzzer in the combination meter assembly sounds continuously.

            • "SHIFT TO P POSITION" is displayed on multi-information display in combination meter assembly.*

            Warning Stop Condition

            (One of conditions is met)


            • The engine switch is turned off.

            • The shift lever is in P.

            • The driver door is closed.

            • The vehicle speed is 5 km/h (3.11 mph) or more.

            *: w/ Multi-information Display (Dot Display Type)


          • Pattern 2:

            Under the situation of pattern 1, the driver closes the door and attempts to leave the vehicle while holding the electrical key transmitter sub-assembly.

            In this situation, the following control is performed:

            Reason for warning Sudden vehicle start, vehicle theft, vehicle roll-away

            Warning Start Condition

            (All conditions are met)


            • The engine switch is on (ACC) or on (IG).

            • The shift lever is in a position other than P.

            • The driver door is opened → closed.

            • The electrical key transmitter sub-assembly is not in the vehicle.

            • The vehicle speed is 0 km/h (0 mph).

            Warning description
            • The buzzer in the combination meter assembly sounds continuously.

            • Wireless buzzer sounds continuously.

            • "SHIFT TO P POSITION" is displayed on the multi-information display in the combination meter assembly for 60 seconds.[A]*1

            • "KEY NOT DETECTED" is displayed on the multi-information display in the combination meter assembly.[B]*1

            • Entry warning light flashes in orange in the combination meter assembly.[C]*2

            Warning Stop Condition

            (One of conditions is met)


            • The engine switch is turned off ([A] continues to be displayed).*1

            • Electrical key transmitter sub-assembly is returned to the vehicle ([A] continues to be displayed).*1

            • The vehicle speed is 5 km/h (3.11 mph) or more ([B]*1 or [C]*2 continues to be displayed).

            • The shift lever is in P ([B]*1 or [C]*2 continues to be displayed).

            *1: w/ Multi-information Display (Dot Display Type)

            *2: w/ Multi-information Display (Segment Display Type)

      3. Situation: The key reminder sounds.


        • When the driver door is open, the driver turns the engine switch on (ACC) and attempts to leave the vehicle.

          Reason for warning Vehicle theft

          Warning Start Condition

          (All conditions are met)

          Condition 1


          • The shift lever is in P*.

          • The engine switch is on (ACC).

          • The driver door is opened.

          Condition 2 (Approval for one second or more)


          • The shift lever is in P*.

          • The engine switch is off.

          • The steering wheel is unlocked.

          • The driver door is opened.

          Warning description
          • The buzzer in the combination meter assembly sounds continuously at short and even intervals.

          Warning Stop Condition

          (One of conditions is met)

          The warning is stopped when one of the following conditions is met:


          • The engine switch is turned on (IG).

          • The driver door is closed.

          • The engine switch is turned off and the steering wheel is locked.


        • *: except Manual Transaxle

      4. Situation: The engine is left running with the shift lever in P*1 when the driver gets out of the vehicle.


        • There are 2 patterns for this situation.


          • Pattern 1:

            When the engine is left running with the shift lever in P*1, the driver closes the driver door and attempts to leave the vehicle while carrying the electrical key transmitter sub-assembly.

            In this situation, the following control is performed:

            Reason for warning Vehicle theft

            Warning Start Condition

            (All conditions are met)


            • The engine switch is on (ACC) or on (IG).

            • The shift lever is in P*1.

            • The driver door is opened → closed.

            • The electrical key transmitter sub-assembly is not in the vehicle.

            • The vehicle speed is 0 km/h (0 mph).

            Warning description
            • The buzzer in the combination meter assembly sounds once.

            • Wireless buzzer sounds 3 times.

            • "KEY NOT DETECTED" is displayed on the multi-information display in the combination meter assembly.*2

            • Entry warning light flashes in orange in the combination meter assembly.*3

            Warning Stop Condition

            (Either condition is met)


            • The engine switch is turned off.

            • The electrical key transmitter sub-assembly is returned to the vehicle.

            *1: except Manual Transaxle

            *2: w/ Multi-information Display (Dot Display Type)

            *3: w/ Multi-information Display (Segment Display Type)


          • Pattern 2:

            Under the situation of pattern 1, the driver touches the lock sensor on the door outside handle assembly.

            In this situation, the following control is performed:

            Reason for warning Vehicle theft

            Warning Start Condition

            (All conditions are met)


            • The engine switch is on (ACC) or on (IG).

            • The shift lever is in P*1.

            • The electrical key transmitter sub-assembly is not in the inside detection areas.

            • The electrical key transmitter sub-assembly is in the outside detection areas.

            • The lock sensor is on.

            • The vehicle speed is 0 km/h (0 mph).

            Warning description
            • The buzzer in the combination meter assembly sounds once.

            • Wireless buzzer sounds continuously.

            • "TURN POWER OFF" is displayed on the multi-information display in the combination meter assembly for 60 seconds.[A]*2

            • "KEY NOT DETECTED" is displayed on the multi-information display in the combination meter assembly.[B]*2

            • Entry warning light flashes in orange in the combination meter assembly.*3

            Warning Stop Condition

            (One of conditions is met)


            • The engine switch is turned off.

            • With the shift lever in P*1, the shift lever is moved to a position other than P*1 ([B] continues to be displayed).*2

            • The vehicle speed is 5 km/h (3.11 mph) or more ([B] continues to be displayed).*3

            • 5 seconds have elapsed after the wireless door lock buzzer is activated (only wireless buzzer stops).

            • Any door is opened or closed (only wireless buzzer stops).

            • Electrical key transmitter sub-assembly is returned to the vehicle ([A] continues to be displayed).

            *1: except Manual Transaxle

            *2: w/ Multi-information Display (Dot Display Type)

            *3: w/ Multi-information Display (Segment Display Type)

      5. Situation: The engine is left running when a passenger gets out of the vehicle while carrying the electrical key transmitter sub-assembly.


        • When the engine is left running, a passenger leaves the vehicle while carrying the electrical key transmitter sub-assembly.

          In this situation, the following control is performed:

          Reason for warning Engine cannot be restarted

          Warning Start Condition

          (All conditions are met)


          • The engine switch is on (ACC) or on (IG).

          • A door other than the driver door is opened → closed.

          • The electrical key transmitter sub-assembly is not in the vehicle.

          • The vehicle speed is 0 km/h (0 mph).

          Warning description
          • The buzzer in the combination meter assembly sounds once.

          • Wireless buzzer sounds 3 times.

          • "KEY NOT DETECTED" is displayed on the multi-information display in the combination meter assembly.*1

          • Entry warning light flashes in orange in the combination meter assembly.*2

          Warning Stop Condition

          (Either condition is met)


          • The engine switch is turned off.

          • The electrical key transmitter sub-assembly is returned to the vehicle.

          *1: w/ Multi-information Display (Dot Display Type)

          *2: w/ Multi-information Display (Segment Display Type)

      6. Situation: The electrical key transmitter sub-assembly is not in the detection areas.


        • When the electrical key transmitter sub-assembly is not in the vehicle or the transmitter battery is depleted, the driver attempts to start the engine or turn the engine switch on (IG).

          In this situation, the following control is performed:

          Reason for warning Confuses the user

          Warning Start Condition

          (All conditions are met)


          • A door is not unlocked using the mechanical key and the engine switch is pressed.

          • The electrical key transmitter sub-assembly is not in the vehicle or the transmitter battery is depleted.

          • The immobiliser system is set.

          Warning description
          • "KEY NOT DETECTED" is displayed on the multi-information display in the combination meter assembly for 15 seconds.*1

          • Entry warning light flashes in orange in the combination meter assembly.*2

          Warning Stop Condition

          (Either condition is met)


          • The electrical key transmitter sub-assembly is returned to the vehicle.

          • 30 seconds have elapsed after the door is opened.

          *1: w/ Multi-information Display (Dot Display Type)

          *2: w/ Multi-information Display (Segment Display Type)

      7. Situation: The vehicle is driven without an electrical key transmitter sub-assembly.


        • When the vehicle starts moving without the registered electrical key transmitter sub-assembly in the vehicle.

          In this situation, the following control is performed:

          Reason for warning Engine cannot be restarted

          Warning Start Condition

          (All conditions are met)


          • The engine switch is on (IG).

          • Warning due to electrical key transmitter sub-assembly being brought out of vehicle is output.

          • The vehicle speed is 5 km/h (3.11 mph) or more.

          • The electrical key transmitter sub-assembly is not in the vehicle.

          Warning description
          • The buzzer in the combination meter assembly sounds nine times.

          • "KEY NOT DETECTED" is displayed on the multi-information display in the combination meter assembly.*1

          • Entry warning light flashes in orange in the combination meter assembly.*2

          Warning Stop Condition

          (Either condition is met)


          • The engine switch is turned off.

          • The electrical key transmitter sub-assembly is returned to the vehicle.

          *1: w/ Multi-information Display (Dot Display Type)

          *2: w/ Multi-information Display (Segment Display Type)

      8. Situation: The electrical key transmitter sub-assembly is left in the vehicle.

        The lock sensor on a door outside handle assembly is touched to perform entry lock with the electrical key transmitter sub-assembly left in the vehicle.

        In this situation, the following control is performed:

        Reason for warning Vehicle theft

        Warning Start Condition

        (All conditions are met)


        • The engine switch is off.

        • All doors are closed.

        • The electrical key transmitter sub-assembly is in the vehicle.

        • The lock sensor on a door outside handle assembly is on (touched).

        • Any door is unlocked.

        • The vehicle speed is 0 km/h (0 mph).

        Warning description
        • Wireless buzzer sounds continuously for 5 seconds.

        • "KEY DETECTED IN VEHICLE" is displayed on the multi-information display in the combination meter assembly for 60 seconds.*

        Warning Stop Condition

        (One of conditions is met)


        • The engine switch is turned to a mode other than off.

        • The vehicle speed is 5 km/h (3.11 mph) or more.

        • Lock operation is detected.

        • Any door is opened (only wireless buzzer stops).

        *: w/ Multi-information Display (Dot Display Type)

      9. Situation: Door is ajar.


        • The lock sensor on the door outside handle assembly is touched to perform entry lock with a door open.

          In this situation, the following control is performed:

          Reason for warning Vehicle theft

          Warning Start Condition

          (All conditions are met)


          • The engine switch is off.

          • The engine switch is on (ACC) or on (IG).

          • Any door other than the door that performed the entry lock operation is open.

          • The lock sensor on or lock switch is pressed on electrical key transmitter sub-assembly.

          • The electrical key transmitter sub-assembly is in the outside detection areas.

          Warning description
          • Wireless buzzer sounds continuously for 5 seconds.

          Warning Stop Condition

          (One of conditions is met)


          • The engine switch is turned to a mode other than off.

          • All doors are closed.

          • An unlock operation is performed using the wireless door lock remote function.

          • The touch sensor on the inner side of a door outside handle assembly is used to perform entry unlock.

      10. Situation: The electrical key transmitter sub-assembly is locked inside the vehicle.

        With a door open and the electrical key transmitter sub-assembly in the vehicle, the lock knob is locked and then the door is closed with the door handle being pulled.

        In this situation, the following control is performed:

        Reason for warning Vehicle theft

        Warning Start Condition

        (Either condition is met)


          Condition 1:

        • With a door open, the lock knob is locked and then the door is closed with the door handle being pulled.

        • The electrical key transmitter sub-assembly is in the vehicle.

        • The vehicle speed is 0 km/h (0 mph).


          Condition 2*1:

        • Engine switch is off

        • All doors are closed and locked

        • Lock operation other than entry lock operation is performed

        • Electrical key transmitter sub-assembly is inside vehicle (matching code is detected in vehicle interior)

        Warning description
        • The buzzer in the combination meter assembly sounds once.

        • Wireless buzzer sounds continuously for 5 seconds.

        • "KEY DETECTED IN VEHICLE" is displayed on multi-information display in combination meter assembly for 60 seconds.*2

        Warning Stop Condition

        (One of conditions is met)


        • The engine switch is turned to a mode other than off.

        • Any door is opened (only wireless buzzer stops).

        • Lock operation is detected.

        • The vehicle speed is 5 km/h (3.11 mph) or more.

        *1: w/ Double Locking System

        *2: w/ Multi-information Display (Dot Display Type)

      11. Situation: The transmitter battery is weak.


        • The vehicle is driven using an electrical key transmitter sub-assembly that has a low transmitter battery.

          In this situation, the following control is performed:

          Reason for warning Usability function, engine cannot be restarted

          Warning Start Condition

          (All conditions are met)

          Condition 1


          • The engine switch is turned off after being left on (IG) for more than 20 minutes.

          • The transmitter battery voltage is low.

          • The electrical key transmitter sub-assembly is in the vehicle.

          • The vehicle speed is 0 km/h (0 mph).

          Condition 2


          • The engine is off → the engine is started.

          • The transmitter battery voltage is low.

          • The electrical key transmitter sub-assembly is in the vehicle.

          • The vehicle speed is 0 km/h (0 mph).

          • Condition 1 is met (past).

          Warning description
          • The buzzer in the combination meter assembly sounds once.

          • "KEY BATTERY LOW" is displayed on the multi-information display in the combination meter assembly for 15 seconds.*1

          • Entry warning light flashes in orange in the combination meter assembly for 15 seconds.*2

          Warning Stop Condition

          (Either condition is met)


          • The vehicle speed is 5 km/h (3.11 mph) or more.

          • The transmitter battery is replaced with a new one.

          *1: w/ Multi-information Display (Dot Display Type)

          *2: w/ Multi-information Display (Segment Display Type)

      12. Situation: The steering wheel cannot be released.


        • The steering wheel cannot be released, thus the engine is prevented from starting.

          The shift lever is moved to a position other than P*1 before the steering wheel is unlocked.

          In this situation, the following control is performed:

          Reason for warning Usability function
          Warning Start Condition
          • Steering wheel cannot be unlocked.

          Warning description
          • The buzzer in the combination meter assembly sounds once.

          • "STEERING LOCK ACTIVE" is displayed on the multi-information display in the combination meter assembly for 15 seconds.*2

          • Entry warning light flashes green in the combination meter assembly.*3

          Warning Stop Condition
          • Steering wheel is unlocked.

          *1: except Manual Transaxle

          *2: w/ Multi-information Display (Dot Display Type)

          *3: w/ Multi-information Display (Segment Display Type)

      13. Situation: The entry and start system is malfunctioning.


        • An IG circuit malfunction, vehicle speed signal malfunction or malfunction that interferes with steering lock ECU (steering lock actuator assembly) operation, has been detected.

          In this situation, the following control is performed:

          Reason for warning Malfunction detection

          Warning Start Condition

          (One of conditions is met)


          • The steering lock ECU (steering lock actuator assembly), driver of the certification ECU (smart key ECU assembly) or unlock detection switch is malfunctioning.

          • An IG relay output circuit malfunction occurs three times or more consecutively.

          • The vehicle speed is judged as abnormal or vehicle speed signal communication is malfunctioning.

          Warning description
          • The buzzer in the combination meter assembly sounds once.

          • "CHECK SMART ENTRY & START SYSTEM" is displayed on the multi-information display in the combination meter assembly for 15 seconds.*1

          • Entry warning light flashes in orange in the combination meter assembly for 15 seconds.*2

          Warning Stop Condition
          • The system returns to normal.

          *1: w/ Multi-information Display (Dot Display Type)

          *2: w/ Multi-information Display (Segment Display Type)

      14. Situation: The engine does not start. (Situation A)


        • When the engine switch is pressed, the electrical key transmitter sub-assembly cannot be detected in the vehicle two times in a row.

          In this situation, the following control is performed:

          Reason for warning Usability function

          Warning Start Condition

          (One of conditions is met)


          • The immobiliser system is set.

          • The electrical key transmitter sub-assembly is not in the vehicle.

          • Key code verification error occurs when the engine switch is pressed twice or the driver door key linked unlock operation is performed.

          Warning description
          • The buzzer in the combination meter assembly sounds once.

          • "DEPRESS BRAKE PEDAL, TOUCH ENGINE SWITCH WITH KEY" is displayed on the multi-information display in the combination meter assembly for 60 seconds.*1,*3

          • "DEPRESS CLUTCH PEDAL, TOUCH ENGINE SWITCH WITH KEY" is displayed on the multi-information display in the combination meter assembly for 60 seconds.*1,*4

          • Entry warning light flashes in orange in the combination meter assembly for 60 seconds.*2

          Warning Stop Condition

          (Either condition is met)


          • The electrical key transmitter sub-assembly is in the vehicle.

          • 30 seconds have elapsed after the door is opened.

          *1: w/ Multi-information Display (Dot Display Type)

          *2: w/ Multi-information Display (Segment Display Type)

          *3: except Manual Transaxle

          *4: for Manual Transaxle

      15. Situation: The engine does not start. (Situation B) (w/ Multi-information Display [Dot Display Type])


        • There are two patterns for this situation.


          • Pattern 1:

            A warning message appears on the multi-information display when the driver does not follow the proper procedure to start the vehicle.

            In this situation, the following control is performed:

            Reason for warning Usability function

            Warning Start Condition

            (All conditions are met)


            • The engine switch is off.

            • Driver door is closed → opened.

            • The engine switch is turned from off to on (ACC) more than twice with the engine off and the brake pedal not depressed.

            Warning description
            • The buzzer in the combination meter assembly sounds once.

            • "DEPRESS BRAKE PEDAL AND PUSH ENGINE SWITCH TO START" is displayed on the multi-information display in the combination meter assembly for 5 seconds.*1

            • "DEPRESS CLUTCH PEDAL AND PUSH ENGINE SWITCH TO START" is displayed on the multi-information display in the combination meter assembly for 5 seconds.*2

            Warning Stop Condition

            (Either condition is met)


            • The engine switch is off.

            • The engine switch is turned on (IG).

            *1: except Manual Transaxle

            *2: for Manual Transaxle

          • Pattern 2:

            A message indicating how to start the engine appears on the multi-information display when the shift lever is in a position in which the engine cannot be started. (except Manual Transaxle)

            In this situation, the following control is performed:

            Reason for warning Usability function

            Warning Start Condition

            (All conditions are met)


            • The engine is stopped.

            • The vehicle speed is 0 km/h (0 mph).

            • More than 0.5 seconds have elapsed after the engine switch is turned on (IG).

            • The shift lever is in any position other than P or N.

            • The starter is not operating.

            Warning description
            • The buzzer in the combination meter assembly sounds once.

            • "SHIFT TO P POSITION TO START" is displayed on the multi-information display in the combination meter assembly.*

            Warning Stop Condition

            (One of conditions is met)


            • The shift lever is in P or N.

            • The vehicle speed is 5 km/h (3.11 mph) or more.

            • The power source mode is changed to a mode other than on (IG).

            • The engine is started.

            *: except Manual Transaxle

      16. Situation: The engine switch cannot be turned off. (except Manual Transaxle)


        • There are 2 patterns for this situation.


          • Pattern 1:

            A warning message appears on the multi information display when the driver attempts to turn the engine switch off with the shift lever in any position other than P or N

            In this situation, the following control is performed:

            Reason for warning Discharged vehicle battery, vehicle roll-away
            Warning Start Condition

            The engine switch is turned off with both conditions below met.


            • The shift lever is in any position other than P or N.

            • Even though the engine switch is pressed, the power source mode does not change to off (excluding emergency stop operation).

            Warning description
            • The buzzer in the combination meter assembly sounds once.

            • "SHIFT TO P POSITION" is displayed on the multi-information display in the combination meter assembly.

            Warning Stop Condition
            • The engine switch is turned to a mode other than ACC.

            • The shift lever is moved to P.

          • Pattern 2:

            Under the situation of pattern 1, the shift lever is moved to P.

            In this situation, the following control is performed:

            Reason for warning Discharged vehicle battery, vehicle roll-away
            Warning Start Condition
            • The shift lever is moved to P.

            Warning description
            • The buzzer in the combination meter assembly sounds once.

            • "TURN POWER OFF" is displayed on the multi-information display in the combination meter assembly.

            Warning Stop Condition

            (Either condition is met)


            • The power source mode is changed to a mode other than on (ACC).

            • The shift lever is in any position other than P.

      17. Situation: Auto power off operation occurs. (except Manual Transaxle)


        • A warning message appears on the multi-information display when the automatic power off operation occurs.

          In this situation, the following control is performed:

          Reason for warning Vehicle battery saving function

          Warning Start Condition

          (All conditions are met)


          • The shift lever is in P.

          • The engine switch is on (ACC) or on (IG).

          • The vehicle speed is 0 km/h (0 mph).

          • The engine is stopped.

          • The power source control system is turned off by automatic power off function.

          Warning description
          • "AUTO POWER OFF TO CONSERVE BATTERY" is displayed on the multi-information display in the combination meter assembly for 10 seconds.*

          Warning Stop Condition
          • The engine switch is on (ACC) or on (IG).


        • *: w/ Multi-information Display (Dot Display Type)

      18. Situation: Immobiliser system certification completion occurs. (w/ Multi-information Display [Dot Display Type])


        • When an electrical key transmitter sub-assembly with a depleted transmitter battery is held near the engine switch while depressing the brake.

          In this situation, the following control is performed:

          Reason for warning Malfunction detection
          Warning Start Condition
          • Electrical key transmitter sub-assembly certification result is OK.

          Warning description
          • The buzzer in the combination meter assembly sounds once.

          • "DEPRESS BRAKE PEDAL AND PUSH ENGINE SWITCH TO START" is displayed on the multi-information display in the combination meter assembly for 10 seconds.*1

          • "DEPRESS CLUTCH PEDAL AND PUSH ENGINE SWITCH TO START" is displayed on the multi-information display in the combination meter assembly for 10 seconds.*2

          Warning Stop Condition

          (One of conditions is met)


          • The electrical key transmitter sub-assembly is detected to the vehicle.

          • The engine is running at 500 rpm or more.

          • The engine is started.

          • The immobiliser system is set and room recognize is stopped or cannot function.

          *1: except Manual Transaxle

          *2: for Manual Transaxle