FRONT POWER SEAT CONTROL SYSTEM(w/ Memory) One or more Power Seat Motors do not Operate

DESCRIPTION

Signals are input into the position control ECU and switch assembly. The built-in ECU manages the signals received from the front power seat switch assembly and operates each motor. If the position control ECU and switch assembly receives more than 2 motor operation signals, the motor is stopped. Manual operation is restarted after the position control ECU and switch assembly receives 1 signal only.

WIRING DIAGRAM

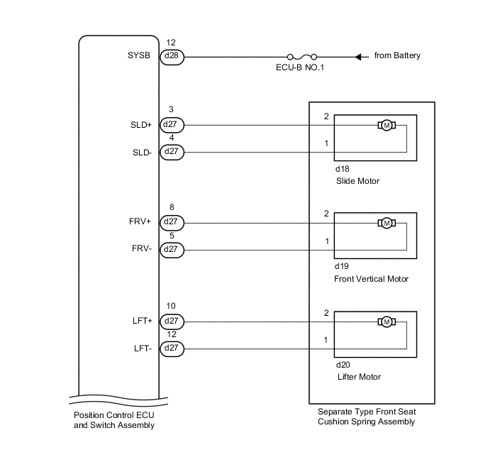
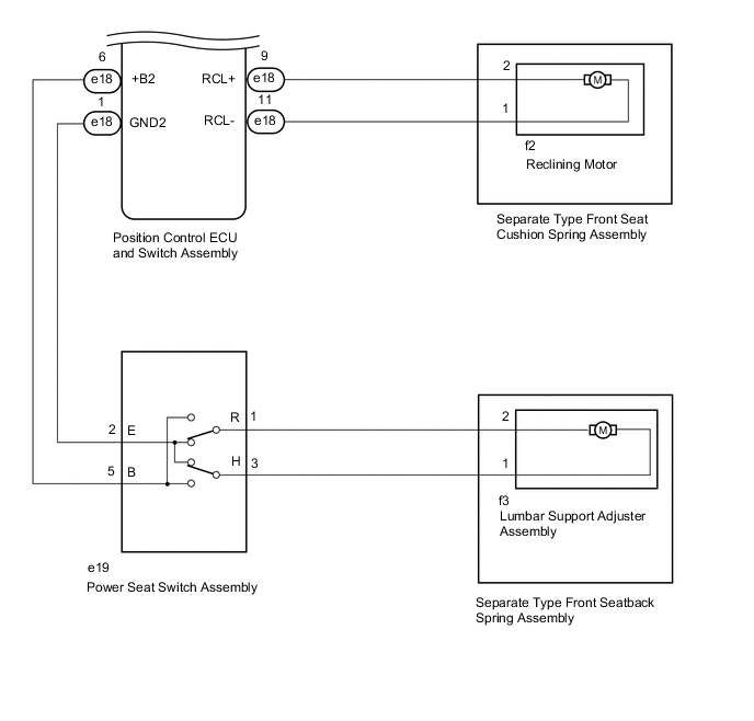
Figure 1. for LHD:

A01V98ZE03
A01VB1HE03

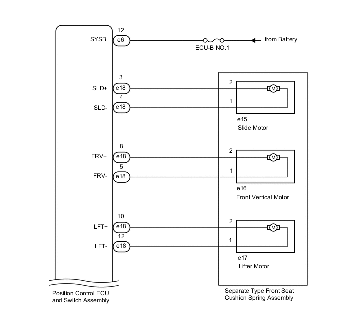
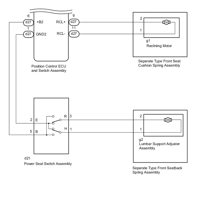
Figure 2. for RHD:

A01V98ZE04
A01VB1HE04

CAUTION / NOTICE / HINT

Note

Inspect the fuses for circuits related to this system before performing the following procedure.

PROCEDURE


  1. CHECK FRONT POWER SEAT OPERATION


    1. Check that each function of the power seat operates normally by using the power seat switch assembly.

      Click here

      Result
      Result Proceed to
      One or more power seat functions (except lumbar support adjustment function) do not operate A
      All power seat functions do not operate B
      Front vertical and lifter functions do not operate C
      Only lumbar support adjustment function does not operate D

    B
    C
    D
    A
  2. READ VALUE USING GTS (POWER SEAT SWITCH)


    1. Connect the GTS to the DLC3.

    2. Turn the ignition switch to ON.

    3. Turn the GTS on.

    4. Enter the following menus: Body Electrical / Driver Seat / Data List.

    5. Read the Data List according to the display on the GTS.


      Body Electrical > Driver Seat > Data List
      Tester Display Measurement Item Range Normal Condition Diagnostic Note
      Reclining Rear Reclining switch signal (Rearward) ON or OFF

      ON: Reclining switch (Rearward) on

      OFF: Reclining switch (Rearward) off

      -
      Reclining Front Reclining switch signal (Forward) ON or OFF

      ON: Reclining switch (Forward) on

      OFF: Reclining switch (Forward) off

      -
      Front Vertical Down Front vertical switch signal (Downward) ON or OFF

      ON: Front vertical switch (Downward) on

      OFF: Front vertical switch (Downward) off

      -
      Front Vertical Up Front vertical switch signal (Upward) ON or OFF

      ON: Front vertical switch (Upward) on

      OFF: Front vertical switch (Upward) off

      -
      Lifter Switch Down Lifter switch signal (Downward) ON or OFF

      ON: Lifter switch (Downward) on

      OFF: Lifter switch (Downward) off

      -
      Lifter Switch Up Lifter switch signal (Upward) ON or OFF

      ON: Lifter switch (Upward) on

      OFF: Lifter switch (Upward) off

      -
      Slide Rear Slide switch signal (Rearward) ON or OFF

      ON: Slide switch (Rearward) on

      OFF: Slide switch (Rearward) off

      -
      Slide Front Slide switch signal (Forward) ON or OFF

      ON: Slide switch (Forward) on

      OFF: Slide switch (Forward) off

      -

      Body Electrical > Driver Seat > Data List
      Tester Display
      Reclining Rear
      Reclining Front
      Front Vertical Down
      Front Vertical Up
      Lifter Switch Down
      Lifter Switch Up
      Slide Rear
      Slide Front
      OK
      ON or OFF is displayed on the GTS according to the table above.
      Result
      Proceed to
      OK
      NG

    NG
    OK
  3. PERFORM ACTIVE TEST USING GTS (POWER SEAT MOTOR)


    1. Enter the following menus: Body Electrical / Driver Seat / Active Test.

    2. Perform the Active Test according to the display on the GTS.


      Body Electrical > Driver Seat > Active Test
      Tester Display Measurement Item Control Range Diagnostic Note
      Seat Reclining Seat reclining operation OFF/Rear/Front -
      Front Vertical Operation Seat front vertical operation OFF/Down/Up -
      Lifter Operation Seat lifter operation OFF/Down/Up -
      Seat Slide Operation Seat slide operation OFF/Rear/Front -

      Body Electrical > Driver Seat > Active Test
      Tester Display
      Seat Reclining

      Body Electrical > Driver Seat > Active Test
      Tester Display
      Front Vertical Operation

      Body Electrical > Driver Seat > Active Test
      Tester Display
      Lifter Operation

      Body Electrical > Driver Seat > Active Test
      Tester Display
      Seat Slide Operation
      Result
      Result Proceed to
      The power seat functions operate normally. A
      Slide, front vertical or lifter function does not operate normally. B
      Reclining function does not operate normally. C

    A
    C
    B
  4. INSPECT SEPARATE TYPE FRONT SEAT CUSHION SPRING ASSEMBLY


    1. Remove the separate type front seat cushion spring assembly.

      Click here

    2. Inspect the separate type front seat cushion spring assembly.

      Click here

      Result
      Proceed to
      OK
      NG

    OK
    NG
  5. INSPECT SEPARATE TYPE FRONT SEATBACK SPRING ASSEMBLY


    1. Remove the separate type front seatback spring assembly.

      Click here

    2. Inspect the separate type front seatback spring assembly.

      Click here

      Result
      Proceed to
      OK
      NG

    NG
    OK
  6. CHECK HARNESS AND CONNECTOR (POSITION CONTROL ECU AND SWITCH ASSEMBLY - POWER SEAT MOTOR)


    1. for LHD


      1. Disconnect the e18 position control ECU and switch assembly connector.

      2. Disconnect the e15, e16, e17 and f2 motor connectors.

      3. Measure the resistance according to the value(s) in the table below.

        Standard Resistance
        Tester Connection Condition Specified Condition
        e18-3 (SLD+) - e15-2 Always Below 1 Ω
        e18-4 (SLD-) - e15-1 Always Below 1 Ω
        e18-5 (FRV-) - e16-1 Always Below 1 Ω
        e18-8 (FRV+) - e16-2 Always Below 1 Ω
        e18-10 (LFT+) - e17-2 Always Below 1 Ω
        e18-12 (LFT-) - e17-1 Always Below 1 Ω
        e18-9 (RCL+) - f2-2 Always Below 1 Ω
        e18-11 (RCL-) - f2-1 Always Below 1 Ω
        e18-3 (SLD+) - Body ground Always 10 kΩ or higher
        e18-4 (SLD-) - Body ground Always 10 kΩ or higher
        e18-5 (FRV-) - Body ground Always 10 kΩ or higher
        e18-8 (FRV+) - Body ground Always 10 kΩ or higher
        e18-10 (LFT+) - Body ground Always 10 kΩ or higher
        e18-12 (LFT-) - Body ground Always 10 kΩ or higher
        e18-9 (RCL+) - Body ground Always 10 kΩ or higher
        e18-11 (RCL-) - Body ground Always 10 kΩ or higher

        Tech Tips

        Check the wire harness and connector between the position control ECU and switch assembly and the applicable motor.

    2. for RHD


      1. Disconnect the d27 position control ECU and switch assembly connector.

      2. Disconnect the d18, d19, d20 and g1 motor connectors.

      3. Measure the resistance according to the value(s) in the table below.

        Standard Resistance
        Tester Connection Condition Specified Condition
        d27-3 (SLD+) - e18-2 Always Below 1 Ω
        d27-4 (SLD-) - e18-1 Always Below 1 Ω
        d27-5 (FRV-) - e19-1 Always Below 1 Ω
        d27-8 (FRV+) - e19-2 Always Below 1 Ω
        d27-10 (LFT+) - e20-2 Always Below 1 Ω
        d27-12 (LFT-) - e20-1 Always Below 1 Ω
        d27-9 (RCL+) - g1-2 Always Below 1 Ω
        d27-11 (RCL-) - g1-1 Always Below 1 Ω
        d27-3 (SLD+) - Body ground Always 10 kΩ or higher
        d27-4 (SLD-) - Body ground Always 10 kΩ or higher
        d27-5 (FRV-) - Body ground Always 10 kΩ or higher
        d27-8 (FRV+) - Body ground Always 10 kΩ or higher
        d27-10 (LFT+) - Body ground Always 10 kΩ or higher
        d27-12 (LFT-) - Body ground Always 10 kΩ or higher
        d27-9 (RCL+) - Body ground Always 10 kΩ or higher
        d27-11 (RCL-) - Body ground Always 10 kΩ or higher

        Tech Tips

        Check the wire harness and connector between the position control ECU and switch assembly and the applicable motor.

      Result
      Proceed to
      OK
      NG

    OK
    NG
  7. CHECK HARNESS AND CONNECTOR (POSITION CONTROL ECU AND SWITCH ASSEMBLY - BATTERY)


    1. Disconnect the e6*1 or d28*2 position control ECU and switch assembly connector.


      • *1: for LHD

      • *2: for RHD

    2. Measure the voltage according to the value(s) in the table below.

      Standard Voltage
      for LHD
      Tester Connection Condition Specified Condition
      e6-12 (SYSB) - Body ground Always 11 to 14 V
      for RHD
      Tester Connection Condition Specified Condition
      d28-12 (SYSB) - Body ground Always 11 to 14 V
      Result
      Proceed to
      OK
      NG

    OK
    NG
  8. INSPECT POWER SEAT SWITCH ASSEMBLY


    1. Remove the power seat switch assembly.

      Click here

    2. Inspect the power seat switch assembly.

      Click here

      Result
      Proceed to
      OK
      NG

    NG
    OK
  9. INSPECT SEPARATE TYPE FRONT SEATBACK SPRING ASSEMBLY


    1. Remove the separate type front seatback spring assembly.

      Click here

    2. Inspect the separate type front seatback spring assembly.

      Click here

      Result
      Proceed to
      OK
      NG

    NG
    OK
  10. CHECK HARNESS AND CONNECTOR (POSITION CONTROL ECU AND SWITCH ASSEMBLY - POWER SEAT SWITCH ASSEMBLY AND LUMBAR MOTOR)


    • *1: for LHD

    • *2: for RHD


    1. Disconnect the e18*1 or d27*2 position control ECU and switch assembly connector.

    2. Disconnect the e19*1 or d21*2 power seat switch assembly connector.

    3. Measure the resistance according to the value(s) in the table below.

      Standard Resistance
      for LHD
      Tester Connection Condition Specified Condition
      e18-6 (+B2) - e19-5 (B) Always Below 1 Ω
      e18-1 (GND2) - e19-2 (E) Always Below 1 Ω
      e19-3 (H) - f3-1 Always Below 1 Ω
      e19-1 (R) - f3-2 Always Below 1 Ω
      e19-5 (B) - Body ground Always 10 kΩ or higher
      e19-2 (E) - Body ground Always 10 kΩ or higher
      e19-3 (H) - Body ground Always 10 kΩ or higher
      e19-1 (R) - Body ground Always 10 kΩ or higher
      for RHD
      Tester Connection Condition Specified Condition
      d27-6 (+B2) - d21-5 (B) Always Below 1 Ω
      d27-1 (GND2) - d21-2 (E) Always Below 1 Ω
      d21-1 (H) -g2-1 Always Below 1 Ω
      d21-3 (R) - g2-2 Always Below 1 Ω
      d21-5 (B) - Body ground Always 10 kΩ or higher
      d21-2 (E) - Body ground Always 10 kΩ or higher
      d21-1 (H) - Body ground Always 10 kΩ or higher
      d21-3 (R) - Body ground Always 10 kΩ or higher
      Result
      Proceed to
      OK
      NG

    OK
    NG