PRE-CRASH SAFETY SYSTEM, Diagnostic DTC:C1A4B

DTC Code DTC Name
C1A4B Stop Light Relay Circuit

DESCRIPTION

The brake actuator assembly (skid control ECU) sends a stop light operation signal to the stop light switch assembly. When the brake actuator assembly (skid control ECU) detects a malfunction in the stop light circuit, the driving support ECU assembly stores DTC C1A4B.

DTC No. Detection Item DTC Detection Condition Trouble Area
C1A4B Stop Light Relay Circuit

Either of the following conditions is met:


  • When the ignition switch ON, the IG1 terminal voltage is between 11 to 14 V and the stop light illumination output signal (STPO) is output, the signal is not received at terminal STP for 0.3 seconds or more.

  • When the ignition switch ON, the IG1 terminal voltage is between 11 to 14 V and the stop light illumination output signal (STPO) is not output, the signals received at terminals STP and STP2 are different for 0.3 seconds or more.


  • Lighting system

  • Vehicle stability control system

  • Harness or connector

  • Stop light switch assembly

  • Brake actuator assembly (skid control ECU)

  • Entry and start system (w/ entry and start system)

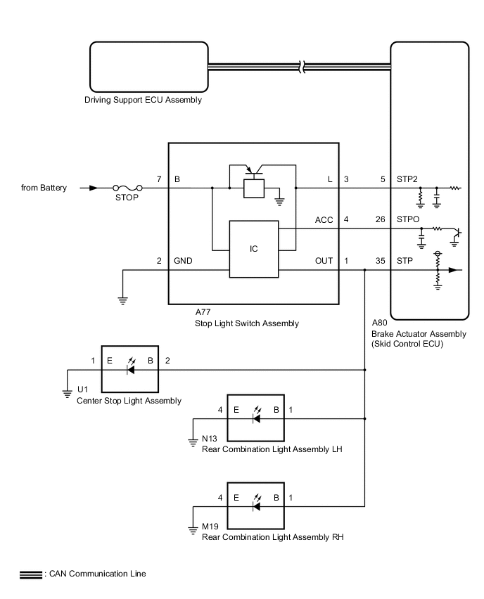
WIRING DIAGRAM

A01QRWEE02

CAUTION / NOTICE / HINT

Note


  • Inspect the fuses for circuits related to this system before performing the following procedure.

  • When replacing the brake actuator assembly (skid control ECU), perform zero point calibration.

    Click here

  • When the entry and start function does not operate, check the entry and start system (start function)*.

    Click here


  • *: w/ Entry and Start System

PROCEDURE


  1. CHECK STOP LIGHT OPERATION


    1. Check that the stop lights come on when the brake pedal is depressed and go off when the brake pedal is released.

      OK
      Condition Illumination Condition
      Brake pedal depressed On
      Brake pedal released Off
      Result
      Result Proceed to
      OK (w/ Entry and Start System) A
      OK (w/o Entry and Start System) B
      NG C

    B
    C
    A
  2. CHECK HARNESS AND CONNECTOR (STPO TERMINAL VOLTAGE)


    1. Turn the ignition switch off.

    2. A01QQHFC19
      *a

      Front view of wire harness connector

      (to Brake Actuator Assembly [Skid Control ECU])

      Disconnect the brake actuator assembly (skid control ECU) connector.

    3. Measure the voltage according to the value(s) in the table below.

      Standard Voltage
      Tester Connection Condition Specified Condition
      A80-26 (STPO) - Body ground Always 11 to 14 V
      Result
      Proceed to
      OK
      NG

    NG
    OK
  3. PERFORM ACTIVE TEST USING GTS (STOP LIGHT RELAY)


    1. Enter the following menus: Chassis / ABS/VSC/TRC / Active Test.

    2. Perform "Active Test" according to the display on GTS.


      Chassis > ABS/VSC/TRC > Active Test
      Tester Display Measurement Item Control Range Diagnostic Note
      Stop Light Relay Stop lights ON or OFF Test possible at vehicle speed of 0 km/h (0 mph)

      Chassis > ABS/VSC/TRC > Active Test
      Tester Display
      Stop Light Relay
    3. Enter the following menus: Chassis / ABS/VSC/TRC / Data List.

    4. Check the stop light switch assembly operation using the Data List and stop light operation by performing an Active Test.


      Chassis > ABS/VSC/TRC > Data List
      Tester Display Measurement Item Range Normal Condition Diagnostic Note
      Stop Light Relay Output Stop light control relay output ON or OFF

      ON: Relay output on (Stop light on)

      OFF: Relay output off (Stop light off)

      -

      Chassis > ABS/VSC/TRC > Data List
      Tester Display
      Stop Light Relay
      Result
      Result Proceed to
      When Active Test performed, Data List item not changes between ON and OFF A
      When Active Test performed, Data List item changes between ON and OFF and stop lights turn on and off B

    B
    A
  4. INSPECT BRAKE ACTUATOR ASSEMBLY (SKID CONTROL ECU)


    1. Enter the following menus: Chassis / ABS/VSC/TRC / Active Test.

    2. Perform "Active Test" according to the display on GTS.


      Chassis > ABS/VSC/TRC > Active Test
      Tester Display Measurement Item Control Range Diagnostic Note
      Stop Light Relay Stop lights ON or OFF Test possible at vehicle speed of 0 km/h (0 mph)

      Chassis > ABS/VSC/TRC > Active Test
      Tester Display
      Stop Light Relay
    3. A01QRAPC01
      *a

      Component with harness connected

      (Stop Light Switch Assembly)

      Measure the voltage according to the value(s) in the table below.

      Standard Voltage
      Tester Connection Condition Specified Condition
      A77-4 (ACC) - Body ground Active test is OFF 11 to 14 V
      A77-4 (ACC) - Body ground Active test is ON Below 1.5 V
      Result
      Proceed to
      OK
      NG

    OK
    NG
  5. CHECK HARNESS AND CONNECTOR (STOP LIGHT SWITCH ASSEMBLY - BRAKE ACTUATOR ASSEMBLY [SKID CONTROL ECU])


    1. Disconnect the A80 brake actuator assembly (skid control ECU) connector.

    2. Disconnect the A77 stop light switch assembly connector.

    3. Measure the resistance according to the value(s) in the table below.

      Standard Resistance
      Tester Connection Condition Specified Condition
      A80-35 (STP) - A77-1 (OUT) Always Below 1 Ω
      Result
      Proceed to
      OK
      NG

    OK
    NG
  6. CHECK HARNESS AND CONNECTOR (STOP LIGHT SWITCH ASSEMBLY - BRAKE ACTUATOR ASSEMBLY [SKID CONTROL ECU])


    1. Disconnect the A80 brake actuator assembly (skid control ECU) connector.

    2. Disconnect the A77 stop light switch assembly connector.

    3. Measure the resistance according to the value(s) in the table below.

      Standard Resistance
      Tester Connection Condition Specified Condition
      A80-26 (STPO) - A77-4 (ACC) Always Below 1 Ω
      A80-26 (STPO) or A77-4 (ACC) - Body ground Always 10 kΩ or higher
      Result
      Proceed to
      OK
      NG

    OK
    NG
  7. CHECK HARNESS AND CONNECTOR (STP2 TERMINAL VOLTAGE)


    1. Turn the ignition switch off.

    2. A01QQHFC20
      *a

      Front view of wire harness connector

      (to Brake Actuator Assembly [Skid Control ECU])

      Disconnect the brake actuator assembly (skid control ECU) connector.

    3. Measure the voltage according to the value(s) in the table below.

      Standard Voltage
      Tester Connection Switch Condition Specified Condition
      A80-5 (STP2) - Body ground Stop light switch assembly on (Brake pedal depressed) 8.5 to 14 V
      A80-5 (STP2) - Body ground Stop light switch assembly off (Brake pedal released) Below 1.5 V
      Result
      Proceed to
      OK
      NG

    OK
    NG