VEHICLE STABILITY CONTROL SYSTEM, Diagnostic DTC:C1425

DTC Code DTC Name
C1425 Open in Stop Light Switch Circuit

DESCRIPTION

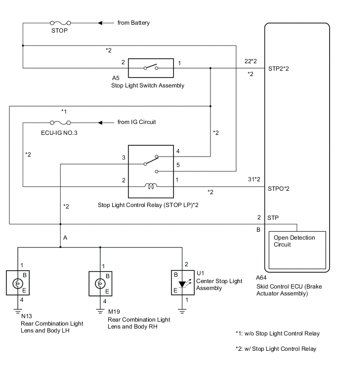
The skid control ECU (brake actuator assembly) detects the brake operating conditions through a signal transmitted by the stop light switch.

The skid control ECU (brake actuator assembly) has an open detection circuit, which outputs this DTC when detecting an open in the stop light input line or the ground line of the stop light circuit with the stop light switch off (brake pedal not depressed).

DTC No. Detection Item DTC Detection Condition Trouble Area
C1425 Open in Stop Light Switch Circuit When IG1 terminal voltage is between 9.5 and 17.4 V, an open stop light switch circuit (A to B, A to body ground) continues for 0.3 seconds or more.
  • Stop light switch circuit

  • Skid control ECU (Brake actuator assembly)

WIRING DIAGRAM

A01KC0VE01

CAUTION / NOTICE / HINT

Note

When replacing the skid control ECU (brake actuator assembly), perform zero point calibration.

Click here

PROCEDURE


  1. CHECK STOP LIGHT OPERATION


    1. Check that the all stop lights come on when the brake pedal is depressed, and go off when the brake pedal is released.

      OK
      Condition Illumination Condition
      Brake pedal depressed ON
      Brake pedal released OFF
      Result
      Proceed to
      OK
      NG

    NG
    OK
  2. CHECK TERMINAL VOLTAGE (STP TERMINAL)


    1. A01KAJTC51
      *a

      Front view of wire harness connector

      (to Skid Control ECU [Brake Actuator Assembly])

      Turn the ignition switch off.

    2. Make sure that there is no looseness at the locking part and the connecting part of the connectors.

    3. Disconnect the A64 skid control ECU (brake actuator assembly) connector.

    4. Measure the voltage according to the value(s) in the table below.

      Standard Voltage
      Tester Connection Switch Condition Specified Condition
      A64-2 (STP) - Body ground Stop light switch ON (Brake pedal depressed) 8 to 14 V
      Stop light switch OFF (Brake pedal released) Below 1.5 V
      Result
      Proceed to
      OK
      NG

    NG
    OK
  3. RECONFIRM DTC


    1. Turn the ignition switch off.

    2. Reconnect the A64 skid control ECU (brake actuator assembly) connector.

    3. Clear the DTCs.

      Click here


      Chassis > ABS/VSC/TRC > Clear DTCs
    4. Start the engine.

    5. Depress the brake pedal several times to test the stop light circuit.

    6. Check if the same DTC is recorded.

      Click here


      Chassis > ABS/VSC/TRC > Trouble Codes

      Tech Tips

      If troubleshooting has been carried out according to the Problem Symptoms Table, refer back to the table and proceed to the next step.

      Click here

      Result
      Proceed to
      DTC C1425 is not output
      DTC C1425 is output

    DTC C1425 is not output
    DTC C1425 is output