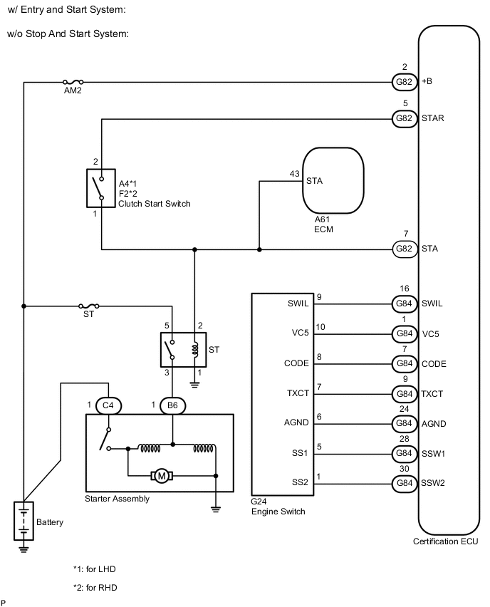
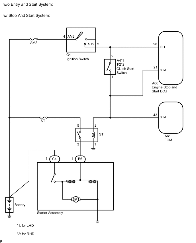
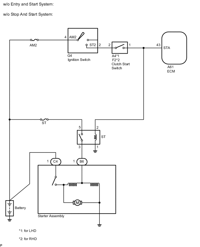
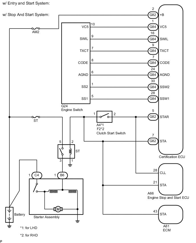
STARTING SYSTEM SYSTEM DIAGRAM

A01CYL3E01
A01CXT0E01
A01CXO4E01
A01CXL4E01