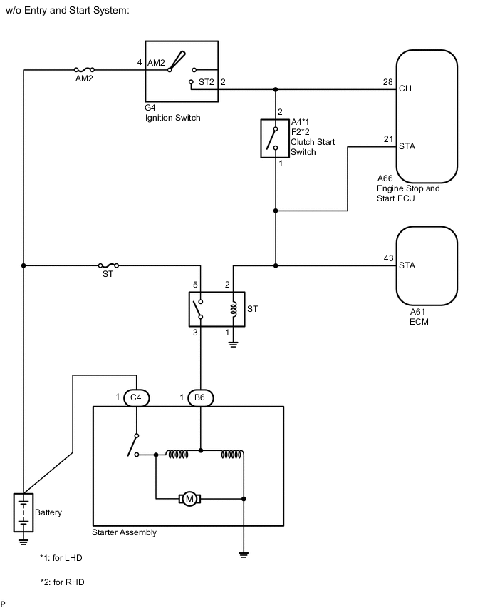
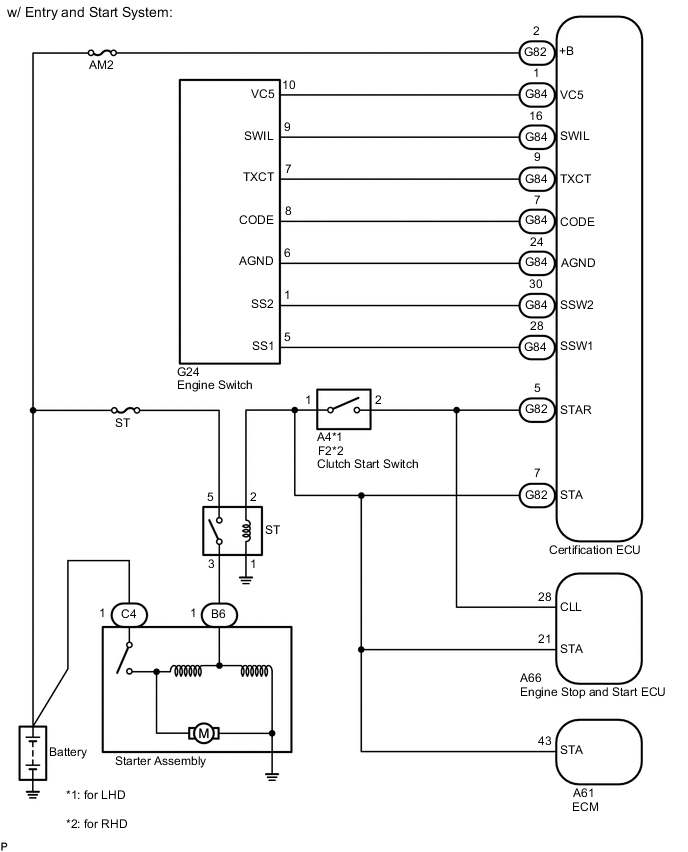
STARTING SYSTEM SYSTEM DIAGRAM

A00YVX6C01
A00YSB9C01