СИСТЕМА ЗАПУСКА И ОСТАНОВА Сигнальная цепь стартера

ОПИСАНИЕ

ЭБУ запуска и останова двигателя может включать реле ST № 1 для приведения в действие стартера.

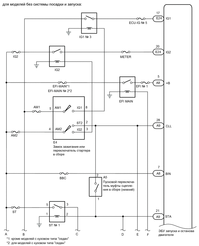
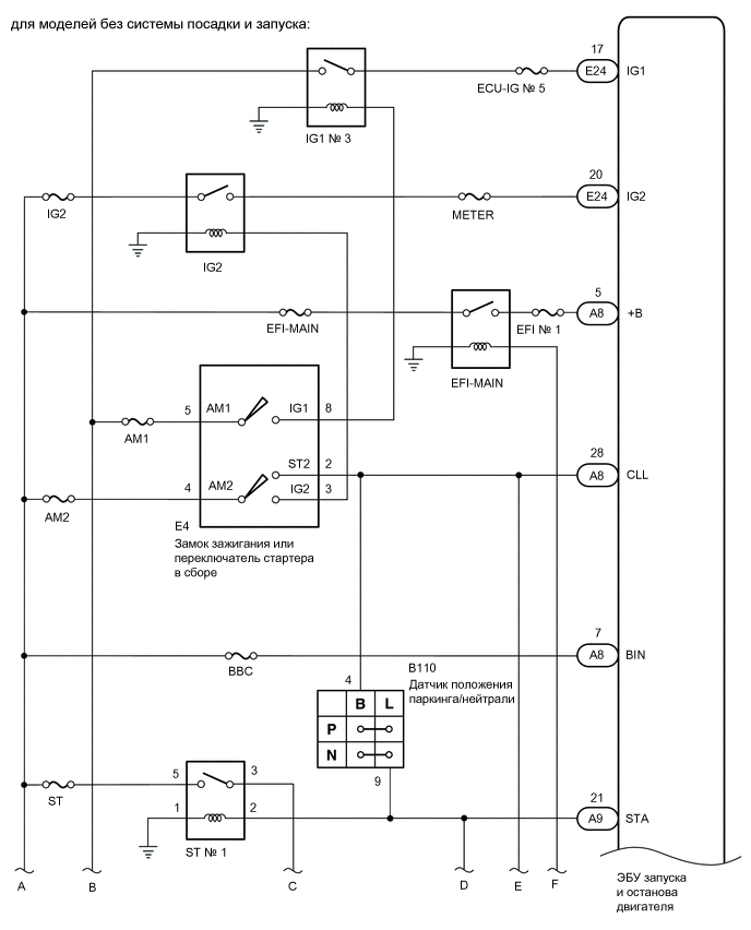
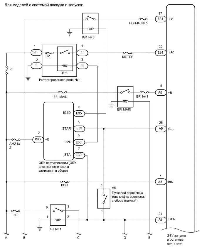
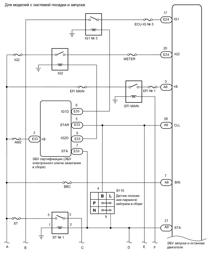
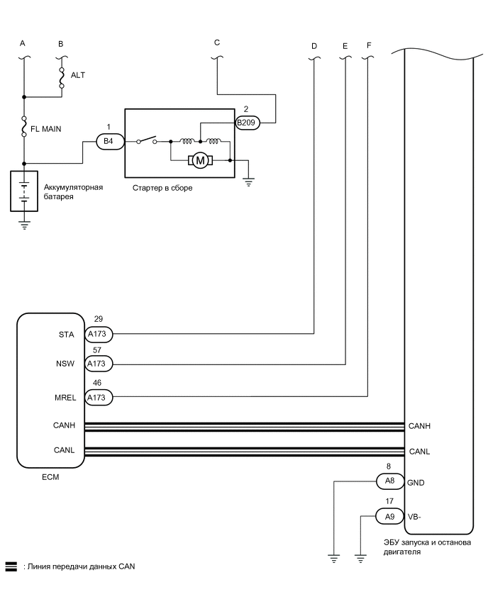
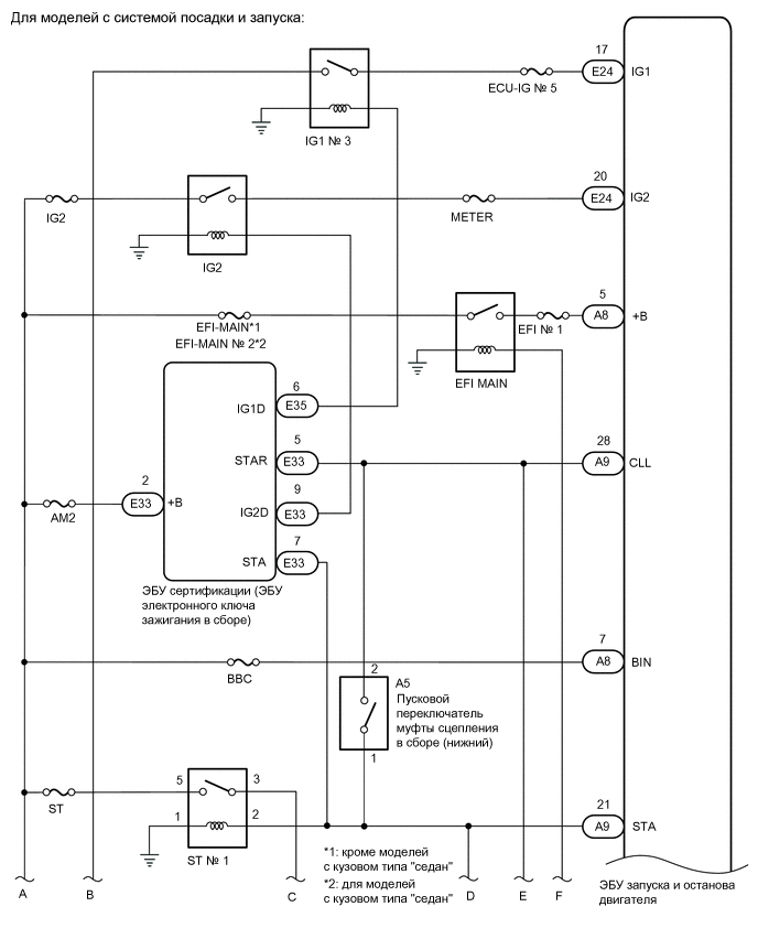
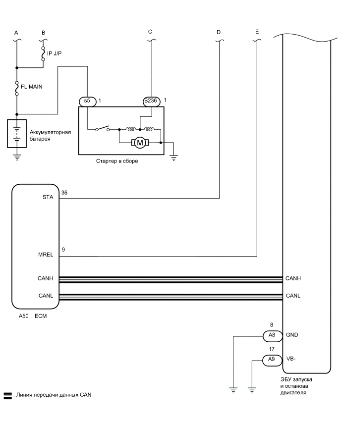
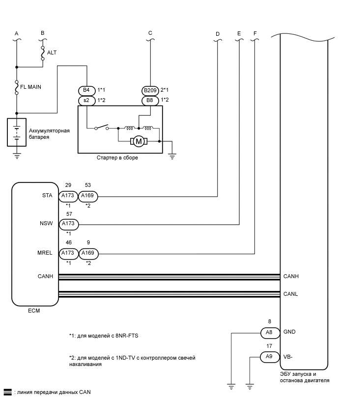
СХЕМА СОЕДИНЕНИЙ


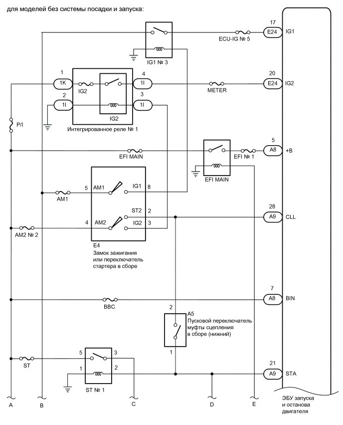
  1. для моделей с механической трансмиссией (для моделей с 1WW)

    B0044SWE01
    B0044LUE01
    B0043HOE01
  2. для моделей с механической трансмиссией (кроме моделей с 1WW)

    B0041LSE01
    B00454OE01
    B0043VRE01
  3. для моделей с бесступенчатой трансмиссией

    B0043MTE01
    B0042WRE01
    B0044M7E01

ПРЕДОСТЕРЕЖЕНИЕ / ПРИМЕЧАНИЕ / УКАЗАНИЕ

Note


  • Перед тем, как заменять ЭБУ запуска и останова двигателя, считайте число запусков стартера и запишите его в новый ЭБУ запуска и останова двигателя.

    Нажмите здесь Click here

  • После замены ЭБУ запуска и останова двигателя или блока управления системой кондиционирования выполните сброс и настройте данные системы кондиционирования в ЭБУ запуска и останова двигателя.

    Нажмите здесь Click here

  • После замены ЭБУ запуска и останова двигателя или блока управления системы SRS выполните удаление и калибровку "нуля" датчика замедления в ЭБУ запуска и останова двигателя.

    Нажмите здесь Click here

  • После замены стартера в сборе выполните инициализацию числа запусков стартера, сохраненного в ЭБУ запуска и останова двигателя.

    Нажмите здесь Click here

  • В случае замены стартера в сборе необходимо также заменить реле ST № 1.

  • Перед выполнением последующей процедуры проверки проверьте плавкие предохранители цепей, относящихся к данной системе.

ПОРЯДОК ВЫПОЛНЕНИЯ


  1. ПРОВЕРЬТЕ, ПРОКРУЧИВАЕТСЯ ЛИ КОЛЕНЧАТЫЙ ВАЛ ДВИГАТЕЛЯ


    1. Поверните замок зажигания в положение START и удостоверьтесь в том, что коленчатый вал прокручивается.

      Результат
      Результат Следующий шаг
      Коленчатый вал двигателя прокручивается А
      Коленчатый вал двигателя прокручивается B

    B
    А
  2. ВЫПОЛНИТЕ АКТИВНУЮ ДИАГНОСТИКУ С ПОМОЩЬЮ GTS (STARTER)


    1. Подключите GTS к DLC3.

    2. Установите замок зажигания в положение ON (ВКЛ).

    3. Включите GTS.

    4. Войдите в следующие меню: Powertrain / Stop и Start / Active Test / Starter.


      Powertrain > Stop и Start > Active Test
      Информация на дисплее прибора
      Starter
    5. Убедитесь, что при выполнении испытания "Starter" в режиме Active Test коленчатый вал двигателя прокручивается.

      Note

      Испытание "Starter" прекращается автоматически через 3 с после начала работы стартера.

      Номинальное значение/Номинальный режим
      Коленчатый вал двигателя прокручивается
      Результат
      Следующий шаг
      OK
      NG

    OK
    NG
  3. ПРОВЕРЬТЕ ЖГУТ ПРОВОДОВ И РАЗЪЕМ (ЦЕПЬ ПИТАНИЯ ЭБУ ЗАПУСКА И ОСТАНОВА ДВИГАТЕЛЯ)


    1. B00451KC37
      *a

      Вид спереди разъема со стороны жгута проводов:

      (к ЭБУ запуска и останова двигателя)

      Отсоедините разъемы A8 и E24 ЭБУ запуска и останова двигателя.

    2. Измерьте напряжение в соответствии со значениями, приведенными в таблице.

      Номинальное напряжение
      Подключение диагностического прибора Условие Заданные условия
      A8-7 (BIN) - масса Всегда 9,5-14 В
    3. Установите замок зажигания в положение ON (ВКЛ).

    4. Измерьте напряжение в соответствии со значениями, приведенными в таблице.

      Номинальное напряжение
      Подключение диагностического прибора Условие Заданные условия
      A8-5 (+B) - масса Зажигание включено 9,5-14 В
      E24-17 (IG1) - масса Зажигание включено 9,5-14 В
      E24-20 (IG2) - масса Зажигание включено 9,5-14 В
      Результат
      Следующий шаг
      OK
      NG

    NG
    OK
  4. ПРОВЕРЬТЕ ЖГУТ ПРОВОДОВ И РАЗЪЕМ (ЭБУ ЗАПУСКА И ОСТАНОВА ДВИГАТЕЛЯ - МАССА)


    1. Отсоедините разъемы A8 и A9 ЭБУ запуска и останова двигателя.

    2. Измерьте сопротивление в соответствии со значениями, приведенными в таблице ниже.

      Номинальное сопротивление
      Подключение диагностического прибора Условие Заданные условия
      A8-8 (GND) – масса Всегда Менее 1 Ом
      A9-17 (VB-) - масса Всегда Менее 1 Ом
      Результат
      Следующий шаг
      OK
      NG

    OK
    NG
  5. ВЫПОЛНИТЕ АКТИВНУЮ ДИАГНОСТИКУ С ПОМОЩЬЮ GTS (STARTER)


    1. Подключите GTS к DLC3.

    2. Установите замок зажигания в положение ON (ВКЛ).

    3. Включите GTS.

    4. Войдите в следующие меню: Powertrain / Stop и Start / Active Test / Starter.


      Powertrain > Stop и Start > Active Test
      Информация на дисплее прибора
      Starter
    5. Убедитесь, что при выполнении испытания "Starter" в режиме Active Test коленчатый вал двигателя прокручивается.

      Note

      Испытание "Starter" прекращается автоматически через 3 с после начала работы стартера.

      Номинальное значение/Номинальный режим
      Коленчатый вал двигателя прокручивается
      Результат
      Результат Следующий шаг
      Коленчатый вал двигателя прокручивается А
      Коленчатый вал двигателя прокручивается B

    B
    А
  6. ПРОВЕРКА МОДЕЛИ


    1. Выберите модель для проверки.

      Результат
      Результат Следующий шаг
      для моделей с механической трансмиссией А
      для моделей с бесступенчатой трансмиссией B

    B
    А
  7. СНИМИТЕ ПОКАЗАНИЯ GTS (CLUTCH LOWER SW)


    1. Подключите GTS к DLC3.

    2. Установите замок зажигания в положение ON (ВКЛ).

    3. Включите GTS.

    4. Войдите в следующие меню: Powertrain / Stop и Start / Data List / Clutch Lower SW

    5. Следуя подсказкам на экране GTS, считайте данные в режиме Data List.


      Powertrain > Stop and Start > Data List
      Информация на дисплее прибора
      Clutch Lower SW
      OK
      Информация на дисплее прибора Условие Нормальное состояние
      Clutch Lower SW Полностью нажата ON (ВКЛ)
      Полностью отпущена OFF (ВЫКЛ)
      Результат
      Результат Следующий шаг
      Данные на экране Data Monitor находятся вне номинального диапазона А
      Данные на экране Data Monitor находятся в пределах номинального диапазона (для моделей без системы посадки и запуска) B
      Данные на экране Data Monitor находятся в пределах номинального диапазона (для моделей с системой посадки и запуска) C

    B
    C
    А
  8. ПРОВЕРЬТЕ ПУСКОВОЙ ПЕРЕКЛЮЧАТЕЛЬ МУФТЫ СЦЕПЛЕНИЯ В СБОРЕ (НИЖНИЙ)


    1. Проверьте пусковой переключатель муфты сцепления (нижний).

      Нажмите здесь Click here

      Результат
      Результат Следующий шаг
      OK (для моделей без интеллектуальной системы посадки и запуска) А
      OK (для моделей с интеллектуальной системой посадки и запуска) B
      NG C

    B
    C
    А
  9. ПРОВЕРЬТЕ ЖГУТ ПРОВОДОВ И РАЗЪЕМ (ЗАМОК ЗАЖИГАНИЯ ИЛИ ВЫКЛЮЧАТЕЛЬ СТАРТЕРА - РЕЛЕ ST № 1)


    1. Отсоедините разъемы A9 ЭБУ запуска и останова двигателя.

    2. Отсоедините разъем E4 замка зажигания или выключателя стартера в сборе.

    3. Извлеките реле ST № 1 из блока реле моторного отсека и распределительного блока в сборе.

    4. Измерьте сопротивление в соответствии со значениями, приведенными в таблице ниже.

      Номинальное сопротивление
      Подключение диагностического прибора Условие Заданные условия
      E4-2 (ST2) - контакт 2 реле ST № 1 Полностью нажата Менее 1 Ом
      E4-2 (ST2) - контакт 2 реле ST № 1 Полностью отпущена 10 кОм или более
      Результат
      Перейти к
      OK
      NG

    OK
    NG
  10. ПРОВЕРЬТЕ ЖГУТ ПРОВОДОВ И РАЗЪЕМ (ЭБУ СЕРТИФИКАЦИИ (ЭБУ ЭЛЕКТРОННОГО КЛЮЧА ЗАЖИГАНИЯ) - РЕЛЕ ST № 1)


    1. Отсоедините разъем E33 ЭБУ сертификации (ЭБУ электронного ключа зажигания в сборе).

    2. Извлеките реле ST № 1 из блока реле моторного отсека и распределительного блока в сборе.

    3. Измерьте сопротивление в соответствии со значениями, приведенными в таблице ниже.

      Номинальное сопротивление
      Подключение диагностического прибора Условие Заданные условия
      E33-5 (STAR) - контакт 2 реле ST № 1 Полностью нажата Менее 1 Ом
      E33-5 (STAR) - контакт 2 реле ST № 1 Полностью отпущена 10 кОм или более
      Результат
      Перейти к
      OK
      NG

    OK
    NG
  11. ПРОВЕРЬТЕ ЗАМОК ЗАЖИГАНИЯ ИЛИ ПЕРЕКЛЮЧАТЕЛЬ СТАРТЕРА


    1. Проверьте замок зажигания или переключатель стартера в сборе.

      Для моделей с 1ND-TV: Нажмите здесь Click here

      Для моделей с 1WW: Нажмите здесь Click here

      Для моделей с 8NR-FTS: Нажмите здесь Click here

      Результат
      Перейти к
      OK
      NG

    NG
    OK
  12. ПРОВЕРЬТЕ ЖГУТ ПРОВОДОВ И РАЗЪЕМ (ЗАМОК ЗАЖИГАНИЯ ИЛИ ВЫКЛЮЧАТЕЛЬ СТАРТЕРА - АККУМУЛЯТОРНАЯ БАТАРЕЯ)


    1. Отсоедините разъем E4 замка зажигания или выключателя стартера в сборе.

    2. B0042ECC03
      *a

      Вид спереди разъема со стороны жгута проводов:

      (к замку зажигания или переключателю стартера в сборе)

      Измерьте напряжение в соответствии со значениями, приведенными в таблице.

      Номинальное напряжение
      Подключение диагностического прибора Условие Заданные условия
      E4-4 (AM2) - масса Всегда 9,5-14 В
      Результат
      Перейти к
      OK
      NG

    NG
    OK
  13. ПРОВЕРЬТЕ ЖГУТ ПРОВОДОВ И РАЗЪЕМ (ЗАМОК ЗАЖИГАНИЯ ИЛИ ВЫКЛЮЧАТЕЛЬ СТАРТЕРА - ПУСКОВОЙ ПЕРЕКЛЮЧАТЕЛЬ МУФТЫ СЦЕПЛЕНИЯ (НИЖНИЙ))


    1. Отсоедините разъем E4 замка зажигания или выключателя стартера в сборе.

    2. Отсоедините разъем A9 ЭБУ запуска и останова двигателя.

    3. Отсоедините разъем A173 ECM. *

    4. Отсоедините разъем A5 пускового переключателя муфты сцепления в сборе (нижнего).

    5. Измерьте сопротивление в соответствии со значениями, приведенными в таблице ниже.

      Номинальное сопротивление
      Подключение диагностического прибора Условие Заданные условия
      E4-2 (ST2) - A5-2 Всегда Менее 1 Ом
      E4-2 (ST2) - масса Всегда 10 кОм или более
      A5-2 - масса Всегда 10 кОм или более
      A9-28 (CLL) - масса Всегда 10 кОм или более
      A173-57(NSW) - масса* Всегда 10 кОм или более

      • *: для моделей с 8NR-FTS

      Результат
      Перейти к
      OK
      NG

    OK
    NG
  14. ПРОВЕРЬТЕ ЖГУТ ПРОВОДОВ И РАЗЪЕМ (ЭБУ СЕРТИФИКАЦИИ (ЭБУ ЭЛЕКТРОННОГО КЛЮЧА ЗАЖИГАНИЯ В СБОРЕ) — ЭБУ ЗАПУСКА И ОСТАНОВА ДВИГАТЕЛЯ)


    1. Отсоедините разъем A5 пускового переключателя муфты сцепления в сборе (нижнего).

    2. Отсоедините разъем E33 ЭБУ сертификации (ЭБУ электронного ключа зажигания в сборе).

    3. Отсоедините разъем A9 ЭБУ запуска и останова двигателя.

    4. Измерьте сопротивление в соответствии со значениями, приведенными в таблице ниже.

      Номинальное сопротивление
      Подключение диагностического прибора Условие Заданные условия
      E33-5 (STAR) - A9-28 (CLL) Всегда Менее 1 Ом
      E33-5 (STAR) - масса Всегда 10 кОм или более
      A9-28 (CLL) - масса Всегда 10 кОм или более
      Результат
      Следующий шаг
      OK
      NG

    NG
    OK
  15. ПРОВЕРЬТЕ ЭБУ СЕРТИФИКАЦИИ (ЭБУ ЭЛЕКТРОННОГО КЛЮЧА ЗАЖИГАНИЯ В СБОРЕ) (СИГНАЛ STAR)


    1. B00444JC02
      *a

      Вид спереди разъема со стороны жгута проводов:

      (к ЭБУ запуска и останова двигателя)

      Отсоедините разъем A9 ЭБУ запуска и останова двигателя.

    2. Измерьте напряжение в соответствии со значениями, приведенными в таблице.

      Номинальное напряжение
      Подключение диагностического прибора Условие Заданные условия
      A9-28 (CLL) - масса Запуск двигателя 9,5-14 В
      Результат
      Следующий шаг
      OK
      NG

    OK
    NG
  16. СНИМИТЕ ПОКАЗАНИЯ GTS (NEUTRAL SWITCH)


    1. Подключите GTS к DLC3.

    2. Установите замок зажигания в положение ON (ВКЛ).

    3. Включите GTS.

    4. Войдите в следующие меню: Powertrain / Stop и Start / Data List / Neutral Switch.

    5. Следуя подсказкам на экране GTS, считайте данные в режиме Data List.


      Powertrain > Stop and Start > Data List
      Информация на дисплее прибора
      Neutral Switch
      OK
      Информация на дисплее прибора Условие Нормальное состояние
      Neutral Switch Рычаг переключения передач в положении P или N ON (ВКЛ)
      Рычаг переключения передач не в положении P или N OFF (ВЫКЛ)
      Результат
      Результат Перейти к
      Данные на экране Data Monitor находятся вне номинального диапазона А
      Данные на экране Data Monitor находятся в пределах номинального диапазона (для моделей без системы посадки и запуска) B
      Данные на экране Data Monitor находятся в пределах номинального диапазона (для моделей с системой посадки и запуска) C

    B
    C
    А
  17. ПРОВЕРЬТЕ ДАТЧИК ПОЛОЖЕНИЯ ПАРКИНГА/НЕЙТРАЛИ В СБОРЕ


    1. Проверьте датчик положения паркинга/нейтрали.

      Нажмите здесь Click here

      Результат
      Результат Следующий шаг
      OK (для моделей без интеллектуальной системы посадки и запуска) А
      OK (для моделей с интеллектуальной системой посадки и запуска) B
      NG C

    B
    C
    А
  18. ПРОВЕРЬТЕ ЖГУТ ПРОВОДОВ И РАЗЪЕМ (ЗАМОК ЗАЖИГАНИЯ ИЛИ ВЫКЛЮЧАТЕЛЬ СТАРТЕРА - РЕЛЕ ST № 1)


    1. Отсоедините разъемы A9 ЭБУ запуска и останова двигателя.

    2. Отсоедините разъем E4 замка зажигания или выключателя стартера в сборе.

    3. Извлеките реле ST № 1 из блока реле моторного отсека и распределительного блока в сборе.

    4. Измерьте сопротивление в соответствии со значениями, приведенными в таблице ниже.

      Номинальное сопротивление
      Подключение диагностического прибора Условие Заданные условия
      E4-2 (ST2) - контакт 2 реле ST № 1 Полностью нажата Менее 1 Ом
      E4-2 (ST2) - контакт 2 реле ST № 1 Полностью отпущена 10 кОм или более
      Результат
      Перейти к
      OK
      NG

    OK
    NG
  19. ПРОВЕРЬТЕ ЖГУТ ПРОВОДОВ И РАЗЪЕМ (ЭБУ СЕРТИФИКАЦИИ (ЭБУ ЭЛЕКТРОННОГО КЛЮЧА ЗАЖИГАНИЯ) - РЕЛЕ ST № 1)


    1. Отсоедините разъем E33 ЭБУ сертификации (ЭБУ электронного ключа зажигания в сборе).

    2. Извлеките реле ST № 1 из блока реле моторного отсека и распределительного блока в сборе.

    3. Измерьте сопротивление в соответствии со значениями, приведенными в таблице ниже.

      Номинальное сопротивление
      Подключение диагностического прибора Условие Заданные условия
      E33-5 (STAR) - контакт 2 реле ST № 1 Рычаг переключения передач в положении P или N Менее 1 Ом
      E33-5 (STAR) - контакт 2 реле ST № 1 Рычаг переключения передач не в положении P или N 10 кОм или более
      Результат
      Следующий шаг
      OK
      NG

    OK
    NG
  20. ПРОВЕРЬТЕ ЗАМОК ЗАЖИГАНИЯ ИЛИ ПЕРЕКЛЮЧАТЕЛЬ СТАРТЕРА


    1. Проверьте замок зажигания или переключатель стартера в сборе.

      Для моделей с 1ND-TV: Нажмите здесь Click here

      Для моделей с 1WW: Нажмите здесь Click here

      Для моделей с 8NR-FTS: Нажмите здесь Click here

      Результат
      Перейти к
      OK
      NG

    NG
    OK
  21. ПРОВЕРЬТЕ ЖГУТ ПРОВОДОВ И РАЗЪЕМ (ЗАМОК ЗАЖИГАНИЯ ИЛИ ВЫКЛЮЧАТЕЛЬ СТАРТЕРА - АККУМУЛЯТОРНАЯ БАТАРЕЯ)


    1. Отсоедините разъем E4 замка зажигания или выключателя стартера в сборе.

    2. B0042ECC03
      *a

      Вид спереди разъема со стороны жгута проводов:

      (к замку зажигания или переключателю стартера в сборе)

      Измерьте напряжение в соответствии со значениями, приведенными в таблице.

      Номинальное напряжение
      Подключение диагностического прибора Условие Заданные условия
      E4-4 (AM2) - масса Всегда 9,5-14 В
      Результат
      Перейти к
      OK
      NG

    NG
    OK
  22. ПРОВЕРЬТЕ ЖГУТ ПРОВОДОВ И РАЗЪЕМ (ЗАМОК ИЛИ ВЫКЛЮЧАТЕЛЬ СТАРТЕРА В СБОРЕ – ДАТЧИК ПОЛОЖЕНИЯ ПАРКИНГА/НЕЙТРАЛИ)


    1. Отсоедините разъем E4 замка зажигания или выключателя стартера в сборе.

    2. Отсоедините разъем A9 ЭБУ запуска и останова двигателя.

    3. Отсоедините разъем A173 ECM.

    4. Отсоедините разъем B110 датчика положения паркинга/нейтрали.

    5. Измерьте сопротивление в соответствии со значениями, приведенными в таблице ниже.

      Номинальное сопротивление
      Подключение диагностического прибора Условие Заданные условия
      E4-2 (ST2) - B110-4 (B) Всегда Менее 1 Ом
      E4-2 (ST2) - масса Всегда 10 кОм или более
      B110-4 (B) - масса Всегда 10 кОм или более
      A9-28 (CLL) - масса Всегда 10 кОм или более
      A173-57 (NSW) - масса Всегда 10 кОм или более
      Результат
      Перейти к
      OK
      NG

    OK
    NG
  23. ПРОВЕРЬТЕ ЖГУТ ПРОВОДОВ И РАЗЪЕМ (ЭБУ СЕРТИФИКАЦИИ (ЭБУ ЭЛЕКТРОННОГО КЛЮЧА ЗАЖИГАНИЯ В СБОРЕ) — ЭБУ ЗАПУСКА И ОСТАНОВА ДВИГАТЕЛЯ)


    1. Отсоедините разъем B110 датчика положения паркинга/нейтрали.

    2. Отсоедините разъем E33 ЭБУ сертификации (ЭБУ электронного ключа зажигания в сборе).

    3. Отсоедините разъем A9 ЭБУ запуска и останова двигателя.

    4. Измерьте сопротивление в соответствии со значениями, приведенными в таблице ниже.

      Номинальное сопротивление
      Подключение диагностического прибора Условие Заданные условия
      E33-5 (STAR) - A9-28 (CLL) Всегда Менее 1 Ом
      E33-5 (STAR) - масса Всегда 10 кОм или более
      A9-28 (CLL) - масса Всегда 10 кОм или более
      Результат
      Перейти к
      OK
      NG

    NG
    OK
  24. ПРОВЕРЬТЕ ЭБУ СЕРТИФИКАЦИИ (ЭБУ ЭЛЕКТРОННОГО КЛЮЧА ЗАЖИГАНИЯ В СБОРЕ) (СИГНАЛ STAR)


    1. B00444JC02
      *a

      Вид спереди разъема со стороны жгута проводов:

      (к ЭБУ запуска и останова двигателя)

      Отсоедините разъем A9 ЭБУ запуска и останова двигателя.

    2. Измерьте напряжение в соответствии со значениями, приведенными в таблице.

      Номинальное напряжение
      Подключение диагностического прибора Условие Заданные условия
      A9-28 (CLL) - масса Запуск двигателя 9,5-14 В
      Результат
      Перейти к
      OK
      NG

    OK
    NG
  25. ПРОВЕРЬТЕ ЖГУТ ПРОВОДОВ И РАЗЪЕМ (РЕЛЕ ST № 1 - МАССА)


    1. Извлеките реле ST № 1 из блока реле моторного отсека и распределительного блока в сборе.

    2. Измерьте сопротивление в соответствии со значениями, приведенными в таблице ниже.

      Номинальное сопротивление
      Подключение диагностического прибора Условие Заданные условия
      Контакт 2 реле ST № 1 - масса Всегда Менее 1 Ом
      Результат
      Следующий шаг
      OK
      NG

    NG
    OK
  26. ПРОВЕРЬТЕ ЖГУТ ПРОВОДОВ И РАЗЪЕМ (ЭБУ ЗАПУСКА И ОСТАНОВА ДВИГАТЕЛЯ – РЕЛЕ ST № 1)


    1. Отсоедините разъем E33 ЭБУ сертификации (ЭБУ электронного ключа зажигания в сборе). (для моделей с системой посадки и запуска)

    2. Отсоедините разъем A5 пускового переключателя муфты сцепления в сборе (нижнего). (для моделей с механической трансмиссией)

    3. Отсоедините разъем B110 датчика положения паркинга/нейтрали. (для моделей с бесступенчатой трансмиссией)

    4. Отсоедините разъем A9 ЭБУ запуска и останова двигателя.

    5. Извлеките реле ST № 1 из блока реле моторного отсека и распределительного блока в сборе.

    6. Измерьте сопротивление в соответствии со значениями, приведенными в таблице ниже.

      Номинальное сопротивление
      Подключение диагностического прибора Условие Заданные условия
      A9-21 (STA) - контакт 2 реле ST NO. 1 Всегда Менее 1 Ом
      A9-21 (STA) - масса Всегда 10 кОм или более
      Контакт 2 реле ST № 1 - масса Всегда 10 кОм или более
      Результат
      Перейти к
      OK
      NG

    NG
    OK
  27. ПРОВЕРЬТЕ СТАРТЕР В СБОРЕ


    1. Проверьте стартер в сборе.

      Для моделей с 1ND-TV: Нажмите здесь Click here

      Для моделей с 1WW: Нажмите здесь Click here

      Для моделей с 8NR-FTS, с бесступенчатой трансмиссией: Нажмите здесь Click here

      для моделей с 8NR-FTS, с механической трансмиссией: Нажмите здесь Click here

      Результат
      Перейти к
      OK
      NG

    OK
    NG