СИСТЕМА ЗАПУСКА И ОСТАНОВА, Diagnostic DTC:P1862

Код DTC Наименование DTC
P1862 Система управления сцеплением 2

ОПИСАНИЕ

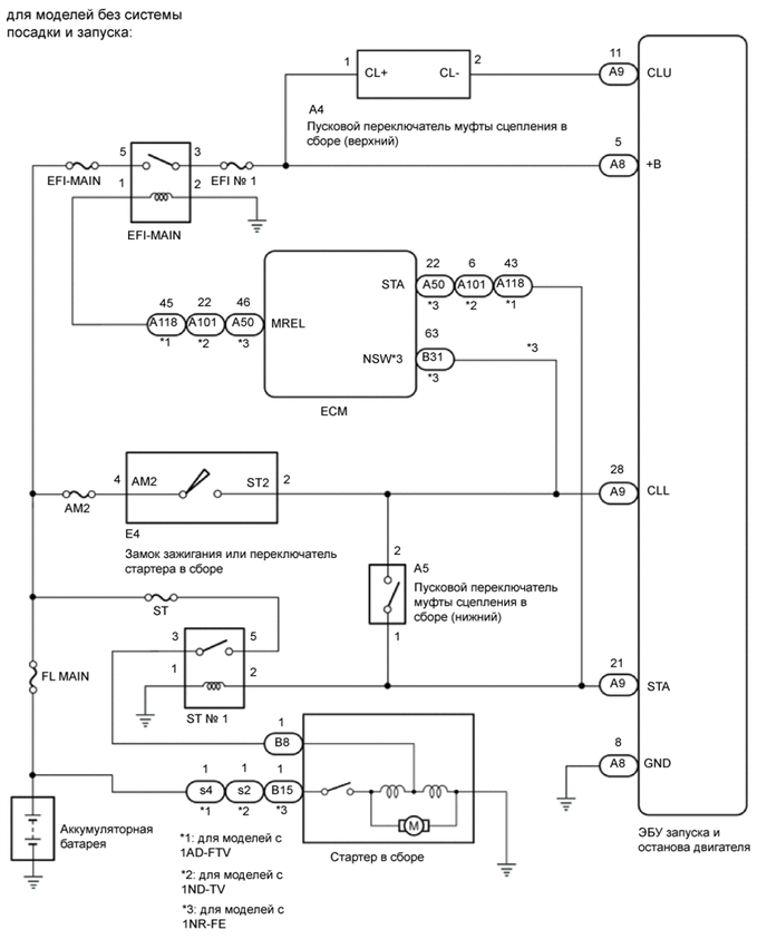
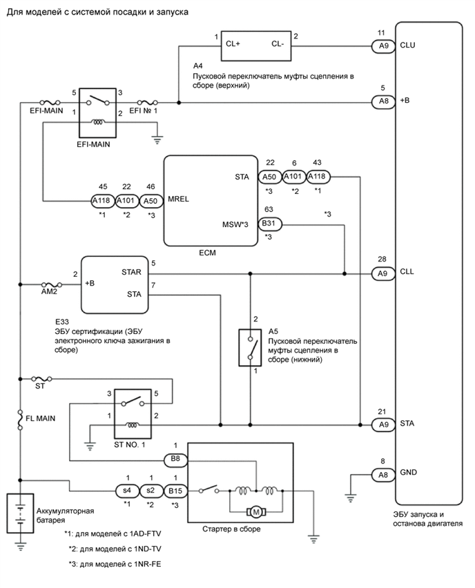
В системе используются 2 переключателя педали сцепления. Пусковой переключатель муфты (верхний) используется для остановки и повторного запуска двигателя системой запуска и останова. В системе запуска и останова нижний пусковой переключатель муфты применяется только в аварийном режиме при залипании контактов верхнего пускового переключателя муфты.

№ DTC Неисправность Условие обнаружения DTC Неисправный участок Индикация предупреждения Память
P1862 Система управления сцеплением 2

Оба следующих условия сохраняются в течение 0,5 с или более (логика диагностирования за 1 поездку):


  • Пусковой переключатель муфты сцепления в сборе (нижний) включен.

  • Пусковой переключатель муфты сцепления в сборе (верхний) включен.


  • Пусковой переключатель муфты сцепления в сборе (нижний)

  • Пусковой переключатель муфты сцепления в сборе (верхний)

  • Жгут проводов или разъем

  • ЭБУ запуска и останова двигателя

Мигает Код DTC сохраняется

ПРОВЕРОЧНАЯ ПОЕЗДКА

Tech Tips

Коды DTC системы запуска и останова не удаляются, даже если неисправность устранена. Поэтому после устранения неисправности необходимо самостоятельно удалить коды DTC.

Нажмите здесь Click here


  1. ПРОВЕРКА ПОСЛЕ УСТРАНЕНИЯ НЕИСПРАВНОСТИ

    Tech Tips


    • Когда провод отсоединяется от отрицательного (-) вывода аккумуляторной батареи, работа системы запуска и останова на некоторое время запрещается. После подсоединения провода двигайтесь на автомобиле до тех пор, пока работа системы запуска и останова не будет разрешена (приблизительно 15-40 мин).

    • После прогрева двигателя дайте ему поработать на холостом ходу в течение 3 мин и убедитесь, что частота вращения коленчатого вала двигателя отличается от заданной частоты вращения не более чем на 50 об/мин.


    1. Подключите GTS к DLC3.

    2. Включите зажигание и GTS.

    3. Удалите коды DTC.

      Нажмите здесь Click here


      Powertrain > Stop and Start > Clear DTCs
    4. Запустите двигатель.

    5. A01T9A6E03
      *a Сигнал переключателя муфты
      *b ON (ВКЛ)
      *c OFF (ВЫКЛ)
      *d 1 с или более

      Нажмите педаль сцепления и удерживайте ее не менее 1 с. Отпустите педаль сцепления и подождите не менее 1 с.

    6. Повторите предыдущий шаг 3 раза.

    7. Убедитесь, коды DTC не выводятся.

      Нажмите здесь Click here


      Powertrain > Stop and Start > Trouble Codes
  2. ПРОВЕРКА РАБОТЫ СИСТЕМЫ ЗАПУСКА И ОСТАНОВА

    Tech Tips

    Когда провод отсоединяется от отрицательного (-) вывода аккумуляторной батареи, работа системы запуска и останова на некоторое время запрещается. После подсоединения провода двигайтесь на автомобиле до тех пор, пока работа системы запуска и останова не будет разрешена (приблизительно 15-40 мин).


    1. Запустите и прогрейте двигатель.

    2. Выключите систему кондиционирования.

    3. Совершите поездку на автомобиле со скоростью 7 км/час (4,3 мили в час) или выше.

      CAUTION:

      Во время поездки в проверочном режиме соблюдайте все ограничения скорости и правила дорожного движения.

    4. Остановите автомобиль, переведите рычаг переключения передач в нейтральное положение и отпустите педаль сцепления.

    5. Дайте двигателю остановится под управлением системы запуска и останова.

    6. Нажмите на педаль сцепления и запустите двигатель.

СХЕМА ЭЛЕКТРИЧЕСКИХ СОЕДИНЕНИЙ

A01T8O3E01
A01TBRWE01

ПРЕДОСТЕРЕЖЕНИЕ / ПРИМЕЧАНИЕ / УКАЗАНИЕ

Note


  • Перед тем, как заменять ЭБУ запуска и останова двигателя, считайте число запусков стартера и запишите его в новый ЭБУ запуска и останова двигателя.

    Нажмите здесь Click here

  • После замены ЭБУ запуска и останова двигателя или блока управления системой кондиционирования выполните сброс и настройте данные системы кондиционирования в ЭБУ запуска и останова двигателя.

    Нажмите здесь Click here

  • После замены ЭБУ запуска и останова двигателя или блока управления системы SRS выполните удаление и калибровку "нуля" датчика замедления в ЭБУ запуска и останова двигателя.

    Нажмите здесь Click here

Tech Tips


  • Коды DTC системы запуска и останова не удаляются, даже если неисправность устранена. Поэтому после устранения неисправности необходимо самостоятельно удалить коды DTC.

    Нажмите здесь Click here

  • Перед диагностикой считайте данные фиксированного набора параметров с помощью GTS. Одновременно с записью в память кода DTC состояние системы сохраняется в данных фиксированного набора параметров. Эта информация может быть полезна при поиске и устранении неисправностей.

    Нажмите здесь Click here

ПОРЯДОК ВЫПОЛНЕНИЯ


  1. СНИМИТЕ ПОКАЗАНИЯ GTS (CLUTCH UPPER SW И CLUTCH LOWER SW)


    1. Подключите GTS к DLC3.

    2. Установите замок зажигания в положение ON (ВКЛ).

    3. Включите GTS.

    4. Войдите в следующие меню: Powertrain / Stop и Start / Data List / Clutch Upper SW и Clutch Lower SW.


      Powertrain > Stop and Start > Data List
      Информация на дисплее прибора
      Clutch Upper SW
      Clutch Lower SW
    5. Нажмите педаль сцепления и считайте значения с экрана GTS.

      OK
      Информация на дисплее прибора Условие Нормальное состояние
      Clutch Upper SW Полностью нажата OFF (ВЫКЛ)
      Clutch Lower SW Полностью нажата ON (ВКЛ)
      Clutch Upper SW Полностью отпущена ON (ВКЛ)
      Clutch Lower SW Полностью отпущена OFF (ВЫКЛ)
      Результат
      Результат Перейти к
      NG А
      OK B

    B
    А
  2. ПРОВЕРЬТЕ ПУСКОВОЙ ПЕРЕКЛЮЧАТЕЛЬ МУФТЫ СЦЕПЛЕНИЯ В СБОРЕ (НИЖНИЙ)


    1. Проверьте пусковой переключатель муфты сцепления (нижний).

      Нажмите здесь Click here

      Результат
      Перейти к
      OK
      NG

    NG
    OK
  3. ПРОВЕРЬТЕ ПУСКОВОЙ ПЕРЕКЛЮЧАТЕЛЬ МУФТЫ СЦЕПЛЕНИЯ В СБОРЕ (ВЕРХНИЙ)


    1. Проверьте пусковой переключатель муфты сцепления в сборе (верхний).

      Нажмите здесь Click here

      Результат
      Перейти к
      OK
      NG

    NG
    OK
  4. ПРОВЕРЬТЕ ЖГУТ ПРОВОДОВ И РАЗЪЕМ (ЭБУ ЗАПУСКА И ОСТАНОВА ДВИГАТЕЛЯ - ПУСКОВОЙ ПЕРЕКЛЮЧАТЕЛЬ МУФТЫ СЦЕПЛЕНИЯ (ДЛЯ НИЖНЕЙ СТОРОНЫ))


    1. Отсоедините разъем A9 ЭБУ запуска и останова двигателя.

    2. Отсоедините разъем A5 пускового переключателя муфты сцепления в сборе (нижнего).

    3. Отсоедините разъем B31 ЕСМ (для моделей с 1NR-FE).

    4. Отсоедините разъем E33 ЭБУ сертификации (ЭБУ электронного ключа зажигания в сборе) (для моделей с системой посадки и запуска).

    5. Отсоедините разъем E4 замка зажигания или выключателя стартера в сборе (для моделей без системы посадки и запуска)

    6. Измерьте сопротивление в соответствии со значениями, приведенными в таблице ниже.

      Номинальное сопротивление
      Подключение диагностического прибора Условие Заданные условия
      A9-28 (CLL) - A5-2 Всегда Менее 1 Ом
      A9-28 (CLL) - масса Всегда 10 кОм или более
      A5-2 - масса Всегда 10 кОм или более
      Результат
      Перейти к
      OK
      NG

    NG
    OK
  5. ПРОВЕРЬТЕ ЖГУТ ПРОВОДОВ И РАЗЪЕМ (ЭБУ ЗАПУСКА И ОСТАНОВА ДВИГАТЕЛЯ - ПУСКОВОЙ ПЕРЕКЛЮЧАТЕЛЬ МУФТЫ СЦЕПЛЕНИЯ (ДЛЯ ВЕРХНЕЙ СТОРОНЫ))


    1. Отсоедините разъем A9 ЭБУ запуска и останова двигателя.

    2. Отсоедините разъем A4 пускового переключателя муфты сцепления в сборе (верхнего).

    3. Измерьте сопротивление в соответствии со значениями, приведенными в таблице ниже.

      Номинальное сопротивление
      Подключение диагностического прибора Условие Заданные условия
      A9-11 (CLU) - A4-2 (CL-) Всегда Менее 1 Ом
      A9-11 (CLU) - масса Всегда 10 кОм или более
      A4-2 (CL-) - масса Всегда 10 кОм или более
      Результат
      Следующий шаг
      OK
      NG

    OK
    NG