СИСТЕМА ЗАПУСКА И ОСТАНОВА, Diagnostic DTC:P0560

Код DTC Наименование DTC
P0560 Напряжение бортовой сети

ОПИСАНИЕ

ЭБУ запуска и останова двигателя выявляет неисправности на основании напряжения на контакте +B и характеристик напряжения VB, чтобы определить обрыв в цепи VB-. Если цепь VB- разомкнута, ЭБУ запуска и останова двигателя сохраняет DTC P0560 и инициирует мигание контрольной лампы отключения системы запуска и останова.

№ DTC Неисправность Условие обнаружения DTC Неисправный участок Индикация предупреждения Память
P0560 Напряжение бортовой сети

В течение не менее 1 с сохраняется следующее условие (логика диагностирования за 1 поездку):


  • Напряжение VB ниже порогового уровня, при котором диагностируется обрыв в цепи VB-.


  • Жгут проводов или разъем -

  • ЭБУ запуска и останова двигателя

Мигает Код DTC сохраняется

ПРОВЕРОЧНАЯ ПОЕЗДКА

Tech Tips

Коды DTC системы запуска и останова не удаляются автоматически, даже если неисправность устранена. Поэтому после устранения неисправности необходимо самостоятельно удалить коды DTC.

Нажмите здесь Click here


  1. Tech Tips


    • Когда провод отсоединяется от отрицательного (-) вывода аккумуляторной батареи, работа системы запуска и останова запрещается до завершения режима восстановительной подзарядки. В этом случае совершите поездку на автомобиле в течение 5–40 минут, пока не завершится режим восстановительной подзарядки и работа системы запуска и останова не будет разрешена.

    • После прогрева двигателя дайте ему поработать на холостом ходу в течение 3 мин и убедитесь, что частота вращения коленчатого вала двигателя отличается от заданной частоты вращения не более чем на 50 об/мин.

    ПРОВЕРКА ПОСЛЕ УСТРАНЕНИЯ НЕИСПРАВНОСТИ


    1. Подключите GTS к DLC3.

    2. Включите зажигание и GTS.

    3. Удалите коды DTC.

      Нажмите здесь Click here


      Powertrain > Stop and Start > Clear DTCs
    4. Запустите и прогрейте двигатель.

    5. Совершите поездку на автомобиле со скоростью 7 км/час (4,3 мили в час) или выше.

      CAUTION:

      Во время поездки в проверочном режиме соблюдайте все ограничения скорости и правила дорожного движения.

    6. Остановите автомобиль, переведите рычаг переключения передач в нейтральное положение и отпустите педаль сцепления. (для моделей с механической трансмиссией)

    7. Нажмите на педаль тормоза и остановите двигатель. (для моделей с бесступенчатой трансмиссией)

    8. Оставьте двигатель остановленным системой запуска и останова не менее чем на 1 с. (Поддерживайте рычаг переключения передач в положении D (для моделей с бесступенчатой трансмиссией))

    9. Нажмите на педаль сцепления и запустите двигатель. (для моделей с механической трансмиссией)

    10. Отпустите педаль тормоза, когда рычаг переключения передач находится в положении D, чтобы запустить двигатель. (для моделей с бесступенчатой трансмиссией)

    11. Убедитесь, что коды DTC не выводятся.

      Нажмите здесь Click here


      Powertrain > Stop and Start > Trouble Codes
  2. ПРОВЕРКА РАБОТЫ СИСТЕМЫ ЗАПУСКА И ОСТАНОВА

    Tech Tips

    Когда провод отсоединяется от отрицательного (-) вывода аккумуляторной батареи, работа системы запуска и останова запрещается до завершения режима восстановительной подзарядки. В этом случае совершите поездку на автомобиле в течение 5–40 минут, пока не завершится режим восстановительной подзарядки и работа системы запуска и останова не будет разрешена.


    1. Запустите и прогрейте двигатель.

    2. Выключите систему кондиционирования.

    3. Совершите поездку на автомобиле со скоростью 7 км/час (4,3 мили в час) или выше.

      CAUTION:

      Во время поездки в проверочном режиме соблюдайте все ограничения скорости и правила дорожного движения.

    4. Остановите автомобиль, переведите рычаг переключения передач в нейтральное положение и отпустите педаль сцепления. (для моделей с механической трансмиссией)

    5. Нажмите на педаль тормоза и остановите двигатель. (для моделей с бесступенчатой трансмиссией)

    6. Дайте двигателю остановится под управлением системы запуска и останова. (Поддерживайте рычаг переключения передач в положении D (для моделей с бесступенчатой трансмиссией))

    7. Нажмите на педаль сцепления и запустите двигатель. (для моделей с механической трансмиссией)

    8. Отпустите педаль тормоза, когда рычаг переключения передач находится в положении D, чтобы запустить двигатель. (для моделей с бесступенчатой трансмиссией)

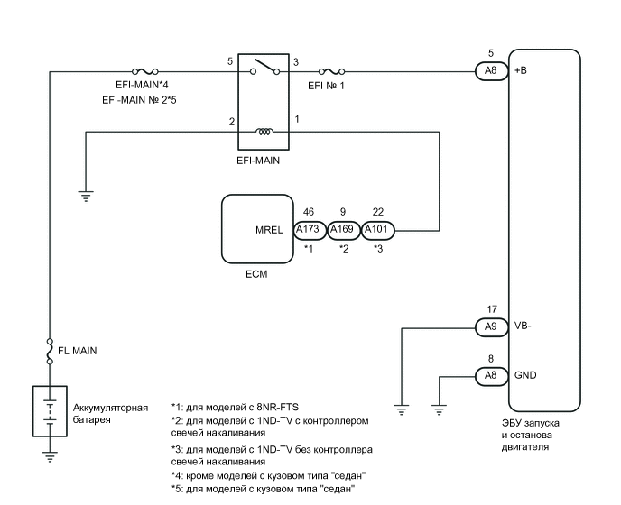
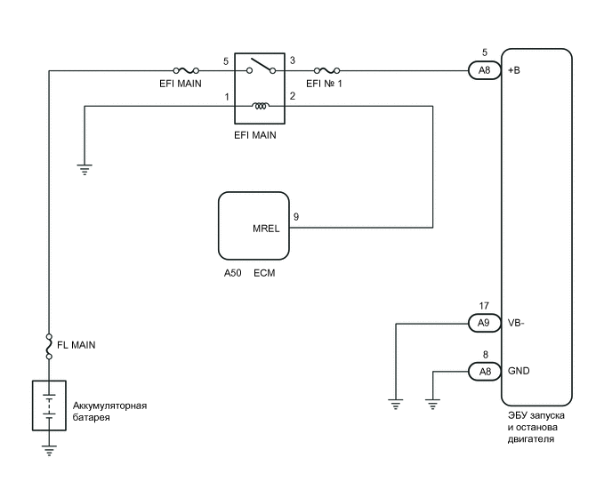
СХЕМА ЭЛЕКТРИЧЕСКИХ СОЕДИНЕНИЙ


  1. для моделей с 1WW

    A01LY7CE01
  2. кроме моделей с 1WW

    A01LY92E01

ПРЕДОСТЕРЕЖЕНИЕ / ПРИМЕЧАНИЕ / УКАЗАНИЕ

Note


  • Перед тем, как заменять ЭБУ запуска и останова двигателя, считайте число запусков стартера и запишите его в новый ЭБУ запуска и останова двигателя.

    Нажмите здесь Click here

  • После замены ЭБУ запуска и останова двигателя или блока управления системой кондиционирования выполните сброс и настройте данные системы кондиционирования в ЭБУ запуска и останова двигателя.

    Нажмите здесь Click here

  • После замены ЭБУ запуска и останова двигателя или блока управления системы SRS выполните удаление и калибровку "нуля" датчика замедления в ЭБУ запуска и останова двигателя.

    Нажмите здесь Click here

  • Перед выполнением последующей процедуры проверки проверьте плавкие предохранители цепей, относящихся к данной системе.

Tech Tips

Перед диагностикой считайте данные фиксированного набора параметров с помощью GTS. Одновременно с записью в память кода DTC состояние системы сохраняется в данных фиксированного набора параметров. Эта информация может быть полезна при поиске и устранении неисправностей.

Нажмите здесь Click here

ПОРЯДОК ВЫПОЛНЕНИЯ


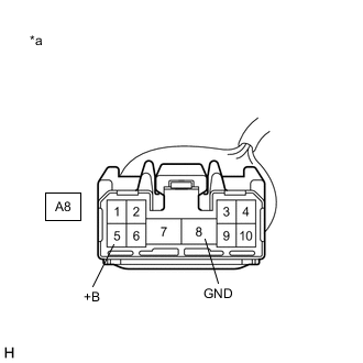
  1. ПРОВЕРЬТЕ ЖГУТ ПРОВОДОВ И РАЗЪЕМ (ЭБУ ЗАПУСКА И ОСТАНОВА ДВИГАТЕЛЯ – РЕЛЕ EFI-MAIN)


    1. Отсоедините разъем A8 ЭБУ запуска и останова двигателя.

    2. Установите замок зажигания в положение ON (ВКЛ).

    3. A01M2IFC07
      *a

      Вид спереди разъема со стороны жгута проводов:

      (к ЭБУ запуска и останова двигателя)

      Измерьте напряжение в соответствии со значениями, приведенными в таблице.

      Номинальное напряжение
      Подключение диагностического прибора Условие Заданные условия
      A8-5 (+B) - A8-8 (GND) Зажигание включено 9,5-14 В
      Результат
      Следующий шаг
      OK
      NG

    NG
    OK
  2. ПРОВЕРЬТЕ ЖГУТ ПРОВОДОВ И РАЗЪЕМ (ЭБУ ЗАПУСКА И ОСТАНОВА ДВИГАТЕЛЯ - МАССА)


    1. Отсоедините разъем A9 ЭБУ запуска и останова двигателя.

    2. Измерьте сопротивление в соответствии со значениями, приведенными в таблице ниже.

      Номинальное сопротивление
      Контакты для подключения диагностического прибора Условие Заданные условия
      A9-17 (VB-) - масса Всегда Менее 1 Ом
      Результат
      Перейти к
      OK
      NG

    OK
    NG