Click here

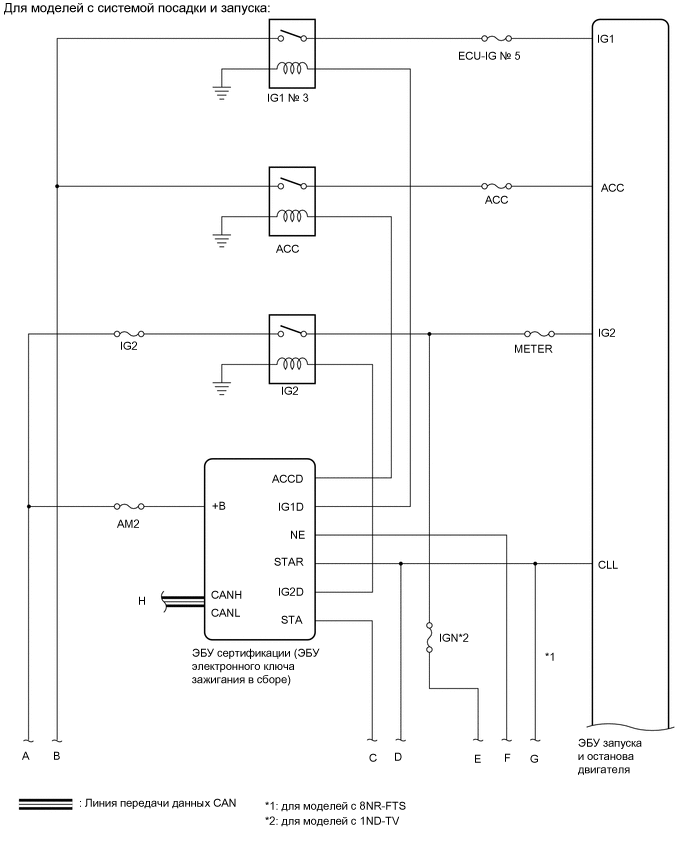
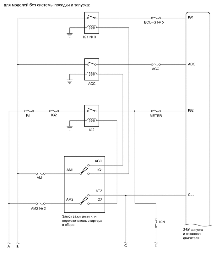
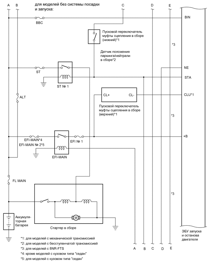
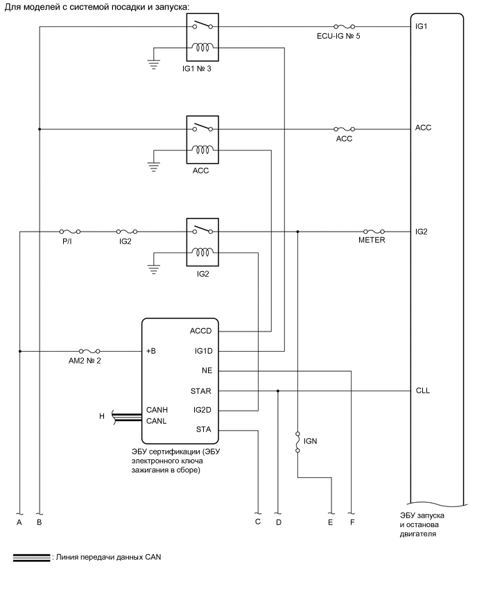
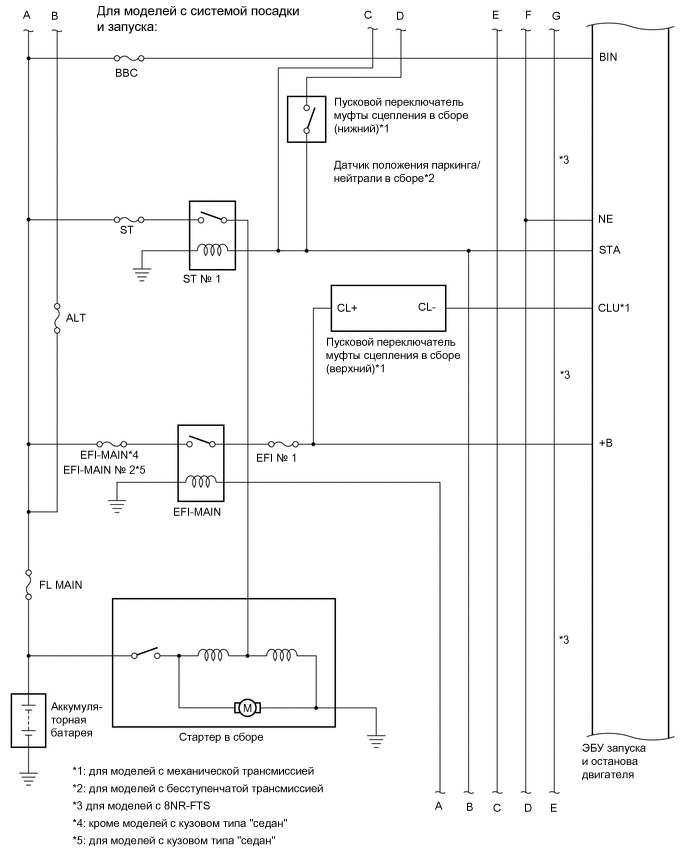
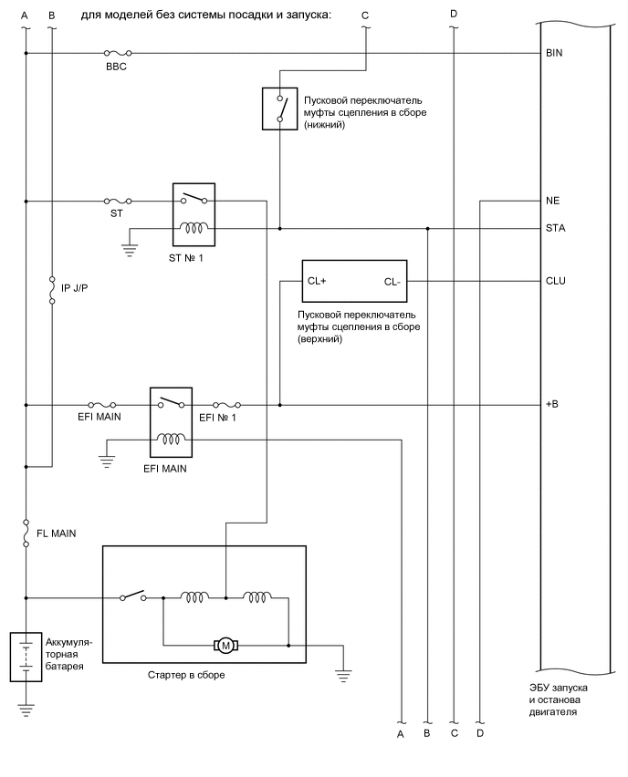
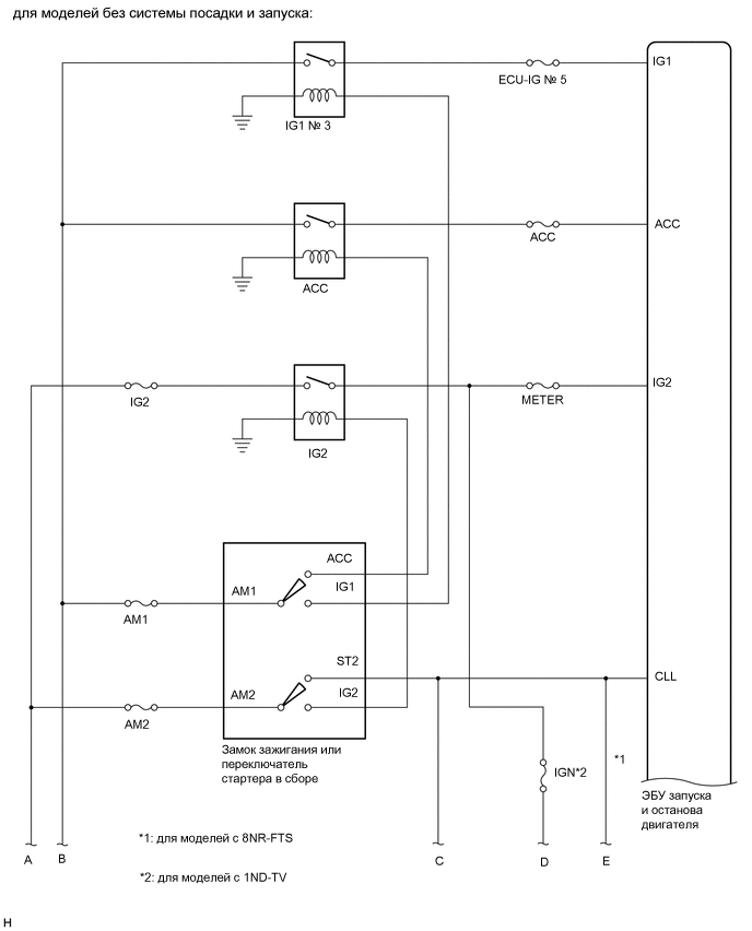
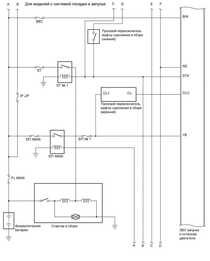
СИСТЕМА ЗАПУСКА И ОСТАНОВА СХЕМА СИСТЕМЫ

Click here
Click here
Click here
  1. A01LVOCE01
    A01M2ZUE01
    A01M2YYE01
    A01M315E01
    A01LYJAE01
    A01LZHWE01
    A01M10GE01

    для моделей с 1WW

  2. A01LVOCE01
    A01M2ZUE01
    A01M31VE01
    A01LWUWE01
    A01LVMSE01
    A01LZ7ME01
    A01M2I1E01

    кроме моделей с 1WW