Click here

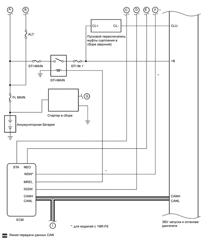
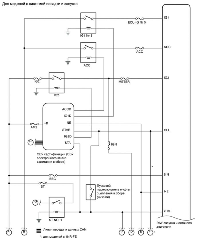
СИСТЕМА ЗАПУСКА И ОСТАНОВА СХЕМА СИСТЕМЫ

Click here
A00YAR2E01
A00Y6G2E01
A00Y5L2E01
A00YAS1E01
Click here