СИСТЕМА РЕЦИРКУЛЯЦИИ ТЕПЛА ОТРАБОТАВШИХ ГАЗОВ Цепь системы рециркуляции тепла отработавших газов

ОПИСАНИЕ

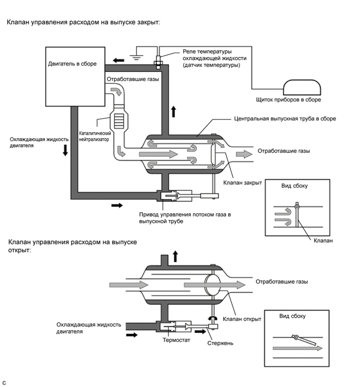
В системе рециркуляции тепла отработавших газов охлаждающая жидкость нагревается теплом отработавших газов, которое обычно никак не используется. Это уменьшает время прогрева двигателя, экономит топливо и улучшает рабочие характеристики отопителя. Так как эта система обеспечивает более эффективный прогрев двигателя, на автомобилях с системой запуска и останова система запуска и останова может включаться раньше, обеспечивая дополнительную экономию топлива.

Рециркулятор тепла установлен в центральной выпускной трубе после каталитического нейтрализатора. Охлаждающая жидкость из двигателя проходит вокруг рециркулятора тепла, а затем возвращается в двигатель. При холодном запуске двигателя шток привода управления потоком газа в выпускной трубе втягивается, и клапан управления выпуском закрывается, направляя отработавшие газы вокруг рециркулятора тепла и нагревая охлаждающую жидкость двигателя.

Когда двигатель прогревается, и температура охлаждающей жидкости повышается, термостат расширяется от тепла охлаждающей жидкости двигателя, и шток привода управления потоком газа в выпускной трубе выдвигается. В результате клапан управления выпуском открывается и устанавливает нормальный канал для отработавших газов.

Клапан управления выпуском также может открываться давлением отработавших газов, чтобы улучшить характеристики разгона при холодном двигателе. Кроме того, между двигателем и рециркулятором тепла установлен тепловой выключатель охлаждающей жидкости для контроля температуры охлаждающей жидкости двигателя. При нормальной температуре охлаждающей жидкости двигателя тепловой выключатель охлаждающей жидкости закрыт (включается). При слишком высокой температуре охлаждающей жидкости двигателя (перегреве) выключатель размыкается (выключается), и указатель температуры охлаждающей жидкости на щитке приборов показывает максимальное значение*, информируя водителя о неисправности, и выводится код DTC 1503.

Нажмите здесь Click here

*: Максимальное показание зависит от типа щитка приборов. На аналоговом щитке приборов указатель показывает температуру выше отметки HI. На мультиинформационном дисплее одновременно загораются контрольная лампа высокой температуры охлаждающей жидкости и крайний правый сегмент со стороны H.

A00Y8MGE04

СХЕМА СОЕДИНЕНИЙ

См. схему системы.

Нажмите здесь Click here

ПОРЯДОК ВЫПОЛНЕНИЯ


  1. ПРОВЕРЬТЕ ЖГУТ ПРОВОДОВ И РАЗЪЕМ (ТЕПЛОВОЙ ВЫКЛЮЧАТЕЛЬ - ЩИТОК ПРИБОРОВ - МАССА)


    1. Отсоедините разъем A119 теплового выключателя.

    2. Отсоедините разъем E46 щитка приборов в сборе.

    3. Измерьте сопротивление в соответствии со значениями, приведенными в таблице ниже.

      Номинальное сопротивление (при проверке на обрыв)
      Контакты для подключения диагностического прибора Условие Заданные условия
      A119-2 (TWS2) - E46-29 (TWS2) Всегда Менее 1 Ом
      A119-1 (GND) - масса Всегда Менее 1 Ом
      Номинальное сопротивление (при проверке на короткое замыкание)
      Контакты для подключения диагностического прибора Условие Заданные условия
      A119-2 (TWS2) или E46-29 (TWS2) - масса Всегда 10 кОм или более
    4. Подсоедините разъем E46 щитка приборов.

    5. Подсоедините разъем A119 теплового выключателя.

      Результат
      Результат
      OK
      NG

    NG
    OK
  2. ПРОВЕРЬТЕ ЩИТОК ПРИБОРОВ В СБОРЕ


    1. Установите замок зажигания в положение ON (ВКЛ).

    2. Отсоедините разъем A119 теплового выключателя.

    3. Проверьте указатель температуры охлаждающей жидкости на щитке приборов.

      Результат
      Результат Следующий шаг
      Указатель температуры охлаждающей жидкости вместо нормального показания выдает показание выше уровня HI (для моделей с аналоговым щитком приборов) А
      Указатель температуры охлаждающей жидкости переходит из состояния подсветки сегментов нормальной температуры в состояние подсветки крайнего правого сегмента со стороны H (одновременно загорается контрольная лампа высокой температуры охлаждающей жидкости) (для мультиинформационного дисплея)
      Показание указателя температуры охлаждающей жидкости остается выше уровня HI даже после отсоединения разъема (для моделей с аналоговым щитком приборов) B
      Крайний правый сегмент указателя температуры охлаждающей жидкости со стороны H загорается и остается в таком состоянии (контрольная лампа высокой температуры охлаждающей жидкости также остается включенной) (для мультиинформационного дисплея)
      Указатель температуры охлаждающей жидкости выдает нормальное показание, которое остается неизменным даже после отсоединения разъема C
    4. Подсоедините разъем A119 теплового выключателя.


    А
    C
    B
  3. ЗАМЕНИТЕ ТЕПЛОВОЙ ВЫКЛЮЧАТЕЛЬ


    1. Замените тепловой выключатель.

      Нажмите здесь Click here

      Результат
      Результат
      ДАЛЕЕ

    ДАЛЕЕ
  4. ПРОВЕРЬТЕ ЩИТОК ПРИБОРОВ В СБОРЕ


    1. Установите замок зажигания в положение ON (ВКЛ).

    2. Отсоедините разъем A119 теплового выключателя.

    3. Проверьте указатель температуры охлаждающей жидкости на щитке приборов.

      Результат
      Результат Перейти к
      Указатель температуры охлаждающей жидкости вместо нормального показания выдает показание выше уровня HI (для моделей с аналоговым щитком приборов) A
      Указатель температуры охлаждающей жидкости переходит из состояния подсветки сегментов нормальной температуры в состояние подсветки крайнего правого сегмента со стороны H (одновременно загорается контрольная лампа высокой температуры охлаждающей жидкости) (для мультиинформационного дисплея)
      Показание указателя температуры охлаждающей жидкости остается выше уровня HI даже после отсоединения разъема (для моделей с аналоговым щитком приборов) B
      Крайний правый сегмент указателя температуры охлаждающей жидкости со стороны H загорается и остается в таком состоянии (контрольная лампа высокой температуры охлаждающей жидкости также остается включенной) (для мультиинформационного дисплея)
    4. Подсоедините разъем A119 теплового выключателя.


    A
    B