ILLUSTRATION
| *A | w/ No. 1 Engine Cover | - | - |
| *1 | NO. 1 ENGINE COVER | - | - |
ILLUSTRATION
| *1 | VACUUM HOSE | *2 | NO. 2 OIL COOLER HOSE |
| *3 | NO. 2 WATER BY-PASS HOSE | *4 | MANIFOLD ABSOLUTE PRESSURE SENSOR (DIESEL TURBO PRESSURE SENSOR) |
| *5 | VACUUM TRANSMITTING HOSE | *6 | ENGINE WIRE |
| *7 | GASKET | - | - |
|
N*m (kgf*cm, ft.*lbf): Specified torque | ● | Non-reusable part |
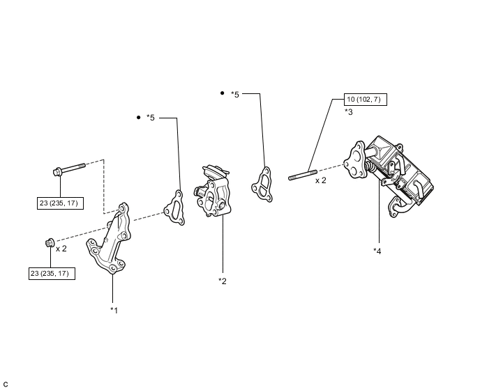
ILLUSTRATION
| *1 | EGR PIPE CONNECTOR | *2 | NO. 2 EGR VALVE ASSEMBLY |
| *3 | STUD BOLT | *4 | EGR PIPE WITH COOLER SUB-ASSEMBLY |
| *5 | GASKET | - | - |
|
N*m (kgf*cm, ft.*lbf): Specified torque | ● | Non-reusable part |