СИСТЕМА СНИЖЕНИЯ ТОКСИЧНОСТИ ОТРАБОТАВШИХ ГАЗОВ СХЕМА СИСТЕМЫ

A01LW6DE04
B004412E04
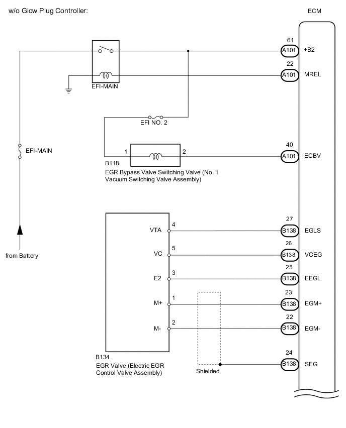
w/o Glow Plug Controller
*a Exhaust Gas Temperature Sensor
*b No. 2 Exhaust Gas Temperature Sensor
*c Differential Pressure Sensor
A01LVY4E01
A01LWLQE05
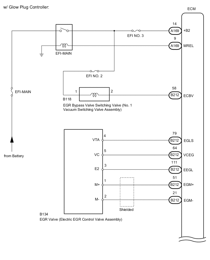
w/ Glow Plug Controller
*a Exhaust Gas Temperature Sensor
*b No. 2 Exhaust Gas Temperature Sensor
*c Differential Pressure Sensor