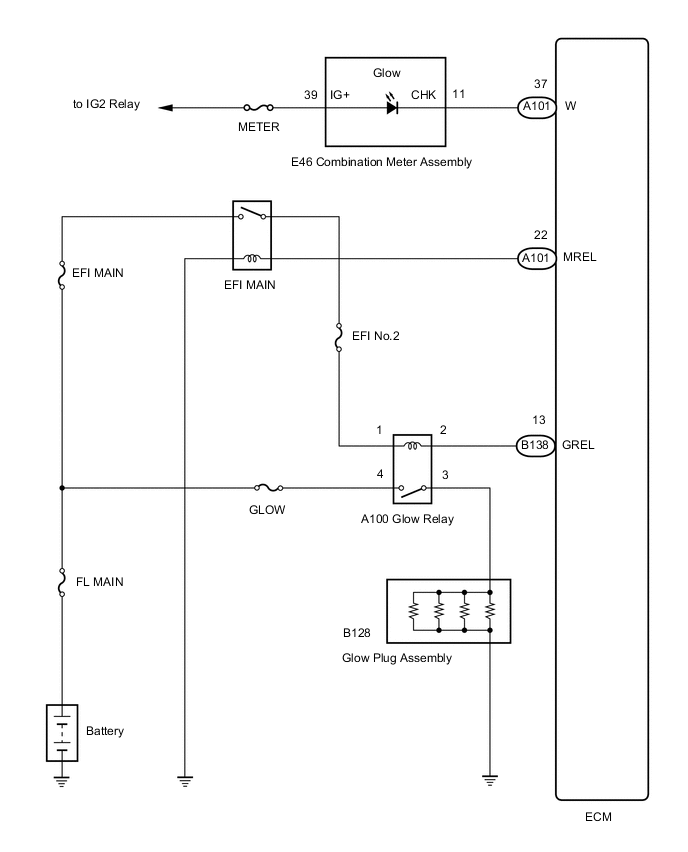
СИСТЕМА ПРЕДПУСКОВОГО ПОДОГРЕВА СХЕМА СИСТЕМЫ

A00Y8P2E01