ILLUSTRATION
| *A | for Half Cover Type | *B | for Full Cover Type |
| *C | for Wagon, Hatchback | *D | for Sedan |
| *1 | CENTER NO. 4 ENGINE UNDER COVER | *2 | FRONT LOWER BUMPER ABSORBER |
| *3 | FRONT NO. 3 ENGINE UNDER COVER | *4 | NO. 1 ENGINE UNDER COVER |
| *5 | REAR ENGINE UNDER COVER LH | *6 | REAR ENGINE UNDER COVER RH |
ILLUSTRATION
| *A | w/ No. 1 Engine Cover | - | - |
| *1 | AIR CLEANER CAP SUB-ASSEMBLY | *2 | AIR CLEANER CASE SUB-ASSEMBLY |
| *3 | BATTERY | *4 | NO. 1 ENGINE COVER |
| *5 | NO. 2 BATTERY CARRIER | *6 | AIR CLEANER FILTER ELEMENT SUB-ASSEMBLY |
| *7 | BATTERY TRAY | *8 | BATTERY CLAMP SUB-ASSEMBLY |
| *9 | BATTERY CLAMP BOLT | - | - |
|
N*m (kgf*cm, ft.*lbf): Specified torque | - | - |
ILLUSTRATION
| *A | w/o Combustion Type Power Heater | *B | w/ Combustion Type Power Heater |
| *C | for Manual Transaxle | - | - |
| *1 | AIR CLEANER BRACKET | *2 | HEATER FUEL HOSE |
| *3 | FUEL FILTER ASSEMBLY | *4 | FUEL FILTER SUPPORT |
| *5 | GLOW PLUG RELAY ASSEMBLY | *6 | INLET HEATER WATER HOSE A |
| *7 | INTERCOOLER AIR HOSE | *8 | NO. 1 CLUTCH HOSE |
| *9 | NO. 1 RADIATOR HOSE | *10 | NO. 2 RADIATOR HOSE |
| *11 | NO. 3 AIR HOSE | *12 | OUTLET HEATER WATER HOSE |
| *13 | TRANSMISSION CONTROL CABLE ASSEMBLY | *14 | UNION TO CONNECTOR TUBE HOSE |
| *15 | WATER BY-PASS HOSE | *16 | NO. 1 FUEL HOSE |
| *17 | NO. 2 FUEL HOSE | *18 | NO. 3 FUEL HOSE |
| *19 | NO. 4 FUEL HOSE | *20 | ACCUMULATOR TO FLEXIBLE HOSE TUBE |
| *21 | NO. 3 ENGINE WIRE | *22 | INLET HEATER WATER HOSE D |
|
N*m (kgf*cm, ft.*lbf): Specified torque | ● | Non-reusable part |
ILLUSTRATION
| *A | Type A | *B | Type B |
| *C | w/ Air Conditioning System | - | - |
| *1 | COLUMN HOLE COVER SILENCER SHEET | *2 | COMPRESSOR ASSEMBLY WITH PULLEY |
| *3 | FRONT CENTER FLOOR BRACE SUB-ASSEMBLY | *4 | FRONT EXHAUST PIPE ASSEMBLY |
| *5 | COMPRESSION SPRING | *6 | NO. 2 STEERING INTERMEDIATE SHAFT ASSEMBLY |
| *7 | V-RIBBED BELT | *8 | EXHAUST PIPE SUPPORT |
| *9 | GASKET | *10 | NO. 1 RELAY BLOCK COVER |
| *11 | ENGINE WIRE | - | - |
|
N*m (kgf*cm, ft.*lbf): Specified torque | ● | Non-reusable part |
ILLUSTRATION
| *1 | ENGINE MOUNTING INSULATOR LH | *2 | ENGINE MOUNTING INSULATOR SUB-ASSEMBLY RH |
| *3 | ENGINE WIRE | *4 | NO. 2 AIR TUBE |
| *5 | COOLER PIPE CLAMP BRACKET | *6 | RADIATOR RESERVE TANK ASSEMBLY |
| *7 | ENGINE ASSEMBLY WITH TRANSAXLE | - | - |
|
N*m (kgf*cm, ft.*lbf): Specified torque | - | - |
ILLUSTRATION
| *A | Type A | *B | Type B |
| *C | Type C | *D | w/ Reinforcement |
| *E | for Manual Transaxle | - | - |
| *1 | FRONT ENGINE MOUNTING INSULATOR | *2 | FRONT ENGINE MOUNTING BRACKET LOWER REINFORCEMENT |
| *3 | FRONT SUSPENSION CROSSMEMBER SUB-ASSEMBLY | *4 | FRONT SUSPENSION MEMBER REAR BRACE LH |
| *5 | FRONT SUSPENSION MEMBER REAR BRACE RH | *6 | FRONT SUSPENSION MEMBER REINFORCEMENT LH |
| *7 | FRONT SUSPENSION MEMBER REINFORCEMENT RH | *8 | REAR ENGINE MOUNTING INSULATOR |
| *9 | FRONT CROSSMEMBER SUB-ASSEMBLY | *10 | NO. 1 STEERING COLUMN HOLE COVER SUB-ASSEMBLY |
| *11 | TRANSMISSION CONTROL CABLE ASSEMBLY | - | - |
|
N*m (kgf*cm, ft.*lbf): Specified torque | |
Do not apply lubricants |
ILLUSTRATION
| *A | for Manual Transaxle | *B | for Multi-mode Manual Transaxle |
| *1 | MANUAL TRANSAXLE ASSEMBLY | *2 | MULTI-MODE MANUAL TRANSAXLE ASSEMBLY |
| *3 | NO. 1 AIR TUBE | *4 | OUTLET HEATER WATER HOSE A |
| *5 | STARTER ASSEMBLY | - | - |
|
N*m (kgf*cm, ft.*lbf): Specified torque | *T1 | for Flange Bolt: 37 (377, 27) for Bolt with Washer: 33 (337, 24) |
ILLUSTRATION
| *A | for Manual Transaxle | - | - |
| *1 | ACCUMULATOR TO FLEXIBLE HOSE TUBE | *2 | CLUTCH COVER ASSEMBLY |
| *3 | CLUTCH DISC ASSEMBLY | *4 | CLUTCH RELEASE BLEEDER SUB-ASSEMBLY |
| *5 | CLUTCH RELEASE CYLINDER TO BLEEDER TUBE | *6 | CLUTCH RELEASE WITH BEARING CYLINDER ASSEMBLY |
| *7 | FLYWHEEL SUB-ASSEMBLY | *8 | NO. 1 CRANKSHAFT POSITION SENSOR PLATE |
| *9 | CLUTCH TUBE BOOT | - | - |
|
N*m (kgf*cm, ft.*lbf): Specified torque | ● | Non-reusable part |
|
Clutch spline grease | ★ | Precoated part |
| *T1 | 1st: 49 (500, 36) 2nd: Turn 90° |
- | - |
ILLUSTRATION
| *A | for Multi-mode Manual Transaxle | - | - |
| *1 | BLEEDER CLUTCH RELEASE TUBE | *2 | CLUTCH COVER ASSEMBLY |
| *3 | CLUTCH DISC ASSEMBLY | *4 | CLUTCH RELEASE BLEEDER SUB-ASSEMBLY |
| *5 | CLUTCH RELEASE CYLINDER TO BLEEDER TUBE | *6 | CLUTCH RELEASE WITH BEARING CYLINDER ASSEMBLY |
| *7 | FLYWHEEL SUB-ASSEMBLY | *8 | NO. 1 CRANKSHAFT POSITION SENSOR PLATE |
| *9 | CLUTCH TUBE BOOT | - | - |
|
N*m (kgf*cm, ft.*lbf): Specified torque | ● | Non-reusable part |
|
Clutch spline grease | ★ | Precoated part |
| *T1 | 1st: 49 (500, 36) 2nd: Turn 90° |
- | - |
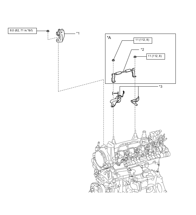
ILLUSTRATION
| *A | w/ No. 1 Engine Cover | - | - |
| *1 | SENSOR BRACKET | *2 | NO. 2 ENGINE COVER BRACKET |
| *3 | HARNESS BRACKET | - | - |
|
N*m (kgf*cm, ft.*lbf): Specified torque | - | - |
ILLUSTRATION
| *1 | EXHAUST MANIFOLD CONVERTER SUB-ASSEMBLY | *2 | MANIFOLD SUPPORT BRACKET |
| *3 | NO. 1 TURBO INSULATOR | *4 | NO. 2 EXHAUST MANIFOLD CONVERTER SUB-ASSEMBLY |
| *5 | NO. 2 MANIFOLD SUPPORT BRACKET | *6 | NO. 3 MANIFOLD SUPPORT BRACKET |
| *7 | NO. 4 MANIFOLD SUPPORT BRACKET | *8 | NO. 2 VACUUM PIPE |
| *9 | GASKET | *10 | DRIVE SHAFT HEAT INSULATOR SUB-ASSEMBLY |
|
N*m (kgf*cm, ft.*lbf): Specified torque | ● | Non-reusable part |
ILLUSTRATION
| *1 | EXHAUST MANIFOLD | *2 | TURBOCHARGER SUB-ASSEMBLY |
| *3 | TURBOCHARGER STAY | *4 | MANIFOLD STAY |
| *5 | INLET TURBO OIL PIPE SUB-ASSEMBLY | *6 | GASKET |
|
N*m (kgf*cm, ft.*lbf): Specified torque | ● | Non-reusable part |
ILLUSTRATION
| *1 | CRANK POSITION SENSOR | *2 | CYLINDER BLOCK SIDE COVER |
| *3 | WASHER PLATE | - | - |
|
N*m (kgf*cm, ft.*lbf): Specified torque | - | - |