РЕЛЕ ПРОВЕРКА БЕЗ СНЯТИЯ С АВТОМОБИЛЯ

PROCEDURE


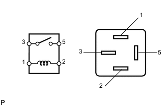
  1. INSPECT EFI MAIN RELAY (EFI MAIN)

    A00319NN02

    1. Measure the resistance according to the value(s) in the table below.

      Standard Resistance
      Tester Connection Condition Specified Condition
      3 - 5 Battery voltage not applied between terminals 1 and 2 10 kΩ or higher
      Battery voltage applied between terminals 1 and 2 Below 1 Ω

      If the result is not as specified, replace the EFI main relay (EFI MAIN).

  2. INSPECT FUEL HEATER RELAY (FUEL HTR) (w/ Fuel Heater Relay)


    1. A002ZKZN01

      Measure the resistance according to the value(s) in the table below.

      Standard Resistance
      Tester Connection Condition Specified Condition
      3 - 5 Battery voltage not applied between terminals 1 and 2 10 kΩ or higher
      Battery voltage applied between terminals 1 and 2 Below 1 Ω

      If the result is not as specified, replace the fuel heater relay (FUEL HTR).