СИСТЕМА SFI Цепь топливной форсунки

ОПИСАНИЕ

Топливные форсунки установлены на впускном коллекторе. Они впрыскивают топливо в цилиндры в зависимости от сигналов ЕСМ.

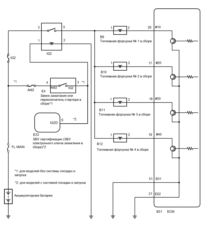
СХЕМА ЭЛЕКТРИЧЕСКИХ СОЕДИНЕНИЙ

A012KU1E02

ПРЕДОСТЕРЕЖЕНИЕ / ПРИМЕЧАНИЕ / УКАЗАНИЕ

Note

Перед выполнением последующей процедуры проверки проверьте плавкие предохранители цепей, относящихся к данной системе.

ПОРЯДОК ВЫПОЛНЕНИЯ


  1. ПРОВЕРЬТЕ НАПРЯЖЕНИЕ НА КОНТАКТЕ (ПИТАНИЕ ТОПЛИВНОЙ ФОРСУНКИ В СБОРЕ)


    1. A012H4IC26
      *a

      Вид спереди разъема со стороны жгута проводов:

      (к топливной форсунке в сборе)

      Отсоедините разъемы топливных форсунок.

    2. Установите замок зажигания в положение ON (ВКЛ).

    3. Измерьте напряжение в соответствии со значениями, приведенными в таблице.

      Номинальное напряжение
      Подключение диагностического прибора Условие Заданные условия
      B9-1 - масса Зажигание включено 11 - 14 В
      B10-1 - масса Зажигание включено 11 - 14 В
      B11-1 - масса Зажигание включено 11 - 14 В
      B12-1 - масса Зажигание включено 11 - 14 В
      Результат
      Перейти к
      OK
      NG

    NG
    OK
  2. ПРОВЕРЬТЕ ТОПЛИВНУЮ ФОРСУНКУ В СБОРЕ (ВПРЫСК ТОПЛИВА И ОБЪЕМ)


    1. Проверьте топливную форсунку в сборе.

      Нажмите здесь Click here

      Tech Tips

      После замены топливной форсунки в сборе выполните процедуру "Проверка после ремонта".

      Нажмите здесь Click here

      Результат
      Перейти к
      OK
      NG

    NG
    OK
  3. ПРОВЕРЬТЕ ЖГУТ ПРОВОДОВ И РАЗЪЕМ (ТОПЛИВНАЯ ФОРСУНКА В СБОРЕ - ЕСМ)


    1. Отсоедините разъем ЭБУ.

    2. Отсоедините разъемы топливных форсунок.

    3. Измерьте сопротивление в соответствии со значениями, приведенными в таблице ниже.

      Номинальное сопротивление
      Подключение диагностического прибора Условие Заданные условия
      B9-2 - B31-20 (#10) Всегда Менее 1 Ом
      B10-2 - B31-17 (#20) Всегда Менее 1 Ом
      B11-2 - B31-18 (#30) Всегда Менее 1 Ом
      B12-2 - B31-19 (#40) Всегда Менее 1 Ом
      B9-2 или B31-20 (#10) - масса Всегда 10 кОм или более
      B10-2 или B31-17 (#20) - масса Всегда 10 кОм или более
      B11-2 или B31-18 (#30) - масса Всегда 10 кОм или более
      B12-2 или B31-19 (#40) - масса Всегда 10 кОм или более
      Результат
      Следующий шаг
      OK
      NG

    OK
    NG
  4. ПРОВЕРЬТЕ ЖГУТ ПРОВОДОВ И РАЗЪЕМ (ТОПЛИВНАЯ ФОРСУНКА В СБОРЕ - РЕЛЕ IG2)


    1. Отсоедините разъемы топливных форсунок.

    2. Извлеките реле IG2 из блока реле моторного отсека и распределительного блока в сборе.

    3. Измерьте сопротивление в соответствии со значениями, приведенными в таблице ниже.

      Номинальное сопротивление
      Подключение диагностического прибора Условие Номинальное состояние
      B9-1 - 5 (реле IG2) Всегда Менее 1 Ом
      B10-1 - 5 (реле IG2) Всегда Менее 1 Ом
      B11-1 - 5 (реле IG2) Всегда Менее 1 Ом
      B12-1 - 5 (реле IG2) Всегда Менее 1 Ом
      B9-1 или 5 (реле IG2) - масса Всегда 10 кОм или более
      B10-1 или 5 (реле IG2) - масса Всегда 10 кОм или более
      B11-1 или 5 (реле IG2) - масса Всегда 10 кОм или более
      B12-1 или 5 (реле IG2) - масса Всегда 10 кОм или более
      Результат
      Следующий шаг
      OK
      NG

    OK
    NG