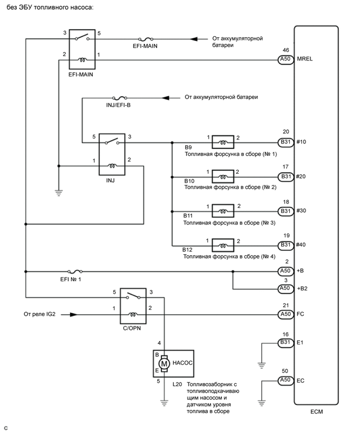
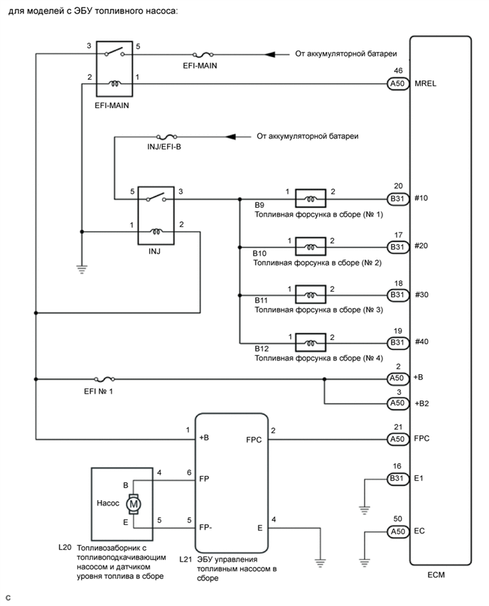
ТОПЛИВНАЯ СИСТЕМА СХЕМА СИСТЕМЫ

SST
A00Y6CM 09268-41250 Тройник
SST
A00Y98J 09268-41260 Измерительный прибор
SST
A00Y8CQ 09268-41280 Соединитель шланга
SST
A00Y8T8 09268-41500 Разъем топливопровода
SST
A00YASD 09268-41700 Хомут шланга
SST
A00Y7R6 09268-45101 Набор для проверки давления в электронной системе впрыска топлива
SST
A00Y62O 95336-08070 Шланг
A00Y7JGE01
A00Y68JE01