СИСТЕМА SFI, Diagnostic DTC:P0617

Код DTC Наименование DTC
P0617 Высокий уровень сигнала в цепи реле стартера

ОПИСАНИЕ РАБОТЫ СИСТЕМЫ КОНТРОЛЯ

При прокручивании коленчатого вала двигателя стартером на контакт STA блока ECM подается напряжение аккумуляторной батареи. Если ECM обнаруживает сигнал управления стартером (STA) во время движения автомобиля, регистрируется неисправность в цепи управления стартера. ЕСМ включает контрольную лампу MIL и регистрирует код DTC.

Данная функция контроля включается при движении автомобиля со скоростью 20 км/час (12,43 мили в час) или выше в течение более 20 с.

№ DTC Неисправность Условие обнаружения DTC Неисправный участок MIL Память
P0617 Высокий уровень сигнала в цепи реле стартера

При выполнении всех перечисленных ниже условий в ECM в течение 20 с подается напряжение аккумуляторной батареи (+B) величиной не менее 10,5 В (логика диагностирования за 1 поездку):


  • (a) Скорость автомобиля не ниже 20 км/час (12,43 миль в час).

  • (b) Частота вращения коленчатого вала двигателя составляет 1000 об/мин и более.

  • (c) Сигнал STA во включенном состоянии.


  • Замок зажигания или переключатель стартера в сборе

  • Цепь реле ST № 1

  • ECM

Загорается Код DTC сохраняется

ПРИНЦИП РАБОТЫ СИСТЕМЫ КОНТРОЛЯ

Требуемые датчики/устройства (основные)

Пусковой переключатель муфты сцепления в сборе

Замок зажигания или переключатель стартера в сборе

ЭБУ сертификации (ЭБУ электронного ключа зажигания в сборе)

Реле ST № 1

Требуемые датчики/устройства (связанные)

Датчик положения коленчатого вала

Датчик скорости автомобиля

Продолжительность работы Непрерывно

ТИПИЧНЫЕ УСЛОВИЯ СРАБАТЫВАНИЯ

Скорость движения автомобиля 20 км/час (12,43 миль в час) или более
Частота вращения коленчатого вала двигателя 1000 об/мин или выше

ТИПИЧНЫЕ ПОРОГОВЫЕ ЗНАЧЕНИЯ НЕИСПРАВНОСТИ

Сигнал стартера Вкл

ПРОВЕРОЧНАЯ ПОЕЗДКА

A00Y878E27

  1. Подключите GTS к DLC3.

  2. Включите зажигание и GTS.

  3. Удалите коды DTC (даже если нет сохраненных DTC, выполните процедуру удаления DTC).

  4. Выключите зажигание и подождите не менее 30 секунд.

  5. Включите зажигание и GTS [A].

  6. Запустите двигатель.

  7. Дайте двигателю поработать на холостом ходу не менее 5 секунд [B].

  8. Совершите поездку на автомобиле продолжительностью не менее 20 секунд со скоростью не менее 24 км/час (15 миль в час) [C].

    CAUTION:

    Во время поездки в проверочном режиме соблюдайте все ограничения скорости и правила дорожного движения.

  9. Войдите в следующие меню: Powertrain / Engine and ECT / Trouble Codes [D].

  10. Считайте ожидающие обработки коды DTC.

    Tech Tips


    • Если выводятся ожидающие обработки DTC, система неисправна.

    • Если ожидающие обработки DTC не выводятся, выполните следующую процедуру.

  11. Войдите в следующие меню: Powertrain / Engine and ECT / Utility / All Readiness.

  12. Введите DTC: P0617.

  13. Проверьте результат проверки DTC.

    Дисплей GTS Описание
    NORMAL
    • Проверка DTC завершена

    • Cистема работает нормально

    ABNORMAL
    • Проверка DTC завершена

    • Нарушения в работе системы

    INCOMPLETE
    • Проверка DTC не завершена

    • Выполните поездку в проверочном режиме после создания условий регистрации DTC

    Не применимо
    • Невозможно выполнить проверку DTC

    • Количество кодов DTC, которые не соответствуют условиям регистрации DTC, достигло предела запоминающего устройства ЭБУ

    Tech Tips


    • Если результат проверки показывает NORMAL, система исправна.

    • Если результат проверки показывает ABNORMAL, система неисправна.

    • Если результат проверки показывает INCOMPLETE или N/A, повторно выполните шаги [C] и [D] и, при необходимости, увеличьте продолжительность поездки.

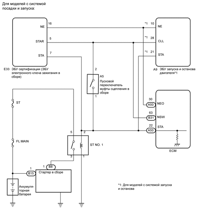
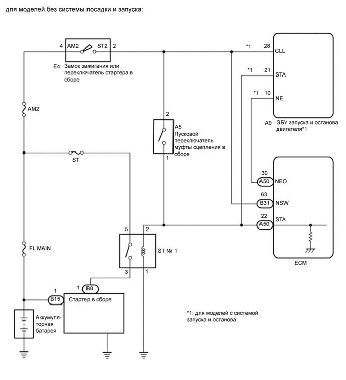
СХЕМА ЭЛЕКТРИЧЕСКИХ СОЕДИНЕНИЙ

A00Y90TE01
A00Y7J7E01

ПРЕДОСТЕРЕЖЕНИЕ / ПРИМЕЧАНИЕ / УКАЗАНИЕ

Note

Перед выполнением последующей процедуры проверки проверьте плавкие предохранители цепей, относящихся к данной системе.

Tech Tips

С помощью GTS считайте данные фиксированного набора параметров. Одновременно с записью в память кода DTC ECM сохраняет параметры состояния автомобиля и условий движения как данные фиксированного набора параметров. При поиске неисправностей фиксированные параметры позволяют определить, двигался ли автомобиль в момент возникновения неисправности или нет, был ли прогрет двигатель, каким было соотношение воздух-топливо (обедненным или обогащенным) и пр.

ПОРЯДОК ВЫПОЛНЕНИЯ


  1. СНИМИТЕ ПОКАЗАНИЯ GTS (STARTER SIGNAL)


    1. Подключите GTS к DLC3.

    2. Установите замок зажигания в положение ON (ВКЛ).

    3. Включите GTS.

    4. Войдите в следующие меню: Powertrain / Engine and ECT / Data List / All Data / Starter Signal.


      Powertrain > Engine and ECT > Data List
      Информация на дисплее прибора
      Starter Signal
    5. Проверьте значение, отображаемое на экране GTS при движении автомобиля со скоростью 20 км/час (12,43 миль в час) или выше.

      Note

      Во время поездки в проверочном режиме соблюдайте все ограничения скорости и правила дорожного движения.

      Результат
      Условие Дисплей GTS Следующий шаг
      Движется со скоростью не менее 20 км/час (12,43 мили в час) OFF (ВЫКЛ) А
      ON (ВКЛ) (для моделей с системой посадки и запуска) B
      ON (ВКЛ) (для моделей без системы посадки и запуска) C

    А
    C
    B
  2. ОТРЕМОНТИРУЙТЕ ИЛИ ЗАМЕНИТЕ ЖГУТ ПРОВОДОВ ИЛИ РАЗЪЕМ (ЦЕПЬ СИГНАЛА STA)


    1. Отремонтируйте или замените жгут проводов или разъем (ECM - пусковой переключатель муфты сцепления в сборе - ЭБУ сертификации (ЭБУ электронного ключа зажигания в сборе) - реле ST № 1 - ЭБУ запуска и останова двигателя*1).

      *1: Для моделей с системой запуска и останова

      Результат
      Перейти к
      ДАЛЕЕ

    ДАЛЕЕ
  3. ПРОВЕРЬТЕ, ВЫВОДЯТСЯ ЛИ DTC СНОВА (DTC P0617)


    1. Подключите GTS к DLC3.

    2. Установите замок зажигания в положение ON (ВКЛ).

    3. Включите GTS.

    4. Удалите коды DTC.


      Powertrain > Engine and ECT > Clear DTCs
    5. Выключите зажигание и подождите не менее 30 секунд.

    6. Совершите проверочную поездку в порядке, рассмотренном в разделе "Поездка в проверочном режиме".

    7. Войдите в следующие меню: Powertrain / Engine and ECT / Trouble Codes.

    8. Считайте коды DTC.


      Powertrain > Engine and ECT > Trouble Codes
      Результат
      Результат Перейти к
      DTC P0617 выводится А
      DTC не выводится B

    A
    B
  4. ПРОВЕРЬТЕ ЗАМОК ЗАЖИГАНИЯ ИЛИ ПЕРЕКЛЮЧАТЕЛЬ СТАРТЕРА


    1. Проверьте замок зажигания или переключатель стартера в сборе.

      Нажмите здесь Click here

      Результат
      Перейти к
      OK
      NG

    NG
    OK
  5. ОТРЕМОНТИРУЙТЕ ИЛИ ЗАМЕНИТЕ ЖГУТ ПРОВОДОВ ИЛИ РАЗЪЕМ (ЦЕПЬ СИГНАЛА STA)


    1. Отремонтируйте или замените жгут проводов или разъем (ECM - пусковой переключатель муфты сцепления в сборе - реле ST № 1 - ЭБУ запуска и останова двигателя*1).

      *1: Для моделей с системой запуска и останова

      Результат
      Перейти к
      ДАЛЕЕ

    ДАЛЕЕ