СИСТЕМА SFI, Diagnostic DTC:P0037, P0038, P102D

Код DTC Наименование DTC
P0037 Слабый ток в цепи управления подогревателем кислородного датчика (датчик 1 ряда 2)
P0038 Сильный ток в цепи управления подогревателем кислородного датчика (датчик 2 ряда 1)
P102D Характеристики цепи подогревателя датчика O2 (заедание во включенном положении датчика 2 ряда 1)

ОПИСАНИЕ

См. DTC P0136.

Нажмите здесь Click here

Tech Tips


  • При регистрации любого из следующих кодов ECM переходит в аварийный режим работы. В аварийном режиме работы ЕСМ выключает подогреватель подогреваемого кислородного датчика. Аварийный режим работы продолжается до тех пор, пока зажигание не будет выключено.

  • Для управления цепью подогревателя подогреваемого кислородного датчика используется реле со стороны цепи +B.

    A01TB8IE01
№ DTC Неисправность Условие обнаружения DTC Неисправный участок MIL Память
P0037 Слабый ток в цепи управления подогревателем кислородного датчика (датчик 1 ряда 2) Во время работы подогревателя подогреваемого кислородного датчика ток подогревателя меньше заданной величины (логика диагностирования за 1 поездку).
  • Обрыв в цепи подогревателя подогреваемого кислородного датчика (датчик 2)

  • Подогреваемый кислородный датчик (датчик 2)

  • ECM

Загорается Код DTC сохраняется
P0038 Сильный ток в цепи управления подогревателем кислородного датчика (датчик 2 ряда 1) Ток подогревателя кислородного датчика достигает верхнего предела (логика диагностирования за 1 поездку).
  • Короткое замыкание в цепи подогревателя подогреваемого кислородного датчика (датчик 2)

  • Подогреваемый кислородный датчик (датчик 2)

  • ECM

Загорается Код DTC сохраняется
P102D Характеристики цепи подогревателя датчика O2 (заедание во включенном положении датчика 2 ряда 1) Ток подогревателя подогреваемого кислородного датчика выше заданного уровня, когда подогреватель не работает (логика диагностирования за 1 поездку). ECM Загорается Код DTC сохраняется

ОПИСАНИЕ РАБОТЫ СИСТЕМЫ КОНТРОЛЯ

В чувствительную часть подогреваемого кислородного датчика встроен циркониевый элемент, используемый для определения концентрации кислорода в отработавших газах. Если циркониевый элемент нагрет до необходимой температуры и разница между содержанием кислорода в воздухе, проходящем через внутреннюю и наружную часть датчика, велика, циркониевый элемент генерирует сигналы по напряжению. Для повышения способности циркониевого элемента более точно определять концентрацию кислорода блок ECM дополняет тепло отработавших газов, регулируя температуру нагревательного элемента, встроенного в датчик.


ПРИНЦИП РАБОТЫ СИСТЕМЫ КОНТРОЛЯ

Продолжительность работы Непрерывно

ТИПИЧНЫЕ УСЛОВИЯ СРАБАТЫВАНИЯ

Время после включения подогревателя 10 с или более

ПРОВЕРОЧНАЯ ПОЕЗДКА

A01T8DXE73

  1. Подключите GTS к DLC3.

  2. Включите зажигание и GTS.

  3. Удалите коды DTC (даже если нет сохраненных DTC, выполните процедуру удаления DTC).

  4. Выключите зажигание и подождите не менее 30 секунд.

  5. Включите зажигание и GTS [A].

  6. Запустите двигатель и дайте ему поработать на холостом ходу не менее 5 минут [B].

  7. На неподвижном автомобиле нажмите педаль акселератора и поддерживайте частоту вращения коленчатого вала 3000 об/мин в течение 1 минуты [C].

  8. Дайте двигателю не менее 5 мин поработать на холостом ходу [D].

  9. Войдите в следующие меню: Powertrain / Engine and ECT / Trouble Codes [E].

  10. Считайте ожидающие обработки коды DTC.

    Tech Tips


    • Если выводятся ожидающие обработки DTC, система неисправна.

    • Если ожидающие обработки DTC не выводятся, выполните следующую процедуру.

  11. Войдите в следующие меню: Powertrain / Engine and ECT / Utility / All Readiness.

  12. Введите DTC: P0037, P0038 или P102D.

  13. Проверьте результат проверки DTC.

    Дисплей GTS Описание
    NORMAL
    • Проверка DTC завершена

    • Cистема работает нормально

    ABNORMAL
    • Проверка DTC завершена

    • Нарушения в работе системы

    INCOMPLETE
    • Проверка DTC не завершена

    • Выполните поездку в проверочном режиме после создания условий регистрации DTC

    N/A
    • Невозможно выполнить проверку DTC

    • Количество кодов DTC, которые не соответствуют условиям регистрации DTC, достигло предела запоминающего устройства ЭБУ

    Tech Tips


    • Если результат проверки показывает NORMAL, система исправна.

    • Если результат проверки показывает ABNORMAL, система неисправна.

    • Если результат проверки показывает INCOMPLETE или N/A, повторно выполните шаги с [B] по [E].

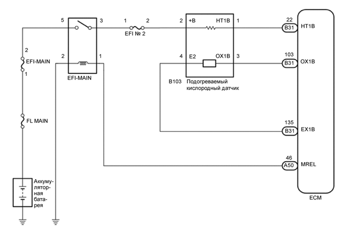
СХЕМА СОЕДИНЕНИЙ

A01T8G7E01

ПРЕДОСТЕРЕЖЕНИЕ / ПРИМЕЧАНИЕ / УКАЗАНИЕ

Note

Перед выполнением последующей процедуры проверки проверьте плавкие предохранители цепей, относящихся к данной системе.

Tech Tips


  • Датчиком 1 считается ближайший к двигателю датчик.

  • Датчиком 2 считается наиболее удаленный от двигателя датчик.

  • См. "Data List / Active Test" [O2 Heater B1S2 и O2 Heater Curr Val B1S2].

    Нажмите здесь Click here

  • Если параметр O2 Heater Curr Val B1S2 в списке Data List имеет значение, не равное 0 А, значит подогреватель включен.

  • С помощью GTS считайте данные фиксированного набора параметров. Одновременно с записью в память кода DTC ECM сохраняет параметры состояния автомобиля и условий движения как данные фиксированного набора параметров. При поиске неисправностей фиксированные параметры позволяют определить, двигался ли автомобиль в момент возникновения неисправности или нет, был ли прогрет двигатель, каким было соотношение воздух-топливо (обедненным или обогащенным) и пр.

  • Изменяя объем впрыска с помощью функции Control the Injection Volume for A/F Sensor (измерение объема впрыска для датчика состава топливовоздушной смеси) в режиме активной диагностики, проконтролируйте выходное напряжение подогреваемого кислородного датчика.

    Нажмите здесь Click here

    Если при выполнении активной диагностики выходное напряжение датчика не меняется (отклик почти отсутствует), датчик может быть неисправен.

ПОРЯДОК ВЫПОЛНЕНИЯ


  1. ПРОВЕРЬТЕ ПОДОГРЕВАЕМЫЙ КИСЛОРОДНЫЙ ДАТЧИК (СОПРОТИВЛЕНИЕ ПОДОГРЕВАТЕЛЯ)


    1. Проверьте подогреваемый кислородный датчик.

      Нажмите здесь Click here

      Результат
      Перейти к
      OK
      NG

    NG
    OK
  2. ПРОВЕРЬТЕ НАПРЯЖЕНИЕ НА КОНТАКТЕ (ПИТАНИЕ ПОДОГРЕВАЕМОГО КИСЛОРОДНОГО ДАТЧИКА)


    1. A01TAFAC02
      *a

      Вид спереди разъема со стороны жгута проводов:

      (к подогреваемому кислородному датчику)

      Отсоедините разъем подогреваемого кислородного датчика.

    2. Установите замок зажигания в положение ON (ВКЛ).

    3. Измерьте напряжение в соответствии со значениями, приведенными в таблице.

      Номинальное напряжение
      Подключение диагностического прибора Условие Заданные условия
      B103-2 (+B) - масса Зажигание включено 11 - 14 В
      Результат
      Перейти к
      OK
      NG

    NG
    OK
  3. ПРОВЕРЬТЕ ЖГУТ ПРОВОДОВ И РАЗЪЕМ (ПОДОГРЕВАЕМЫЙ КИСЛОРОДНЫЙ ДАТЧИК – ECM)


    1. Отсоедините разъем подогреваемого кислородного датчика.

    2. Отсоедините разъем ЭБУ.

    3. Измерьте сопротивление в соответствии со значениями, приведенными в таблице ниже.

      Номинальное сопротивление
      Подключение диагностического прибора Условие Заданные условия
      B103-1 (HT1B) - B31-22 (HT1B) Всегда Менее 1 Ом
      B103-1 (HT1B) или B31-22 (HT1B) - масса Всегда 10 кОм или более
      Результат
      Перейти к
      OK
      NG

    NG
    OK
  4. ПРОВЕРЬТЕ, ВОЗОБНОВЛЯЕТСЯ ЛИ ВЫВОД DTC (DTC P0037, P0038 ИЛИ P102D)


    1. Подключите GTS к DLC3.

    2. Установите замок зажигания в положение ON (ВКЛ).

    3. Включите GTS.

    4. Удалите коды DTC.


      Powertrain > Engine and ECT > Clear DTCs
    5. Выключите зажигание и подождите не менее 30 с.

    6. Установите замок зажигания в положение ON (ВКЛ).

    7. Включите GTS.

    8. Совершите проверочную поездку в порядке, рассмотренном в разделе "Поездка в проверочном режиме".

    9. Войдите в следующие меню: Powertrain / Engine and ECT / Trouble Codes.

    10. Считайте коды DTC.


      Powertrain > Engine and ECT > Trouble Codes
      Результат
      Результат Следующий шаг
      DTC не выводится А
      DTC P0037, P0038 или P102D выводится B

    А
    B