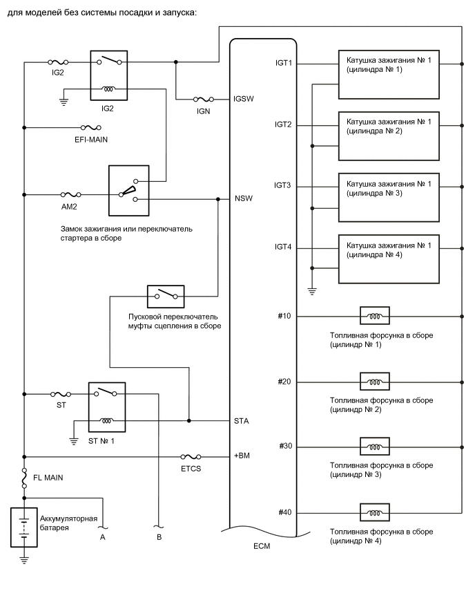
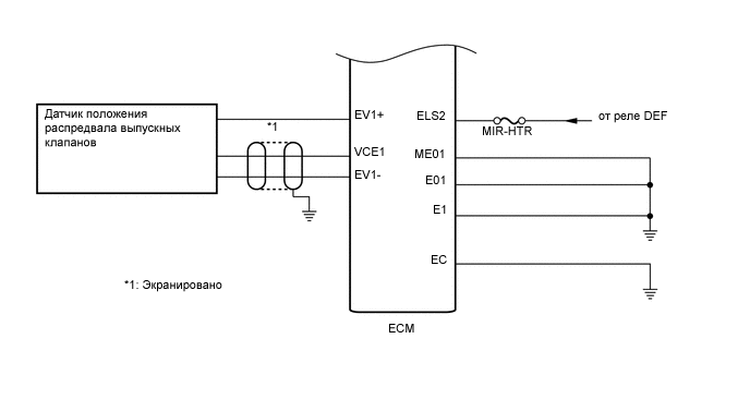
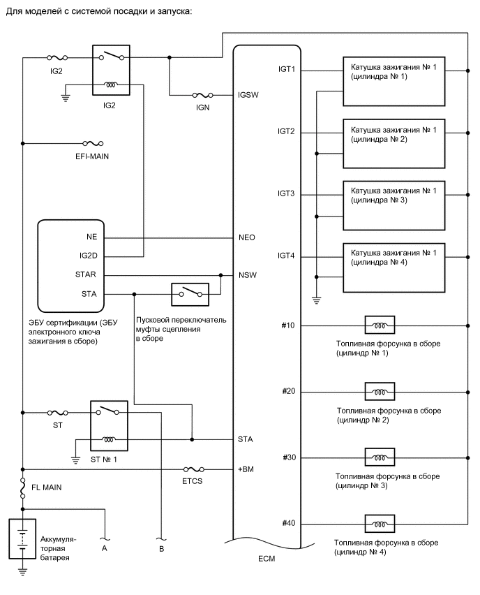
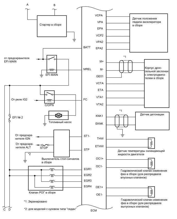
СИСТЕМА SFI СХЕМА СИСТЕМЫ

A01TD11E01
A01TD1ME01
A01T9A8E01
A01TBGME02
A01T9EEE04