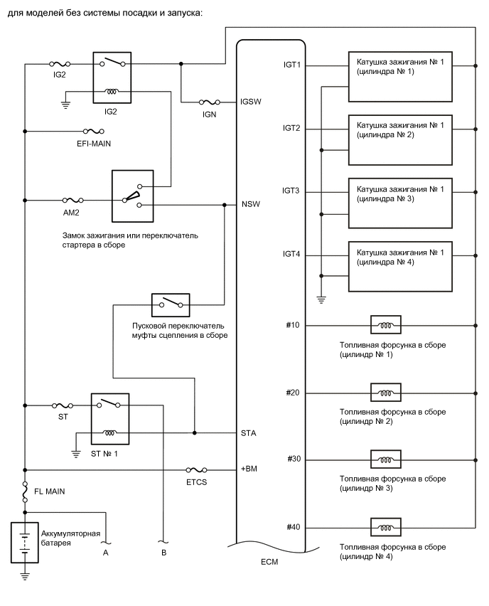
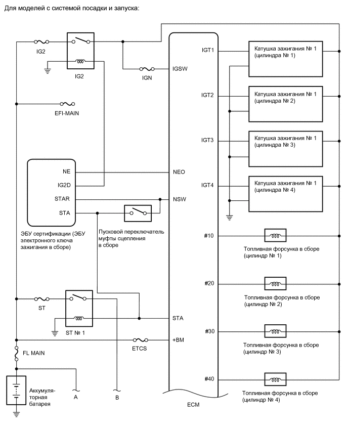
СИСТЕМА SFI СХЕМА СИСТЕМЫ

A01LY9DE01
A01M1AEE01
A01M2T7E02
A01LX66E02
A01LW8FE04