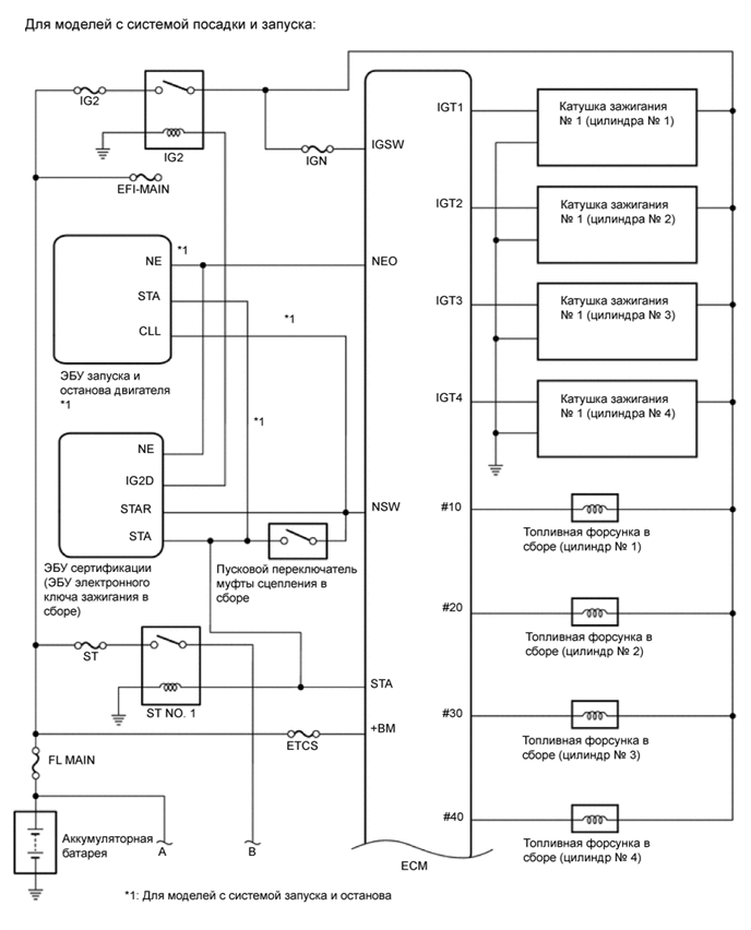
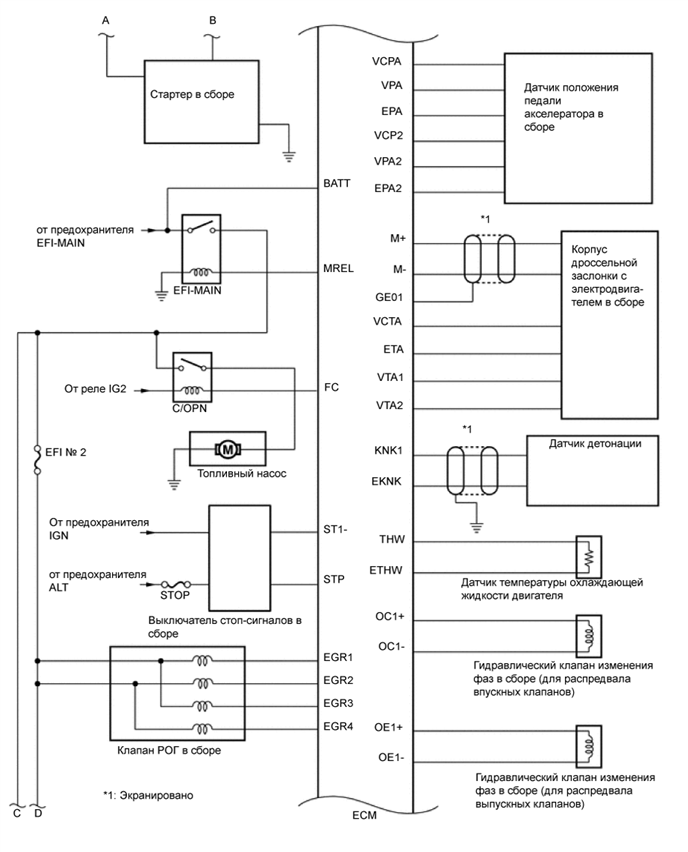
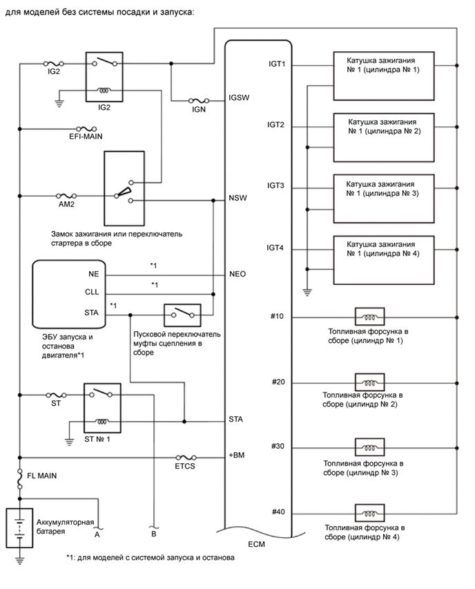
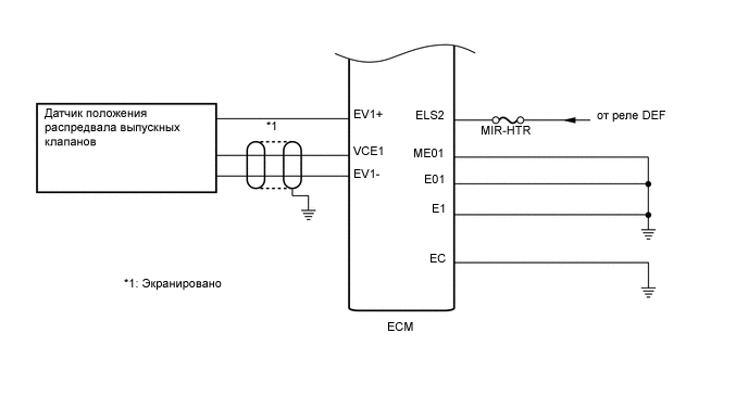
СИСТЕМА SFI СХЕМА СИСТЕМЫ

A012IIKE03
A012N5ME01
A012JFRE02
A012I89E02
A012J1BE04