СИСТЕМА ECD (для моделей без контроллера свечей накаливания) Cranking Holding Function Circuit

DESCRIPTION

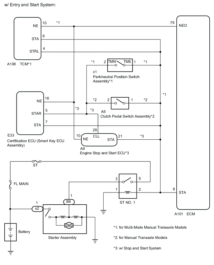
w/ Entry and Start System:

While the engine is being cranked, the ECM receives the STA signal from the certification ECU (smart key ECU assembly), and then the ECM performs starting based on its signal.

WIRING DIAGRAM

A012K65E01

CAUTION / NOTICE / HINT

Note


  • Inspect the fuses for circuits related to this system before performing the following inspection procedure.

  • When replacing the ECM, Perform ECM Initialization and Registration.

    Click here

Tech Tips


  • When the ECM must be replaced, before replacing the ECM, perform the "Learning Values Save" function using the GTS. Then after installing a new ECM, perform all of the initialization and registration procedures for the "Learning Values Write" function by following the instructions shown on the GTS display.

  • This chart is based on the premise that the engine can crank normally. If the engine cannot crank normally, proceed to Problem Symptoms Table.

    Click here

PROCEDURE


  1. READ VALUE USING GTS (STARTER SIGNAL)


    1. Connect the GTS to the DLC3.

    2. Turn the ignition switch to ON.

    3. Turn the GTS on.

    4. Enter the following menus: Powertrain / Engine and ECT / Data List / Starter Signal.


      Powertrain > Engine and ECT > Data List
      Tester Display
      Starter Signal
    5. Check the value displayed on the GTS when the ignition switch is turned to the ON and START positions.

      OK
      Ignition Switch Position Starter Signal
      ON OFF
      START ON
      Result
      Proceed to
      OK
      NG

    OK
    NG
  2. CHECK HARNESS AND CONNECTOR (ECM - ST NO. 1 RELAY)


    1. Disconnect the ECM connector.

    2. Remove the ST NO. 1 relay from the engine room relay block and junction block assembly.

    3. Measure the resistance according to the value(s) in the table below.

      Standard Resistance
      Tester Connection Condition Specified Condition
      A101-6 (STA) - ST NO. 1 relay terminal 2 Always Below 1 Ω
      Result
      Proceed to
      OK
      NG

    OK
    NG