СИСТЕМА ECD (для моделей без контроллера свечей накаливания) Starter Signal Circuit

DESCRIPTION

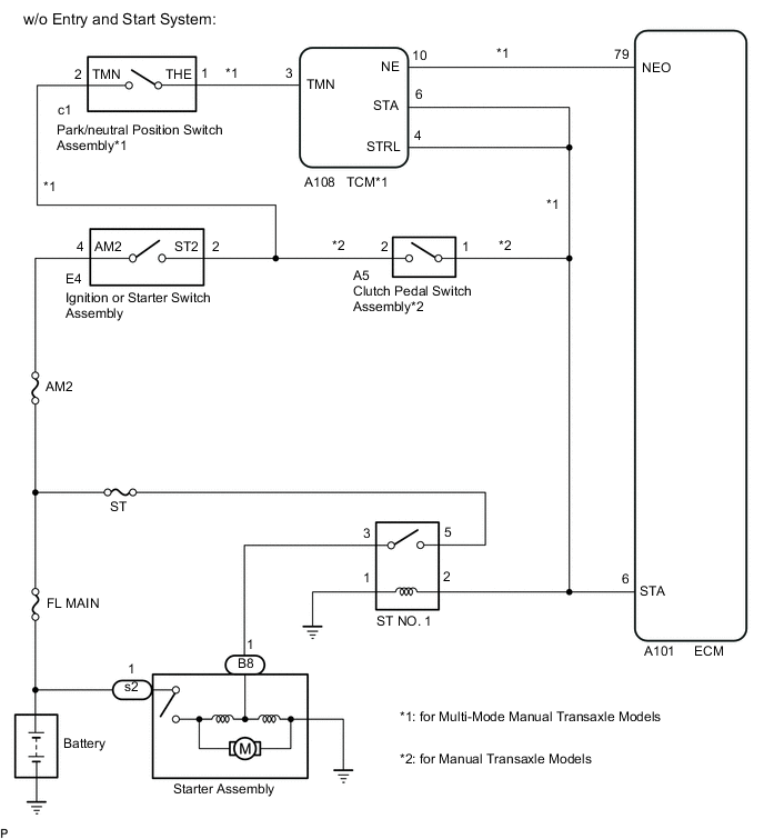
w/o Entry and Start System:

While the engine is being cranked, current flows from terminal ST2 of the ignition or starter switch assembly to the park/neutral position switch assembly*1 or clutch pedal switch assembly*2 and also flows to terminal STA of the ECM (STA Signal).

*1: for Multi-mode manual transaxle models

*2: for Manual transaxle models

WIRING DIAGRAM

A01T8GLE01

CAUTION / NOTICE / HINT

Note


  • When replacing the ECM, perform ECM Initialization and Registration.

    Click here

  • Inspect the fuses for circuits related to this system before performing the following procedure.

Tech Tips

When the ECM must be replaced, before replacing the ECM, perform the "Learning Values Save" function using the GTS. Then after installing a new ECM, perform all of the initialization and registration procedures for the "Learning Values Write" function by following the instructions shown on the GTS display.

PROCEDURE


  1. CHECK WHETHER ENGINE CAN BE CRANKED


    1. Check if the engine can be cranked.

      Result
      Result Proceed to
      Engine cannot be cranked A
      Engine can be cranked B

    B
    A
  2. INSPECT RELAY (ST NO. 1 RELAY)


    1. Inspect the ST NO. 1 relay.

      Click here

      Result
      Proceed to
      OK
      NG

    NG
    OK
  3. READ VALUE USING GTS (STARTER SIGNAL)


    1. Connect the GTS to the DLC3.

    2. Turn the ignition switch to ON.

    3. Turn the GTS on.

    4. Enter the following menus: Powertrain / Engine and ECT / Data List / Starter Signal.


      Powertrain > Engine and ECT > Data List
      Tester Display
      Starter Signal
    5. Check the value displayed on the GTS when the ignition switch is turned to the ON and START positions.

      OK
      Ignition Switch Position Starter Signal
      ON OFF
      START ON
      Result
      Result Proceed to
      OK A
      NG (Manual transaxle models) B
      NG (Multi-mode manual transaxle models) C

    B
    C
    A
  4. CHECK TERMINAL VOLTAGE (POWER SOURCE OF ST NO. 1 RELAY)


    1. A01T98JC07
      *1 Engine Room Relay Block and Junction Block Assembly
      *2 ST NO. 1 Relay

      Remove the ST NO. 1 relay assembly from the engine room relay block and junction block assembly.

    2. Measure the voltage according to the value(s) in the table below.

      Standard Voltage
      Tester Connection Condition Specified Condition
      ST NO. 1 relay terminal 2 - Body ground Cranking 11 to 14 V
      ST NO. 1 relay terminal 5 - Body ground Always 11 to 14 V
      Result
      Result Proceed to
      Normal A
      Abnormal (Starter relay terminal 2) B
      Abnormal (Starter relay terminal 5) C

    B
    C
    A
  5. CHECK HARNESS AND CONNECTOR (ST NO. 1 RELAY - BODY GROUND)


    1. Remove the ST NO. 1 relay assembly from the engine room relay block and junction block assembly.

    2. Measure the resistance according to the value(s) in the table below.

      Standard Resistance
      Tester Connection Condition Specified Condition
      ST NO. 1 relay terminal 1 - Body ground Always Below 1 Ω
      Result
      Proceed to
      OK
      NG

    NG
    OK
  6. CHECK HARNESS AND CONNECTOR (STARTER ASSEMBLY - ST NO. 1 RELAY)


    1. Remove the ST NO. 1 relay assembly from the engine room relay block and junction block assembly.

    2. Disconnect the starter assembly connector.

    3. Measure the resistance according to the value(s) in the table below.

      Standard Resistance
      Tester Connection Condition Specified Condition
      B8-1 - ST NO. 1 relay terminal 3 Always Below 1 Ω
      B8-1 or ST NO. 1 relay terminal 3 - Body ground Always 10 kΩ or higher
      Result
      Proceed to
      OK
      NG

    OK
    NG
  7. CHECK TERMINAL VOLTAGE (POWER SOURCE OF CLUTCH PEDAL SWITCH ASSEMBLY)


    1. A01TDLUC02
      *a

      Front view of wire harness connector

      (to Clutch Pedal Switch Assembly)

      Disconnect the clutch pedal switch connector.

    2. Measure the voltage according to the value(s) in the table below.

      Standard Voltage
      Tester Connection Condition Specified Condition
      A5-2 - Body ground Cranking 11 to 14 V
      Result
      Proceed to
      OK
      NG

    NG
    OK
  8. INSPECT CLUTCH PEDAL SWITCH ASSEMBLY


    1. Inspect the clutch pedal switch assembly.

      Click here

      Result
      Proceed to
      OK
      NG

    OK
    NG
  9. CHECK TERMINAL VOLTAGE (POWER SOURCE OF PARK/NEUTRAL POSITION SWITCH ASSEMBLY)


    1. A01TA3OC03
      *a

      Front view of wire harness connector

      (to Park/Neutral Position Switch Assembly)

      Disconnect the park/neutral position switch assembly connector.

    2. Measure the voltage according to the value(s) in the table below.

      Standard Voltage
      Tester Connection Condition Specified Condition
      c1-2 (TMN) - Body ground Cranking 11 to 14 V
      Result
      Proceed to
      OK
      NG

    NG
    OK
  10. INSPECT PARK/NEUTRAL POSITION SWITCH ASSEMBLY


    1. Inspect the park/neutral position switch assembly.

      Click here

      Result
      Proceed to
      OK
      NG

    NG
    OK
  11. CHECK TERMINAL VOLTAGE (TCM)


    1. A01TBZDC01
      *a

      Front view of wire harness connector

      (to TCM)

      Disconnect the TCM connector.

    2. Measure the voltage according to the value(s) in the table below.

      Standard Voltage
      Tester Connection Condition Specified Condition
      A108-3 (TMN) - Body ground Cranking 11 to 14 V
      Result
      Proceed to
      OK
      NG

    NG
    OK
  12. CHECK HARNESS AND CONNECTOR (ECM - TCM - ST NO. 1 RELAY)


    1. Disconnect the ECM connector.

    2. Disconnect the TCM connector.

    3. Remove the ST NO. 1 relay assembly from the engine room relay block and junction block assembly.

    4. Measure the resistance according to the value(s) in the table below.

      Standard Resistance
      Tester Connection Condition Specified Condition
      A108-6 (STA) - ST NO. 1 relay terminal 2 Always Below 1 Ω
      A108-4 (STRL) - ST NO. 1 relay terminal 2 Always Below 1 Ω
      A101-6 (STA) - ST NO. 1 relay terminal 2 Always Below 1 Ω
      A108-6 (STA) or A108-4 (STRL) or A101-6 (STA) or ST NO. 1 relay terminal 2 - Body ground Always 10 kΩ or higher
      Result
      Proceed to
      OK
      NG

    OK
    NG
  13. READ VALUE USING GTS (STARTER SIGNAL)


    1. Connect the GTS to the DLC3.

    2. Turn the ignition switch to ON.

    3. Turn the GTS on.

    4. Enter the following menus: Powertrain / Engine and ECT / Data List / Starter Signal.


      Powertrain > Engine and ECT > Data List
      Tester Display
      Starter Signal
    5. Check the value displayed on the GTS when the ignition switch is turned to the ON and START positions.

      OK
      Ignition Switch Position Starter Signal
      ON OFF
      START ON
      Result
      Proceed to
      OK
      NG

    OK
    NG
  14. CHECK TERMINAL VOLTAGE (POWER SOURCE OF IGNITION OR STARTER SWITCH ASSEMBLY)


    1. A01TD92C02
      *a

      Front view of wire harness connector

      (to Ignition or Starter Switch Assembly)

      Disconnect the ignition or starter switch assembly connector.

    2. Measure the voltage according to the value(s) in the table below.

      Standard Voltage
      Tester Connection Condition Specified Condition
      E4-4 (AM2) - Body ground Always 11 to 14 V
      Result
      Proceed to
      OK
      NG

    NG
    OK
  15. INSPECT IGNITION OR STARTER SWITCH ASSEMBLY


    1. Inspect the ignition or starter switch assembly.

      Click here

      Result
      Result Proceed to
      NG A
      OK (Manual transaxle models) B
      OK (Multi-mode manual transaxle models) C

    A
    B
    C
  16. CHECK HARNESS AND CONNECTOR (ECM - ST NO. 1 RELAY)


    1. Disconnect the ECM connector.

    2. Disconnect the transmission control ECU assembly connector (for Multi-Mode manual transaxle models).

    3. Disconnect the clutch pedal switch assembly connector (for manual transaxle models).

    4. Remove the ST NO. 1 relay assembly from the engine room relay block and junction block assembly.

    5. Measure the resistance according to the value(s) in the table below.

      Standard Resistance
      Tester Connection Condition Specified Condition
      A101-6 (STA) - ST NO. 1 relay terminal 2 Always Below 1 Ω
      Result
      Proceed to
      OK
      NG

    OK
    NG