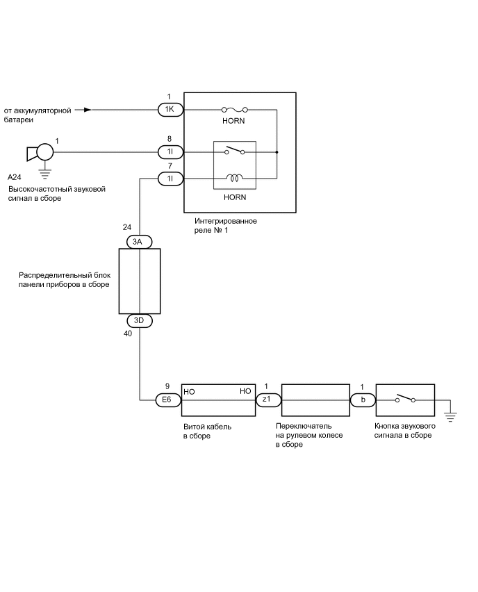
СИСТЕМА ЗВУКОВОГО СИГНАЛА СХЕМА СИСТЕМЫ


  1. для моделей с кузовом типа "хэтчбэк", "универсал" (кроме моделей с 1WW)

    A01T9MAE03
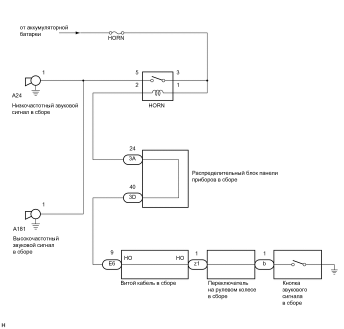
  2. для моделей с кузовом типа "хэтчбэк", "универсал" (для моделей с 1WW)

    A01TCB4E01
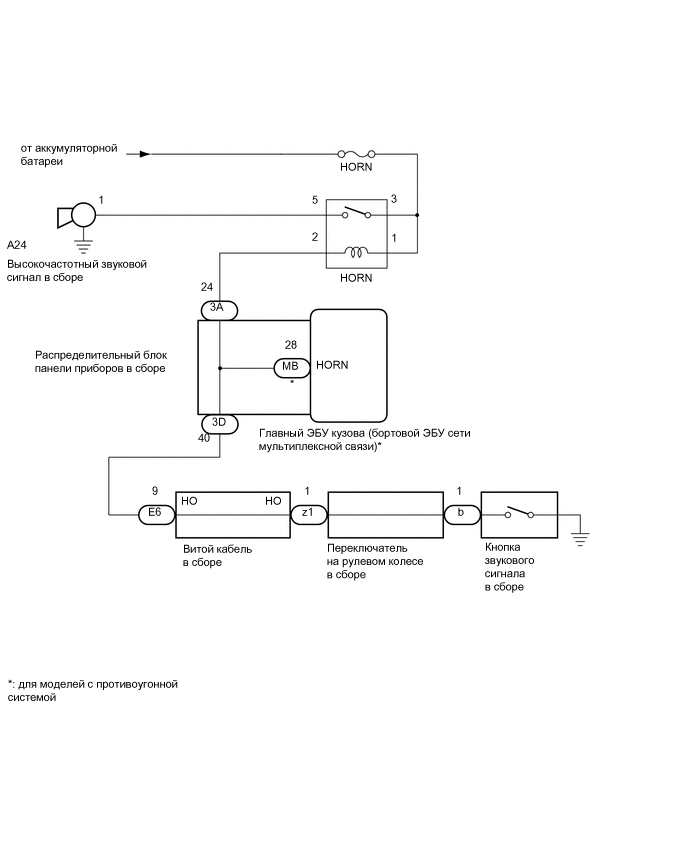
  3. для моделей с кузовом типа "седан"

    A01TBDRE01