Click here

СИСТЕМА ОСВЕЩЕНИЯ Цепь реле системы подфарников, включаемых при движении в светлое время суток

Click here
Click here
Код DTC Наименование DTC
  Цепь реле системы подфарников, включаемых при движении в светлое время суток
Click here

ОПИСАНИЕ

Главный ЭБУ кузова (бортовой ЭБУ сети мультиплексной связи) управляет работой подфарников, включаемых при движении в светлое время суток.

Click here

СХЕМА СОЕДИНЕНИЙ


Click here
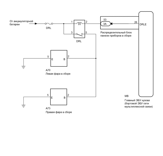
  1. A01M1PUE19

    для моделей с кузовом типа "хэтчбэк" или "универсал"

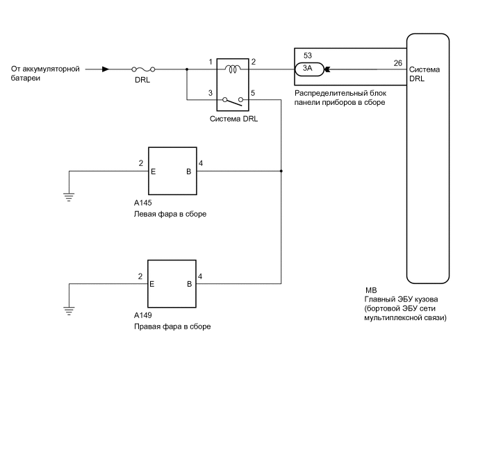
  2. A01M1PUE02

    для моделей с кузовом типа "седан"

Click here

ПРЕДОСТЕРЕЖЕНИЕ / ПРИМЕЧАНИЕ / УКАЗАНИЕ

Note:

Перед выполнением последующей процедуры проверки проверьте плавкие предохранители цепей, относящихся к данной системе.

Click here

ПОРЯДОК ВЫПОЛНЕНИЯ


  1. Click here

    ПРОВЕРЬТЕ РАБОТУ (ГАБАРИТНЫЕ ФОНАРИ)


    1. Проверьте работу габаритных фонарей.

      OK
      Габаритные фонари работают нормально.
      Результат
      Следующий шаг
      OK
      NG

    • OKClick here
    • NG

      ПЕРЕЙДИТЕ К ТАБЛИЦЕ ПРИЗНАКОВ НЕИСПРАВНОСТЕЙ Нажмите здесьClick here

  2. Click here

    ВЫПОЛНИТЕ АКТИВНУЮ ДИАГНОСТИКУ С ПОМОЩЬЮ GTS


    1. Подключите GTS к DLC3.

    2. Установите замок зажигания в положение ON (ВКЛ).

    3. Включите GTS.

    4. Войдите в следующие меню: Body Electrical / Main Body / Active Test.

    5. Выполните диагностику в режиме ACTIVE TEST в соответствии с указаниями на дисплее GTS.


      1. Body Electrical > Main Body > Active Test
        Информация на дисплее прибора Измеряемая величина Диапазон регулирования Замечание по диагностике
        Daytime Running Light Подфарники, включаемые при движении в светлое время суток ON (ВКЛ) / OFF (ВЫКЛ) -



      1. Body Electrical > Main Body > Active Test
        Информация на дисплее прибора
        Daytime Running Light




      OK
      Подфарники, включаемые при движении в светлое время суток, светятся.
      Результат
      Следующий шаг
      OK
      NG

    • OK

      ПЕРЕЙДИТЕ К СЛЕДУЮЩЕМУ ПРЕДПОЛАГАЕМОМУ УЧАСТКУ, УКАЗАННОМУ В ТАБЛИЦЕ ПРИЗНАКОВ НЕИСПРАВНОСТЕЙ Нажмите здесьClick here

    • NGClick here
  3. Click here

    ПРОВЕРЬТЕ РЕЛЕ DRL


    1. Извлеките реле DRL из блока реле моторного отсека и распределительного блока в сборе.

    2. A01LV73N09

      Измерьте сопротивление в соответствии со значениями, приведенными в таблице ниже.

      Номинальное сопротивление
      Подключение диагностического прибора Условие Заданные условия
      3 - 5 Напряжение не подается на контакты 1 и 2 10 кОм или более
      3 - 5 Напряжение подается на контакты 1 и 2 Менее 1 Ом
      Результат
      Следующий шаг
      OK
      NG

  4. Click here

    ПРОВЕРЬТЕ ЖГУТ ПРОВОДОВ И РАЗЪЕМ (ИСТОЧНИК ПИТАНИЯ — РЕЛЕ DRL)


    1. Измерьте напряжение в соответствии со значениями, приведенными в таблице.

      Номинальное напряжение
      Подключение диагностического прибора Условие Заданные условия
      Контакт 1 реле - масса Всегда 11-14 В
      Контакт 3 реле - масса Всегда 11-14 В
      Результат
      Следующий шаг
      OK
      NG

    • OKClick here
    • NG

      ОТРЕМОНТИРУЙТЕ ИЛИ ЗАМЕНИТЕ ЖГУТ ПРОВОДОВ ИЛИ РАЗЪЕМ

  5. Click here

    ПРОВЕРЬТЕ ЖГУТ ПРОВОДОВ И РАЗЪЕМ (РЕЛЕ DRL – ЛЕВАЯ ФАРА В СБОРЕ И ПРАВАЯ ФАРА В СБОРЕ)


    1. Для моделей с кузовом типа "хэтчбэк" или "универсал":


      1. Отсоедините разъем A70 левой фары.

      2. Отсоедините разъем A73 правой фары.

      3. Измерьте сопротивление в соответствии со значениями, приведенными в таблице ниже.

        Номинальное сопротивление
        Подключение диагностического прибора Условие Заданные условия
        Контакт 5 реле - A70-2 (B) Всегда Менее 1 Ом
        Контакт 5 реле - A73-2 (B) Всегда Менее 1 Ом
        Контакт 5 реле - масса Всегда 10 кОм или более
    2. Для моделей с кузовом типа "седан":


      1. Отсоедините разъем A145 левой фары в сборе.

      2. Отсоедините разъем A149 правой фары в сборе.

      3. Измерьте сопротивление в соответствии со значениями, приведенными в таблице ниже.

        Номинальное сопротивление
        Подключение диагностического прибора Условие Заданные условия
        Контакт 5 реле - A145-4 (B) Всегда Менее 1 Ом
        Контакт 5 реле - A149-4 (B) Всегда Менее 1 Ом
        Контакт 5 реле - масса Всегда 10 кОм или более
      Результат
      Следующий шаг
      OK
      NG

    • OKClick here
    • NG

      ОТРЕМОНТИРУЙТЕ ИЛИ ЗАМЕНИТЕ ЖГУТ ПРОВОДОВ ИЛИ РАЗЪЕМ

  6. Click here

    ПРОВЕРЬТЕ ЖГУТ ПРОВОДОВ И РАЗЪЕМ (РЕЛЕ DRL - РАСПРЕДЕЛИТЕЛЬНЫЙ БЛОК ПАНЕЛИ ПРИБОРОВ)


    1. Отсоедините разъем 3A распределительного блока панели приборов.

    2. Измерьте сопротивление в соответствии со значениями, приведенными в таблице ниже.

      Номинальное сопротивление
      Контакты для подключения диагностического прибора Условие Номинальное значение
      Контакт 2 реле - 3A-53 Всегда Менее 1 Ом
      Контакт 2 реле - масса Всегда 10 кОм или более
      Результат
      Следующий шаг
      OK
      NG

    • OKClick here
    • NG

      ОТРЕМОНТИРУЙТЕ ИЛИ ЗАМЕНИТЕ ЖГУТ ПРОВОДОВ ИЛИ РАЗЪЕМ

  7. Click here

    ПРОВЕРЬТЕ РАСПРЕДЕЛИТЕЛЬНЫЙ БЛОК ПАНЕЛИ ПРИБОРОВ В СБОРЕ


    1. Снимите распределительный блок панели приборов в сборе.

      Для моделей с левосторонним рулевым управлением: Нажмите здесьClick here

      Для моделей с правосторонним рулевым управлением: Нажмите здесьClick here

    2. Снимите главный ЭБУ кузова (бортовой ЭБУ сети мультиплексной связи) с распределительного блока панели приборов в сборе.

    3. A01M2XRC04
      *a

      Устройство с неподсоединенным жгутом проводов

      (Распределительный блок панели приборов в сборе)

      - -

      Измерьте сопротивление в соответствии со значениями, приведенными в таблице ниже.

      Номинальное сопротивление
      Подключение диагностического прибора Условие Заданные условия
      3A-53 - MB-26 (DRL) Всегда Менее 1 Ом
      Результат
      Следующий шаг
      OK
      NG

    • OK

      ЗАМЕНИТЕ ГЛАВНЫЙ ЭБУ КУЗОВА (БОРТОВОЙ ЭБУ СЕТИ МУЛЬТИПЛЕКСНОЙ СВЯЗИ) Для моделей с левосторонним рулевым управлением: Нажмите здесьClick here

      ЗАМЕНИТЕ ГЛАВНЫЙ ЭБУ КУЗОВА (БОРТОВОЙ ЭБУ СЕТИ МУЛЬТИПЛЕКСНОЙ СВЯЗИ) Для моделей с правосторонним рулевым управлением: Нажмите здесьClick here

    • NG

      ЗАМЕНИТЕ РАСПРЕДЕЛИТЕЛЬНЫЙ БЛОК ПАНЕЛИ ПРИБОРОВ В СБОРЕ Для моделей с левосторонним рулевым управлением: Нажмите здесьClick here

      ЗАМЕНИТЕ РАСПРЕДЕЛИТЕЛЬНЫЙ БЛОК ПАНЕЛИ ПРИБОРОВ В СБОРЕ Для моделей с правосторонним рулевым управлением: Нажмите здесьClick here