СИСТЕМА ОСВЕЩЕНИЯ Цепь реле системы подфарников, включаемых при движении в светлое время суток

ОПИСАНИЕ

Главный ЭБУ кузова (бортовой ЭБУ сети мультиплексной связи) управляет работой подфарников, включаемых при движении в светлое время суток.

СХЕМА СОЕДИНЕНИЙ


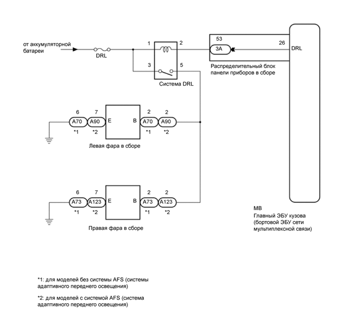
  1. для моделей с кузовом типа "хэтчбэк" или "универсал"

    A012MLYE01
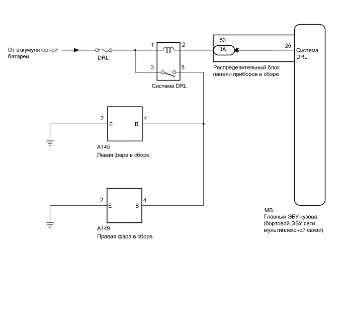
  2. для моделей с кузовом типа "седан"

    A012KB5E02

ПРЕДОСТЕРЕЖЕНИЕ / ПРИМЕЧАНИЕ / УКАЗАНИЕ

Note

Перед выполнением последующей процедуры проверки проверьте плавкие предохранители цепей, относящихся к данной системе.

ПОРЯДОК ВЫПОЛНЕНИЯ


  1. ПРОВЕРЬТЕ РАБОТУ (СТОЯНОЧНЫЕ ФОНАРИ)


    1. Проверьте работу стояночных фонарей.

      OK
      Стояночные фонари работают нормально.
      Результат
      Перейти К
      OK
      NG

    NG
    OK
  2. ВЫПОЛНИТЕ АКТИВНУЮ ДИАГНОСТИКУ С ПОМОЩЬЮ GTS


    1. Подключите GTS к DLC3.

    2. Установите замок зажигания в положение ON (ВКЛ).

    3. Включите GTS.

    4. Войдите в следующие меню: Body Electrical / Main Body / Active Test.

    5. Убедитесь, что подфарники, включаемые при движении в светлое время суток, горят.


      Body Electrical > Main Body > Active Test
      Информация на дисплее прибора Измеряемая величина Диапазон регулирования Замечание по диагностике
      Daytime Running Light Подфарники, включаемые при движении в светлое время суток ON (ВКЛ) / OFF (ВЫКЛ) -

      Body Electrical > Main Body > Active Test
      Информация на дисплее прибора
      Daytime Running Light
      OK
      Подфарники, включаемые при движении в светлое время суток, светятся.
      Результат
      Следующий шаг
      OK
      NG

    OK
    NG
  3. ПРОВЕРЬТЕ РЕЛЕ DRL


    1. Извлеките реле DRL из блока реле моторного отсека и распределительного блока в сборе.

    2. A012MF9N09

      Измерьте сопротивление в соответствии со значениями, приведенными в таблице ниже.

      Номинальное сопротивление
      Контакты для подключения диагностического прибора Условие Заданные условия
      3 - 5 Напряжение не подается на контакты 1 и 2 10 кОм или более
      3 - 5 Напряжение подается на контакты 1 и 2 Менее 1 Ом
      Результат
      Перейти К
      OK
      NG

    NG
    OK
  4. ПРОВЕРЬТЕ ЖГУТ ПРОВОДОВ И РАЗЪЕМ (РЕЛЕ DRL - АККУМУЛЯТОРНАЯ БАТАРЕЯ)


    1. Измерьте напряжение в соответствии со значениями, приведенными в таблице ниже.

      Номинальное напряжение
      Подключение диагностического прибора Условие Заданные условия
      1 - масса Всегда 11-14 В
      3 - масса Всегда 11-14 В
      Результат
      Следующий шаг
      OK
      NG

    NG
    OK
  5. ПРОВЕРЬТЕ ЖГУТ ПРОВОДОВ И РАЗЪЕМ (РЕЛЕ DRL – ЛЕВАЯ ФАРА В СБОРЕ И ПРАВАЯ ФАРА В СБОРЕ)


    1. для моделей с кузовом типа "хэтчбэк" или "универсал"


      1. Отсоедините разъем A70*1 или A90*2 левой фары в сборе.

      2. Отсоедините разъем A73*1 или A123*2 правой фары в сборе.

      3. Измерьте сопротивление в соответствии со значениями, приведенными в таблице ниже.

        Номинальное сопротивление
        для моделей без системы AFS (системы адаптивного переднего освещения)
        Подключение диагностического прибора Условие Заданные условия
        5 - A70-2 (B) Всегда Менее 1 Ом
        5 - A73-2 (B) Всегда Менее 1 Ом
        5 - масса Всегда 10 кОм или более
        Номинальное сопротивление
        для моделей с системой AFS (система адаптивного переднего освещения)
        Подключение диагностического прибора Условие Заданные условия
        5 - A90-2 (B) Всегда Менее 1 Ом
        5 - A123-2 (B) Всегда Менее 1 Ом
        5 - масса Всегда 10 кОм или более

        • *1: для моделей без системы AFS (системы адаптивного переднего освещения)

          *2: для моделей с системой AFS (система адаптивного переднего освещения)

    2. для моделей с кузовом типа "седан"


      1. Отсоедините разъем A145 левой фары в сборе.

      2. Отсоедините разъем A149 правой фары в сборе.

      3. Измерьте сопротивление в соответствии со значениями, приведенными в таблице ниже.

        Номинальное сопротивление
        Подключение диагностического прибора Условие Заданные условия
        5 - A145-4 (B) Всегда Менее 1 Ом
        5 - A149-4 (B) Всегда Менее 1 Ом
        5 - масса Всегда 10 кОм или более
      Результат
      Следующий шаг
      OK
      NG

    NG
    OK
  6. ПРОВЕРЬТЕ ЖГУТ ПРОВОДОВ И РАЗЪЕМ (РЕЛЕ DRL - РАСПРЕДЕЛИТЕЛЬНЫЙ БЛОК ПАНЕЛИ ПРИБОРОВ)


    1. Отсоедините разъем 3A распределительного блока панели приборов.

    2. Измерьте сопротивление в соответствии со значениями, приведенными в таблице ниже.

      Номинальное сопротивление
      Подключение диагностического прибора Условие Номинальное сопротивление
      2 - 3A-53 Всегда Менее 1 Ом
      2 - масса Всегда 10 кОм или более
      Результат
      Перейти К
      OK
      NG

    NG
    OK
  7. ПРОВЕРЬТЕ РАСПРЕДЕЛИТЕЛЬНЫЙ БЛОК ПАНЕЛИ ПРИБОРОВ В СБОРЕ


    1. Снимите распределительный блок панели приборов в сборе.

      Для моделей с левосторонним рулевым управлением: Нажмите здесь Click here

      Для моделей с правосторонним рулевым управлением: Нажмите здесь Click here

    2. Снимите главный ЭБУ кузова (бортовой ЭБУ сети мультиплексной связи) с распределительного блока панели приборов в сборе.

    3. Измерьте сопротивление в соответствии со значениями, приведенными в таблице ниже.

      A012GVXC04
      *a

      Устройство с неподсоединенным жгутом проводов

      (распределительный блок панели приборов в сборе)

      - -
      Номинальное сопротивление
      Подключение диагностического прибора Условие Заданные условия
      3A-53 - MB-26 (DRL) Всегда Менее 1 Ом
      Результат
      Перейти К
      OK
      NG

    OK
    NG